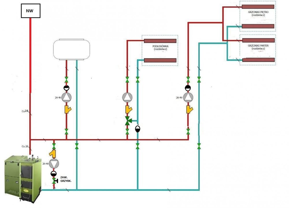
rsr Opublikowano 17 Października 2018 #1 Opublikowano 17 Października 2018 Witam, prosiłbym o ocenę instalacji i podzielenie się uwagami
Ksieciunio Opublikowano 17 Października 2018 #2 Opublikowano 17 Października 2018 To / ta fala to grzebień ? A tak ciut serio jest tu mnóstwo gotowych schematów jak i pewnie na stronie producenta kotła - wystarczy poszukać.
rsr Opublikowano 18 Października 2018 Autor #3 Opublikowano 18 Października 2018 Heh, no faktycznie rysunek trochę mało profesjonalny :P Ten grzebień to podłogówka. No własnie nigdzie nie znalazłem schematu z pompą na powrocie i podłogówką dlatego wolę zapytać o zdanie fachowców.
hajtaler428 Opublikowano 19 Października 2018 #4 Opublikowano 19 Października 2018 Bo nie znajdziesz takiego schematu. Jeżeli masz pompę na powrocie to chcąc zamontować kolejną na zasilaniu potrzeba zamontować sprzęgło. W takim układzie jak narysowałeś pompy są podłączone szeregowo i ich praca będzie zakłócona
rsr Opublikowano 19 Października 2018 Autor #5 Opublikowano 19 Października 2018 Czyli prosciej i taniej bedzie przeniec pompe co na zasilanie?
odpowietrznik Opublikowano 19 Października 2018 #6 Opublikowano 19 Października 2018 Np.jak w załączniku.Na grzejnikach zawory termostat.
hajtaler428 Opublikowano 20 Października 2018 #7 Opublikowano 20 Października 2018 12 godzin temu, rsr napisał: Czyli prosciej i taniej bedzie przeniec pompe co na zasilanie? Zależy jakie i jak podłączone masz zabezpieczenie kotła - jeżeli układ otwarty to jak podłączone jest naczynie bo na tym pięknym rysunku tego nie ma.
rsr Opublikowano 20 Października 2018 Autor #8 Opublikowano 20 Października 2018 Fakt nie narysowałem naczynka. Układ otwarty, z tym, że naczynie jest na jednym z pionów do którego podłączony jest też grzejnik. Między innymi dlatego pompa CO jest na powrocie.
Rekomendowane odpowiedzi
Zarchiwizowany
Ten temat przebywa obecnie w archiwum. Dodawanie nowych odpowiedzi zostało zablokowane.