leviath Opublikowano 18 Września 2018 Autor #26 Opublikowano 18 Września 2018 Wielkie dzięki za szczegółowe wytłumaczenie tematu :) Faktycznie kwestia sprzęgła wydaje się być warta uwagi . Jak by nie patrzyć , znacząco upraszcza to cały układ ( a w prostocie siła:) oraz zabezpiecza kocioł. W kotłowni i tak będę miał duże zmiany, wiec postanowiłem ,że wywalę zawór 4d i zastosuję sprzęgło. Korzystając z Waszej pomocy schemat wygląda następująco. Czy muszę coś jeszcze w nim uwzględnić ? (jeszcze nie otrzymałem odpowiedzi od producenta co do układu). Przy okazji nasunęły mi się kolejne pytania ; 1. zasilanie CWU powinno być przed / za sprzęgłem ? 2. kwestia podłączenie grzejników pod rozdzielacz podłogówki odpuszczona. Na początku myślałem , aby w kotłowni wstawić dodatkowy mały rozdzielacz . Jednak miejsce jest ograniczone i łatwiej mi będzie podpiąć się do rozdzielacza grzejników na poddaszu. Myślałem aby wstawić tam zawór 3d z mechaniczną możliwością nastawy temp(w x zakresie) , a każdy grzejnik wyposażyć w termostat do indywidualnych nastaw. Czy jest to ok ? 3. podłogówka .... I to jest dla mnie wielka niewiadoma. Chciałbym mieć możliwość nastaw temp na każdy obieg z osobna. Jak to zrobić aby było dobrze ? 4. czym się kierować przy wyborze sprzęgła ?
odpowietrznik Opublikowano 18 Września 2018 #27 Opublikowano 18 Września 2018 Sprzęgło 40kW wystarczy,dasz większe nie przeszkadza.Zasobnik CWU przed sprzęgłem-powrót z zasobnika przed kotłem
shogunzlasa Opublikowano 18 Września 2018 #28 Opublikowano 18 Września 2018 Co do zaworu 4D - możesz zostawić na grzejniki - w końcu 3D i 4D to zawory mieszające. W 3D woda powrotna nie wraca przez sam zawór tylko przez ten trójnik który masz wyrysowany obok. W 4D woda wraca czwartym wyjściem. (woda ma się zakręcić w koło przez 2 wyjścia, trzecim ma wejść ciepła, czwartym ma wyjść nadmiar zimnej w miejsce w które wpompowaliśmy wodę ciepłą). Jak wstawisz termostatyczny 3D na grzejniki i termostaty to też będzie OK. Gorzej z tym, że 2 cienkie pexy które masz podpięte i rozgałęzione nie przeniosą wystarczającej mocy do ogrzania grzejników na górze. Co do podłogówki - możesz zrobić jak z grzejnikami - zawór 3D termostatyczny i termostaty na końcach pętli. Lub siłownik jak już masz to zapiąć na 3D - termostaty bezprzewodowe możesz dopiąć w każdej chwili jakby któraś pętla nie dała się wysterować rotametrami. Ogólnie siłownik można wykorzystać do któregoś obiegu bo go szkoda... Co do CWU i sprzęgła - słuchaj przedmówcy.
leviath Opublikowano 18 Września 2018 Autor #29 Opublikowano 18 Września 2018 Cytat Sprzęgło 40kW wystarczy,dasz większe nie przeszkadza.Zasobnik CWU przed sprzęgłem-powrót z zasobnika przed kotłem Wielkie dzięki za korektę ;) Co do zaworu 4D - możesz zostawić na grzejniki - w końcu 3D i 4D to zawory mieszające. W 3D woda powrotna nie wraca przez sam zawór tylko przez ten trójnik który masz wyrysowany obok. W 4D woda wraca czwartym wyjściem. (woda ma się zakręcić w koło przez 2 wyjścia, trzecim ma wejść ciepła, czwartym ma wyjść nadmiar zimnej w miejsce w które wpompowaliśmy wodę ciepłą). Cytat Jak wstawisz termostatyczny 3D na grzejniki i termostaty to też będzie OK. Gorzej z tym, że 2 cienkie pexy które masz podpięte i rozgałęzione nie przeniosą wystarczającej mocy do ogrzania grzejników na górze. Fakt, można wykorzystać 3d jak i obecny 4d. Z tymi temp będzie grzejników ok. Na ten moment będę chciał zrobić połączenie od kotła do rozdzielaczy , a w przyszłym roku zdemontuję podłogę i każdy grzejnik podłącze z osobna. Cytat Co do podłogówki - możesz zrobić jak z grzejnikami - Lub siłownik jak już masz to zapiąć na 3D - termostaty bezprzewodowe możesz dopiąć w każdej chwili jakby któraś pętla nie dała się wysterować rotametrami. Ogólnie siłownik można wykorzystać do któregoś obiegu bo go szkoda... Czy korzystasz / korzystałeś z rozwiązania ; zawór 3D termostatyczny i termostaty na końcach pętli. Powiedzmy , że uda się wyregulować. Jestem ciekaw jak to wygląda w przypadku zmian temperatury. Czy ciągła zmiana nastaw jest konieczna ? Dostałem odpowiedź od producenta ; " Tak nadaję się, tylko układ trzeba odpowiednio zabezpieczyć. " Kolejne z pytań. Co się bardziej sprawdzi , układ otwarty czy zamknięty ?
shogunzlasa Opublikowano 18 Września 2018 #30 Opublikowano 18 Września 2018 Jeśli masz termostatyczny zawór 3D i termostaty na końcach pętli to nie - bo puszczasz stałą temperaturę na podłogę (przykładowo. 25 jak pętle gęsto, 33 jak średnio, 38 jak rzadziej itp) a termostaty odłączają pętle jak jest za ciepło. To się moze przydać jak masz za cienką rurę poprowadzoną do rozdzielaczy - bo wyższa temperatura nadrobi braki przepływu. Wtedy wstawia się grupę mieszającą - czyli rozdzielacz z pompą - ale to takie rozwiązanie od 4 liter strony. Ale jak i tak poprowadzisz rurę po Bożemu (np, miedź 28) do nowych rozdzielaczy to daj siłownik na 3D od podłogi. Puścisz np. 35 stopni i badasz gdzie jest ciepło, a gdzie zimno - potem tam gdzie ciepło skręcasz przepływ. Potem jak wszędzie już jest równo to ustawiasz krzywą pogodową i siłownik steruje za Ciebie zmieniając temperaturę całej podłogi - to jest metoda prób i błędów, ale ogólnie spoko - może udać się bez termostatów. Jak któraś pętla będzie się przegrzewać - można wtedy ją odcinać termostatem. Najważniejsze jest mieć czym regulować. Jak dasz sam zawór termostatyczny to temperatura podłogi nie będzie się zmieniać, czyli w domu będzie albo za ciepło albo za zimno.
leviath Opublikowano 18 Września 2018 Autor #31 Opublikowano 18 Września 2018 Może na początek spróbuje zastosować rozwiązanie z zaworem 3D oraz termostatami na końcach pętli . Tak jak piszesz , automatykę zawsze można dołożyć. Jeszcze kwestia tego układu , lepszym rozwiązaniem w moim przypadku będzie otwarty czy zamknięty ? Zastanawia mnie jeszcze kwestia pomp. Obecnie mam dwie pompy ; obiegową c.o. która pracuje cały czas oraz pompę cwu która się tylko załącza , gdy temp w zasobniku spadnie poniżej zadanej. Jak to ma wyglądać w przypadku docelowych 4 pomp ? Sterownik kotła obsługuje pompe c.o. i cwu. Rozumiem , że pompa cwu zostaje jak jest / obiegowa na grzejniki również . - pompa obiegu kotła ; podpinam ją wraz z pompą c.o.(obiegową grzejników) i również pracuje stale ? - pompa obiegu ogrzewania podłogowego ; jaka i jak powinna być załączona ? również pod pompę obiegu grzejników ? / ta pompa nie działa chyba w pracy ciągłej ?
shogunzlasa Opublikowano 18 Września 2018 #32 Opublikowano 18 Września 2018 Najpierw załóż 3D z siłownikiem, reguluj przepływy - a jak coś nie pójdzie można ratować się termostatami. Układ otwarty Pelletowiec z 2ma pompami to troche 100 lat za murzynami. Podłogówka może chodzić non stop jeśli nie zamkniesz wszystkich pętli jednocześnie (na termostatach) - więc kabel do gniazdka. jeśli zamkniesz - kup pompę elektroniczną z taką opcją. CWU wg sterownika kotła, pompa kotłowa jako CO. Co do grzejników - podobnie jak podłogówka - można spiąc na stałe uważając na termostaty
odpowietrznik Opublikowano 19 Września 2018 #33 Opublikowano 19 Września 2018 Jak twój sterownik obsługuje tylko pompę CO i CWU to musisz dokupić kolejny sterujący siłownikiem zaworu 3D. Co do automatyki którą można później dołożyć czyli ewentualnych termostatów współpracujących z siłownikami na rozdzielaczu to jak nie poprowadzisz od razu kabelków z pomieszczeń gdzie owe termostaty będą to pozostaje później już tylko opcja bezprzewodowa. Jeżeli siłowniki to pompa z funkcją Autoadapt.Jezeli układ otwarty to do naczynia rura Cu 28 lub stal1"
leviath Opublikowano 19 Września 2018 Autor #34 Opublikowano 19 Września 2018 Cytat Jak twój sterownik obsługuje tylko pompę CO i CWU to musisz dokupić kolejny sterujący siłownikiem zaworu 3D. To prawda , że obsługuje tylko pompę CO i CWU. Aczkolwiek mam też zainstalowany zawór 4D z siłownikiem sterowany przez piec. Czy przy instalacji zaworu 3D i siłownika piec również go "obsłuży" czy nie jest to kompatybilne ze sterowaniem zaworu 4D ? Cytat Układ otwarty Cytat Jezeli układ otwarty to do naczynia rura Cu 28 lub stal1" Dostałem sugestię , aby założyć zawór DBV1 i zrobić z tego układ zamknięty , jest taka potrzeba ? Cytat Pelletowiec z 2ma pompami to troche 100 lat za murzynami. :) ten Fuzzy Logic 2 ma już swoje lata Cytat Podłogówka może chodzić non stop jeśli nie zamkniesz wszystkich pętli jednocześnie (na termostatach) - więc kabel do gniazdka. jeśli zamkniesz - kup pompę elektroniczną z taką opcją. CWU wg sterownika kotła, pompa kotłowa jako CO. Co do grzejników - podobnie jak podłogówka - można spiąc na stałe uważając na termostaty Podłogówka jak i grzejniki nie będą zamknięte . Pompę którą jest do CWU zostawię. Ta z CO to Wita U35-25. Pompy o takich parametrach zastosować na obieg kotłowy , grzejnikowy i podłogowy? Cytat Co do automatyki którą można później dołożyć czyli ewentualnych termostatów współpracujących z siłownikami na rozdzielaczu to jak nie poprowadzisz od razu kabelków z pomieszczeń gdzie owe termostaty będą to pozostaje później już tylko opcja bezprzewodowa. Kotłownia jeszcze nie wykończona, więc jedna bruzda w tą czy w tamtą nie będzie problemem ;) Przeglądałem oferty sprzęgieł , jest w czym wybrać . Dostępne są modele "proste" - wejście / wyjście strona kotła / wejście / wyjście strona układu. Są również modele bardziej rozbudowane , pozwalające np podłączyć dwa obiegi. Obie wersje są dobre ? zdjęcia poglądowe ;
odpowietrznik Opublikowano 19 Września 2018 #35 Opublikowano 19 Września 2018 A ja jestem za układem otwartym.Przedstawiona pompa Hel-Wity nie jest pompą energooszczędną,pewnie łyka z 80W jak ci nie szkoda kasy za prąd to pakuj tego typu.Pomp prawdopodobnie będzie 4szt w tym 3 z nich pracują ciągle(oprócz CWU-okresowo) Co do niewykończonej kotłowni i kabelków-ewentualne kabelki nie pójdą tylko w obrębie kotłowni ale muszą być do niej doprowadzone z poszczególnych pomieszczeń gdzie będą termostaty pokojowe
leviath Opublikowano 21 Września 2018 Autor #36 Opublikowano 21 Września 2018 Chyba nie będę kombinował jak koń pod górę i też zostanę przy otwartym. Pompa została przedstawiona tylko jako przykład. Bardziej chodziło mi o kwestię wydajności, czy taka wystarczy ? Ta pompa, którą posiadam ma już kilka lat , a standardy na pewno uległy zmianie. Z tymi kablami to zawsze jest kłopot. W kotłowni sobie poradzę , natomiast pomieszczenia są już są wykończone. Jak będę musiał użyć termostatów pokojowych to wejdą bezprzewodowe. Mieliście do czynienia ze sprzęgłami , jest jakaś większa różnica pomiędzy pionowymi a poziomymi , a właściwie między sprzęgłem , a sprzęgło - rozdzielaczem ?
shogunzlasa Opublikowano 21 Września 2018 #37 Opublikowano 21 Września 2018 Bierz zwykłe sprzęgło pionowe z 4ma wejściami / wyjściami + odpowietrznik + spust - od sprzęgła rura / trójniki o średnicy przyłącza. Pod to podpinasz co trzeba.
leviath Opublikowano 22 Września 2018 Autor #38 Opublikowano 22 Września 2018 Ok. W takim razie trzeba kompletować zabawki. Planuje modernizację na pierwszą połowę następnego miesiąca. Dam znać już po wszystkim.
leviath Opublikowano 23 Września 2018 Autor #39 Opublikowano 23 Września 2018 Cytat Podłogówka może chodzić non stop jeśli nie zamkniesz wszystkich pętli jednocześnie (na termostatach) - więc kabel do gniazdka. jeśli zamkniesz - kup pompę elektroniczną z taką opcją. CWU wg sterownika kotła, pompa kotłowa jako CO. Co do grzejników - podobnie jak podłogówka - można spiąc na stałe uważając na termostaty Wracając do pompy kotłowej . Tak sobie myślę, że ta opcja nie będzie dobra.Ponieważ pompy (CO i kotłowa) załączą się znacznie wcześniej i wówczas na pewno nie będzie 50/55 stopni C na powrocie. W tym momencie zawór zabezpieczający powrót na kocioł będzie zamknięty, a pompa będzie mielić na sucho. Sterownik mojego kotła obsługuje tylko pompę CO i CWU. Tak więc ta opcja odpada. Może podpięcie jakiegoś na rurowego termostatu rozwiąże tą kwestię ?
sambor Opublikowano 23 Września 2018 #40 Opublikowano 23 Września 2018 6 minut temu, leviath napisał: Wracając do pompy kotłowej . Tak sobie myślę, że ta opcja nie będzie dobra.Ponieważ pompy załączą się znacznie wcześniej i na pewno nie będzie wówczas 50/55 stopni C na powrocie. W tym momencie zawór zabezpieczający powrót na kocioł będzie zamknięty, a pompa będzie mielić na sucho. Nie będzie mielić na sucho!, będzie pracować na obiegu kotła dodatkowo po to jest sprzęgło aby pompy pracujące na odbiorach nie pracowały "na sucho" Jak myślisz że to nie będzie dobre to najlepiej nie rób nic.
leviath Opublikowano 23 Września 2018 Autor #41 Opublikowano 23 Września 2018 A Ty dzisiaj lewą nogą wstałeś czy co ? Nie po to ta dyskusja , aby nie robić nic. Faktycznie sprzęgło wszystko wyjaśnia. Ja się zblokowałem na etapie obecnego zaworu rozwiązania i zaworu 4D. Wycofuje pytanie ;)
sambor Opublikowano 23 Września 2018 #42 Opublikowano 23 Września 2018 Nie wiem czy wiesz że sam zaw 4-D pełni też jakby rolę sprzęgła i na dobrą sprawę nie potrzeba ci nowego sprzęgła.
leviath Opublikowano 23 Września 2018 Autor #43 Opublikowano 23 Września 2018 Tak. Kolega shogunzlasa to dobrze przedstawił.
leviath Opublikowano 28 Września 2018 Autor #45 Opublikowano 28 Września 2018 Jeszcze jedno pytanie ;) W obiegu kotłowym powinien być dodatkowo zawór do regulacji przepływu czy nie ma takiej potrzeby ?
shogunzlasa Opublikowano 28 Września 2018 #46 Opublikowano 28 Września 2018 Jak robisz ze sprzęgłem i zaworem 3D na powrocie to nie.
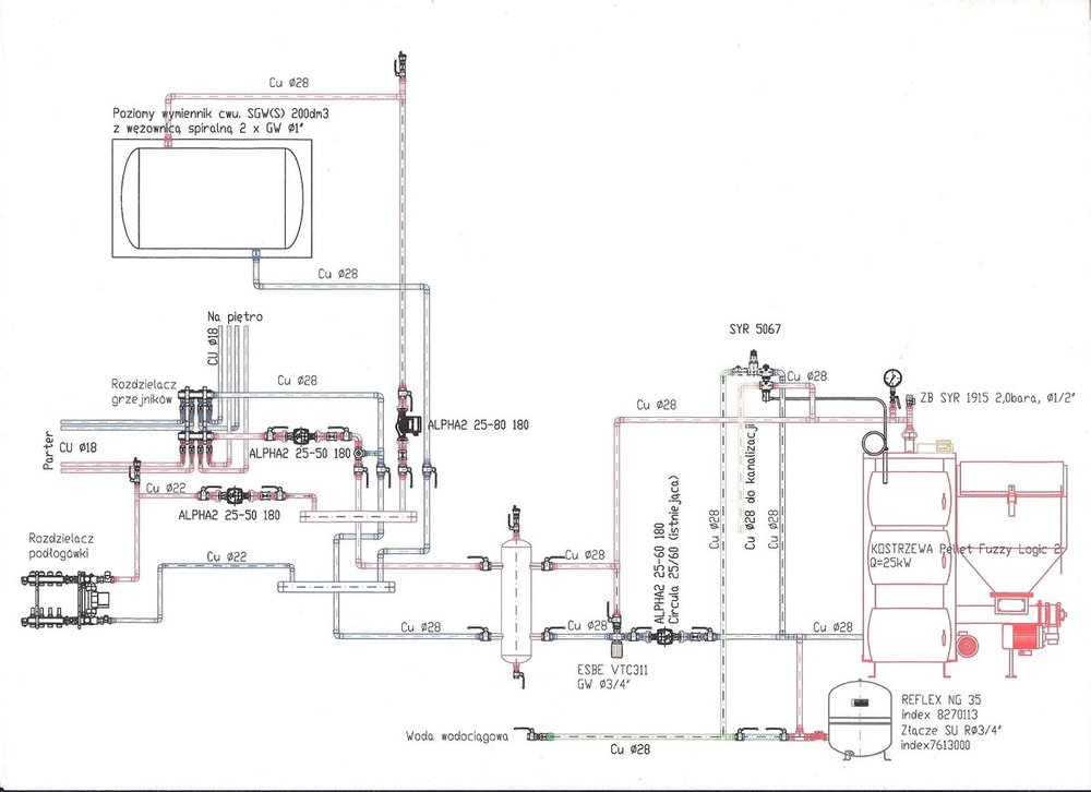
leviath Opublikowano 27 Marca 2019 Autor #48 Opublikowano 27 Marca 2019 Witam ponownie. Niestety nie zdążyłem z modernizacją kotłowni przed sezonem grzewczym. Obecny już prawie się kończy dlatego wracam do tematu. Wcześniej planowałem modernizacje w układzie otwartym. Jedna z firm zaproponowała mi zamknięcie go. Oto schemat jaki przygotowali. Co o tym sądzicie ?
zaworek Opublikowano 27 Marca 2019 #49 Opublikowano 27 Marca 2019 Raczej jak w załączniku.Zasobnik sugeruje przed sprzęgłem(chcąc w lecie podgrzać tylko CWU to po co ma chodzić dodatkowo pompa ta przy VTC)Pzed każdą pompą filtr osadnikowy.Oddzielne rozdzielacze dla grzejników parter piętro.Może lepiej VTC 511/55st.Zawór SYR dobry jakościowo i jest zintegrowany z reduktorem ale weź pod uwagę że kosztuje ok 1000zł.Zasilanie podaje się na górną belkę rozdzielacza.
Rekomendowane odpowiedzi
Zarchiwizowany
Ten temat przebywa obecnie w archiwum. Dodawanie nowych odpowiedzi zostało zablokowane.