MarcinLolo Opublikowano 3 Sierpnia 2018 #1 Opublikowano 3 Sierpnia 2018 Witam, z okazji urlopu i nadmiaru wolnego czasu trochę przeglądałem projekty instalacji która mnie czeka i postawnowiłem zaprojektować własne centralne ogrzewanie. W przyszłym roku wpadnie ekipa instalatorów, więc moja praca jest tylko zabawą i sprawdzeniem czy oni zrobią tak samo, a może podrzucę im jakiś fajny pomysł, który z kolei otrzymam od Was. Jedno jest pewne hydraulikiem nie zostanę. Piec 20kw na pellet obsługa 6 pomp, wbudowany i 2 dodatkowe zawory mieszające oraz inne bzdety. Problem polega na tym że piec czeka nie podłączony w budynku gosp. gdzie bedzie zamontowany. Tunel łączący oba budynki zrobiony w zeszłym roku, rura kan grubościenna 250mm w środku zasilanie i powroty pex-al-pex 32 i 25 c.w.u 25 cyrkulacja 20 łącznie 25mb do punktu rozdzielania w podwójnej otulinie i sypełnione pianką poliuretanową na głębokości 1,4-1,8m Co myślicie o moim pomyśle? Projekt przedstawia rozdzielacz na 4 mieszkania w których będą znajdowały się rozdzielacze, myślę że bez pomp, mieszkania 35m, 50, 75, 110 ZZ - Zawór zwrotny P1, P2 - Pompy A - 3-drogowy zawór mieszający B - 4-drogowy zawór mieszający Co bedzie działo się w kotłowni nie mam zielonego pojęcia. Myśle ze przesadnie dużo zaworów zwrotnych ale łatwiej bedzie usunąć niż dorysować, chyba że cały ten rysunek nadaje się do kosza. Pyt.1 Czy zawór mieszający A moze być termostatyczny ręczny np afriso 1236310https://www.afriso.pl/pl/katalog-online/afriso/termostatyczny-zawor-mieszajacy-atm/produkt/1236310 Pyt.2 Czy potrzebne są czyjniki temperatur do zwykłego zaworu 4D z siłownikiem którym steruje piec defro, a jeżeli tak to w jakim miejscu. Pyt.3 Ile stopni powinna mieć woda przed tunelem (z pieca), a jaką na rozdzielaczu grzejników oraz jakiej straty cipła się spodziewać, teren mokry. Pyt.4 Jaką średnicą to przesłać? Proszę o konkretne sugestie i nie sprowadzanie tematu na wątki nieprzyjemne. Za wszelkie odpowiedzi będę bardzo wdzięczny.
sambor Opublikowano 4 Sierpnia 2018 #2 Opublikowano 4 Sierpnia 2018 Nie podajesz podstawowych danych domu , a schemat który przedstawiłeś jest zły.
MarcinLolo Opublikowano 4 Sierpnia 2018 Autor #3 Opublikowano 4 Sierpnia 2018 Dom jest stary, wysokie pomieszczenia, dobrze izolowany, jakie jeszcze parametry są istotne? Teraz tam myślę, że to nie jest schemat tylko widok od frontu.
sambor Opublikowano 4 Sierpnia 2018 #4 Opublikowano 4 Sierpnia 2018 Przede wszystkim zapotrzebowanie na moc tego domu. Ponadto określenia "dobrze zaizolowany" czy "wysokie pomieszczenia" są z katalogu marketingu rynku nieruchomości, są względnymi pojęciami i nic nie mówią . to takie same określenie jak np "ładny". Aby coś powiedzieć to trzeba znać konkretne liczby -
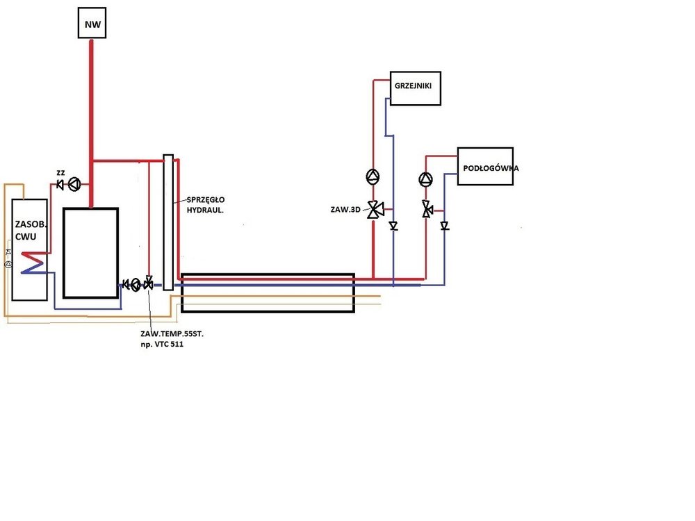
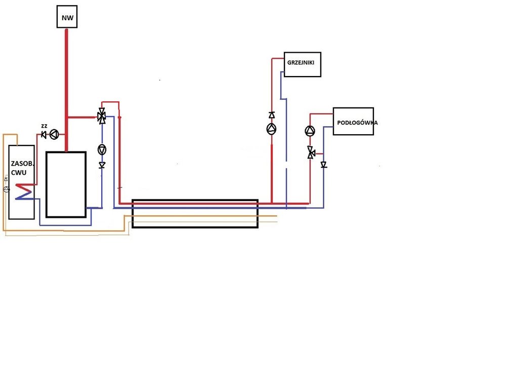
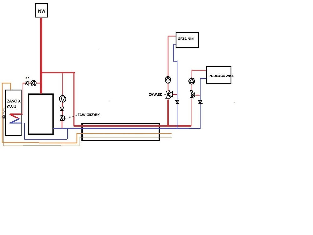
odpowietrznik Opublikowano 4 Sierpnia 2018 #5 Opublikowano 4 Sierpnia 2018 Schemat do kosza)Sugeruje dwa rozwiązania(załączniki)ewentualnie trzecie z zaworem 4D(nie jestem zwolennikiem)Przed pompami filtry osadn.Musisz poprowadzić kabelki do pomp i siłowników zaw.3D
sambor Opublikowano 4 Sierpnia 2018 #6 Opublikowano 4 Sierpnia 2018 Schemat który przedstawił kolega odpowietrznik jest OK pod warunkiem że w budynku gospodarczym NW jest wyżej niż grzejniki w budynku mieszkalnym lub dopuszczalny jest zamknięty układ pracy kotła.
sambor Opublikowano 4 Sierpnia 2018 #7 Opublikowano 4 Sierpnia 2018 Kolego odpowietrznik czy potrafisz dobrać pompy do tej instalacji? Ja cienko widzę przesył ciepła z kotłowni do budynku mieszkalnego i z powrotem.. podobnie CW z tak długą cyrkulacją.
odpowietrznik Opublikowano 4 Sierpnia 2018 #8 Opublikowano 4 Sierpnia 2018 Ja mogę tylko standardowo dobrać na podstawie przepływu i strat ciśnienia)ale trzeba tymi danymi dysponować
PioBin Opublikowano 4 Sierpnia 2018 #9 Opublikowano 4 Sierpnia 2018 Czy mozna (czy nie lepiej) zainstalowac cwu w pomieszczeniu mieszkalnym/uzytkowym? Pewne rozwiazania z przesylu ciepla mozna podpatrzec z rozwiazan miejskich sieci cieplowniczych. Nie jestem zadnym specjalista wiec nie podam konkretnych rozwiazan, ale mysle ze sa tutaj osoby ktore sie z tym spotkaly.
MarcinLolo Opublikowano 4 Sierpnia 2018 Autor #10 Opublikowano 4 Sierpnia 2018 Założenie mojego schematu było, aby wykorzystać powrót grzejników do zasilania podłogówki, a gdy woda z powrotu grzejników bedzie za niska to domieszać z zasilania głównego, aby ograniczyć przesył wody miedzy budynkami.
sambor Opublikowano 4 Sierpnia 2018 #11 Opublikowano 4 Sierpnia 2018 Założenie chwalebne, ale tak tego się nie da rady wykonać, ponadto trzeba do tego jakieś sterowanie Nadal brak danych o ogrzewanym budynku, czy moc kotła ktoś dobierał?
MarcinLolo Opublikowano 4 Sierpnia 2018 Autor #12 Opublikowano 4 Sierpnia 2018 Piec defro sigma5 ekopell 20kw zaproponowała ekipa hydrauliczna, ale jeszcze zanim powstało mieszkanie 75m2. Myślałem wysterować to sterownikiem defro. Między budynkami jest też tunel z przewodami 6kompletów 3x2.5 i 12x skrętka.
sambor Opublikowano 4 Sierpnia 2018 #13 Opublikowano 4 Sierpnia 2018 W poście 1 podajesz że są 4 mieszkania a teraz podajesz tylko 1 Podaj ile naprawdę będziesz grzał?
PioBin Opublikowano 4 Sierpnia 2018 #14 Opublikowano 4 Sierpnia 2018 6 godzin temu, MarcinLolo napisał: Założenie mojego schematu było, aby wykorzystać powrót grzejników do zasilania podłogówki, a gdy woda z powrotu grzejników bedzie za niska to domieszać z zasilania głównego, aby ograniczyć przesył wody miedzy budynkami. Byc moze tak się nie da. Bardziej chciałem podpowiedzieć, żeby: Nie przesyłać wody o temperaturze prosto z kotła o ile nie jest to konieczne. Wysłać niezbędne minimum do ogrzania pomieszczeń + CWU. Tak więc pierwsze podmieszanie przy kotle a następnie kolejne w mieszkaniach. Im mniejsza temperatura na przesyle tym mniejsze straty. Może nie być to takie proste gdyż obniżając temp. należałoby zwiększyć przepływy a rurki już są. Zastosować najmniejszą możliwą ilość rur na przesyle (zasilanie i powrót powinno wystarczyć). Stąd pytanie po co CWU robić w kotłowni o ile tak być nie musi. Problem z rurami jak wyżej. 6 godzin temu, sambor napisał: ... ponadto trzeba do tego jakieś sterowanie ... Autor ma już położone przewody (3x2.5 i skrętka - dlaczego takie? ) więc zakładam, że miał plan/pomysł/koncepcje jak tym sterować. W zasadzie ta uwaga hydrauliki też to dotyczy...
MarcinLolo Opublikowano 4 Sierpnia 2018 Autor #15 Opublikowano 4 Sierpnia 2018 3 godziny temu, sambor napisał: W poście 1 podajesz że są 4 mieszkania a teraz podajesz tylko 1 Podaj ile naprawdę będziesz grzał? W pierwszym poście napisałem, że są 4 mieszkania, 3 godziny temu, MarcinLolo napisał: Piec defro sigma5 ekopell 20kw zaproponowała ekipa hydrauliczna, ale jeszcze zanim powstało mieszkanie 75m2. Gdy kupowałem piec były 3mieszkania, potem dobudowałem kolejne. Przewody takie ponieważ są uniwersalne i mam ich naprawde sporo. Miejsca na cwu nie niestety nie mam. Wiem, ten piec ma swój zawór mieszający do ochrony kotła, drugi myślałem dać w kotłowni aby było te 60-70*. Załóżmy, że 60* wystarczy na kaloryfery. Czy nie ma sposobu aby wykorzystać wodę z grzejników do podłogówki, skoro mój pomysł jest słaby. Narazie proszę o sugestie w tej sprawie, potem zajmiemy się resztą oraz dziękuję za zainteresowanie.
sambor Opublikowano 4 Sierpnia 2018 #16 Opublikowano 4 Sierpnia 2018 Założyć to możemy nogę na nogę, to trzeba policzyć, ale aby policzyć trzeba znać dane o budynku i jego zapotrzebowanie na ciepło - wtedy masz jakieś przepływy i określisz co z czym można mieszać aby wykorzystać powrót wody z grzejników do podłogówki. Wg mnie to słaba koncepcja komplikująca cały układ. Ale jeżeli wszystkie mieszkania są po ok 75m2 to potrzeba minimum 15kW ciepła na ogrzanie i ok 2kW na straty w przesyle. - czyli potrzeba ok 17kW. Kocioł wyda ,rury też, choć z CW to bym naprawdę myślał o innej lokalizacji.
MarcinLolo Opublikowano 4 Sierpnia 2018 Autor #17 Opublikowano 4 Sierpnia 2018 Jutro jade do miejscowości gdzie jest ten dom, pomierzę pomieszczenia, mury, grzejniki, okna. Zobaczę za miejscem na cwu. Wiem, że była tam kiedyś takia mała piwniczka. Bojler potrzebuję 300l, jakie minimalne wymiary musi mieć to pomieszczenie na bojler?
odpowietrznik Opublikowano 5 Sierpnia 2018 #18 Opublikowano 5 Sierpnia 2018 Nie ma minimalnych wymiarów pomieszczenia dla zasobnika aby tylko był dostęp do ewentualnych czynności serwisowych
MarcinLolo Opublikowano 6 Sierpnia 2018 Autor #19 Opublikowano 6 Sierpnia 2018 Witajcie, prawdopodobnie cwu bedzie w domu. Niestety nie miałem czasu aby zmierzyć pomieszczenia więc napiszę z pamięci. Mieszkanie 110m2 narazie nie bedzie podłączone pod ten piec, pozostałe 35 50 75 to 50m2 podłogówki, a reszta grzejniki 13szt (na oko 1,5m x 0,8m). W przyszłym roku zamienię kilka grzejników na kolejne 50m2 podłogówki. Mury 50cm cegła + 15cm styropian okna plastikowe, stropy zaizolowane watą.
MarcinLolo Opublikowano 10 Sierpnia 2018 Autor #20 Opublikowano 10 Sierpnia 2018 Czy te informacje wystarczą? Czy ma ktoś jakiś pomysł aby wykorzystać wodę z grzejników do podłogówki ?
MarcinLolo Opublikowano 10 Sierpnia 2018 Autor #22 Opublikowano 10 Sierpnia 2018 Myślałem aby nie tracić energii na przesył, ale z tego bedzie więcej problemów niż pożytku. Dzięki za pomoc.
MarcinLolo Opublikowano 10 Sierpnia 2018 Autor #23 Opublikowano 10 Sierpnia 2018 Jeżeli cwu bedzie w domu to jaką rurką przesłać wodę 32 czy 25 a może 25 i 25
sambor Opublikowano 10 Sierpnia 2018 #24 Opublikowano 10 Sierpnia 2018 2 godziny temu, MarcinLolo napisał: Myślałem aby nie tracić energii na przesył, ale z tego bedzie więcej problemów niż pożytku. Dzięki za pomoc. Jak rury są dobrze zaizolowane to strata będzie nieduża, a to ciepło które byś odebrał z powrotu z grzejników musiałbyś i tak uzupełnić na kotle , natomiast bezwładność dodatkowego układu i jego cena nie zostaną skompensowane przez potencjalne zyski. Ta większa powinna wystarczyć na potrzeby ogrzewania to tą cieńszą prześlij na potrzeby grzania CW, Chyba że potrzebujesz CW w budynku kotłowni to można 26 przesyłać do niego ZW, CW wg potrzeb.
MarcinLolo Opublikowano 11 Sierpnia 2018 Autor #25 Opublikowano 11 Sierpnia 2018 Czy bufor ciepła, czy to ma sens w takim układzie jeżeli bedzie znajdował się w budynku ogrzewanym?
Rekomendowane odpowiedzi
Zarchiwizowany
Ten temat przebywa obecnie w archiwum. Dodawanie nowych odpowiedzi zostało zablokowane.