kamilotm Opublikowano 7 Czerwca 2018 #1 Opublikowano 7 Czerwca 2018 WITAM. Dziś hydraulicy zaczęli prace przy montażu mojego MPM DS. Co prawda nie skończyli ale jakoś coś mi nie pasuje. Prośba o opinię wszystkich co do wpięcia zaworu mieszającego. Na zdjęciach nie skończone jest jeszcze jakieś obejście zaworu, aby instalacja mogła pracować grawitacyjnie. Czy oni to dobrze robią?
kamilotm Opublikowano 8 Czerwca 2018 Autor #3 Opublikowano 8 Czerwca 2018 Słuchajcie czy takie podłączenie zaworu czterodrogowego, a między innymi powrotu na kocioł i powrotu z grzejników i wykorzystanie zaworu zwrotnego będzie dobre. Czy zawór dobrze będzie mieszał?
andrzejc Opublikowano 10 Czerwca 2018 #5 Opublikowano 10 Czerwca 2018 Nie było pytania. W pierwszej chwili zobaczyłem tylko ostatni obrazek :)
andrzejc Opublikowano 10 Czerwca 2018 #6 Opublikowano 10 Czerwca 2018 Jeśli masz już podłączoną instalację, najprostszym sposobem na sprawdzenie poprawności działania grawitacji jest rozpalić kocioł przez wyłączonych pompach.
sambor Opublikowano 10 Czerwca 2018 #7 Opublikowano 10 Czerwca 2018 Wg mnie nie będzie działać prawidłowo. Zrób zgodnie ze sztuką.
rotkeh Opublikowano 10 Czerwca 2018 #8 Opublikowano 10 Czerwca 2018 Ten zawór z filtrem przed pompką na CO to jakieś nieporozumienie. Filtry montuje się tak, aby zanieczyszczenia zbierały się w nim., czyli odstojnikiem do dołu (w pozycji poziomej) lub w pionie, ale kierunek przepływu z góry na dół. U Ciebie nie ma szans na opróżnienie, bo jak tylko wyłączysz pompkę, to cały syf będzie wpadał do zaworu 4- drogowego. Nie widać na schemacie czy to układ otwarty czy zamknięty i gdzie naczynie przeponowe lub zbiornik nadmiarowy. Co do działania moim zdaniem będzie się zapowietrzać i nici z grawitacji zwłaszcza przy zamkniętym zaworze 4D.
Animus Opublikowano 11 Czerwca 2018 #9 Opublikowano 11 Czerwca 2018 18 godzin temu, andrzejc napisał: najprostszym sposobem na sprawdzenie poprawności działania grawitacji jest rozpalić kocioł przez wyłączonych pompach. A co z naczynkiem, jest tam jakieś, albo zawór bezpieczeństwa, rozpalić i *** ?
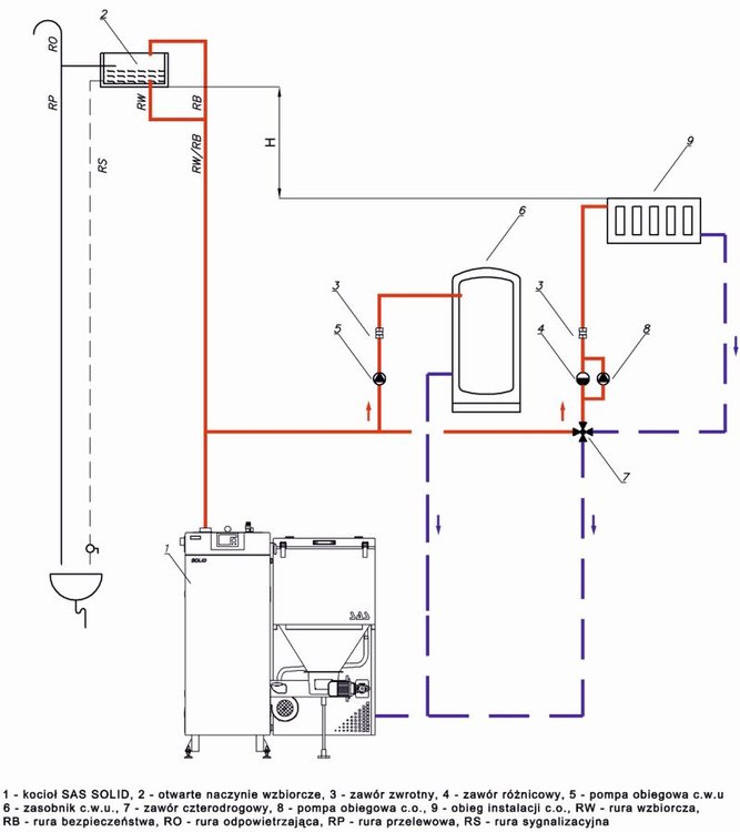
kamilotm Opublikowano 11 Czerwca 2018 Autor #10 Opublikowano 11 Czerwca 2018 Naczynie zbiorcze jest ale nie bezpośrednio z kotła tylko gdzies z obwodu grzewczego z góry. Na zdjęciach jest jeszcze nie dokończona instalacja. Na krótkim obiegu przy zamkniętym czterodrogowym wstawiony jest zawór bezpieczeństwa 1.5 Bar i zbiornik przeponowy.
Animus Opublikowano 11 Czerwca 2018 #11 Opublikowano 11 Czerwca 2018 Od naczynka do kotła, musi być goła rura odpowiedniej średnicy, bez zaworów itd..
sambor Opublikowano 11 Czerwca 2018 #12 Opublikowano 11 Czerwca 2018 W dniu 8.06.2018 o 13:48, kamilotm napisał: Słuchajcie czy takie podłączenie zaworu czterodrogowego, a między innymi powrotu na kocioł i powrotu z grzejników i wykorzystanie zaworu zwrotnego będzie dobre. Czy zawór dobrze będzie mieszał? Jak wynika z twojego opisu to to czy będzie dobrze mieszał czy nie jest twoim najmniejszym zmartwieniem - masz po prostu niebezpieczną instalację a kocioł jest odcięty od naczynia przelewowego! Pierwsze co musisz zrobić to osobna rura do naczynia wprost z kotła jak kolega podał na rys wyżej.
Rekomendowane odpowiedzi
Zarchiwizowany
Ten temat przebywa obecnie w archiwum. Dodawanie nowych odpowiedzi zostało zablokowane.