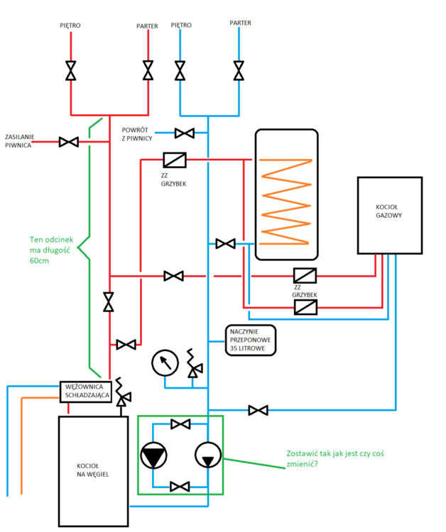
GREMIK Opublikowano 26 Maja 2018 #1 Opublikowano 26 Maja 2018 Witam, Modernizuję kotłownię, która będzie polegała na wymianie starego kotła na nowy + wymiana rur, kształtek i zaworów w kotłowni. Piszę ten temat, gdyż instalacja działa częściowo na grawitacji. Piętro i parter działa bez problemów, w piwnicy nie. Firma instalacyjna, która wchodzi za około miesiąc proponuje rozwiązanie takie jak na rysunku poniżej. Zastanawiał mnie montaż zaworu różnicowego kulowego na powrocie dlatego zacząłem szukać informacji o tym. Kilkukrotnie znalazłem informacje, że jest to dopuszczalne i grawitacja działa. Dodatkowo przy takim montażu proponują często zawory różnicowe firmy tech-pol, które działają w pionie i poziomie. Później natknąłem się na opinię użytkownika sambor z tematu pt. "Blokada Przepływu Z Innego Kotła". Instalacja podobna do mojej, kocioł węglowy+gaz. W dniu 22.04.2018 o 11:28, sambor napisał: Jeżeli ten rysunek to twoja propozycja to jest on zły - zaw różnicowy w ten sposób zamontowany będzie tłumił przepływ grawitacyjny z kotła węglowego - a tu chyba idzie o możliwość pracy grawitacyjnej. Jak masz zaw różnicowy na zasilaniu to jest to sprzeczne z przepisami i zdrowym rozsądkiem, a na dodatek gorąca woda z kotła bez problemu zasuwa przez pompę od obiegu kotła węglowego. W tym momencie zaczynam mieć wątpliwości czy propozycja firmy instalacyjnej jest poprawna i co w tym przypadku powinienem zrobić? Dodatkowe informacje dotyczące modernizacji w kotłowni: Wyjście z kotła węglowego 6/4" Rury i kształtki na zasilaniu i powrocie do kotła 6/4" za trójnikami 1" na każdą kondygnację. (Zasilanie 6/4" odcinek około 1m, powrót 6/4'' z 2,5m długości)
Hermogenes Opublikowano 26 Maja 2018 #2 Opublikowano 26 Maja 2018 Ten zawór jest wstawiony po to abyś nie wylewał wody chłodzącej kocioł do kanalizacji jak zamkniesz ( niechcący) któryś z tych odcinających pompę. poz Hermogenes
GREMIK Opublikowano 26 Maja 2018 Autor #3 Opublikowano 26 Maja 2018 Witaj, Zdaję sobie z tego sprawę, nie jestem aż takim laikiem, żeby zamknąć zawory przy pompie na rozpalonym kotle =) Zależy mi bardziej na wyjaśnieniu czy zawór różnicowy kulowy jest potrzebny? W temacie pt. "Blokada Przepływu Z Innego Kotła" są opinie, że ZR blokuje przepływ grawitacyjny. Firma instalacyjna jeszcze nie weszła, dlatego chciałbym uzyskać informację czy to rozwiązania zda w ogóle egzamin. W końcu lepiej zmienić coś póki jest jeszcze czas, niż przerabiać coś co kosztowało nie małe pieniądze.
GREMIK Opublikowano 27 Maja 2018 Autor #4 Opublikowano 27 Maja 2018 Skoro woda jest wstanie przepływać grawitacyjne przez pompę CO zacząłem się zastanawiać czy nie lepiej zrezygnować z obejścia pompowego + zawór różnicowy. Tylko co w przypadku gdy rura powrotu do kotła ma 6/4" a pompa jest 25/60? Czy to miejscowe zwężenie przepływu jakoś wpłynie na działanie grawitacyjne (tylko w przypadku zaniku prądu). Czy też może warto zainwestować w pompę 32/60 + 2 zawory 6/4" + 2 mufy LWxGZ? Koszt obejścia pompowego + pompka 25/60 jest identyczny jak pompa 32/60 + 2 zawory 6/4". W tym przypadku nie potrzebuje trójników 6/4, kolan wkrętno-nakrętnych 1", nypli redukcyjnych 6/4x1 itd. Modernizacja wykonywana jest z miedzi i jej stopów (mosiądz). Załączam schemat uwzględniający brak obejścia pompowego i zaworu różnicowego. Przeglądając to forum zdarzają się przypadki, kiedy zawór różnicowy sprawia więcej problemów niż korzyści, dlatego proszę Was o fachową radę, czy zostawić tak jak proponuje wykonawca czy też może warto rozważyć inne podejście? Może też zauważycie coś innego co powinno zostać wykonane w inny sposób niż propozycja wykonawcy?
Hermogenes Opublikowano 27 Maja 2018 #5 Opublikowano 27 Maja 2018 To już powinieneś omówić z wykonawcą (poproś o uzasadnienie) on przecież podpisuje jakąś gwarancję. Sam mam taki kombinowany układ z dwoma źródłami; zrezygnowałem z grawitacji na rzecz UPS .Ograniczyłem przez to średnice orurowania zresztą kolega Sambor też ma UPS i wcale tego nie konsultowaliśmy. poz Hermogenes
GREMIK Opublikowano 27 Maja 2018 Autor #6 Opublikowano 27 Maja 2018 Zapytałem się o zawór różnicowy, właściciel firmy powiedział, że w przypadku pracy instalacji na grawitacji montuje się zawór różnicowy. Zapytałem się też o zawór klapowy w poziomie (rozwiązanie proponowane na forum), to się zdziwił i podobno coś takiego nie działa. Gdybym chciał coś zmienić to mam dzwonić. Firma ma pozytywne opinie, lecz z szefem ciężko porozmawiać. Wykonaniem zajmą się pracownicy, właściciel to zajęty człowiek, który cały czas jest w trasie lub u klienta. Wybaczcie, ale na wyjaśnienia mogę liczyć raczej tylko u was. Dodatkowo wy użytkownicy i fachowcy z forum doradzacie i pomagacie pro bono, a wykonawcy raczej tak, żeby odpowiednio zarobić. Wiem, każdy musi zarabiać, ale tutaj chodzi o nie małe pieniądze, dodam, że w każdej pierwszej hurtowni instalacyjnej typu bims, mrówka itp. jako klient z ulicy bez zniżek na każdej części zaoszczędziłbym 20-30% mimo zakupu na 23% VAT, a nie jak przy wykonaniu usługi 8%. Przykład pompka u wykonawcy 555netto, 600brutto. W hurtowni, a nie jakimś allegro ta sama 388netto, brutto 23% 477zł Jeśli coś można rozwiązać lepiej to chyba warto zrobić to przed wykonaniem usługi niż później płacić za przeróbki
sambor Opublikowano 27 Maja 2018 #7 Opublikowano 27 Maja 2018 A ja mam kilka pytań jak duży jest ten dom, sądząc z pomp i rur min 500m2 lub więcej. dlaczego pompa od kotła zasypowego jest na powrocie? czy zdajesz sobie sprawę że klapowy na zasilaniu praktycznie nie będzie działał na grawitacji czy ktoś liczył to naczynie przeponowe 35l. kocioł gazowy powinien mieć osobne wyjście grzania CW - na osobną wężownicę w bojlerze, dlaczego tego nie zastosujesz? czy wierzysz że będzie to działało na grawitacji? dlaczego nie kupisz zasilania awaryjnego - dla obu kotłów np 400VA 12/230V To byłoby na razie na tyle.
GREMIK Opublikowano 27 Maja 2018 Autor #8 Opublikowano 27 Maja 2018 Witaj. 1. Dom około 350m (piwnica, parter, piętro i małe poddasze z 2 grzejnikami zasilanymi rurą prowadzącą na piętro) 2. Pompa na powrocie to pomysł wykonawcy 3. Wykonawca zapewnił mnie, że w przypadku pracy na grawitacji jest on konieczny. Drugim argumentem była praca kotła gazowego, w przypadku jego załączenia pompa z tego kotła nie będzie pompowała czynnika przez kocioł zasypowy. 3. Naczynie było liczone podczas budowy 2007rok, instalacja działa od tamtego momentu bez problemu. Wyjątkami były awarie starego kotła gazowego i oczekiwanie na serwis (teraz nowszy). Ogólnie zasypowy kocioł miał służyć tylko na czas budowy, po przeprowadzce tylko gazowy. Ale jak się okazało, jest on dobrą alternatywą gdy trzeba w zimę czekać kilka dni lub ponad tydzień na serwis. Sprawdza się także w okresach przejściowych, jeden zasyp drewna i 4godziny wystarczały na nagrzanie domu i ciepłej wody użytkowej. Stary kocioł zasypowy był kupiony od rodziny jako kilku letni, dlatego z uwagi na wprowadzone zmiany dotyczące montażu kotłów, postanowiłem w tym roku wymienić tego staruszka na nowego. 4. Nie wiem, może tak jest nie przyglądałem się tak uważnie, kocioł gazowy i bojler znajdują się w innych pomieszczeniach. Bojler nie jest dedykowany.
GREMIK Opublikowano 27 Maja 2018 Autor #9 Opublikowano 27 Maja 2018 Rozważając opcję z zasilaczem awaryjnym to czego potrzebowałbym aby to działało? Oraz zakładając hipotetycznie, byłbym na spacerze z psem lub w pracy (ogólnie, poza domem) i w tym momencie wyłączyli prąd to automatycznie kocioł gazowy działałby na tym zasilaczu awaryjnym?
Ksieciunio Opublikowano 27 Maja 2018 #10 Opublikowano 27 Maja 2018 Ups, to akumulator z pradnica. Laduje sie caly czas jak jest zasilanie, a jak nie ma to automatycznie masz zasilanie z akumulatora 230V. Do pomp co potrzeba ups'a z czysta sinusoida.
sambor Opublikowano 27 Maja 2018 #11 Opublikowano 27 Maja 2018 Co to za kocioł gazowy? - marka, model rok produkcji. pompa na powrocie jest stosowana dla układu otwartego i braku osobnej rury do naczynia wzbiorczego - do poprawy - montaż na zasilaniu , pompa 25/40 i obejście na zaw różnicowym, który jednocześnie jest zaw zwrotnym. Oczywiście rury 1" do z z pompy - po co większe, reszta i zaw różnicowy takie jak były wyjścia w kotle. Pompę przed przepływem wstecznym zabezpieczysz zaw zwrotnym sprężynowym. Wyjaśnij sprawę z grzaniem CW przez dwa kotły. Zasilanie awaryjne polega na ciągłej pracy kotła. kotłów z zasilacza, który sam przełącza się z sieci na baterię i odwrotnie dla 2 pomp potrzeba ok 50-80W mocy ciągłej. Zależnie ile i co pracuje. Bateria podobna do samochodowej , przeważnie większa gabarytowo. Dodatkowe pytanie - jaki to kocioł na paliwo stałe i jakie ma ciśnienie robocze?
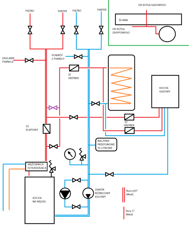
GREMIK Opublikowano 28 Maja 2018 Autor #12 Opublikowano 28 Maja 2018 No to tak, grzanie instalacji i zasobnika według instalatora ma się odbywać tak jak na rysunku poniżej. ZZ klapowy na wyjściu z kotła zasypowego ma blokować przepływ przez kocioł zasypowy jak i zasobnik w przypadku pracy gazowego. Aktualnie muszę zamykać zawór kulowy gdyż rura do zasobnika jest powyżej wylotu z kotła gazowego( zaznaczona na fioletowo ). W górnym prawym rogu zaznaczyłem jak wygląda zasilanie zasobnika z 2 kotłów (rzut z góry). Wcześniej nie zauważyłem trójnika, ładnie się schował pod osłoną termiczną :) Kocioł zasypowy to heiztechnik q hit Edycja. Dzisiaj mam pompę na zasilaniu. Instalator proponuje montaż na powrocie do nowego kotła z dwóch powodów. 1. Ograniczona ilość miejsca na zasilaniu. Nowy kocioł jest wyższy od starego, dodatkowo dochodzi wężownica schładzająca, a trzeba jeszcze zrobić miejsce dla trójników do zasobnika, kotła gazowego i każdej kondygnacji i nie ma za bardzo miejsca na obejście pompowe na zasilaniu. 2. To praca pompy w lepszych warunkach, niższe temperatury.
sambor Opublikowano 28 Maja 2018 #13 Opublikowano 28 Maja 2018 Rób, powodzenia, ale zanim zapłacisz żądaj sprawdzenia czy kocioł zasypowy prawidłowo działa na grawitacji! Moim skromnym zdaniem nie będzie działał. Ale to twoja instalacja
GREMIK Opublikowano 28 Maja 2018 Autor #14 Opublikowano 28 Maja 2018 Poprzedni post wyjaśnia grzanie cwu przez 2 kotły i wizję instalatora o którą zapytałeś w wcześniejszej wypowiedzi. Tematu nie zamykam, wręcz przeciwnie. Proszę o rady co poprawić. Wnioskując z Twoich rad wiem, że: 1. Rury 6/4" ogólnie pominąć i zrobić w 1" 2. Zawór zwrotny klapowy zablokuje możliwość pracy na grawitacji. Zastąpić go zaworem kulowym? 3. Obejście pompowe powinno znajdować się na zasilaniu, lecz w tej kwestii jest problem. Po prostu się ono nie zmieści. Zmierzyłem dokładnie odległość od trójnika rozdzielającego na piętro parter do miejsca gdzie będzie się kończyła wężownica schładzająca. Wychodzi równe 60cm. W tych 60cm muszą zmieścić pozostałe przyłącza (gazowy, cwu itd.) Obejście pompowe zmieściłoby się tylko wtedy, gdybym zrezygnował z wężownicy, a ona jest wymagana przez PN-EN 12828 Nowy kocioł jest wyższy od starego o 30cm + 25~30cm wężownica, stary kocioł zamontowany był w czasie budowy więc stoi na wylewce, w kotłowni później pojawiły się kafelki. Nowy kocioł będzie stał dodatkowo o te 2-3cm wyżej ( na kafelkach ) W inny sposób można rozwiązać kwestię obejścia pompowego? Czy też lepiej wybrać wspomniane rozwiązanie z ups-em? Rozumiem, że w takim przypadku zawór różnicowy jest zbędny.
sambor Opublikowano 28 Maja 2018 #15 Opublikowano 28 Maja 2018 Jak ułożyłem to na podłodze w warsztacie to pompa na zasilaniu i rury 5/4" dal mi 55-57cm, czyli zmieściłoby się. Jakby było z miedzi 32 to będzie nawet mniej. Wężownice bez problemu można kupić nawet mniej niż 200 mm wys ( razem z przyłączami) - np Elterm Podobnie jak obejście pompowe z pompą na odcinku poziomym Resztę kotłowni zrobić 5/4" a nie 6/4. Powrót wolny , najwyżej zaw odcinający. PS Po coś kupował tak wysoki kocioł?
GREMIK Opublikowano 28 Maja 2018 Autor #16 Opublikowano 28 Maja 2018 Wężownice już mam na miejscu, właśnie elterm 32kW. Wymiar pomiędzy przyłączami wężownicy to równe 25cm + kształtki między nią a kotłem i wyjdzie około tych 30cm. Względem innych dostępnych kotłów, to jest podobnej wysokości, a nawet sporo niższy od defro optima komfort. Teraz mam kotłownie w stali ocynk 2cale (reszta domu miedź). Na zasilaniu jest mocny ścisk mimo niższego kotła i braku wężownicy w układzie zamkniętym.... Wtedy nawet nie wiedziałem, że w ten sposób nie można montować. Jak widać, najlepiej pytać i sprawdzać poprawność oferowanych rozwiązań na forach.
sambor Opublikowano 28 Maja 2018 #17 Opublikowano 28 Maja 2018 Niestety musisz sie zdać na wykonawce, ja ci tu nic nie doradzę na odległość, ale wg mnie obecna koncepcja jest zła.
GREMIK Opublikowano 28 Maja 2018 Autor #18 Opublikowano 28 Maja 2018 Rozumiem, problemem może być poprawne działanie instalacji na grawitacji. Co gdyby zrezygnować z niej i zaworu różnicowego, a zamiast tego zakupić ups-a. Będzie łatwiej te dwa źródła ciepła ze sobą połączyć? Więc mam dwie opcje, zdanie się na zapewnienia instalatora i sprawdzenie jak to wszystko będzie działało + ewentualne poprawki w przypadku problemów. Druga to zrezygnowanie z pracy instalacji na grawitacji. Czego bym potrzebował w drugiej opcji? ups-a np. z sklepu x-kom? czy jakieś innego? Wspominaliście o bateriach do ups - chodzi o akumulator np. od auta? W którym miejscu zamontować pompę? spróbować wstawić ją na zasilaniu (kolor fioletowy) czy może być na powrocie (kolor żółty). Trochę się rozpisałem :) Dodatkowo na rurze zasilającej, aby kocioł gazowy nie pchał wody przez zasypowy zastosować zawór grzybkowy, klapowy? Czy też może zwykły kulowy zamiast zwrotnego i zwyczajnie go zamykać/otwierać w zależności jaki kocioł będzie pracował?
sambor Opublikowano 28 Maja 2018 #19 Opublikowano 28 Maja 2018 Ja bym się skłaniał dać pompę na zasilaniu, nie musi być w pionie, można dać odejście w bok. Jak robisz bez grawitacji to dajesz rury 1" i powinno być ok Wtedy zaw zwrotny sprężynowy. z metalowym grzybkiem. PS Czy planujesz jakąś ochronę powrotu kotła zasypowego - sprawdź wymogi gwarancji. UPS-a lub raczej przetwornicy szukaj na All... - hasło przetwornica pełny sinus, akumulator kupujesz osobno. Moc przetwornicy to ok 400VA.
GREMIK Opublikowano 29 Maja 2018 Autor #20 Opublikowano 29 Maja 2018 Dzięki za rady i wyjaśnienia :) Nie wiem dlaczego wcześniej o tym nie pomyślałem, żeby zamontować obejście z pompą w poziomie wyjściu z kotła. Zaryzykuję z rurami w kotłowni 6/4, w końcu to kocioł awaryjny i na okresy przejściowe. Nie sprawdzałem wymogów gwarancji, zapewne będzie zapis o montażu zaworu mieszającego. U mnie powrót będzie chroniony przez obieg kocioł - zasobnik cwu - kocioł. Na UPS-a raczej się zdecyduję w późniejszym terminie, podłącze pod niego kocioł gazowy. Dobrze rozumiem, że ups chroni w jakimś stopniu kocioł przed przepięciem? Kilka miesięcy temu czytałem na forum temat gdzie padła płyta główna. Serwis stwierdził, że wina instalacji elektrycznej, a powodem było przepięcie, a wymiana odpłatna - droga.
Ksieciunio Opublikowano 29 Maja 2018 #21 Opublikowano 29 Maja 2018 Ups ma swoje zabezpieczenia, stabilizuje napięcie, ale nie licz na ochrone przed piorunem.
GREMIK Opublikowano 29 Maja 2018 Autor #22 Opublikowano 29 Maja 2018 Wiadomo. Pocieszam się tym, że piorun nie wybierze linii energetycznych. Zabezpiecza mnie kościół z wysokim "masztem" od południowo zachodniej strony, a z północno-wschodniej antena telefonii komórkowej. Oba punkty w odległości 200-300m od domu w linii prostej. Co do ups-a to czym się kierować? Firmy jakieś omijać? W jakich przedziałach cenowych można dostać coś sensownego. Widziałem, też z wbudowanymi akumulatorami około 20Ah. Może to się też wydać trochę dziwne, ale w jaki sposób podłączyć akumulator do tego UPS. Przeglądając oferty tutaj: https://www.x-kom.pl/g-6/c/34-zasilacze-awaryjne-ups.html?f[3007][74328]=1&f[3007][74329]=1&f[3018][74331]=1 Nie widzę wyjść na kable, żeby podłączyć aku Edycja: Na allegro znalazłem, tylko za duży wybór. Nie chciałbym trafić na bubla.
Ksieciunio Opublikowano 29 Maja 2018 #23 Opublikowano 29 Maja 2018 Te co podales to sa strikte to sprzetu it, posiadaja wbudowany akumulator i tylko taki mozesz zalozyc jaki jest - chyba ze umiesz go zmodernizowac. Ten z linka ponizej ma na wyjsciu 300W - to taki przyklad.jak ma on wygladac poniewaz nie wiem ile bedziesz.mial pomp i sterowników. Zawsze.warto brac wiekszy. Gdybys bral jakis z lini it uwazaj aby posiadal pelna sinusoide - nie trapezowa. http://allegro.pl/przetwornica-do-pomp-co-12v-na-230v-pelny-sinus-i7087203582.html Ja np.mam 480W przy komputerze, ale podłączam go w razie jak nie ma prądu to na dwoch starych pompach plus sterownik trzyma.okolo 40 minut
GREMIK Opublikowano 30 Maja 2018 Autor #24 Opublikowano 30 Maja 2018 Przebadałem temat ups-ów i raczej zdecyduję się na któregoś z tych dwóch: Techtron ZA-TECH-500 lub VOLT Polska sinusPRO-500 (tutaj jest też jeszcze model z oznaczeniem PLUS na końcu- czymś się różni?) Do tego akumulator AGM 80~100Ah Czy takiego ups-a można użyć do podłączenia pod komputer / telewizor / router? I ostatnia kwestia dotyczy jeszcze samej instalacji. Instalator namawia na pompę 25/40 do której nie jestem przekonany. Teraz mam 25/60 starą grundfosa 3biegową. Czy 25//40 da radę na dosyć sporej instalacji? 22grzejniki panelowe, 2 z nich znajdują się na poddaszu 9-10m licząc od posadzki piwnicy.
Hermogenes Opublikowano 30 Maja 2018 #25 Opublikowano 30 Maja 2018 Co do UPS ten Volt kiedyś miał aluminiowe kable teraz nie wiem. Urządzenia można spokojnie zasilać; ba nawet tym nowym ( z zasilaczami przekształtnikowymi ) nie grożą uszkodzeniem te chińskie przetwornice. Wszystkie pompy są bardziej czułe na kształt przebiegu prądu i dlatego powinno się je zasilać przebiegiem sinusoidalnym. Jeśli chodzi o pompy lepiej wziąć auto adaptacyjną mniejsze zużycie energii po kilku sezonach kasa zostaje w kieszeni. Wiem cena wejściowa trochę boli jednak energia nie będzie tanieć jestem skłonny twierdzić że wręcz przeciwnie. Co do modelu to musisz się zdać na kol Sambora lub innego praktyka.poz Hermogenes
Rekomendowane odpowiedzi
Zarchiwizowany
Ten temat przebywa obecnie w archiwum. Dodawanie nowych odpowiedzi zostało zablokowane.