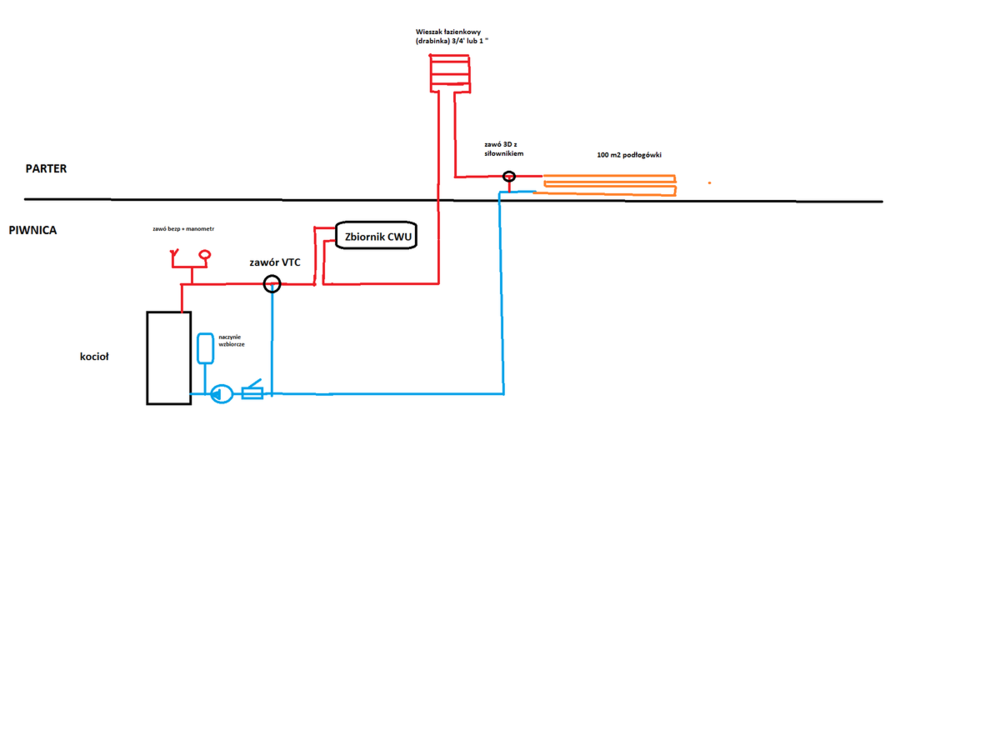
Leszek85 Opublikowano 30 Kwietnia 2018 #1 Opublikowano 30 Kwietnia 2018 Witam, Chciałbym się zapytać czy poniższy schemat podłączenia ma prawo zadziałać czy może potrzeba Zbiornik C.W.U zasilić oddzielnie pompą z kolektora ? Rysunek mało profesjonalny, ale mam nadzieje że oddaje myśl. Pozdrawiam Leszek
odpowietrznik Opublikowano 30 Kwietnia 2018 #2 Opublikowano 30 Kwietnia 2018 Jak w załączniku.Kocioł na paliwo stałe powinien być zabezpieczony oprócz naczynia przepon.i ZB urządzeniem do odprowadzenia nadmiaru ciepła w razie "W" czyli wężownica schładzająca lub zawór schładzający dwufunkcyjny typu DBV
Leszek85 Opublikowano 9 Maja 2018 Autor #3 Opublikowano 9 Maja 2018 A gdyby uproscić układ do jednej pompy ? miało by to prawo zadziałąc w takiej formie ? czy osobna pompa musi byc na podłogówke ? geometryczna różnica pomiędzy pompą a krańcem grzejnika ok 5 [m]
sambor Opublikowano 9 Maja 2018 #4 Opublikowano 9 Maja 2018 Ten schemat na pewno nie będzie działać prawidłowo
Leszek85 Opublikowano 9 Maja 2018 Autor #5 Opublikowano 9 Maja 2018 a co należało by dodać/zmienić aby miało to ręce i nogi ? Wiem że kombinuje jak łysy koń... ale nie chcę wydawać pieniędzy na podzespoły które nie muszą wchodzić w skład poprawnie działającej instalacji.
sambor Opublikowano 9 Maja 2018 #6 Opublikowano 9 Maja 2018 Przecież dostałeś w poście kolegi @odpowietrznika prawidłowy , gotowy schemat tego co potrzebujesz - i co ? Uważasz że jeszcze coś wymyślisz? Na pewno nie! PS Może pokaż co na tym schemacie jest zbędne? Minimalista się znalazł - kolejny w tym tygodniu!
Leszek85 Opublikowano 10 Maja 2018 Autor #7 Opublikowano 10 Maja 2018 Drogi Kolego, Jeśli nie jesteś w stanie mi pomóc to proszę o powstrzymanie swoich zbędnych wypowiedzi. Chyba że jest to twój sposób na życie ( wciskanie swoich 5 groszy nie tam gdzie trzeba). Mam nadzieje że twoja ranga "Doświadczony Forumowicz" nie wzięła się jedynie z udzielania takich odpowiedzi. Uważam że spokojnie można by wyeliminować pompę na boilej CWU i podłączyć go szeregowo przed sprzęgłem o tak I już mam przyoszczędzone 500 zł bez utraty funkcjonalności oraz bezpieczeństwa użytkowania sytemu. Jednak wiem że znajdują się na tym forum osoby z wiedzą i doświadczeniem wybiegającym poza obręb jedynie uszczypliwych bezwartościowych komentarzy którzy są w stanie mi pomóc uprościć schemat.Zaproponować tańsze rozwiązanie bądź doradzić inną konfigurację. I takich właśnie osób poszukuje z góry dziękuj za wszelką pomoc,sugestie.
Rekomendowane odpowiedzi
Zarchiwizowany
Ten temat przebywa obecnie w archiwum. Dodawanie nowych odpowiedzi zostało zablokowane.