Skocz do zawartości
IGNOROWANY

Problem Z Grzejnikami Na Parterze Oraz Cwu


qqde23

Rekomendowane odpowiedzi

Opublikowano

Witam serdecznie,

 

posiadam instalację pieca na ekogroszek Skam-P 12 kW z SPPv2 dla nowego domu 133 mkw po podłodze. Instalacja wykonana wg schematu:

post-69698-0-84743000-1515957375_thumb.jpg

Dodatkowo cyrkulacja wg schematu:

post-69698-0-57075600-1515957424_thumb.jpg

Moja kotłownia oraz grzejniki wyglądają w następujący sposób:

Kotłownia_aktualne.pdf

Grzejniki_gora.pdf

Grzejniki_dol.pdf

Palnik_59_1.pdf

 

Pompa CO to Circula 25-40 180 (http://arka-instalacje.pl/produkty/pompy-obiegowe-i-obejscia-pompowe/circula/pompy-elektroniczne/) poprzednio była Alpha2 ale uległa awarii

Pompa CWU to Alpha2 L 25-40

W instalacji posiadam zawór ESBE VTC 55 stopni jako ochronę powrotu

W łazienkach są podłogówki na RTLach na małych obwodach.

 

Aktualnie mam dwa problemy. Po pierwsze wydaje mi się, że moja pompa CO nie daje rady rozprowadzić wody po wszystkich grzejnikach na pierwszym biegu. Grzejniki na piętrze mam ciepłe, natomiast na parterze są zimne lub lekko letnie. 
Po drugie jak włączyłem CWU  na pierwszym biegu na pracę ciągłą w celu dogrzania powrotu zauważyłem, że zasilanie na rozdzielnicy parterowej jest zimne tak jakby pompa CWU "zgarniała" całe ciepło. Po wyłączeniu CWU rozdzielnica znowu była ciepła. Poniżej część układu. 

post-69698-0-42388500-1515957937_thumb.jpg

 

Podgląd internetowy sterownika:

https://ekotlownia.pl/sterownik-5/426

 

Co w tym przypadku nie działa prawidłowo?

Z góry dziękuję za odpowiedź.

Opublikowano

Nie byłbym pewien, czy tylko pompa cwu jest tu głównym winowajcą. 

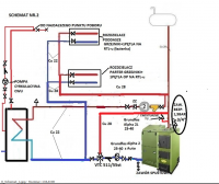
Uważam, że  powrót CWU powinien być wpiety przed VTC, który ma puszczać na kocioł powyżej nastawy, czyli 50-55 C. Powrót cwu podłączony juz za VTC obniża defacto temperaturę powrotu kotła poniżej nastawy VTC. Podmieszanie VTC z zasilania jako pierwsze od kotła, dopiero potem zasilania c.o. i cwu.

 

Poprawiony po "mojemu" schemat ponizej:

 

post-51897-0-55205900-1515963087_thumb.png

 

Wg mnie najprościej to byłoby zrobić na jednej pompie bez VTC, zaś ochronę powrotu zrobić przez bojler CWU. Stabilny przepływ przez kocioł wtedy jest - zmieniają się jedynie proporcje zasilania na c.o. i c.w.u.. Tylko że instalacja już jest wykonan, więc trzeba szukać rozwiązań jak najmniej ingerujących w układ.

 

 

Opublikowano

Schemat autora tematu jest prawidłowy.

Tylko pompa jest zbyt mocno obciążona - zaw VTC 55C przy temp na kotle rzędu 52-55C dopiero co się otwiera i stawia duże opory pompie.

Ustaw na kotle min 60C to będzie OK, lub jak chcesz dalej tak męczyć tą pompę to daj ją na  drugi bieg.

Opublikowano

Dzięki za pomoc. Aktualnie ustawiłem pompę na 3 i przy 55 na kotle grzejniki na górze są ciepłe natomiast na dole ledwo letnie. Dodatkowo, czemu występuje ten problem z bolerem?

Opublikowano

Ten budynek jest nowy, więc potrzebuje więcej ciepła niż normalnie  , kocioł też nie jest duży, jest dobrany do normalnej eksploatacji.

CW można grzać w tzw priorytecie - wtedy nie grzeją grzejniki, tylko cała moc jest podawana na CW - sprawdź jak masz ustawione na swoim sterowniku.

 

Ponadto istnieje coś takiego jak regulacja hydrauliczna grzejników - zrób to przez odpowiednie nastawy wstępne na zaworach grzejników - pod głowicami.

Zarchiwizowany

Ten temat przebywa obecnie w archiwum. Dodawanie nowych odpowiedzi zostało zablokowane.

  • Ostatnio przeglądający   0 użytkowników

    • Brak zarejestrowanych użytkowników przeglądających tę stronę.
×
×
  • Dodaj nową pozycję...

Powiadomienie o plikach cookie

Używając tej strony zgadzasz się na Polityka prywatności.