JacekZMC Opublikowano 14 Grudnia 2017 #1 Opublikowano 14 Grudnia 2017 Witam Wszystkich. Jestem nowym "palaczem" w tego typu piecu więc prosze o wyrozumiałość. Mój stary piec (mający ze 20 lat) się przepalił, więc został wymieniony na SKG Krzaczek 24kW (wspieram lokalny rynek) Niestety z nowym piecem pojawiły się nowe problemy: 1) dużo smoły i sadzy w piecu (przy starym piecu tego nie było, a opalane było tym samym paliwem) (zdjęcia pokazują stan pieca po 2-3 dniach bez czyszczenia) 2) jeśli schodzę na zaworze 4d poniżej cyfry 7 na skali - piec bardzo łatwo sie rozbiega (tzn na piecu ustawione 60 stopni a on łapie nawet 78-80 stopni - na instalacji temperatura jest troche niższa niż piecu), czy możliwe że zawór 4d został nieprawidłowo zamontowany ? Troche informacji wstępnych 1) Dom typu stary kanciak z dobudowaną (nieogrzewaną) klatką schodową: - piwnica pod całym domem - ogrzewana od rur z instalacji i pieca - jest względnie ciepło. Póki co brak dopływu świeżego powietrza (jedynie coś tam wlatuje przez lekko otwarte okno w kotłowni i nieszczelności), Już wiem jak to poprawic, czekam na sprzęt żeby zrobić nawiew typu "Z". - parter - 120m2 - (3 grzejniki stalowe - 4 aluminiowe) - piętro - 120m2 - (3 grzejniki stalowe - 4 aluminiowe) (ogólnie na parterze jest dużo cieplej niż na piętrze) - strych - nieogrzewany, nieocieplony (w drodze wełna mineralna do ocieplenia) - dom ocieplony 10cm styropianem, ściany są zbudowane z półtora pustaka białego. - dach - deski, papa, blacha. - komin - cegła (wymiarów nie znam). - CWU - teraz 120 litrów ale będzie 300 litrów (przy solarach) - w domu mieszka 5 dorosłych i 2 dzieci 2) Piec Krzaczek SKG 24kW. Sterownik Tech ST32 - dmuchawa. siła nadmuchu 2, przedmuch co 4 minuty na 10 sekund. testowałem siły nadmuchu 1 i 3 - jeszce gorzej było. - temperatura na piecu 60 stopni (histereza 3 stopnie) - opał - drewno po 1 sezonie suszenia + węgiel kostka - staram się palić od góry (z małymi dokładkami lub na noc palenie kroczace) - stałopalność osiągam około 12 godzin przy pełnym załadowaniu pieca węglem - komin nagrzewa się bardzo (brak czujnika, już zamówiony) nawet na 1 piętrze czuć że komin jest ciepły. Czopucha nie da sie dotknąć. na poprzednim trzeba było przegonić piec do 80 stopni żeby mieć taki efekt. Czopuch otwarty na maxa
JacekZMC Opublikowano 15 Grudnia 2017 Autor #2 Opublikowano 15 Grudnia 2017 zapomniałem dorzucić więcej informacji o piecu (a nie znalazłem opcji edycji postu) http://www.krzaczek.eu/kotly-zasypowe/skg/ w załączniku przekrój. Zastanawiam się teraz nad miarkownikiem ciągu do tego pieca. Piec niby jest przystosowany do tego (ma króciec na miarkownik ciągu) ale martwi mnie to, że brakuje w drzwiczkach zasypowych opcji na powietrze wtórne.
Gość witek1234 Opublikowano 15 Grudnia 2017 #3 Opublikowano 15 Grudnia 2017 Kocioł mógłby być niewiele mniejszy ale nie ma tragedii. Przy spalaniu kalorycznej kostki a już na pewno gdy dokładasz od dołu czy palisz krocząco, smoła to możliwa opcja, może tak się dziać, ale najgorsze to twój sterownik. Działa na zasadzie przedmuchów , czyli z założenia po dojściu do zadanej kocioł będzie kopcił. Możesz dla eksperymentu kupić worek czy dwa węgla typu orzech płomienny . Zobaczysz czy jest poprawa. Przy sterowniku bez funkcji PID, nie należy spodziewać się dużego komfortu w obsłudze kotła.
kazik Opublikowano 15 Grudnia 2017 #4 Opublikowano 15 Grudnia 2017 Miarkownik nic nie pomoże. Bez ciągłego podawania powietrza kocioł będzie wytwornicą smoły i sadzy.
SONY23 Opublikowano 15 Grudnia 2017 #5 Opublikowano 15 Grudnia 2017 Zrób coś z klapką w dmuchawie, żeby po zatrzymaniu się wentylatora nie zamykała się do końca. Jak jest śrubka z nakrętkami (przeciwwaga), to możesz coś pod nią postawić, żeby nie domykała klapki i został jakiś niewielki wlot na powietrza, który nie pozwoli na zgaśnięcie płomienia i produkcję smoły w kotle.
spidoman Opublikowano 15 Grudnia 2017 #6 Opublikowano 15 Grudnia 2017 Za duży kocioł, miałem ten sam problem, 24kw miałowiec który zgnił, po wymianie na 14kw temp. 55st teraz wymiennik zmiotką wymiatam.
marcinek75 Opublikowano 15 Grudnia 2017 #7 Opublikowano 15 Grudnia 2017 Mam taki sam piec Jacek ZMC. Tylko ze ja mam 12 kw.Mialem podobbie jak palilem kalorycznym weglem. Obecnie palę płomiennym i jest ok. Zero sadzy, smoły tylko siwy nalot po wypaleniu całego zasypu. No i najważniejsze. Zmienilem sterownik i dmuchawe bo chyba masz tak jak miałem czyli WPA 120. Ja obecnie mam sterownik Tech ST 28 z pid i dmuchawe WPA 117. Przy pomocy kolegów z forum a w dużej mierze Witka moje górne spalanie weglem płomiennym jest ok. Zasypuje piec 2 x dziennie po ok 15 kg i stałopalnosc przy jednym zasypie jest ok 12 h przy obecnych temperaturach.
JacekZMC Opublikowano 15 Grudnia 2017 Autor #8 Opublikowano 15 Grudnia 2017 Dzięki za podpowiedzi. Chyba rozwiązałem problem nr2. Mianowicie zawór 4d był przekręcony (ehhh instalator fachowiec) o 90 stopni w prawo (dlatego ciężko było wyregulować temperature). Możliwe, że piec jest troszke za duży (szczególnie, że planuje ocieplić strych). Ale instalator uważał że to najmniejszy jaki można wstawić do mojego domu - niestety go posłuchałem, trzeba było brać 18kW. - a może dorzuce grzejniki na klatkę schodową na której obecnie jest zimno :) Aczkolwiek póki co mamy teraz cały czas temperatury powyżej 0, zobaczymy jak przyjdzie -20 stopni. Testuje teraz delikatne podparcie klapki od wentylatora wg pomysłu SONY23, przy tym rozwiązaniu w piecu pali się ciągle aczkolwiek jeszcze troche dymu jest (w momencie gdy piec jest w "poczekaniu"). Temperatura chyba wolniej spada (ale nie wiadomo czy to nie wpływ zmiany na zaworze 4d). I pytanie jak zachowa się piec w przypadku dużego wiatru (większego ciągu w kominie). Jak jest duży wiatr to w moim kominie można by było turbine wiatrową zainstalować ;) Wentylator mam WPA 120. Chyba przetestuje jednak ten miarkownik (bo jak ma być tak samo to może przynajmniej prądu nie będzie żarło).
JacekZMC Opublikowano 2 Stycznia 2018 Autor #9 Opublikowano 2 Stycznia 2018 witam, po przerwie. Zamontowałem miarkownik ciągu HONEYWELL FR124. Niestety bez modyfikacji też tempaeratura skakała od 50 do 70 stopni. Ale po modyfikacji (przesmarowaniu i dołożeniu przeciwwagi). Temperatura trzyma się w przedziale 57-63 stopnie (przy ustawieniu na 60 stopni). Spalanie się poprawiło. Sadza chyba powoli znika. Musze jeszcze spróbować z tym weglem płomiennym (ostatnio brak czasu i nie było kiedy kupić). Czas spalania też sie poprawił (przy pełnym załadunku drewnem jest około 8h, z powodu dodatnich temperatur nie ładowałem jeszcze większych ilości węgla). Niestety pojawił się kolejny problem. A mianowicie zapach dymu wędzarniczego na piętrze (na parterze tego nie ma). Zapach pojawił się w tym samym czasie gdy na strychu z okna wziernikowego (tego małego punktu gdzie można zajrzeć do komina) wypłynęła "czarna" woda. Po kilku dniach zapach minął. Niestety ostatnio 2 raz zdarzyła się ta woda i znowu jest czuć zapach. Może problemem jest to że ostatnio ojciec przedłużył komin rura (teraz rura wystaje jakieś 50 cm nad komin - jest nieocieplona - goła rura taka co się wstawia w komin, może tam się spaliny wysudzają za bardzo i skrapla się woda?) Na poprzednim piecu tego nigdy nie było. Ale rura była złożona chwile przed wymianą pieca.
carinus Opublikowano 2 Stycznia 2018 #10 Opublikowano 2 Stycznia 2018 Za duży kocioł i rekordowo długi czas spalania całego załadunku drewna jest widoczny teraz na ściankach komina.Musisz przepalać ostro żeby wysuszyć komin,inaczej będzie niedługo smród w całym domu.Zdemontuj tę rurą na kominie bo tak jak podejrzewasz,może dodatkowo wykraplać kondensat ze spalin.Ładuj mniej drewna ale spalaj tak by nie wytwarzać dymu,więcej powietrza.
JacekZMC Opublikowano 2 Stycznia 2018 Autor #11 Opublikowano 2 Stycznia 2018 Ale komin jest goracy do wysokosci polowy pietra. Jest cieplejszy niz na poprzednim piecu.
Gość witek1234 Opublikowano 3 Stycznia 2018 #12 Opublikowano 3 Stycznia 2018 Nie można mówić że komin jest gorący nie mając termometru spalin bo jak jest gorący? Skoro wykrapla się kondensat i jest ciepły do wysokości piętra to wniosek jest taki że jednak nie jest wygrzany. 8 godzin palenia na jednym wsadzie swiadczy o tym że troche dusisz kociol, to rekordowy czas jak na palenie drewnem.Jak pisze carinus, wywal rurę nad kominem i pal ostro, spaliny min.200 stopni. Ja paląc węglem, podczas rozpalania utrzymuję początkowo 280 -300 stopni, potem 180. Komin musi być wygrzany i suchy bo będą problemy.
carinus Opublikowano 3 Stycznia 2018 #13 Opublikowano 3 Stycznia 2018 Napisałeś że palisz drewnem po jednym sezonie suszenia.Tym bardziej przy takim niedosuszonym drewnie,musisz dbać aby w górnych partiach komina temperatura spalin była wyższa niż punkt rosy.
Gość witek1234 Opublikowano 3 Stycznia 2018 #14 Opublikowano 3 Stycznia 2018 Dopowiem jeszcze jedno, mianowicie chociaż osobiście nie palę drewnem to technika spalania powinna być taka że ogień musi być widoczny cały czas od rozpalenia do wypalenia się wsadu,inaczej będzie smoła i kondensat. I nie patrz na to czy komin się zbytnio nagrzał czy nie. To specyficzne paliwo i wcale nie takie łatwe do opanowania. Masz przewymiarowany kocioł a przy paleniu drewnem wymagany jest ciągły płomień i tutaj może nastąpić sytuacja że miarkownik będzie praktycznie trzymał klapkę PP cały czas zamkniętą. To spory problem. Inna sprawa to palenie węglem, jest bardziej do opanowania ale w Twoim przypadku raczej kupuj węgiel słaby, czyli płomienny o kaloryczności do 25 kJ/kg.
Gość berthold61 Opublikowano 3 Stycznia 2018 #15 Opublikowano 3 Stycznia 2018 zapomniałem dorzucić więcej informacji o piecu (a nie znalazłem opcji edycji postu) http://www.krzaczek.eu/kotly-zasypowe/skg/ w załączniku przekrój. Zastanawiam się teraz nad miarkownikiem ciągu do tego pieca. Piec niby jest przystosowany do tego (ma króciec na miarkownik ciągu) ale martwi mnie to, że brakuje w drzwiczkach zasypowych opcji na powietrze wtórne. Powiem jedno że ten kocioł aż sam błaga aby z niego zrobić dolniaka , wkładasz płytę odlaną i zero problemów bo pierwszy wymiennik od dołu idealnie do tego pasuje , ja mam od pleców wychodzący i mi się udało a tu to tylko sama przyjemność z tą robotą . http://sklep.chematex.pl/pl/p/BETON-OGNIOTRWALY-BOS1505-worek-25-kg/11 i do dzieła zachęcam
carinus Opublikowano 3 Stycznia 2018 #16 Opublikowano 3 Stycznia 2018 To chyba najlepsze wyjście żeby ograniczyć moc kotła i palić czystym płomieniem.Żeby nie spadła za bardzo temp.spalin,to rozsądne wyłożenie części wymiennika szamotem załatwi sprawę.
JacekZMC Opublikowano 3 Stycznia 2018 Autor #17 Opublikowano 3 Stycznia 2018 Mam już termometr żęby wstawić w czopuch. jak znajdę wolną chwile to wstawie i bedę wiedział jaka jest temperatura spalin. fakt miarkownik raczej trzyma przymkniętą klapkę. Ogólnie jak po jakimś czasie zaglądam do pieca (przez drzwiczki załadowcze) to ogien jest widoczny czyli pali się cały czas. Ale wydaje mi się żę przy drewnie powinno być dojście powietrza wtórnego którego w tym piecu brakuje - po otwarciu drzwiczek załadowczych widać troche dumu a chwile później juz jest czyściutko. A może spróbować zostawić delikatnie uchylone drzwiczki (oczywiście przy paleniu na miarkowniku). Czy zrobić z niego dolniak ? hmm zastanowie się nad tym.
drewniak Opublikowano 3 Stycznia 2018 #18 Opublikowano 3 Stycznia 2018 Zacznij palić cyklicznie od góry i smoły nie będzie. Przeróbka na dolniaka to b dobry momysł.
carinus Opublikowano 3 Stycznia 2018 #19 Opublikowano 3 Stycznia 2018 Węglem można palić od góry,drewno już jeden pies,od góry czy dołu,zapali się całość.Przy drewnie możesz podawać troche PW przez drzwiczki zasypowe,dla węgla w sumie też można tak podać.
Gość berthold61 Opublikowano 3 Stycznia 2018 #20 Opublikowano 3 Stycznia 2018 Mam już termometr żęby wstawić w czopuch. jak znajdę wolną chwile to wstawie i bedę wiedział jaka jest temperatura spalin. fakt miarkownik raczej trzyma przymkniętą klapkę. Ogólnie jak po jakimś czasie zaglądam do pieca (przez drzwiczki załadowcze) to ogien jest widoczny czyli pali się cały czas. Ale wydaje mi się żę przy drewnie powinno być dojście powietrza wtórnego którego w tym piecu brakuje - po otwarciu drzwiczek załadowczych widać troche dumu a chwile później juz jest czyściutko. A może spróbować zostawić delikatnie uchylone drzwiczki (oczywiście przy paleniu na miarkowniku). Czy zrobić z niego dolniak ? hmm zastanowie się nad tym. Ja mimo wszystko proponuję dolniaka ale dla prób możesz wyciąć tak z 15cm uszczelki-sznura w dolnej części drzwiczek załadowczych w razie czego zawsze możesz wcisnąć z powrotem nic się nie stanie
drewniak Opublikowano 3 Stycznia 2018 #21 Opublikowano 3 Stycznia 2018 Węglem można palić od góry,drewno już jeden pies,od góry czy dołu,zapali się całość.Przy drewnie możesz podawać troche PW przez drzwiczki zasypowe,dla węgla w sumie też można tak podać. To nie jeden pies, nie wprowadzaj ludzi w błąd. Paliłem drewnem od dołu 30 lat i od góry 2 lata i to jest niebo i ziemia. Chyba cztałeś "czyste ogrzewanie.pl ".
carinus Opublikowano 3 Stycznia 2018 #22 Opublikowano 3 Stycznia 2018 Nie paliłem drewnem od góry,paląc od dołu i tak z czasem rozpala sie całość,może jest coś czego jeszcze nie wiem.Podpieram sie też wyczytanymi informacjami od innych palących drewnem od góry.
drewniak Opublikowano 3 Stycznia 2018 #23 Opublikowano 3 Stycznia 2018 Paląc od góry, zdecydowana ilość uwolnionego gazu spala się (dodając jeszcze pw ) a paląc od dołu jest odwrotnie. Po pewnym czasie całość drewna ulega zapaleniu ale to jest już spalanie koksu. Oszczędność wyszła mi ok 20 -30 % + czysty kocioł i komin, to jeden pies ?.
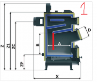
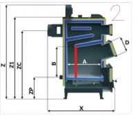
JacekZMC Opublikowano 3 Stycznia 2018 Autor #24 Opublikowano 3 Stycznia 2018 no ja staram sie palić od góry, ale czesto jest tak że rano rozpalam od góry, a jak przygasa wieczorem to coś wtedy podkładam na noc. i od rana znowu to samo. to lepiej zostawić i nie przerabiać pieca i palić od góry ? zależy mi na czystym spalaniu (nie lubię się truć) i względnych oszczędnościach. czy przerobić na dolniaka ? która opcja na dolniaka jest prawidłowa 1 czy 2 ??
Gość berthold61 Opublikowano 3 Stycznia 2018 #25 Opublikowano 3 Stycznia 2018 Pierwsza to tak zwany palini spalania dymy inaczej mówiąc kocioł wery i podobno najoszczędniejszy ale powietrze trzeba podawać drzwiami zasypowymi a ty tam nie masz klapki więc zostaje ci opcja druga tylko w tej przegrodzie musisz wyrzezać otwór zwany palnikiem ja bym proponował na początek tak 8 wys 15 szeroki ale na ruszta trzeba koniecznie dać albo płyta jakaś odlana albo szamotka tak aby było równo z przegrodą ale też wznosiło się to pod ostrym skosem do góry w stronę pleców kotła aby popiołem się ta dziura nie zatykała tylko spadał na ruszta
Rekomendowane odpowiedzi
Zarchiwizowany
Ten temat przebywa obecnie w archiwum. Dodawanie nowych odpowiedzi zostało zablokowane.