odpowietrznik Opublikowano 20 Listopada 2017 #51 Opublikowano 20 Listopada 2017 Nawalone tej rury.Wychodzi że rozstaw w każdej pętli 10cm.Pompa ciepła czy co ;) No ale kto bogatemu zabroni) Przy Immergazie i przy dwóch obiegach grzewczych inwestor jest skazany na DIMa który kosztuje pewnie pod 4tyś. Producent nie posiada niestety w swojej ofercie modułu sterującego zaworem mieszającym tak jak to ma miejsce u niektórych producentów kotłów z wyższej półki.Sam kocioł Immergaza jest atrakcyjny cenowo ale po dołożeniu DIMa całość już nie wygląda tak różowo jeżeli chodzi o cenę)Niby ten model kotła ma dość wydajną pompę(załącznik) przy 1350l/h wys.podn.20kPa bo nie sądzę aby przy tak krótkich pętlach ta wartość została przekroczona w obiegu krytycznym. Mam na myśli opcję bezpośrednio z kotła,grzejnik w garażu odpowiednio większy pracujący na temp.podłogówki ale przy 21pętlach+2grzejniki ciężko będzie i jeszcze bez projektu...I do kotła kondensacyjnego zawór mieszający stałotemperaturowy ATM? hm Czyli rezygnujemy tym sposobem ze sterowania pogodowego które jest w tym przypadku wskazane
KubaSko Opublikowano 20 Listopada 2017 #52 Opublikowano 20 Listopada 2017 Robilem na immergasie victrix 18 pętli na 110 m2 petle po 55 m2 i wszystko na kotle bez mieszaczy sprzegla itp. Petle masz rozdrobnione i dobrze bo male opory. Moim zdaniem pojdzie ci to na samym kotle. Przewymiaruj grzejnik w garazu, tam i tak dobiera sie na 16 stopni, w lazience drabinka i tak w formie wieszaka bo tu podlogowka zrobi robote i bedzie ok. Dla dwoch grzejnikow i to nie w pomieszczeniach stalego pobytu pakowac sie w koszta 4 tys ? Jak nie pojdzie z kotla to dolozysz sprzeglo i pompe i bedzie ok. Tylko piony od kotla do rozdzielaczy daj duza srednica minimum Cu28, plastikiem nie rób bo zlaczki maja duze opory.Grzejniki bedzie trzeba zdławic
Gość mak Opublikowano 20 Listopada 2017 #53 Opublikowano 20 Listopada 2017 Nawalone tej rury.Wychodzi że rozstaw w każdej pętli 10cm.Pompa ciepła czy co ;) No ale kto bogatemu zabroni) Przy Immergazie i przy dwóch obiegach grzewczych inwestor jest skazany na DIMa który kosztuje pewnie pod 4tyś. Producent nie posiada niestety w swojej ofercie modułu sterującego zaworem mieszającym tak jak to ma miejsce u niektórych producentów kotłów z wyższej półki.Sam kocioł Immergaza jest atrakcyjny cenowo ale po dołożeniu DIMa całość już nie wygląda tak różowo jeżeli chodzi o cenę)Niby ten model kotła ma dość wydajną pompę(załącznik) przy 1350l/h wys.podn.20kPa bo nie sądzę aby przy tak krótkich pętlach ta wartość została przekroczona w obiegu krytycznym. Mam na myśli opcję bezpośrednio z kotła,grzejnik w garażu odpowiednio większy pracujący na temp.podłogówki ale przy 21pętlach+2grzejniki ciężko będzie i jeszcze bez projektu...I do kotła kondensacyjnego zawór mieszający stałotemperaturowy ATM? hm Czyli rezygnujemy tym sposobem ze sterowania pogodowego które jest w tym przypadku wskazane Po co płacz nad 3500 za DIM-a przy 400 000 za cały dom? To tylko 0,8% i nie kupuje się tego na rok czy dwa ale min 10-15 lat. No nie dajmy się zwariować z tymi oszczędnościami. Poza tym 3500 zł trzeba jeszcze wydać kilka stówek na dwa termostaty. Bez DIM-a ciężko będzie uruchomić instalację bo pompa w kotle jest taka jaka jest. przy 2l/min przepływu 23x2x60=2760 l/h przy 1l/min przepływu 23x1x60=1380 l/h to i tak pompa kotłowa ma zbyt mała wydajność Instalacja z przykładu kol KubaSko może zadziałać bo tam tylko 18 pętli i na każdą można uzyskać trochę ponad 1l/min przepływu. Jeden obieg grzewczy na 110m2 to naprawdę marne rozwiązanie, do tego kiepsko sterowalne.
sambor Opublikowano 20 Listopada 2017 #54 Opublikowano 20 Listopada 2017 Ja mam 1 podłogówkę na 160m2 i wszystko na pompie 25/40 I wszystko działa Tylko trzeba to policzyć A nie na hura nawalić rur
odpowietrznik Opublikowano 20 Listopada 2017 #55 Opublikowano 20 Listopada 2017 Robilem na immergasie victrix 18 pętli na 110 m2 petle po 55 m2 i wszystko na kotle bez mieszaczy sprzegla itp. Petle masz rozdrobnione i dobrze bo male opory. Moim zdaniem pojdzie ci to na samym kotle. Przewymiaruj grzejnik w garazu, tam i tak dobiera sie na 16 stopni, w lazience drabinka i tak w formie wieszaka bo tu podlogowka zrobi robote i bedzie ok. Dla dwoch grzejnikow i to nie w pomieszczeniach stalego pobytu pakowac sie w koszta 4 tys ? Jak nie pojdzie z kotla to dolozysz sprzeglo i pompe i bedzie ok. Tylko piony od kotla do rozdzielaczy daj duza srednica minimum Cu28, plastikiem nie rób bo zlaczki maja duze opory.Grzejniki bedzie trzeba zdławic Rozumiem że przy opcji ewentualnego późniejszego dołożenia sprzęgła obieg podłogówki będzie na zaworze ATM
odpowietrznik Opublikowano 20 Listopada 2017 #56 Opublikowano 20 Listopada 2017 Ja mam 1 podłogówkę na 160m2 i wszystko na pompie 25/40 I wszystko działa Tylko trzeba to policzyć A nie na hura nawalić rur Dokładnie
początkujący87 Opublikowano 20 Listopada 2017 #57 Opublikowano 20 Listopada 2017 Dziękuje wszystkim za wyrażenie swoich opinii. Przeliczyłem sobie jeszcze raz na spokojnie wszystkie pętle na budowie i będzie ich 17 najdłuższa będzie miała ok 70m a najkrótsza ok 40m. W sumie myślę że pójdzie 900m rury KanTherm PE-RT 16. Wiem że najłatwiej było by dać DIMa ale mam ograniczenia finansowe. Po prostu dałem d#py przy wycenie a teraz klient po podpisaniu umowy jeżeli słyszy o jakiś zmianach to zarzuca mi że chce go okraść. Na pewno będzie grzejnik w garażu nad grzejnikiem w łazience się jeszcze zastanawia bo powiedziałem mu że się to trochę gryzie z podłogówką przy zastosowaniu danfoss linka na którego sie uparł. Miałem dać zawór mieszający ATM 761, DN20, G1", 20÷43°C, Kvs 3,2 m3/h i za tym pompe Grundfos ALPHA 2 L 25-60 na dwa rozdzielacze podłogowe 11 i 6 sekcji.Wszystko chciałem pospinać rurą ppr stabi 32 A pompa z kotła miała obgonić te 2 grzejniki. Potem jakieś herezje podrzucił mi projektant który faktycznie nadaje się do projektowania odzieży. Sprzęgło moge dołożyć bo dojdzie mi koszt sprzęgła dodatkowej pomy 40stki i trochę mosiądzu o DIMie mogę pomarzyć chyba ze zrezygnuje w całości z zarobku na tym domku. Moglibyście napisać jak wyliczacie te przepływy przy doborze pomp ? i czy sprzęgło jest warunkiem koniecznym przy wiecej niż jednym obiegu czy zależy to od przepływu na instalacji ?
KubaSko Opublikowano 20 Listopada 2017 #58 Opublikowano 20 Listopada 2017 Witam odpowietrznik :) jesli dolozymy sprzeglo to nie potrzebny zawor mieszajacy po prostu pompa za sprzeglem i tyle, dzieki temu ograniczamy opory na obiegu kotla i zostawiamy je pompe w kotle a zyskujemy wydajnosc pompy na instalacji. Wszystko na jednym parametrze. Mak a po co ci sterowac czyms niezaleznie na 110 m2 jak przy domach termosach i tak bedziesz mial wszedzie jednakowa temperature zwlaszcza jak masz wszedzie OP. Nie chodzi juz o oszczednosci ale o przerost formy nad trescia :)
początkujący87 Opublikowano 20 Listopada 2017 #59 Opublikowano 20 Listopada 2017 A mógłby któryś z bardziej doświadczonych panów podesłać schemat jak powinna wyglądać kotłownia na kotle gazowym i 2ma obiegami o różnej temperaturze kiedy musimy zastosować sprzęgło. Czy uważacie że stosowanie zaworów z mieszających z ręczną nastawą to błąd ? Pytam na przyszłość żeby unikać takich baboli. Człowiek uczy sie całe życie, prosze o wyrozumiałość :)
KubaSko Opublikowano 20 Listopada 2017 #60 Opublikowano 20 Listopada 2017 W załączniku instalacja z dwoma obiegami ze sprzęgłem i bez niego. Sprzęgło stosujesz w zależności od tego jaki jest wymagany przepływ instalacji. Najlepiej opisuje to immergas ( załącznik). Zawory z ręczną nastawą przy kotle gazowym to zwiększone zużycie gazu ponieważ nie sterujesz płynnie podłogówką, a i komfort cieplny słaby, albo masz za gorąco albo za zimno. W załączniku również schemat gdybyś musiał dać sprzęgło w ogrzewaniu podłogowym i warunek kiedy musisz to zrobić czyli to co ci proponuje w razie gdyby sam kocioł nie dał rady. 4._SPRZEGLA_HYDRAULICZNE.pdf
sambor Opublikowano 20 Listopada 2017 #61 Opublikowano 20 Listopada 2017 Tam gdzieś piszesz o rurze PP32 na zasilaniu rozdzielaczy, ona przeniesie ok 1000l/h, to dla twoich pętli ok 1l/min, jak będzie trzeba więcej to już powinny być osobne rury do każdego z rozdzielaczy
początkujący87 Opublikowano 21 Listopada 2017 #62 Opublikowano 21 Listopada 2017 Dzięki KubaSko ! Chce to zrobić na jednym obiegu bez zaworu mieszającego, klient zdecydował że grzejnik w łazience może służyć za ozdobę, powiedziałem mu że w systemie Danfoss Link nie bardzo będą razem funkcjonowały te 2 źródła ciepła w łazience(jeśli się myle to poprawcie porszę). Więc zrobię to jako jedną sekcje (pomieszczenie) z rozdzielacza podłogowego a do grzejnika dam tylko 2 zawory powrotne. Zostaje mi tylko grzejnik w garażu, chce go przewymiarować i złapać z rozdzielacza podłogowego ale dorabiając jakby sekcje bez przepływomierza i głowicy na zaworze, głowicę z danfossa założę na grzejniku ( tylko zastanawiam się czy warto dawać głowice z dangfoss link ponieważ boje się że ten grzejnik przy temperaturze zasilania na podłogę nie osiągnie zadanej temperatury i kocioł się nie będzie wyłączał ( garaż ma 37m2, na elewacji ma byc 20cm styropianu jest podwójna brama i małe okienko pod którym chce dać grzejnik, ściana pustak max) Będzie w sumie 17 pętli i 2 grzejniki w tym wypadku nie zamierzam dawać zaworu mieszającego tylko regulować temperaturą na kotle. Zostaje mi tylko policzyć czy potrzebuje sprzęgło do tego czy nie. Jeżeli mam zły tok rozumowania to bardzo proszę poprawcie. Sambor jak wyliczyć czy wystarczy mi jedna rura 32 z kotła do rozdzielaczy ? Kiedy muszę dać 2 rury albo zamiast 32 lepiej dać 40.
KubaSko Opublikowano 21 Listopada 2017 #63 Opublikowano 21 Listopada 2017 Akurat przy samej podłogówce to najlepiej by było jakby kocioł się nie wyłączał. Masz dwie opcje albo dasz do garażu danfossa i zobaczysz czy daje radę, a jak nie to go wypniesz i grzejnik po prostu bedzie grzał gdy któraś ze stref da sygnał do grzania. Podejrzewam że i tak te 15 stopni zawsze w garażu będziesz miał. Rurę najlepiej dobrać na podstawie obliczeń sumy oporów, ale tu musisz mieć projekt. Rura PP 32 przy przesyle 10 kW z deltą 7 stopni będzie miała 537 Pa/m oporu to bardzo dużo jak na opory liniowe a do tego jeszcze opory miejscowe kształtek i zgrzewu dochodzą. Rura PP 40 - 180 Pa/m już lepiej. Dla porównania te same parametry rura Cu 28 - 237 Pa/m, Cu 35 - 73 Pa/m ale kształtki dużo mniejsze mają opory nie mówiąc o braku przewężeń w miejscu łączenia. Jak już chcesz w PP robić to z kotła 40 i później trójniki i do rozdzielaczy 32. A najlepiej to by było jakby to wszystko policzyć i wtedy masz 100 % pewność
aikon91 Opublikowano 25 Listopada 2017 #64 Opublikowano 25 Listopada 2017 Panowie fachowcy jeszcze mam pytanie odnośnie mojej instalacji. Na pewien czas przestałem użytkować regulator pokojowy, który odłącza mi pompę i zauważyłem że na zasilaniu podłogi temp to aż 40*. Natomiast gdy pracuje z regulatorem wskazuje 32*. i to też zbyt wiele bo w domu ciepło ok 23*. W skrzynce mam zawór termostatyczny (chyba) z kapialarą i ustawiony jest na 1 ( na lince od kapilary jest zaiweszka 30-60*) więc powinna być temp 30 moim zdaniem. Co można na to zaradzić?
aikon91 Opublikowano 26 Listopada 2017 #65 Opublikowano 26 Listopada 2017 Eh pomyłka z mojej strony. Mam grupę pompowo mieszającą kanterm a tam w kolorze niebieskim jest zasilanie i to mnie zmyliło
Rafauell Opublikowano 3 Grudnia 2017 #66 Opublikowano 3 Grudnia 2017 Witam podepnę się pod temat, Prośba o Ocenę Instalacji dodam że zasilanie na grzejniki idzie właśnie tak jak narysowałem, ponieważ rury wchodzą pod schody.....
odpowietrznik Opublikowano 3 Grudnia 2017 #67 Opublikowano 3 Grudnia 2017 W sumie OK oprócz tego że na zaznaczonym odcinku może się zapowietrzać dlatego warto wstawić odpowietrznik automat.Nie wiem jak jest realizowana ochrona kotła przed korozją chyba że przez CWU na stałe. Rura do naczynia stal 1" lub Cu 28 właściwie powinna iść prosto do góry.
Rafauell Opublikowano 4 Grudnia 2017 #68 Opublikowano 4 Grudnia 2017 odnosząc się jeszcze do górnego rysunku to jakie zawory zwrotne najlepiej zastosować za pompami ponieważ gdzieś przeczytałem że zawory zwrotne ze sprężynką mają zły wpływ na działanie zaworu 3d termostatyczny mieszający... co myślicie o tym ??
sambor Opublikowano 4 Grudnia 2017 #69 Opublikowano 4 Grudnia 2017 Kolejna fikcja. A nie przeczytałeś dlaczego mają ten zły wpływ.
Rafauell Opublikowano 10 Grudnia 2017 #70 Opublikowano 10 Grudnia 2017 Witam, posiadam luźny zawór Afriso Termostatyczny zawór mieszający ATM 763. Nadał by się do zamontować go przy kotle? Zdałby on tam egzamin mieszania powrotu do pieca i na grzejniki ? (foto poniżej)
Rafauell Opublikowano 10 Grudnia 2017 #71 Opublikowano 10 Grudnia 2017 Kolejna fikcja. A nie przeczytałeś dlaczego mają ten zły wpływ. gdzieś to wyczytałem cytuję.... Tyle, że jeżeli chciał byś taki zawór zainstalować to trzeba dokonać sporej demolki. Obecny zestaw pompowy zastąpić odcinkiem rury. Dokupić drugą pompę. Pompy zamontować za obecnymi zaworami odcinającymi. Pomiędzy zestawami pompowymi, a obecnymi zaworami muszą się znaleźć zawory zwrotne, aby pompy wzajemnie nie wymuszały sobie obiegów. Na obiegu CO możesz dołożyć zawór 3D pomiędzy zaworem zwrotnym, a pompą. Tylko nie stosuj zaworu zwrotnego ze sprężynką, bo mieszacz będzie źle pracował. Zamontuj zawór klapowy, albo jeszcze lepiej zawór różnicowy z kulką. To także jest jeden z rodzajów zaworu zwrotnego, ale nie stawia tak dużego oporu jak zawór ze sprężynką. Jeżeli sterownik przy kotle nie posiada obsługi zasobnika CWU (czujnik temperatury + pompa) to trzeba wymienić lub zastosować oddzielny sterownik/termostat. Najlepiej to pomyśl o jakimś porządnym sterowniku kotła, który obsłuży CWU oraz siłownik zaworu 3D z funkcją pogodową.
sambor Opublikowano 10 Grudnia 2017 #72 Opublikowano 10 Grudnia 2017 Witam, posiadam luźny zawór Afriso Termostatyczny zawór mieszający ATM 763. Nadał by się do zamontować go przy kotle? Zdałby on tam egzamin mieszania powrotu do pieca i na grzejniki ? (foto poniżej) Ten zawór służy do obniżenie temp a nie do jej podniesienia, czyli na pewno się nie nada.do celów ochrony powrotu.
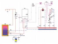
Rafauell Opublikowano 12 Grudnia 2017 #73 Opublikowano 12 Grudnia 2017 Witam co myślicie o tych projektach?? tak szwagrowi zaprojektowali. Podpowiedzcie co morza było by jeszcze zmienić dodam ze grawitacja nie będzie chodzić na grzejnikach....
sambor Opublikowano 12 Grudnia 2017 #74 Opublikowano 12 Grudnia 2017 Jest OK, można zrobić bez zaw zwrotnego na grzejniki
Rekomendowane odpowiedzi
Zarchiwizowany
Ten temat przebywa obecnie w archiwum. Dodawanie nowych odpowiedzi zostało zablokowane.