hellek Opublikowano 17 Września 2017 #1 Opublikowano 17 Września 2017 Witam. Chciałbym się dowiedzieć co sądzicie o takim schemacie instalacji która na dniach ma być spinana w mojej kotłowni. Dom oddany do użytku pod koniec lat 80-tych, Zbudowany z 1,5 pustaka a pomiędzy nimi styro 3cm, ściana zachodnia budynku docieplona 10cm styro, okna wymienione na plastiki. Cztery kondygnacje: "0" garaż, kotłownia, pralnia (40m2- grzejnik), pokój (40m2-grzejnik) pomieszczenia magazynowe itp "1" 4 obwody podłogówki, 9 grzejników z głowicami termostatycznymi, odpowietrzniki "2" 8 grzejników, odpowietrzniki, kominek z DGP "3" poddasze nieużytkowe, nieogrzewane Powiedzcie mi czy i jak przy takim schemacie najlepiej spiąć sterownik bruli.pl. do czego wg Was siłownik (3d,4d, oba) jak ewentualnie sterowanie aby pietra i podłogówka były niezależnie od siebie regulowane. Jest jeszcze czas na korekty w kotłowni wiec w razie potrzeby biorę je pod uwagę. Kwestie ochrony kotła ogarnie już instalator, mi chodzi o jakaś alternatywę i ocenę tego co zaplanowane. z góry dzięki za poświęcony czas.
odpowietrznik Opublikowano 17 Września 2017 #2 Opublikowano 17 Września 2017 Na podłogę też zaw.3D Przed pompami filtry osadnikowe. A jaki kocioł to zasila?
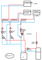
kiminero Opublikowano 17 Września 2017 #3 Opublikowano 17 Września 2017 Tak to widzę: Do tego sterownik instalacji Tech ST-409n. Obsłuży ci niezależnie trzy obiegi grzewcze z mieszaczami, CWU, cyrkulację i dużo więcej. W standardzie pogodówka, dwa regulatory RS, trzy regulatory standard, kilka styków dodatkowych konfigurowanych itp. Kocioł musi mieć oczywiście swój ster do zarządzania procesem spalania.
hellek Opublikowano 17 Września 2017 Autor #4 Opublikowano 17 Września 2017 Kocioł to Kamen Multi z podajnikiem na ekogroszek, moc 40kw. Każda pompa do zasilania jest na zespole pompowy z zaworem różnicowym bo piec miał mieć dodatkowy ruszt. Pompy to wilo yonos pico 25-1-6. Sterownik bruli jest i nie chciałbym go zmieniać już, wysteruje jeden siłownik w standardzie i też ma pogodówkę itp.. Chodzi mi zarówno o kwestie podłączenia jak i wysterowania przy danym schemacie. odpowietrznikCo nam wnosi zawor 3d zamiast tego 4d na podłogówkę? Jaka masz wizję sterowania do tego? kimineroDochodzą elementy które chyba znacznie podniosą mi koszt tej zabawy, sama instalacja zyska na sprawności czy co mają dać takie zabiegi? bruli by miał sterować piecem a obwodami ten tech?
odpowietrznik Opublikowano 17 Września 2017 #5 Opublikowano 17 Września 2017 Mój schemat jest podobny do schematu Kiminero z tą różnicą że on dodał sprzęgło +zawór typu VTC na poworcie do kotła zabezpieczający go przed korozją niskotemp.W jego schemacie też na podłogę jest 3D.A co do starowania Kimi dobrze radzi bo aby ogarnąć kilka zaworów mieszających z siłownikami to musi być już jakiś"kombajn" :) a właśnim takim jest sterownik Tech ST 409n Twój Bruli tego nie ogarnie
hellek Opublikowano 17 Września 2017 Autor #6 Opublikowano 17 Września 2017 Ok, to już rozumiem. Mój instalator mówił o analogowym wysterowaniu zaworów 3d, a ja chciałem to na siłownikach i sterowniku zrobić. W jego wersji podłogówka też mogłaby być ustawiona na rozdzielaczy jakimiś pokrętłami i tak bez steowania to zostawić bo to mało obwodów jest..
hellek Opublikowano 19 Września 2017 Autor #7 Opublikowano 19 Września 2017 A jeżeli nie inwestowałbym w jakieś rozbudowane sterowniki tylko właśnie zostawił to na bruli i tylko podłogę na 3D lub 4d wystrował? Szukam jakiegoś złotego środka między wielka ilością automatyki a powiedzmy komfortem użytkowania. Może macie jeszcze jakieś sugestie co do tego?
Rekomendowane odpowiedzi
Zarchiwizowany
Ten temat przebywa obecnie w archiwum. Dodawanie nowych odpowiedzi zostało zablokowane.