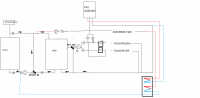
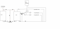
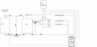
macek3 Opublikowano 10 Sierpnia 2017 #1 Opublikowano 10 Sierpnia 2017 Dzień dobry chciałem zapytać czy schemat podłączenia planowanej przezemnie kotłowni jest prawidłowy? Chce sterować pompami góra/dół za pomocą czujników pokojowych góra/dół, 1, W jaki sposób najprościej wykrywać konieczność włączenia pieca gazowego (ma się włączać gdy braknie ciepła w buforze) - myślałem nad termostatem >40 stopni wyłącz piec gazowy. 2. Czy w momencie pracy pomp góra + dół oraz pieca gazowego (z wbudowaną pompą) nie będzie mi zabierało wody z bufora ? Marcin
sambor Opublikowano 10 Sierpnia 2017 #2 Opublikowano 10 Sierpnia 2017 Nie podajesz jaki kocioł gazowy, ale to raczej jest źle. Na tym forum "specjalistą" od podłączenia kotła mpm jest kolega @maronka, pisz do niego , najlepiej na priv to wszystko ci wyjaśni.
macek3 Opublikowano 10 Sierpnia 2017 Autor #3 Opublikowano 10 Sierpnia 2017 Piec gazowy to Beretta Kompakt II
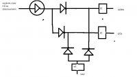
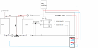
macek3 Opublikowano 11 Sierpnia 2017 Autor #4 Opublikowano 11 Sierpnia 2017 w załączeniu alternatywny schemat z jedną pompą i trzema elektrozaworami. Elektrozawory kulowe załączają obwody góra dół na żądanie pokojówek i pompę CO od pieca mpm, a gdy temp w buforze spadnie <30 C to włączamy gaz wyłączamy sterowanie z pieca na paliwo stałe.
sambor Opublikowano 11 Sierpnia 2017 #5 Opublikowano 11 Sierpnia 2017 Zapomniałeś dodać czwartego elektrozaworu, który będzie odłączał elektrykę od kotła. ;) PS Pod znaczeniem włączamy gaz to rozumiem włączamy kocioł gazowy, a nie sam gaz.
macek3 Opublikowano 12 Sierpnia 2017 Autor #6 Opublikowano 12 Sierpnia 2017 Po głębszym przemyśleniu tematu ten elektrozawór od kotła gazowego jest chyba niepotrzebny . Obecnie mam zainstalowany ten kocioł gazowy + zwykły piec na węgiel. Gaz jest sterowany z pokojówki włącza się gdy zadziała termostat pokojowy. Jeżeli dołoże w szereg ze stykami termostatu pokojowego drugi termostat który będzie rozwierał obwód powyżej zadanej temperatury na buforze to wyłączanie gazu mam załatwione. Piec gazowy jeszcze chwię pracuje po zdjęciu sygnału grzej ale to można załatwić przekaźnikiem czasowym opóźniającym zamknięcie elektrozaworu o np 60 sek. T 1. Czy dwa elektrozawory kulowe za zaworem 3D są dobrym rozwiązaniem? (na mój chłopski rozum to prawie to samo co dwa kaloryfery w obwodzie z głowicą termostatyczną), 2. Jaki sterownik zastosować do pompy ładującej bufor?
odpowietrznik Opublikowano 13 Sierpnia 2017 #7 Opublikowano 13 Sierpnia 2017 Zasilanie z kotła gazowego powinno być za pompami P1,P2.Po co grzać CWU z bufora?lepiej podłączyć zasobnik CWU z dwoma wężownicami przed buforem.
macek3 Opublikowano 13 Sierpnia 2017 Autor #8 Opublikowano 13 Sierpnia 2017 Podsumowując które rozwiązanie uważacie za lepsze 2 pompy bez elektrozaworów czy jedna i dwa elektrozawory kulowe ? Załączam dwa schematy.
macek3 Opublikowano 9 Marca 2018 Autor #9 Opublikowano 9 Marca 2018 To mogę się pochwalić spostrzeżeniami prawie że pod koniec 1 sezonu: - zastosowałem rozwiązanie z dwoma zaworami kulowymi i wszystko działa dobrze. - palimy zwykle rano 1 - 2 wsady w zależności od temperatury zewnętrznej i na wieczór jeszcze raz żeby starczyło do rana. Dom to prlowski klocek 10x10 ocieplony 5 cm styropianu. Piec sprawuje się dobrze do tej pory poszło około 10 - 12 kubików brzozy. |
Panstan Opublikowano 9 Marca 2018 #10 Opublikowano 9 Marca 2018 Piec sprawuje się dobrze do tej pory poszło około 10 - 12 kubików brzozy. | jak duży masz bufor i jaka pow do grzania?jakie grzejniki i rury?
macek3 Opublikowano 12 Marca 2018 Autor #11 Opublikowano 12 Marca 2018 Grzejniki Aluminiowe , rury stalowe 1/2 cala do grzejników, bufor 1000 L, powierzchnia około 180 m2
Rekomendowane odpowiedzi
Zarchiwizowany
Ten temat przebywa obecnie w archiwum. Dodawanie nowych odpowiedzi zostało zablokowane.