kiminero Opublikowano 13 Lutego 2017 #51 Opublikowano 13 Lutego 2017 Jak są termostaty przy grzejnikach, to dla 70 st przymknęły się bardziej niż zwykle i się układ sam "zkryzował" wymuszając lepszy przepływ na RTL. Tak samo 4D podłogi do osiągnięcia temp podłogi potrzebował mniejszej ilości wody gorącej. Dla temp 50 może być gorzej.
ciemniolek Opublikowano 14 Lutego 2017 #52 Opublikowano 14 Lutego 2017 Witam Wszystkich Mam pytanie czy jeśli w układzie z ogrzewaniem podłogowoym jest zawór 3d termostatyczny to pompa może ciągnać z podłogówki ( być na powrocie ) czy musi w nią tłoczyc? Dodam że przed zaworem 3d jest zawór 4d i pompa, która ciągnie z zaworu 4d i pcha wode do 3d. Schemat na zdjęciu
ciemniolek Opublikowano 14 Lutego 2017 #54 Opublikowano 14 Lutego 2017 Ok. Dzięki. Czy jeżeli przełożę pompę zeby tłoczyłą w belkę zasilającą podłogi będzie ok?
sambor Opublikowano 14 Lutego 2017 #55 Opublikowano 14 Lutego 2017 Jak pompa będzie "ciągnąć" wodę przez zaw 3-D i wtłaczać do belki będzie prawidłowo, dodatkowo zaw 3-D musi być włączony zaraz za zaw 4D, przed pompę grzejników.
ciemniolek Opublikowano 14 Lutego 2017 #56 Opublikowano 14 Lutego 2017 Dzięki. Czyli zawór 3d nie może byc za trójnikiem na grzejnik a przed? Bezpośrednio za zaworem 4d? Mógłbyś mi jeszcze doradzić gdzie wpiąć pompę i trolójnik dla grzejników? Musi byc za zaworem 4d ale jesli wepnę zawór 3d zaraz za zaworem 4d to nie da rady chyba. Dzięki
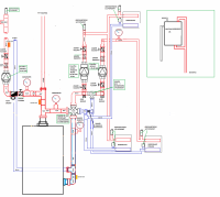
sambor Opublikowano 14 Lutego 2017 #57 Opublikowano 14 Lutego 2017 Zrób tak jak na rys poniżej, to prawidłowy schemat z forum,
ciemniolek Opublikowano 14 Lutego 2017 #58 Opublikowano 14 Lutego 2017 Dziekuje serdecznie :) pozdrawiam
ciemniolek Opublikowano 16 Lutego 2017 #59 Opublikowano 16 Lutego 2017 Sambor. Możesz mi powiedzieć jaką moc pompy zastosować albo jaką pompe najlepiej? Mam starą Wilo Rs 25/65 ale chyba nie daje rady lub jest zużyta. Mam 9 obiegów , najdłuższy 100m.
sambor Opublikowano 16 Lutego 2017 #60 Opublikowano 16 Lutego 2017 A jaki zaw3D, jakie rury do rozdzielacza. To też się liczy
ciemniolek Opublikowano 16 Lutego 2017 #61 Opublikowano 16 Lutego 2017 Zawor termostatyczny afriso 20-43stC 3/4 cala. Rury 28mm miedź. Pętle pex 16m. Zawór zwrotny 1cal.
sambor Opublikowano 16 Lutego 2017 #62 Opublikowano 16 Lutego 2017 Tu wąskim gardłem jest zaw 3-D, on najwięcej blokuje przepływ. Trzeba najpierw wymienić ten zaw 3-D na większy rozmiar i większy przepływ np VTA 572 1" prod ESBE.. Zmiana pompy mało co pomoże, najwyżej instalacja będzie głośna. Rury są OK.
ciemniolek Opublikowano 16 Lutego 2017 #63 Opublikowano 16 Lutego 2017 Ok. Dzieki za radę. Podmienie zawór
ciemniolek Opublikowano 21 Lutego 2017 #64 Opublikowano 21 Lutego 2017 Zawór 3d zmieniony. Podlogowka hula az milo. Wychladza piec :D Do zaworu 4d musze zastosowac silownik. Dzieki raz jeszcze Sambor
Rekomendowane odpowiedzi
Zarchiwizowany
Ten temat przebywa obecnie w archiwum. Dodawanie nowych odpowiedzi zostało zablokowane.