seba999 Opublikowano 17 Listopada 2016 #1 Opublikowano 17 Listopada 2016 Witam wszystkich, Mam kocioł Hef EkoPlus 12kW, sterownik Compit 510B. Ogrzewa on mieszkanie w tzw. 'familoku', 60m2. Budynek nieocieplony. Problem mam z nastawami - mianowicie albo mam szlakę, albo niespalony węgiel, albo i to i to. Nie jestem w stanie go ustawić tak, żeby było dobrze. Opał z tego samego składu co w zeszłym roku, ale widać, że to nie ten opał co w zeszłym roku. Wraz z sąsiadem zaopatrujemy się tam, on generalnie problemu nie ma. Obecne nastawy: Tryb praca: Czas podawania: 4s Czas przerwy miedzy podaniami 34s Tryb podtrzymania Czas podawania 5s Czas przerwy miedzy podaniami 30 min Nadmuch 10 (w skali 5-99) Było (praca): Czas podawania 8s Czas przerwy 65s Ilość niespalonego węgla była podobna, ale było więcej szlaki. Generalnie kocioł dosyć długo dochodzi do temperatury zadanej. Jak włączy się pompa, to potrafi wychłodzić kocioł do 46*C... A wtedy do zadanej dochodzi nawet 2-3h... Domyślam się, że powinienem więcej podawać węgla, ale boję się, że skutek będzie taki, że będę miał jeszcze więcej niespalonego groszku w popielniku. Poradźcie proszę w którym kierunku iść z nastawami, bo póki co bawię się w kopciuszka co 3 dni i wybieram niespalony węgiel z popielnika, bo nie stać mnie na wyrzucanie opału... Poniżej zdjęcia. Popiół: Niespalony węgiel: Sąsiad ma podawanie 8s, przerwa 70s. Popiół wygląda prawie idealnie. Węgiel ten sam. Poradźcie proszę.
janpol62 Opublikowano 17 Listopada 2016 #2 Opublikowano 17 Listopada 2016 Sprawdź czy wszystko jest OK na instalacji. Może coś masz zakręcone albo brudny filtr na wodzie? Jaka jest różnica temperatur na zasilaniu i powrocie przed kotłem?
maniek76 Opublikowano 17 Listopada 2016 #3 Opublikowano 17 Listopada 2016 U sąsiada też wyłącza się pompa czy chodzi cały czas?
seba999 Opublikowano 17 Listopada 2016 Autor #4 Opublikowano 17 Listopada 2016 Mieszkanie kupiliśmy już z kotłem i instalacją CO. Działa w oparciu o czujnik temperatury w mieszkaniu. Jeśli temp w mieszkaniu jest niższa niż zadana - uruchamiana jest pompa i kocioł przechodzi w tryb praca i stara się dobić do temp zdanej na kotle (w chwili obecnej 65*C). Jeśli osiągnie zadaną, pompa się wyłącza, a kocioł stara się utrzymać 56*C (temp oscyluje między 52-58*C). Zawory 'normalne', tzn. nie termostatyczne. Różnica temperatur około 10-20*C między zasilaniem a powrotem. Jeśli potrzebna jest dokładna wartość to pójdę sprawdzić. Czy zamieścić schemat instalacji? Z tego co wiem u sąsiada instalacja działa trochę inaczej. Nie ma czujnika temp w mieszkaniu, kocioł trzyma temp zadaną, pompa chodzi cały czas, w mieszkaniu ma zawory termostatyczne na grzejnikach.
KOSA78 Opublikowano 17 Listopada 2016 #5 Opublikowano 17 Listopada 2016 Za dużo podajesz a za mało dmuchasz, wydłuż czas pomiędzy podaniami i zwiększ obroty dmuchawy Wysłane z mojego ALE-L21 przy użyciu Tapatalka
janpol62 Opublikowano 17 Listopada 2016 #6 Opublikowano 17 Listopada 2016 I to jest różnica! Niestety nie możesz wyłączać pompy kotłowej. Kocioł na węgiel albo lepiej na paliwo stałe ma znacznie większą inercję (opóznienie) niż np gazowy czy olejowy. Krótko. Kocioł aby działał jakoś rozsądnie musi mieć ciągły odbiór ciepła. Inaczej nie wyregulujesz tego. Można to zrobić inaczej. Ale wymaga inwestycji. W takim przypadku potrzebny jest bufor. Będziesz miał wtedy dwa obiegi. Pierwszy od kotła do bufora możesz jechac wtedy np na 60 st C na kotle a drugi z zaworem trójdrogowym i pompa i możesz sobie sterować pogodowo. Albo drugie wyjście to zawór czerodrogowy i pompa - schemat zgodny z tym co zalecają producenci. Trochę gorszy ale tez działa. W sumie to i tak dobrze że masz tylko spieki i wegiel w poliepielniku. Jakbyś tak zrobił na zwykłym kopciuchu w którym nie chodzi grawitacja zagotowałbyś wodę raz dwa.
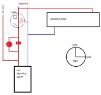
seba999 Opublikowano 17 Listopada 2016 Autor #7 Opublikowano 17 Listopada 2016 Tylko pompę wyłącza sterownik a nie ja :) Jakby nie wyłączał to grzałoby cały czas. A instalacja bez włączonej pompy działa na grawitacji (jako tako, ale działa - cienkie rurki miedziane). Wstawiam schemat instalacji. Może da większy obraz sytuacji. Zawór mam, 3 drogowy. Mam pewne podejrzenia, że zamontowany jest odwrotnie (dlatego zamieściłem oznaczenia). 1 - pompa. 2 - zawór różnicowy (zwrotny?)
KOSA78 Opublikowano 17 Listopada 2016 #8 Opublikowano 17 Listopada 2016 Nie gadaj głupot że wyłączanie pompki to powód niedopalonego węgla. Sam steruje pompka za pomocą czujnika temperatury wewnętrznej i jakoś nie mam problemu z niedopalonym węglem a palę w kotle z podajnikiem od 3 tygodni Wysłane z mojego ALE-L21 przy użyciu Tapatalka
janpol62 Opublikowano 17 Listopada 2016 #9 Opublikowano 17 Listopada 2016 Ten schemat jest do kitu. to nie ma prawa dobrze działać w okresach przejściowych. czyli jak na dworze jest +10-15 s C. Ta dwójka to prawdopodobnie zawór kulkowy zwrotny i on akurat ma tam być. On zabezpiecza instalację jak nie ma prądu i jest wyłączona pompa. U ciebie akurat pompa wyłącza się non stop. Po pierwsze żle jest wpięty zasobnik c.w.u. powinien być wpięty przed zaworem. A co do zaworu To też średnio to jest zrobione. Dla zaworu trójdrogowego powinieneś mieć drugą pompę za nim oraz sprzęgło hydrauliczne przed zaworem lub zawór nadmiarowo różnicowy aby wyrównać hydraulicznie obieg kotła i obieg c.o.
janpol62 Opublikowano 17 Listopada 2016 #10 Opublikowano 17 Listopada 2016 Nie gadaj głupot że wyłączanie pompki to powód niedopalonego węgla. Sam steruje pompka za pomocą czujnika temperatury wewnętrznej i jakoś nie mam problemu z niedopalonym węglem a palę w kotle z podajnikiem od 3 tygodni Wysłane z mojego ALE-L21 przy użyciu Tapatalka Niedopalony węgiel to za duży szybki posuw lub za krótka przerwa. Jednak nie zgadzam się ze wyłączanie pompy obiegowej jest ok dla kotła stałopalnego. Być może u Ciebie działa grawitacja lub ciepło idzie w cwu.
seba999 Opublikowano 18 Listopada 2016 Autor #11 Opublikowano 18 Listopada 2016 Czyli pomijając skopaną instalację (ponoć robiła firma) mam wydłużyć przerwę między podaniami? Nie wpłynie to na jeszcze dłuższy czas dojścia do temperatury zadanej na kotle? Jak wspomniałem po tym jak sterownik włączy pompę i kocioł na tryb praca temperatura na kotle potrafi spaść do 46°c... Wysłane z mojego HUAWEI LUA-L21 przy użyciu Tapatalka
KOSA78 Opublikowano 18 Listopada 2016 #12 Opublikowano 18 Listopada 2016 To normalne że temperatura spada bo w momencie włączenie pompy kocioł dostaje dawkę zimnej wody z powrotu. Zwiększ przerwę między podaniami i siłę nadmuchu. Masz czujnik temperatury spalin ? Wysłane z mojego ALE-L21 przy użyciu Tapatalka
maniek76 Opublikowano 18 Listopada 2016 #13 Opublikowano 18 Listopada 2016 Tylko pompę wyłącza sterownik a nie ja :) Jakby nie wyłączał to grzałoby cały czas. A instalacja bez włączonej pompy działa na grawitacji (jako tako, ale działa - cienkie rurki miedziane). Wstawiam schemat instalacji. Może da większy obraz sytuacji. Zawór mam, 3 drogowy. Mam pewne podejrzenia, że zamontowany jest odwrotnie (dlatego zamieściłem oznaczenia). CO.jpg 1 - pompa. 2 - zawór różnicowy (zwrotny?) Proponuje abyś ustawił tak w sterowniku aby pompa chodziła cały czas. Masz mieszacz więc ustaw go tak aby w pomieszczeniach była komfortowa temperatura. Czym stabilniej pracuje kocioł tym to wszystko co na palniku wygląda lepiej. Gdy zwiększy przerwę między podawaniami to jeszcze bardziej kocioł będzie miał problem z dojściem do zadanej a zwiększając nadmuch powstaną spieki Zobacz jak to u mnie na palniku wygląda. Taki mały płomień mam cały czas. Spójrz też na wykresy jak stabilnie bez szarpnięc gwałtownych pracuje kocioł.
hektoras Opublikowano 18 Listopada 2016 #14 Opublikowano 18 Listopada 2016 Coś mi się zdaje że niepotrzebnie sie produkujecie bo rzeczywistosc jest inna. SEBA zrób zdjęcia bo to co narysowaleś ma sie nijak do rzeczywistości. A może tam nie ma zaworu trójdroznego podaj dokładnie oznaczenia z tego zaworu . Być oże jest to zawór stałotemp. i działa tylko na określonym zakresie temperatur??? NA SZYBKO to podaj jakie temp. masz ustawione/zaprogramowane???? Czy went. ma przesłonę - czy przymknięta/ ile ?? CZy masz zawory termostatyczne na grzejnikach???? Pompka ma 3biegi ? na którym chodzi/jest ustawiona? Ja bym załączyl pompkę na stałe na najmniejszym biegu, zmniejszył podawanie na 5/30 i zwiększył nadmuch z tego co masz (NIE PODAJESZ !!!!) ale stopniowo najpierw o tak 10% i obserwacja. Póżniej ewent. nadmuch w dół lub górę wg tego co ustalisz. A możesz i spróbować drugim sposobem daj tak jak pisałeś u sąsiada 8/70 i jak będzie szlakować to zmniejszaj powoli nadmuch - ALE POMPA CHODZI CAŁY CZAS!!!! Jeszcze jedno czy wylot/kanł spalinowy z pieca do komina całkowicie otwarty - w 100 drożny nie ma jakichs przesłon/zasów/itp. Skoro opał/ekogroszek (???) u sąsiada sie spala dobrze to i u Ciebie MUSI takze. ALe masz inne warunki i parametry palenia dlatego musisz znaleźć odpowiednie do Twojej instalacji.
seba999 Opublikowano 18 Listopada 2016 Autor #15 Opublikowano 18 Listopada 2016 Schemat który narysowałem (niestety albo stety) odwzorowuje instalację :) Po kolei (przepraszam za jakość zdjęć, mam dość ciemno) Pompa Wilo-Smart 25/4, 3 biegi, aktualnie chodzi na 1. Zawór 3-drogowy ESBE VRG131 KVS10 (zwróćcie uwagę na oznaczenia - trójkąt na dole, kwadrat na górze, okrąg z prawej - mam podejrzenie, że jest zamontowany odwrotnie) Dmuchawa WPA06, przesłona otwarta na ok 2 cm. Zawory 'normalne', nie termostaty - za wyjątkiem łazienki. Tam ciekł zawór więc wymieniłem od razu na termostatyczny. Ustawienia sterownika kotła: Temp zadana: 65*C Tryb praca, czas podawania: 4 sek Tryb praca, czas przerwy między podaniami: 32 sek Obroty dmuchawy (zakres 5-99) - 10 Tryb podtrzymania, czas podawania: 5 sek Tryb podtrzymania, czas przerwy między podaniami: 30 min Czas przedmuchu między trybem praca a podtrzymanie: 20 sek Ustawienia termostatu w mieszkaniu: Temp nocna 20,5*C Temp dzienna 22,5*C Temp nocna od 23:00 do 5:00 oraz 7:00 do 16:00 Temp dzienna od 5:00 do 7:00 oraz 16:00 do 23:00 Generalnie temperatura w mieszkaniu jest zadowalająca (póki co). Pytaliście o wylot spalin - nie jest niczym zakryty/przytkany. Nie ma żadnej regulacji. Kocioł wczoraj czyszczony, dziś palenisko wygląda tak: Czy coś pominąłem?
Duszek Opublikowano 18 Listopada 2016 #16 Opublikowano 18 Listopada 2016 Wydaje mi się, że warto wypróbować taki zabieg: 1. start pompy na 30C - woda będzie cały czas krążyć, a jak będzie za ciepło to zdławić grzejnik żeby grzał na 1/3 powierzchni. 2. sprawdzić uszczelnienie palnika - może powietrze ucieka bokami, wychładza piec i robi dziwne historie z spiekami/niedopałkami 3. ustawić piec podawanie 12s przerwa 55s i bawić się powietrzem. Powodzenia!
seba999 Opublikowano 18 Listopada 2016 Autor #17 Opublikowano 18 Listopada 2016 Nie jestem w stanie wymusić startu pompy o określonej temperaturze. Nie widziałem w opcjach sterownika tego typu ustawień. Z tego co zaobserwowałem pompa uruchamia się przy 42°C pod warunkiem, że termostat pokojowy wysyła informację do sterownika, że ma grzać. Wysłane z mojego HUAWEI LUA-L21 przy użyciu Tapatalka
hektoras Opublikowano 18 Listopada 2016 #18 Opublikowano 18 Listopada 2016 Seba z tym zaworem 3 drog. to masz racje bo zawsze zasilanie powinno być od str. kwadratu i zarówno do mieszania jak i rozdzielania PATRZ : http://www.esbe.eu/pl/pl-pl/produkty/zawory-obrotowe/vrg130 Faktycznie to może byc u Ciebie zasadniczym problemem !!!!
seba999 Opublikowano 19 Listopada 2016 Autor #19 Opublikowano 19 Listopada 2016 Potwierdzileś moje podejrzenia. To teraz co robić? Czeka mnie demontaż i odwrócenie zaworu tak żeby kwadrat byl na dole, a pokrętło niestety z tyłu? A nie da się tego jakoś przekręcić pokretłem, bez demontowania? Wysłane z mojego HUAWEI LUA-L21 przy użyciu Tapatalka
maniek76 Opublikowano 19 Listopada 2016 #20 Opublikowano 19 Listopada 2016 Wiesz co, nie wiem jak to jest w 3d ale w moim 4d dało sie przestawić pokrętłem bez demontażu
hektoras Opublikowano 19 Listopada 2016 #21 Opublikowano 19 Listopada 2016 SEBA ale zobacz jeszcz na tej str. bo tam są jeszcze inne ale juz 3 zdj. - w danych tech. pod charakterystyką są te zdj. może jeszcze to przeanalizujesz. Ale wg. mnie najlepiej jak jest zamontowany tak jak podaje producent. Czasami zdarza sie że postepowi fachmani dokonują swoich wynalazków - możliwie że i wyjątkowo z pozytywnym skutkiem, ale czy to i w tym przypadku?? !!
seba999 Opublikowano 20 Listopada 2016 Autor #22 Opublikowano 20 Listopada 2016 Wczoraj koło 14:00 Zawór 3d chyba ogarnięty. Zdjąłem pokrętło, ten czerwony ogranicznik i udało mi się go przekręcić. Teraz jest ustawiony tak, że ma zasilanie z dołu. Niestety nie jestem w stanie wyregulować w ten sposób temperatury, która idzie na grzejniki. Mogę jedynie balansować między ilością gorącej wody, która idzie na grzejniki i na powrót do kotła. Ale z tego co czytałem zaworem 3d nie można zrobić ochrony powrotu i regulować temperatury wody idącej na grzejniki. W tej chwili minimum wody idzie na grzejniki, reszta na powrót kotła. Zrobiłem jeszcze jeden myk, tzn. oszukałem trochę sterownik, żeby mimo wyłączonego styku termostatu, utrzymywał wyższą temperaturę na kotle. Nie wiem dlaczego, ale w sterowniku nie było ustawionego trybu grzania CWU, czujnik temp CWU również nie był podłączony nigdzie - dyndał sobie na kabelku. Wsadziłem go w otulinę rury powrotnej do kotła, a w sterowniku ustawiłem że ma grzać CWU do 55*C oraz zadaną temperaturę grzania CWU na 60*C. Efekt jest taki, że kocioł zamiast balansować między 48-56*C na podtrzymaniu, utrzymuje 58-63*C. Zaobserwowałem, że kocioł pracuje teraz częściej i nie wychładza się aż tak. Podczas gdy na kotle 62*C, na powrocie mam 43*C. Czyli jest lepiej niż było. Jak włącza się pompa CO, temp. powrotu podbija do 46-47*C. Zmieniłem podawanie na 7s / 55s, wentylator zostawiłem na 10 (w skali 5-99), przesłona bez zmian. Dziś 12:00 Poszedłem skontrolować popiół. Niestety spieki węgla są nadal. Ilość podobna, ale są większe bryły. Pobawiłem się w kopciuszka, niespalony węgiel trafił do zasobnika. Podniosłem nadmuch na 12. Czy kierunek dobry? Czy może powinienem raczej zejść z ilością podanego węgla?
seba999 Opublikowano 22 Listopada 2016 Autor #23 Opublikowano 22 Listopada 2016 Kierunek chyba niedobry. Spieków objętościowo tyle samo, tylko większe 'kulki'. Zmieniłem na 8/70, podobnie jak ma sąsiad i... spieki mniejsze, ale nadal są. Sprawdziłem zapalniczką czy retorta nie puszcza gdzieś powietrza poniżej 'talerza'. Okazało się, że w dwóch miejscach. Kupiłem uszczelniacz kominkowy (do 1500*C) i chciałem dzisiaj zdjąć retortę i uszczelnić. Retorty ostatecznie nie udało mi się zdjąć, bo śruby są nie do wykręcenia. Zakleiłem szparę dookoła tym silikonem, gdzie się dało to z tuby, a gdzie nie to palcem. Jutro rozpalam i zobaczymy. Chciałem się jeszcze zapytać, czy ślimak w takim stanie jeszcze trochę popracuje? Zakupić nowy i trzymać na 'w razie w', czy od razu wymienić?
Przemyslaw85 Opublikowano 23 Listopada 2016 #24 Opublikowano 23 Listopada 2016 Moim zdaniem pora zakupić nowy ślimak bo tej zimy może nie przetrwać. Tego właściwie już nie ma w środkowej części gdzie to pobiera opał. Mam podobny piec tyle że inny sterownik ST480. Wg mnie za słabo dmuchasz. Ustaw na 35% a czas podawania jak masz tyle że przerwę będziesz musiał skrócić. ps. Ile lat wytrzymał ten ślimak?
seba999 Opublikowano 26 Listopada 2016 Autor #25 Opublikowano 26 Listopada 2016 Retorta uszczelniona, ślimak wymieniony. Nastawy zostały tj. 8 s podawania, 70 s przerwa, nadmuch na 12. Węgiel spalony do końca :-) w popiele troche grudek popiołu, które da się bez problemu rozetrzeć palcami :-) także serdeczne dziękuję za pomoc. A ile wytrzymał? Szczerze nie wiem, bo mieszkanie z kociołkiem kupiliśmy w styczniu. Poprzedni właściciele mówili, że był wymieniony. Obstawiam 2-3 lata... Wysłane z mojego HUAWEI LUA-L21 przy użyciu Tapatalka
Rekomendowane odpowiedzi
Zarchiwizowany
Ten temat przebywa obecnie w archiwum. Dodawanie nowych odpowiedzi zostało zablokowane.