mhosaja Opublikowano 11 Stycznia 2016 #1 Opublikowano 11 Stycznia 2016 Witam wszystkich forumowiczów. Kupiłem dom od dewelopera z gotową instalacją CO. Pozostała mi do wykonania jedynie kotłownia. Na parterze jest rozdzielacz, z którego idą 4 grzejniki i 3 pętle podłogówki. Jedna pętla to jakieś 3 m2, druga 15 m2, a trzecia 2 m2, ale ta jest zakręcona, bo nie chcę grzać spiżarni. Na poddaszu jest drugi rozdzielacz, który zasila 6 grzejników i 2 pętle podłogówki. Pierwsza to jakieś 8 m2, a druga 4 m2. W rozdzielaczach są zwykłe zawory do regulacji powrotu podłogówki. Kiedy hydraulik zobaczyl instalację, powiedział, że nie będziemy nic przerabiać i wstawił jedną pompę zasilająca CO i jedną do bojlera. Nie ma również żadnego mieszacza zabezpieczającego powrót do kotła. Kocioł z podajnikiem Krzaczek SKP 3D 18KW ze sterownikiem Tech ST480 bez PID oraz regulatorem pokojowym Auraton. Na grzejnikach mam głowice termostatyczne. Próbowałem dwóch wariantów ogrzewania. 1. Z regulacją poprzez dołączanie pompy CO - jeżeli chodzi o komfort cieplny, to ten sposób się sprawdza, ale piec dużo kisi sie w podtrzymaniu i stale zalewam go zimnym powrotem. Co więcej, kocioł musi się nieźle napalić, żeby z powrotem nagrzać wodę z wychłodzonej instalacji. 2. Palenie w sposób ciągły (stale włączona pompa CO) przy temp. zasilania 50C i pomimo skręcenia zaworów na powrocie podłogówki do poziomu ok. 10% otwarcia, podłoga jest zdecydowanie za ciepła. Głowice na grzejnikach oczywiście działają, ale taka podłoga i tak znacznie przegrzewa cały dom... Co mogę zrobić w takiej sytuacji? Czy pozostaje mi jedynie przebudowa instalacji i rozdzielenie podłogi od grzejników? A może pomoże zamontowanie zaworów RTL w rozdzielaczach? Czy mam szanse niewielkim kosztem sterowac w sposób komfortowy dla domowników, ekonomiczny i zdrowy dla kotła?
odpowietrznik Opublikowano 11 Stycznia 2016 #2 Opublikowano 11 Stycznia 2016 W Twoim przypadku podłogówka nie może być zasilana tą samą (wysoką) temperaturą co grzejniki.Chcąc dać RTL-e na podłogę aby ograniczyć temp. to ten RTL gdzie 15m2 podłogi nie da rady Zawory te są na około 40m rury Powinny być rozdzielone obiegi grzejnikowy i podłogowy i temperatura obiegu podłogowego obniżona za pomocą zaworu mieszającego 3D wtedy oddzielna pompa na grzejniki a druga na podłogówkę i oczywiście osobne rozdzielacze do grzejników i podłogówki a nie dwa w jednym(to nie proszek czy szampon ;) )
mhosaja Opublikowano 11 Stycznia 2016 Autor #3 Opublikowano 11 Stycznia 2016 Tego się obawiałem. Nie ukrywam, że przerobienie w tej chwili instalacji, to będzie nie lada rozpierducha... A co myślisz o rozdzielaczach typu 2w1, które maja wbudowany mieszacz i rozdział odbywa sie z poziomu rozdzielacza? Z Twojej wypowiedzi wnioskuję, że rozdzielacz na piętrze mogę zostawić w takiej formie, jak jest i dodać tylko RTL? Tam pętle są o wiele mniejsze.
odpowietrznik Opublikowano 11 Stycznia 2016 #4 Opublikowano 11 Stycznia 2016 Myślę że rozdzielacze 2w1 to złe rozwiązanie były wielokrotnie krytykowane na tym forum.Jak to stwierdził jeden z ekspertów na tym forum odnosząc się właśnie do tych rozdzielaczy "co jest do wszystkiego to jest do niczego")
mhosaja Opublikowano 11 Stycznia 2016 Autor #5 Opublikowano 11 Stycznia 2016 Czyli pozostaje mi wypruwać rury ze świeżo wykończonych ścian i podłóg z powodu jednej pętli? Co w praktyce oznacza, że RTL nie da rady?
sambor Opublikowano 11 Stycznia 2016 #6 Opublikowano 11 Stycznia 2016 Zawory RTL są do ok 35mb rury co w praktyce oznacza pow grzane do 4m2, u ciebie są dwie większe pętle - 15 i 8m2 , one nie zadziałają prawidłowo na zaw RTL, gdyż nie będzie przez nie prawidłowego przepływu. W twoim przypadku można nie ruszać rur, tylko zmienić rozdzielacze na grzejnikowe i podłogowe osobno, wystarczy tylko wymiana szafek na większe aby to się zmieściło, dodanie osobnych układów mieszających na zaw 3-D i pompach dla każdego poziomu podłogówki, oraz dwie oddzielne pompy do grzejników.
mhosaja Opublikowano 12 Stycznia 2016 Autor #7 Opublikowano 12 Stycznia 2016 W twoim przypadku można nie ruszać rur, tylko zmienić rozdzielacze na grzejnikowe i podłogowe osobno, wystarczy tylko wymiana szafek na większe aby to się zmieściło, dodanie osobnych układów mieszających na zaw 3-D i pompach dla każdego poziomu podłogówki, oraz dwie oddzielne pompy do grzejników. Czy możesz mi wyłożyć, jak krowie na rowie, co dokładnie masz na myśli? Brakuje mi jeszcze doświadczenia w temacie instalacji CO. Chodzi o rozdzielacz do podłogówki z mieszaczem, jak ten w linku poniżej: http://termomik.pl/rozdzielacze/382-rozdzielacz-3-mieszajacy-do-podlogowki-alpha-2l.html , czy o taki najzwyklejszy rozdzielacz podłogówki, jak ten: http://termomik.pl/rozdzielacze/451-rozdzielacz-3-ogrzewania-podlogowego.html ? Jeśli mówisz o takich zwyczajnych, to gdzie dodać układy mieszające (bo rozumiem, że też muszą być 2)? Jak zrealizować sterowanie dwoma mieszaczami (czy może chodzi o mieszacze bez siłowników, sterowane ręcznie)? Gdzie zamontować pompy grzejnikowe? Czy taki układ załatwi również sprawę zimnego powrotu do kotła? Przepraszam, że zadaję może głupie pytania, ale chciałbym wreszcie zacząć rozumieć, o co w tym wszystkim chodzi i uniknąć kolejnych fuszerek, jak ta na samym początku...
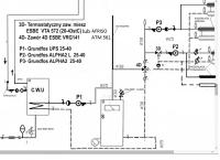
odpowietrznik Opublikowano 12 Stycznia 2016 #8 Opublikowano 12 Stycznia 2016 Sugeruje wykonanie wg poniższego schematu.Cały osprzęt w kotłowni tylko same rozdzielacze w pomieszczeniach.Rozdzielacz z linku pierwszego to zły pomysł.Trzeba jak to nazywasz "zwykły"rozdzielacz tylko belka zasilająca u góry z rotametrami(zero u góry na rotametrze) a nie jak w Twoim linku rotametry na powrotnej belce.Jak na grzejnikach zawory termostatyczne to pompa P3 z funkcją Autoadapt
mhosaja Opublikowano 12 Stycznia 2016 Autor #9 Opublikowano 12 Stycznia 2016 Coś mi tu nie pasuje. Twój schemat zakłada istnienie osobnego zasilania grzejników i podłogówki, podczas gdy u mnie przewód zasilający jest tylko jeden. To chyba nie jest rozwiązanie, o którym pisał sambor.
sambor Opublikowano 12 Stycznia 2016 #10 Opublikowano 12 Stycznia 2016 Niestety prawda - trzeba zrobić bilans strat i zysków i albo kuć na drugie rury do rozdzielaczy , albo robić oddzielne mieszacze z pompami w każdej szafce. Moje rozwiązanie jest drogie ale rujnacja tylko lokalna - wokół starych szafek . Nie wiem jaki jest układ pomieszczeń - może się okazać że dodanie rury będzie opłacalne,
mhosaja Opublikowano 12 Stycznia 2016 Autor #11 Opublikowano 12 Stycznia 2016 Dzwoniłem dzisiaj do Schlossera i twierdzą, że ich RTL będą działać przy pętlach o długości do 100mb. Myślicie, że to bez szans? Tonący brzytwy się chwyta...
Rekomendowane odpowiedzi
Zarchiwizowany
Ten temat przebywa obecnie w archiwum. Dodawanie nowych odpowiedzi zostało zablokowane.