Kamil2605 Opublikowano 8 Grudnia 2014 #1 Opublikowano 8 Grudnia 2014 Witam kupiłem stary dom do remontu i aktualnie jestem na etapie tworzenia instalacji co. Jestem laikiem więc mam kilka pytań. jest to dom 3 kondygnacyjny, chcę zrobić jeden pion w miedzi i odnogi do rozdzielaczy. a dalej alupex ale nie wiem jak dobrać średnice rur. wstawiam uproszczony schemat, proszę o konkretne wskazówki.
meping Opublikowano 8 Grudnia 2014 #2 Opublikowano 8 Grudnia 2014 Zapomniałeś o naczyniu przelewowym - bezpośrednio do wyjście a kotła. Poza tym chyba ujdzie.
KubaSko Opublikowano 8 Grudnia 2014 #3 Opublikowano 8 Grudnia 2014 żeby dobrać średnice rur podaj jaka moc idzie na każde piętro i parametry pracy grzejników (temp. zasilania, temp.powrotu). Jak będzie wyglądać podłogówka ? mieszacz? RTL ? pozdrawiam
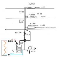
Kamil2605 Opublikowano 9 Grudnia 2014 Autor #4 Opublikowano 9 Grudnia 2014 Według moich wyliczeń w audytorze ozc na parter 5 100w , piętro 4 800w a poddasze 2 500w parametry pracy to 75/55. Podłogówka będzie na rozdzielaczu dwufunkcyjnym mieszającym 2 CO + 4 OP na parterze dwie sekcje w korytarzu jedna w kuchni i z tego samego mieszacza na piętro do łazienki. Piec będzie pracował w układzie zamkniętym. Zamontuję wężownicę zbiornik przeponowy i zawory bezpieczeństwa. Myślę jeszczę o zaworze czterodrogowym ale nie wiem czy mogę zamontować w układzie zamkniętym. Ale na razie jestem na etapie instalacji rurowej.
KubaSko Opublikowano 10 Grudnia 2014 #5 Opublikowano 10 Grudnia 2014 Ja bym to rozegrał jak na schemacie. Po lewej wersja oszczędna jeśli masz bliskie odcinki, jeśli trochę dalsze to wersja po prawej stronie. Zastanów się nad ochroną powrotu kotła i grzaniem cwu. Zawór czterodrogowy możesz zainstalować ale wtedy ten krótki obieg nie na Cu 28 tylko taka średnica jak wyjścia z kotła. A wogóle jaką moc ma kociołek? Pozdrawiam p.s. kolega Sambor dał przydatne narzędzie :) https://forum.info-ogrzewanie.pl/topic/16128-kalkulator-doboru-rur-i-obliczenia-spadku-cisnienia-w-rurach/
sambor Opublikowano 10 Grudnia 2014 #6 Opublikowano 10 Grudnia 2014 A gdzie naczynie przelewowe??? Kolega KubaSko rysował średnice to mógł dodać NP.
KubaSko Opublikowano 10 Grudnia 2014 #7 Opublikowano 10 Grudnia 2014 jak to?, na rysunku jest NP :) podobno ma być ukł. zamknięty. Brak na schemacie zaworu bezp. i wężownicy no i czterodroga.
Kamil2605 Opublikowano 10 Grudnia 2014 Autor #8 Opublikowano 10 Grudnia 2014 Panowie wrzucam jeszcze raz schemat wstawiam trochę lepszy opis do tego. Pieca jeszcze nie mam ale będę kupował najprawdopodobniej 15 kw. Oczywiście ma być układ zamknięty . Kolego KubaSko woda też będzie ogrzewana piecem dlatego będę kupował większy piec 15 kw. Zawory bezpieczeństwa i wężownica oczywiście będą zawór czterodrogowy też . Na obrazku zaznaczone są tylko rury bo jestem na etapie ich montażu. Czyli do czterodroga średnica taka jak w piecu za czterodrogiem 28 do rozdzielacza na parter i piętro a na poddasze redukcja na 22. Oczywiście podejścia do kolektorów 22 dobrze to zinterpretowałem ? A w którym miejscu mam podłączyć bojler na ciepłą wodę i jakimi rurami? Bojler będzie 300 litrów bo w przyszłości będzie jeszcze grzałka elektryczna zasilana z paneli fotowoltaicznych. Kolego KubaSko jest szansa że ta instalacja będzie działała grawitacyjnie?
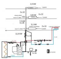
KubaSko Opublikowano 10 Grudnia 2014 #9 Opublikowano 10 Grudnia 2014 Witam, sporządziłem taki schemat (brak wężownicy). Tak jak piszesz licząc od kotła - śr wyjścia z kotła, czterodróg o średnicy wyj z kotła, pion fi 28, odejście na pierwszy rozdzielacz Cu 22, do góry Cu 22, odejście na drugi rozdzielacz Cu 22, do góry Cu 22 do rozdzielacza choć możesz i Cu 18 ale ja wolę większe średnice, mniejsze opory dla pompy. Ja bym na twoim miejscu rozważył jeszcze podłogówkę. Zrobiłbym na zaworze Afriso ATM plus pompa i to wszystko w kotłowni i dał osobny rozdzielacz z rotametrami na piętrze lub jeśli są to bardzo krótkie pętle to na rozdzielaczu grzejnikowym zawory RTL. Na grawitacji ci to nie będzie chodzić, może tylko jako zabezpieczenie przed gotowaniem jak ci prąd odetną. Miałem tak u mnie, czterodróg, później pompa na grzejniki z zaworem klapkowym i obok równolegle grupa na podłogówkę. Kotłownia na poziomie 0. Odcięli prąd, kocioł śmieciuch zasypany :)zawór czterodrogowy został na 50 %, powolutku mi szło na piętro grawitacyjnie, grzejniki grzały, na kotle 90 ale się nie zagotował, z tym że ja jeszcze mam bojler dwupłaszczowy na grawitacji bez pompy i też trochę ciepła odebrał :) ale o grzaniu w ten sposób zapomnij. Dlatego ten róznicowy wywal. Pozdrawiam
Kamil2605 Opublikowano 12 Grudnia 2014 Autor #10 Opublikowano 12 Grudnia 2014 Na piętro nie idzie za mała średnica? Nie lepiej by było jak bym na parter i piętro zrobił rurę 28 a dopiero na poddasze 22? Trochę jest grzejników na tym piętrze. A co do podlogówki to chyba jednak zrobię na zaworze afriso ale zastanawiam się jak to zrobić do końca bo będę chciał założyć czujniki temp. I jak będzie pracowała pompa jeżeli wszystkie głowice się zamkną a nie będę miał tego komputerka który wyłączy mi pompke z podlogówki.
KubaSko Opublikowano 12 Grudnia 2014 #11 Opublikowano 12 Grudnia 2014 Za mała? Na piętro z kotłowni idzie ci 28 i aż do następnego piętra też 28. Tam trójnik 28x22 i od góry w trójnik redukcja 28x22 i rurą 22 na poddasze. Elektrozawory na podłogówkę ja bym sobie odpuścił. Ale jeśli już je chcesz założyć to do czegoś je musisz podpiąć (listwa do podłogówki). A takie listwy są takie mądre że ci wyłączą pompę jak zamkną wszystkie zawory :)
Kamil2605 Opublikowano 13 Grudnia 2014 Autor #12 Opublikowano 13 Grudnia 2014 Jest ok. Myślałem że już na piętro ma być zredukowana rura na 22 ale jest dobrze. Co do podłogówki to myślałem żeby wszystkie pętle miały czujniki z ekektrozaworem na magistrali a jeden czujnik w najzimniejszym pomieszczeniu wyłączał by pompe? co myślisz o takim rozwiązaniu bo bez sensu żeby podłogówka cały czas grzała mimo że temp w pomieszczeniu będzie osiągnięta.
sambor Opublikowano 13 Grudnia 2014 #13 Opublikowano 13 Grudnia 2014 Co do podłogówki to myślałem żeby wszystkie pętle miały czujniki z ekektrozaworem na magistrali A gdzie by te czujniki miały być umieszczone? Nie wyważaj otwartych drzwi, tylko poszukaj na forum gotowych rozwiazań.
KubaSko Opublikowano 14 Grudnia 2014 #14 Opublikowano 14 Grudnia 2014 Z tego co napisałeś podłogówki będą: 1) dwie sekcje korytarz parter 2) jedna sekcja łazienka parter 3) jedna sekcja łazienka piętro W sumie nie są to pomieszczenia stałego pobytu. Sterowanie elektrozaworem nie jest dobrym rozwiązaniem ze względu na dużą bezwładność podłogówki i jeżeli już - to ma sens w pomieszczeniach stałego pobytu (sypialnia, salon). W twoim przypadku jeżeli już chcesz tym płynnie sterować to dałbym trójdróg z siłownikiem sterowanym pogodowo według krzywej grzewczej w ten sposób nie przegrzejesz żadnego z pomieszczeń, a i koszta będą podobne (siłownik plus sterownik wyjdzie taniej niż listwa podłogowa i 4 szt elektrozaworów i 3 szt czujników temp. do pomieszczeń). Zresztą łazienki projektuje się na 24 stopni co trudno będzie przegrzać :)
Kamil2605 Opublikowano 15 Grudnia 2014 Autor #15 Opublikowano 15 Grudnia 2014 Wszystko się zgadza tylko że na parterze nie łazienka a kuchnia z jadalnią będzie ogrzewana podłogówką. Jeżeli nie zastosuje elektrozaworów to czy pompa się wyłączy przynajmniej na chwilę? co w tym momenie steruje podłogówką ? Chodzi mi o to że podłogówka ma swoją bezwładność i boje się żę temperatura w pomieszczeniu będzie osiągnięta a podłogówka dalej będzie grzała co jest mało ekonomiczne Dlaczego pompa jest na tłoczeniu za czterodrogiem a nie na powrocie na piec?
KubaSko Opublikowano 15 Grudnia 2014 #16 Opublikowano 15 Grudnia 2014 Faktycznie mój błąd, źle przeczytałem. W tym przypadku podłogówką steruje siłownik zaworu trójdrogowego i jego sterownik. Rozstaw rur, temperaturę projektową, prędkość przepływu dobiera się do zapotrzebowania cieplnego danego pomieszczenia. Czyli np. twoja kuchnia potrzebuje 1000W aby temp. w kuchni wynosiła 20 stopni dla temp. zewn. -20. Aby uzyskać te 1000 W rozkładasz rurę według obliczeń które zawierają temperaturę projektową czyli np.45/35, rozstaw rury i przepływ w L/min. Na podstawie tych parametrów wiesz że jak puścisz w podłogę 45 stopni, przy rozstawie rury np. 15 cm i jej długości .... , oraz ustawieniu przepływu na rotametrze np. 2 L/min uzyskasz 1000 W. I teraz w sterowniku do którego podpięty jest trójdróg wprowadzasz daną krzywą grzewczą. Sterownik mierzy temp. na zewnątrz i już sam sobie oblicza jaką ma puścić temp. w podłogę aby w domu było np. 20 stopni. Np. jak na zewnątrz jest -20 to puszcza 45 stopni w podłogę, jak 0 to np. 30 stopni itd. Na tym polega ekonomia, układ pracuje płynnie, sam dostosowuje się do warunków. Dlaczego tak się upierasz na wyłączenie pompy podłogówki? Najlepiej jest jak pompa chodzi non stop a podłogówka jest regulowana jakościowo (j/w). Pompa c.o. jest za czterodrogiem ponieważ tłoczy wodę z kotła na grzejniki i równocześnie zasysa sobie wodę powrotną z instalacji (lub nie, zależy od położenia zaworu). W tym wypadku obieg grzejnikowy jest obiegiem pompowym, a krótki obieg kotłowy grawitacyjnym dlatego takie duże średnice. Czterodróg ma ten minus że każda zmiana jego położenia wpływa na temp. zarówno obiegu grzejnikowego jak i kotłowego. Lepszym rozwiązaniem jest trójdróg na grzejniki i pompa kotłowa (bardziej stabilna praca kotła) albo po prostu pompa kotłowa, a na grzejniki termostaty.
Kamil2605 Opublikowano 17 Grudnia 2014 Autor #17 Opublikowano 17 Grudnia 2014 Możesz mi jeszcze powiedzieć jak wygląda regulacja podlogówki jeśli z tego samego rozdzielacza jedna sekcja będzie w łazience w której będzie mi zależało na temp. 24' a reszta sekcji to będzie 21' . Im więcej czytam na temat instalacji grzewczej i rozwiązań jakie się stosuje tym większy mam mętlik w głowie. Pytasz dlaczego upieram się przy tym żeby pompa się wyłączyła. Jak by nie patrzeć 3 pompy które chodzą bez przerwy co daje spore zużycie prądu. Ale widzę że chyba lepiej jak jest sterowanie jakościowe a nie ilościowe . Mówisz że czterodrug jest gorszy . To jak byś wykonał instalacje dla siebie żeby działa ona prawidłowo .
kiminero Opublikowano 17 Grudnia 2014 #18 Opublikowano 17 Grudnia 2014 W łazienkach należy zagęścić pętle grzewczą, by była ona dłuższa, ale to zależy od temp zasilania podłogi. Nie powinno się przesadzać z ostateczną temperaturą powierzchni płytki, bo to i niezdrowe i prowadzi do wysuszania syfonów brodzików, wanien czy stojących na płycie kompaktów WC. W łazienkach o małej powierzchni podłogi (części grzewczej) najlepiej domontować grzejnik łazienkowy, tzw. drabinkę. Nie tylko będzie dbał o właściwą temperaturę, ale z powodzeniem posłuży jako suszarka ręczników czy małego prania.
KubaSko Opublikowano 17 Grudnia 2014 #19 Opublikowano 17 Grudnia 2014 Regulacja dla łazienek wygląda tak jak napisał kolega kiminero. Zresztą wynika to tak jak pisałem wcześniej z projektu podłogówki który zawiera rozstaw (długość) pętli w danych pomieszczeniach. Jeśli masz podłogówkę dobraną na "oko" i jest ona już wykonana to zawsze możesz ją doregulować rotametrami (prędkość przepływu). W ten sposób wpływasz na jej moc grzewczą (albo ją zmniejszasz albo zwiększasz). Jakbym u siebie robił to dałbym 3-dróg na podłogówkę, 3-dróg na grzejniki i pompę kotłową. Można bez 3-droga na grzejniki ale stabilniej kocioł pracuje na regulacji jakościowej (nie ma takich wahań temp. czynnika grzewczego). Jak to się mówi kocioł sobie powolutku "pyka" bez wytrącania go z równowagi :) I pexy też oszczędzisz bo jakby nie było 3 droga na grzejniki a na kotle trzymałbyś 70 stopni to i w pexa pójdzie 70 a jak wiadomo im niższa temperatura pracy pexa tym dłuższa jego żywotność. A co do pompek to możesz kupić energooszczędne np. Grundfos Alpha. Na zasobnik możesz dać zwykłą np. UPS. Pozdrawiam p.s. schemat nadal nie zawiera ważnej rzeczy - wężownica lub zawór dbv-1
Kamil2605 Opublikowano 26 Lutego 2015 Autor #20 Opublikowano 26 Lutego 2015 Witam , mam do tego schematu jeszcze jedno pytanie odnośnie podłogówki. Na parterze będę miał rozdzielacz do podłogówki z parteru oprócz tego chciałbym wyprowadzić podłogówkę w łazience na piętrze 3m wyżej. Nie będzie takiej sytuacji że będzie mi się ona zapowietrzała ? Co myślicie żeby zrobić podłogówkę na piętrze na rtl-u? Układ centralnego jest zamknięty
KubaSko Opublikowano 26 Lutego 2015 #21 Opublikowano 26 Lutego 2015 Jeśli masz możliwość to puść z rozdzielacza podłogówki. Dwie rurki które wyjdą na piętro zakończ trójnikami powyżej poziomu posadzki. U góry trójników daj odpowietrzniki a boczne odnogi to twoja podłogówka w łazience. Ja zwykle chowam to w rozdzielaczu grzejnikowym na piętrze, jeśli nie masz takiej możliwości to schowaj to w jakiejś szafeczce podtynkowej.
Kamil2605 Opublikowano 26 Lutego 2015 Autor #22 Opublikowano 26 Lutego 2015 Dzięki mam miejsce w rozdzielaczu więc tam to połącze. Jak byś mógł mi jeszcze doradzić odnośnie liczenia podłogówki. przy rozstawie co 15 cm powinno się założyć że na m2 wychodzi 70 w ?Jak do tego podejść bo nie umię sobie z tym poradzić. Jeśli w kuchni mam 14 m2 powierzchni grzewczej to zrobić to na dwóch pętlach czy jednej? Pytam bo mam dwa korytarze po 5 m2 i 5 m2 powierzchni grzewczej w łazience a czytałem że mają być w miarę równe długości pętli grzewczych. I co jeśli powierzchnia przy założeniu co 15 cm jest niewystarczająca do uzyskania wymaganych watów brakuje np 50 wat.
KubaSko Opublikowano 26 Lutego 2015 #23 Opublikowano 26 Lutego 2015 hmm akurat w tej kwestii potrzeba znacznie więcej danych, trzeba by policzyć zapotrzebowanie tych pomieszczeń na ciepło (ilość okien, ile ścian zewnętrznych, jakie docieplenie, wysokość pomieszczeń, powierzchnia pomieszczeń, powierzchnia podłogi przeznaczonej na podłogówkę). Jak 14m2 i rozstaw co 15 to wyjdzie ok 90 mb rury to lepiej to podzielić na dwie pętle po 45 mb. W łazience jak pokryjesz 5m2 z rozstawem 10 cm to wyjdzie 50 mb, korytarz 5m2 rozstaw 20 cm - 25 mb, tu nie uwzględniam długości przyłącza. Dąży się do mniej więcej równych pętli ale nie zawsze jest to możliwe w takim przypadku dławimy na rotametrze zbyt duży przepływ. Przeważnie w nowych budynkach na łazienkę wychodzi rozstaw co 10cm i lekki deficyt który trzeba uzupełnić drabinką, w korytarzach co 20 cm, kuchnia co 15 lub jeśli dużą część zajmuje zabudowa to co 10 cm. Odnośnie ostatniego pytania to jeśli dana pętla nie jest wstanie pokryć zapotrzebowania to należy uzupełnić to grzejnikiem. Pozdrawiam. Orientacyjna moc podłogówki, ilość rury itp. masz od str.44 w załączniku Ogrzewanie podłogowe z rur wielowarstwowych - KISAN.pdf
Rekomendowane odpowiedzi
Zarchiwizowany
Ten temat przebywa obecnie w archiwum. Dodawanie nowych odpowiedzi zostało zablokowane.