KubaSko Opublikowano 8 Grudnia 2014 #1 Opublikowano 8 Grudnia 2014 Zamieściłem ten post w innym temacie (przeróbki wadliwie wykonanych instalacji) ale tam robi się małe zamieszanie więc postanowiłem napisać nowy temat. Mam przerobić błędnie wykonaną instalację. Podstawowe błędy jakie ja widzę to: - obejścia pomp zainstalowane tak że zawory różnicowe są w poziomie - nieprawidłowy montaż naczynia wzbiorczego, przez co trzeba często dopuszczać wodę do układu, nie mówiąc o bezpieczeństwie - źle zamontowany zawór mieszjący do podłogówki ( w zasadzie nigdy zaworu tego typu nie instalowałem, zawór Herz Calis z głowicą z kapilarą), proszę o pomoc czy ktoś mógłby mi wytłumaczyć zasadę jego działania i prawidłowe podłączenie), zamieściłem schemat proponowany przez firmę Herz, rozważam też przerobienie tego tak że wstawię termostatyczny zawór mieszający afriso ATM 343 i osobną pompę. Problemem dla mnie jest poprowadzenie rury bezpieczeństwa do kominka ponieważ wiąże się to z kompletną demolką zabudowy kominka, myślę nad pozostawieniem kominka tak jak jest na schemacie z prawej strony z tym że bez rury bezpieczeństwa i chwilowym zakazu jego używania do czasu zamontowania go poprawnie ( inwestor chce go na wiosnę wymienić na inny i wtedy będzie okazja do tej przeróbki). Proszę o ewentualne porady. Pozdrawiam
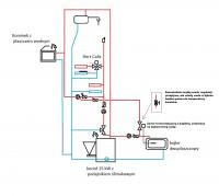
KubaSko Opublikowano 8 Grudnia 2014 Autor #2 Opublikowano 8 Grudnia 2014 To może inaczej. Czy mogę tak podłączyć naczynie wzbiorcze ?
KubaSko Opublikowano 9 Grudnia 2014 Autor #3 Opublikowano 9 Grudnia 2014 nikt nie łączył dwóch źródeł ciepła w ukł. otwartym ??
sambor Opublikowano 9 Grudnia 2014 #4 Opublikowano 9 Grudnia 2014 Możesz nawet 5 źródeł połączyć do jednego wspólnego naczynia przelewowego, ale bezpośrednio i oddzielnymi rurami - twoja propozycja z postu #2 jest zła.
KubaSko Opublikowano 9 Grudnia 2014 Autor #5 Opublikowano 9 Grudnia 2014 o to mi chodziło :) dzięki Sambor jak zwykle można na ciebie liczyć :) mam taką propozycję jak na schemacie
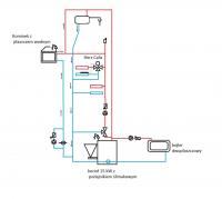
kiminero Opublikowano 9 Grudnia 2014 #6 Opublikowano 9 Grudnia 2014 mam taką propozycję jak na schemacie Obawiam się, że praca pompy kominka może wybrać sobie "łatwiejszą " drogę: Lepiej będzie z pompą kominka na zasileniu oraz wpięta niżej (większe ciśnienie napływu):
majschi Opublikowano 9 Grudnia 2014 #7 Opublikowano 9 Grudnia 2014 Można też wykorzystać pompy które już są
majschi Opublikowano 9 Grudnia 2014 #8 Opublikowano 9 Grudnia 2014 Lepiej będzie z pompą kominka na zasileniu oraz wpięta niżej (większe ciśnienie napływu): post-4.jpg Niestety ten schemat nie uwzględnia ogrzewania CWU kominkiem
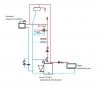
KubaSko Opublikowano 10 Grudnia 2014 Autor #9 Opublikowano 10 Grudnia 2014 Dziękuję wszystkim za pomoc. Najbardziej mi odpowiada propozycja Kiminero. Na grzaniu cwu z kominka i tak mi nie zależy, nie wiem dlaczego klient zrobił sobie taką krzywdę i zamontował kominek z płaszczem i kocioł na paliwo stałe, w końcu to tak naprawdę te same źródła ciepła :) A gdybym troszkę uprościł ten schemat, tak aby jak najmniej demolki wprowadzić w domu. Załączam schemat. Pozdrawiam
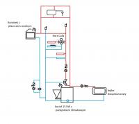
Gość Digitrax Opublikowano 10 Grudnia 2014 #10 Opublikowano 10 Grudnia 2014 Źle, w przypadku dwóch źródeł ciepła do naczynia otwartego muszą być doprowadzone osobne rury bezpieczeństwa (od góry) i jedna wspólna rur wznośna do powrotu od dołu.
KubaSko Opublikowano 10 Grudnia 2014 Autor #11 Opublikowano 10 Grudnia 2014 Dziękuję za szybką odpowiedź. Czyli robię według schematu kolegi Kiminero. Pozdrawiam
kiminero Opublikowano 10 Grudnia 2014 #12 Opublikowano 10 Grudnia 2014 Można i z grzaniem CWU, najlepiej bez dodatkowych pomp tak jak niżej. Ważne jest właściwe umiejscowienie zaworów zwrotnych.
Rekomendowane odpowiedzi
Zarchiwizowany
Ten temat przebywa obecnie w archiwum. Dodawanie nowych odpowiedzi zostało zablokowane.