IGNOROWANY
		
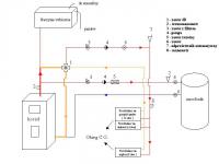
			Instalacja C.o. I C.w.u Ostatnie Namaszczenie
- Odpowiedz w tym temacie
- Ignoruj ten temat
- Czy wyłączyć ignorowanie tego tematu?
- Dodaj nowy temat
- 
Ostatnio przeglądający 0 użytkowników- Brak zarejestrowanych użytkowników przeglądających tę stronę.
 
- 
Podobna zawartość- 
					
					- 7 odpowiedzi
- 519 wyświetleń
 
- 
					
					- 8 odpowiedzi
- 293 wyświetleń
 
- 
					
					- 0 odpowiedzi
- 149 wyświetleń
 
- 
					Dolewanie Wody Do C.oPrzez Piotr1977, - 20 odpowiedzi
- 153650 wyświetleń
 
- 
					Modernizacja instalacji grzewczej Piec gazowy kondensacyjny jednofunkcyjny + ogrzewanie podłogowe + dogrzewanie elektryczne c.o.Przez Kamillot, - 2 odpowiedzi
- 426 wyświetleń
 
 
- 
					
					

 
	 
	 
	
Rekomendowane odpowiedzi
Dołącz do dyskusji
Możesz dodać zawartość już teraz a zarejestrować się później. Jeśli posiadasz już konto, zaloguj się aby dodać zawartość za jego pomocą.
Uwaga: Twój wpis zanim będzie widoczny, będzie wymagał zatwierdzenia moderatora.