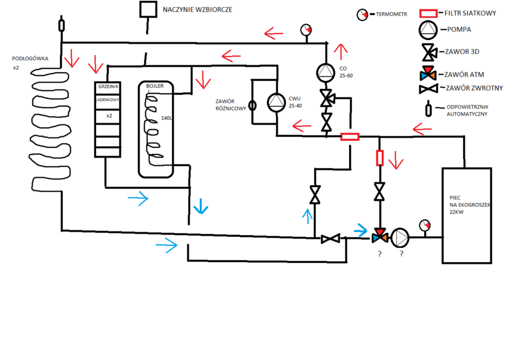
Sidi666 Opublikowano 11 Września 2019 Autor #26 Opublikowano 11 Września 2019 Przeczytałem masę tematów i chyba co nieco mi się przejaśnia z działaniem instalacji. Wybór padł na pompę kotłową, zamiast 4D. Zostanie 3D + siłownik + sterownik. 1 - W poradnikach producentów piszą, żeby dać pompę za zaworem temperaturowym (czyli na powrocie tuz przy piecu), natomiast w wielu schematach jest ona wrysowywana przed (na tym bypasie) - jak powinno być prawidłowo? 2 - O jakim przepływie pompę zastosować? Taka samą jak do CO - 25-60? Czy jeżeli przed zaworem na bypasie to starczy jakaś mała? 3 - Jaki zamontować zawór temperaturowy na obiegu kotłowym? 1 cal wystarczy? O jakim przepływie? Regulowany czy o stałej temp minimalnej - np 45st.C. Na kotle zadana temp. mam 55st.C. 4 - Czy taki schemat będzie dobry? Nie wiem co zrobić z naczyniem wzbiorczym - ktoś mi poradził wymiennik płytowy i zbiornik w kotłowi. Zda to egzamin? Może są inne metody?
KubaSko Opublikowano 11 Września 2019 #27 Opublikowano 11 Września 2019 teraz to już przeholowałeś ze schematem :) tu masz taką sytuację jak u ciebie
sambor Opublikowano 11 Września 2019 #28 Opublikowano 11 Września 2019 Bzdura z tym schematem!, miałeś podany dobry, zaczełeś paprać i co wyszło - g....no
KubaSko Opublikowano 11 Września 2019 #29 Opublikowano 11 Września 2019 tak by to musiało wyglądać na zaw 3d. Kotłowa 25-40 i za nią zawór np. taki https://foxhurt.pl/armatura-zawor-parowy-skosny-3-4-zeliwny
Sidi666 Opublikowano 12 Września 2019 Autor #30 Opublikowano 12 Września 2019 Dziękuję za porady. Już się tłumaczę z tego bzdurnego schematu - obejście z różnicowym wrysowałem, bo mi szwagier mówił, że to w razie braku prądu potrzebne. Rozumiem, że do likwidacji. Wzbiorcze narysowałem tak jak jest - tego nie mam możliwości zmienić, co najwyżej w kotłowni nad piecem dołożę jakiś zawór bezpieczeństwa. Co do obiegu kotłowego to poszedłem za radą filmu instruktażowego producenta zaworów ATM, bo pomyślałem, że coś mi musi tej temperatury powrotu pilnować (czyli zawór temperaturowy np. 45st.C). W schemacie z zaworem ręcznym, który podał KubaSko, nie będzie mi się ta temp. rozjeżdżać jak teraz za zaworem 3D? Zwiększy się powrót z podłogi, bo mi siłowniki otworzą jakies zimne pętle i temp. powrotu poleci w dół. Chyba, że przepływy na tej małej pętli na to nie pozwolą i się po prostu mylę :) Takie coś jest złym pomysłem: https://www.esbe.eu/pl/pl-pl/produkty/produkty-dla-instalacji-na-paliwo-stale/vtc500 ?
KubaSko Opublikowano 12 Września 2019 #31 Opublikowano 12 Września 2019 Jaka grawitacja jak podajnik nie bedzie podawał przy braku prądu :) zawor vtc moze byc ale wtedy musisz dolozyc sprzęgło. Czy to zawor 4d z pompa kotlowa czy 3d z pompa kotlowa powrot nie bedzie idealnie trzymal temperature ale bedzie w granicach normy. Ogolnie przy samej podlogowce jak u ciebie i kotle 22 kW powinien byc bufor chociaz maleńki bo ekogroch to nie jest kondensat ze ci bedzie stabilnie pracowal na takiej instalacji. Projektant ciamajda dał ciała
Rekomendowane odpowiedzi
Zarchiwizowany
Ten temat przebywa obecnie w archiwum. Dodawanie nowych odpowiedzi zostało zablokowane.