spooknienty Opublikowano 27 Stycznia 2019 #1 Opublikowano 27 Stycznia 2019 Witam. Posiadam instalacje (jak w temacie) zrobioną przez partaczu (rys pierwszy), zasilaną przez kocioł pelletowy i ogólnie same są z nią problemy (bezsensowna, niebezpieczna, szkoda gadać). Jak budowałem dom to nie zwróciłem uwagi, ktoś to robi więc się zna. Chciałbym to przerobić możliwie niskim kosztem aby było jak należy. Mój pomysł wygląda jak na rys 2 ale mam kilka pytań żeby znów ktoś nie zrobił mi w domu bomby. 1. Czy układ z zaworem temperaturowym na ochronę powrotu może być, czy lepiej wymiennik (wtedy raczej na pewno muszę dokupić kolejną pompę do podłogówki, więc pewnie lepiej zawór mieszkający 3d i zmiana rozdzielacza - strasznie dużo pieniążków się robi). 2. Rozumiem że naczynie wzbiorcze na strychu jest totalnie bez sensu więc trzeba będzie przeponowe zainstalować, pytanie tylko gdzie? Czy nadal zostawić gdzieś zawór bezpieczeństwa? 3. Czy jeżeli pompa obiegowa CO jest na powrocie to do układu podłogówki wystarczy pompa wbudowana w mieszacz? I czy mieszacz może być wpięty jako pierwszy odbiornik? Pozdrawiam Łukasz
sambor Opublikowano 27 Stycznia 2019 #2 Opublikowano 27 Stycznia 2019 Też bez sensu, weź na spokojnie przeglądnij kilka tematów z kotłem na pellet i zobaczysz co jak powinno być. Ja byłbym za układem otwartym
spooknienty Opublikowano 27 Stycznia 2019 Autor #3 Opublikowano 27 Stycznia 2019 Układ otwarty raczej nie wchodzi już w grę gdyż rury są puszczone od rozdzielacza na poddaszu za zaworem 4D a nie wyobrażam sobie ściągać paneli, pruć stropy, ściany itp Jedyna rura, którą można by wykorzystać to przelew (bo ma ujście w kotłowni) ale to raczej nic nie da... Generalnie teraz wiem mniej więcej jak to powinno wyglądać, ale to wymagało by stworzenia całej kotłowni od nowa, więc staram się zrobić tak żeby było jak najmniej robót, oprócz hydrauliki. A co jest źle w drugim układzie?
Gość Digitrax Opublikowano 27 Stycznia 2019 #4 Opublikowano 27 Stycznia 2019 Pozostaje wykonać instalację na wymienniku.
spooknienty Opublikowano 27 Stycznia 2019 Autor #5 Opublikowano 27 Stycznia 2019 Czyli będzie trzeba dokupić jeszcze 2pompy, wymiennik oraz zawór ochrony powrotu? Wtedy równie dobrze mogę pozbyć się rozdzielacza z mieszaczem pompowym i zamontować dwa zwykłe... Czy mogę wtedy podpiąć dwa rozdzielacze na kaloryfery (parter i poddasze) do jednej pompy?
sambor Opublikowano 27 Stycznia 2019 #6 Opublikowano 27 Stycznia 2019 5 minut temu, spooknienty napisał: A co jest źle w drugim układzie? Praktycznie wszystko: żle wpięty rozdzielacza 2 w 1 tece źle wpięte grzanie CW zaw 3-D 45C jest bez sensu brak zabezpieczeń kotła i naczynia przeponowego - pod warunkiem ze producent dopuszcza kocioł w zamkniętym układzie pracy Przy wymienniku nie jest potrzebny zaw ochrony powrotu.
Gość Digitrax Opublikowano 27 Stycznia 2019 #7 Opublikowano 27 Stycznia 2019 Niedawno coś podobnego dla klienta robiłem. Instalację na budynku już posiadał i "jedynie" kotłownię trzeba było poskładać. kamil.pdf
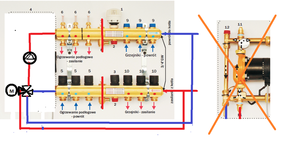
gmaj22 Opublikowano 27 Stycznia 2019 #8 Opublikowano 27 Stycznia 2019 Z rozdzielaczem 2w1 jest ten problem, że musi on być "zasilany" obiegiem pompowym o temperaturze wyższej o co najmniej 20C niż temperatura podłogówki. Czyli bezpośrednio z obiegu za 4D albo grzejnikowego.
Gość Digitrax Opublikowano 27 Stycznia 2019 #9 Opublikowano 27 Stycznia 2019 Sprawdza się przysłowie "co jest do wszystkiego to jest do niczego".
gmaj22 Opublikowano 27 Stycznia 2019 #10 Opublikowano 27 Stycznia 2019 Ciężko to wyregulować, bo tam jeszcze ciśnienie dyspozycyjne na rozdzielaczu jest istotne. Nie może być za duże - jest tam specjalna wkładka z zaworem. Ale masz rację - to jest jak z oponami wielosezonowymi.
Gość Digitrax Opublikowano 27 Stycznia 2019 #11 Opublikowano 27 Stycznia 2019 Autor tematu wspomniał, że może się pozbyć rozdzielacza 2 w 1 i zainstalować normalne. Ja bym tak zrobił.
zaworek Opublikowano 27 Stycznia 2019 #12 Opublikowano 27 Stycznia 2019 27 minut temu, Digitrax napisał: Niedawno coś podobnego dla klienta robiłem. Instalację na budynku już posiadał i "jedynie" kotłownię trzeba było poskładać. kamil.pdf I pompy zasysają z wymiennika płytowego po stronie wtórnej)a powinny do niego tłoczyć
Gość Digitrax Opublikowano 27 Stycznia 2019 #13 Opublikowano 27 Stycznia 2019 Zauważ, że po stronie wtórnej masz układ ciśnieniowy gdzie zjawisko kawitacji przed pompą jest znikome.
spooknienty Opublikowano 27 Stycznia 2019 Autor #14 Opublikowano 27 Stycznia 2019 Z tymi oponami to akurat w naszych warunkach nie takie oczywiste. Rozdzielacza się pozbędę jeśli będzie trzeba, on teraz jest za zaworem 4D, ale to kompletnie nie zdaje egzaminu. Kocioł daje powiedzmy 60st, na kaloryfery potrzebuję max 45st (z zaworu 4d) Finał jest taki że albo mam zbyt gorące kaloryfery, albo zimną podłogę i w obu przypadkach zbyt zimny powrót. Założenia mojego schematu polegały na tym by ocalić jak najwięcej tego co istnieje. Stąd pompa na powrocie wraz z zaworem temp afriso (nie ma żadnej ochrony przed skokami ciśnienia bo w punkcie 2pytaam gdzie one się powinny znaleźć), mieszacz tece brał by wodę bezpośrednio z kotła bo potrzebuje dużej temp (byłby też w układzie pompowym bo pompa jest na powrocie) cwu można rzeczywiście wpiąć wcześniej i przed ochroną powrotu. A zawór 4d z petlą na grzejniki bo po prostu już go mam, wraz z słownikiem i mógłby mi regulować temp ale z wyłączoną funkcją ochrony powrotu. Teraz jednak widzę że to grubszy temat i musi zaczekać do lata. Jakieś sugestie co do marki wymiennika?
gmaj22 Opublikowano 27 Stycznia 2019 #15 Opublikowano 27 Stycznia 2019 40 minut temu, Digitrax napisał: Autor tematu wspomniał, że może się pozbyć rozdzielacza 2 w 1 i zainstalować normalne. Ja bym tak zrobił. To już spory koszt. Można "odciąć" zaworami we wkładkach części rozdzielacza grzejnikową oraz podłogową. Trzeba jedynie podłączyć dodatkowe zasilanie od strony mieszacza pompowego. wtedy to zadziała jak dwa oddzielne rozdzielacze. W zasadzie to dobrze byłoby zostawić samą pompę, tylko dodać mieszacz 4D z siłownikiem. Głowica #1 oczywiście jest wtedy zbędna. Wada takiego rozwiązania: dwie pompy w szeregu. PS: edycja-zmiana 3D na 4D.
zaworek Opublikowano 27 Stycznia 2019 #16 Opublikowano 27 Stycznia 2019 16 minut temu, Digitrax napisał: Zauważ, że po stronie wtórnej masz układ ciśnieniowy gdzie zjawisko kawitacji przed pompą jest znikome. No trak mnie szlafi z tymi dwoma obiegami za wymiennikiem płytowym;)Jak to się ma do wypowiedzi kol.Sambora?
gmaj22 Opublikowano 27 Stycznia 2019 #17 Opublikowano 27 Stycznia 2019 Nie trafi jak dasz sprzęgło między wymiennik płytowy a obiegi mieszaczy :)
zaworek Opublikowano 27 Stycznia 2019 #18 Opublikowano 27 Stycznia 2019 Dzięki gmaj )Dzięki twojej wypowiedzi może nie trafi)
Gość Digitrax Opublikowano 27 Stycznia 2019 #19 Opublikowano 27 Stycznia 2019 Jak dasz sprzęgło pomiędzy wymiennik a obwody to trzeba dać kolejną pompę między sprzęgłem a wymiennikiem ;P Dając pompy na zasilaniu trzeba dobrać wymiennik tak aby po stronie wtórnej były jak najmniejsze opory przepływu. Ja wykorzystuje wymienniki z calowymi przyłączami a często widzę nawet na półcalowych. Rury pomiędzy mieszaczami a wymiennikiem to minimum 28.
spooknienty Opublikowano 27 Stycznia 2019 Autor #20 Opublikowano 27 Stycznia 2019 Ale mi kocioł (dobrze że chociaż z niego jestem zadowolony) zrobiliście w głowie;p Skoro już i tak wybebeszamy całą kotłownie to jaka opcja będzie najlepsza? I jednocześnie nie pozwoli mi utonąć w długach;] A może jest ktoś chętny na taką przebudowę z wielkopolski;)? Kocioł (a raczej jego elektronika) może obsłużyć do 3ch mieszaczy i chyba 4 pompy do co, dodatkowo osobno pompę do cwu wraz z cyrkulacją. Dziękuję za podpowiedź, ale przeróbka tego mieszacza chyba mija się z celem. Może uda się go pchnąć na allegro za rozsądne pieniądze i wtedy starczy na rozdzielacz, pompę i zawór 3d. Może sprzęgło hydrauliczne? Ja już nic nie wiem;/
zaworek Opublikowano 27 Stycznia 2019 #21 Opublikowano 27 Stycznia 2019 Masz dwie opcje albo na wymienniku płytowym albo w układzie zamkniętym(zał.)Na grzejniki nie musi być 3D ale zawory termostatyczne tak.Brakuje zaworów zwrotnych za pompami.Inna lokalizacja ZZ przy zaw.3D
spooknienty Opublikowano 27 Stycznia 2019 Autor #22 Opublikowano 27 Stycznia 2019 Ok, czyli na wymienniku płytowym naczynie wzbiorcze na strychu jest konieczne. Ale czy będzie działać jeżeli jego zasilanie będzie wpięte za zaworem 3d? Tak zostało to wykonane i albo zostanie, albo całkiem wylot (jak już pisałem prucie ścian i stropów nie wchodzi w rachubę). Chyba jednak zostanę przy sprzęgle hydraulicznym. Do zakupienia będą dwie pompy, sprzęgło, zawór 3d i zawór temperaturowy, dwa rozdzielacze oraz grupa bezpieczeństwa. Resztę mam. Zawór 4D i wynalazek z tece wylądują na allegro.
Gość Digitrax Opublikowano 27 Stycznia 2019 #23 Opublikowano 27 Stycznia 2019 Pomiędzy kotłem a naczyniem nie ma prawa być żadnej armatury, zaworów filtrów pomp. Na rysunku jaki dodałem dokładnie to widać. Naczynie możesz zainstalować nawet metr nad kotłem.
Rekomendowane odpowiedzi
Zarchiwizowany
Ten temat przebywa obecnie w archiwum. Dodawanie nowych odpowiedzi zostało zablokowane.