zuch80 Opublikowano 10 Stycznia 2019 #1 Opublikowano 10 Stycznia 2019 Witam trochę poczytałem, trochę wiem trochę może coś doradzicie:) to tak mam dom z lat 30 rozbudowa 60 14x6m cześć domu bliźniak z innym (na dłuższym boku polowa) cały ocieplony główne ściany wełna 15 (w zeszłym roku wykonane), mniejsza ściana północna wełna 10 i część balkonowa styropianem 15 (nie pytajcie dlaczego tak - robione na raty przez poprzednich właścicieli część przeze mnie) dach plaski ocieplny styropianem 10 plus piwnica nie ocieplona jeszcze (planuje ocieplenie fundamentów XPS z zewn) ocieplenie podłogi w piwnicy raczej mało prawdopodobne (wysokość 1,9m) wiec trzebaby było kopać (może kiedyś), ocieplenie stropu nad piwnicy w najbliższej przyszłości, okna nowe oknoplast 2szybowe, drzwi wejściowe nowe drewniane. obecnie pale 10 letnim zebcem kwkd 22 kw + pompka wilo yanos + zbiorni CWu (stary) 150l w lato ciepla woda z podgrzewacza gazowego Termet - dopóki główne ściany nie były ocieplone to jeszcze jakoś dało sie wytrzymać teraz to masakra przewymiarowany z 2 razy myślę, więcej niz 50 na piecu nie mogę mieć bo zaraz sauna w domu przy tych temp na zewn grzejniki piętro nowe kermi z termostatami i na rurkach miedzianych, parter stare płytowe stalowe grzejniki (do wymiany w najbliższym czasie) dodatkowo w lazience (6m2) podlogowka na rtl + grzejnik drabinkowy z moich wyliczeń wychodzi ze suma mocy grzejników (mam wszystkie rozpisane ale nie będę tu wrzucał żeby nie zaśmiecać) - 19kW chce zamontować piec gazowy go co i cwu z tego co wyczytałem to dla mnie najlepiej 1f + zasobnik wody (3 osoby) może być w piwnicy gdzie obecnie jest wilgoć ok 60 -65% (nie wiem jak będzie po ociepleniu fundamentów) dostęp do komina tam jest - rurka w piwnicy zaślepiona jest z gazem myślałem żeby stary piec zostawić w dobrym stanie jest (w razie extra mrozów lub innych sytuacji przełączyć na zwykły piec) czy warto? teraz schodzi mi ok 4 tony węgla orzech - kopalnie mam obok siebie wiec ok 3 tys zł na rok + gaz lato CWU w domu mieszka starsza osoba z nami wiec zależałoby mi na sterowaniu zdalnym, harmonogramach itp itd teraz jakiej firmy kociołek, najlepiej dostępny serwis okolice tychy/oświęcim - może ktoś z forumowiczów z okolicy zajmuje sie instalacjami coś doradzi na miejscu (w późniejszym czasie zamontuje) jeszcze wstawiłem swoje dane (na ile się to da ze względu na zróżnicowanie bryły budynku, rózne grubości ociepleń, itp itd) ale wychodzi tak http://cieplowlasciwie.pl/wynik/515n - tam wychodzi że gazówka wyjdzie dużo więcej -ale i tak najbardziej zależy mi na komforcie często nas w domu nie ma
teres Opublikowano 15 Stycznia 2019 #2 Opublikowano 15 Stycznia 2019 Na taką prostą instalację dałbym Termeta Ecocondens Gold Plus + czujnik temperatury zewnętrznej. Do tego sterownik bezprzewodowy Salus.
zuch80 Opublikowano 15 Lipca 2019 Autor #3 Opublikowano 15 Lipca 2019 Witam ponownie trochę czasu minęło a że przed każdą inwestycja lubię temat zgłębić bardziej trochę poczytałem i mam kilka pytań nie wiem dlaczego ale link do CW z poprzedniego postu nie do mojego wyliczenia podaje właściwy http://cieplowlasciwie.pl/wynik/4fu0 Teres dzięki za podpowiedź w sprawie doboru kotła wybór padnie na ten model :) co do sterownika dlaczego salus a nie dedykowany z Termeta? czy w tym Termet Gold jest możliwość sterowanie z neta? Sterownik ten Salus czy może jakiś dedykowany Termeta? jak już pisałem mam zamiar zostawić stary węglowy piec i teraz pytanie bo instalator proponuje oddzielić instalacje od siebie poprzez wymiennik na gazówce czytałem że to jednak zmniejszy sprawność kotła a to jak nie patrzeć dodatkowe zł na gazie, myślałem wymiennik dać na węglowy (sporadycznie będzie używany) a gazówkę puścić na starą instalację (wcześniej ją zamykając) czy dobrze kombinuje? czy przed uruchomieniem czyszczenie instalacji konieczne czy wystarczy przed kotłem gazowym dobry filtr odmulnikowy magnesowy? (jakiej firmy polecacie?) będę instalował nowy zbiornik CWU czy zastosować z jedną wężownica czy z dwoma jak podane linki i podpiąć weglowy do 2 w razie używania pieca węglowego? czy darować sobie i zbiornik z jedną wężownicą (https://www.poseidon-laziska.pl/galmet-26-2090-wymiennik-biwalentne-z-dwiema-wezownicami-spiralnymi-do-kolektorow-slonecznych-i-sieci-co-200-l-p8766 lub https://hydrotermo.pl/wymiennik-sww-300-l-z-2-wezownicami-spiralnymi-na-dole-pion.html) czy do tego zbiornika wystarczy piec termet gold 20 kW - według strony CW wychodzi ze potrzebuje zbiornik CWU 90l i "Jakiej mocy kotła potrzebuje budynek-14kW to niezbędna łączna moc grzewcza (C.O. + CWU)" na forum znalazłem schemat jak w załączniku czy to dobrze poukładane? jak mogę zasterować kotłem gazowym aby się wył/wł w przypadku palenia w piecu węglowym?
sambor Opublikowano 15 Lipca 2019 #4 Opublikowano 15 Lipca 2019 ten schemat jest zły Jak dwa źródła ciepła to zasobnik CW powinien mieć dwie wężownice.
zuch80 Opublikowano 15 Lipca 2019 Autor #5 Opublikowano 15 Lipca 2019 a co w nim źle jeśli mogę zapytać? No tak właśnie myślałem zbiornik CWU 2 wężownice - piec 20 kW uciągnie zbiornik 200l i grzanie domu nie będą za duże przerwy grzania domu?
sambor Opublikowano 15 Lipca 2019 #6 Opublikowano 15 Lipca 2019 Jak nie zbyt dużych strat ciepła to kocioł 20kW bez problemu "pociągnie" zasobnik 200l, Natomiast ten schemat jest cały zły. Szukaj schematu z kotłem gazowym bez takich "bajerów" i dopiero do niego przez wymiennik dodaj drugi kocioł. Tu masz schemat prawidłowy, ale bojler jest tylko na 1 obieg grzewczy, przy dwóch wężownicach nie ma problemu z adaptacją tego schematu
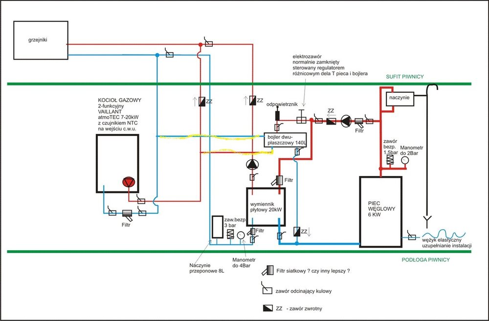
zuch80 Opublikowano 15 Lipca 2019 Autor #7 Opublikowano 15 Lipca 2019 1 godzinę temu, sambor napisał: Jak nie zbyt dużych strat ciepła to kocioł 20kW bez problemu "pociągnie" zasobnik 200l, Natomiast ten schemat jest cały zły. Szukaj schematu z kotłem gazowym bez takich "bajerów" i dopiero do niego przez wymiennik dodaj drugi kocioł. a taki schemat ? czy dalej przebajerzony? czy w razie awarii zasilania piec CO "przepchnie" przez wymiennik na grawitacji ?
zuch80 Opublikowano 15 Lipca 2019 Autor #8 Opublikowano 15 Lipca 2019 ok teraz widzę ze dodałeś schemat - dzięki bardzo czyli tak jak rozrysowane plus zasilanie i powrót z zbiornika do kotla gazowego 1-f - na żółto czy w razie awarii zasilania piec CO pociagnie na grawitacji przez wymiennik? jakiej firmy wymienniki polecacie?
sambor Opublikowano 15 Lipca 2019 #9 Opublikowano 15 Lipca 2019 Kotły gazowe 1f mają wbudowany zaw 3-D przełączający na grzanie CW- czyli te żółte rury wprost do kotła gazowego, oczywiście kocioł jest -1F , a nie 2F tak jak na twoim rys. Pompa musi pchać wodę na wymiennik a nie ciągnąć przez niego - czyli dopiero ten ostatni rys jest prawidłowy Grawitacyjnie woda przez wymiennik na pewno nie pójdzie - są za duże opory przepływu. Naczynie przelewowe min 0,5m nad bojlerem. Po stronie kotła gazowego naczynie przeponowe , powinno być na powrocie przed kotłem gazowym, podobnie jak ZB- 2,5bar a nie 3 bary i ew manometr Potrzebne też jest miejsce napełnienia i spustu wody z inst za wymiennikiem.
teres Opublikowano 17 Lipca 2019 #10 Opublikowano 17 Lipca 2019 W dniu 15.07.2019 o 10:51, zuch80 napisał: Witam ponownie trochę czasu minęło a że przed każdą inwestycja lubię temat zgłębić bardziej trochę poczytałem i mam kilka pytań nie wiem dlaczego ale link do CW z poprzedniego postu nie do mojego wyliczenia podaje właściwy http://cieplowlasciwie.pl/wynik/4fu0 Teres dzięki za podpowiedź w sprawie doboru kotła wybór padnie na ten model :) co do sterownika dlaczego salus a nie dedykowany z Termeta? czy w tym Termet Gold jest możliwość sterowanie z neta? Sterownik ten Salus czy może jakiś dedykowany Termeta? Zapytaj w Techu czy ich sterownik Open Therm gada z Termetem. W dniu 15.07.2019 o 10:51, zuch80 napisał: jak już pisałem mam zamiar zostawić stary węglowy piec i teraz pytanie bo instalator proponuje oddzielić instalacje od siebie poprzez wymiennik na gazówce czytałem że to jednak zmniejszy sprawność kotła a to jak nie patrzeć dodatkowe zł na gazie, myślałem wymiennik dać na węglowy (sporadycznie będzie używany) a gazówkę puścić na starą instalację (wcześniej ją zamykając) czy dobrze kombinuje? czy przed uruchomieniem czyszczenie instalacji konieczne czy wystarczy przed kotłem gazowym dobry filtr odmulnikowy magnesowy? (jakiej firmy polecacie?) Ja bym tam wrzucił jakiś separator zanieczyszczeń np. Caleffi, Ferdom, Flamco W dniu 15.07.2019 o 10:51, zuch80 napisał: będę instalował nowy zbiornik CWU czy zastosować z jedną wężownica czy z dwoma jak podane linki i podpiąć weglowy do 2 w razie używania pieca węglowego? czy darować sobie i zbiornik z jedną wężownicą (https://www.poseidon-laziska.pl/galmet-26-2090-wymiennik-biwalentne-z-dwiema-wezownicami-spiralnymi-do-kolektorow-slonecznych-i-sieci-co-200-l-p8766 lub https://hydrotermo.pl/wymiennik-sww-300-l-z-2-wezownicami-spiralnymi-na-dole-pion.html) czy do tego zbiornika wystarczy piec termet gold 20 kW - według strony CW wychodzi ze potrzebuje zbiornik CWU 90l i "Jakiej mocy kotła potrzebuje budynek-14kW to niezbędna łączna moc grzewcza (C.O. + CWU)" na forum znalazłem schemat jak w załączniku czy to dobrze poukładane? jak mogę zasterować kotłem gazowym aby się wył/wł w przypadku palenia w piecu węglowym? Może być ten schemat, tylko właśnie trzeba dorabiać sterowanie
zuch80 Opublikowano 19 Lipca 2019 Autor #11 Opublikowano 19 Lipca 2019 dzięki za odp; a jakiej firmy polecacie wymienniki do kotła węglowego 22kw (wymiennik 30kw ?) ze sterowaniem myślałem tak: obecnie mam pompkę na węglowym sterowana temp zostawię ja do obiegu piec -wymiennik - dołożyć pompkę do obiegu wymiennik - instalacja sterowna przez ten sam sterownik co 1 pompka instalacja piec gazowy pompka z pieca uciągnie instalacje? dobrze jakby jeszcze sterownik podawał temp jak węglowy zacznie palić do gazowego żeby się wyłączył - chyba żę gazowy jak dostanie temp na powrocie to sam się wygasi? jedyne co mnie martwi to że po ustaniu zasilania (a dość często to u mnie ) piec co zostaje tylko obieg piec - wymiennik co gwarantuje zagrzanie wody i przez naczynie przelewowe wywali zastanawiam się czy nie zmienić koncepcji na mniej ekonomiczna i piec gazowy przez wymiennik resztę zostawić zobaczyć jak koszty i po sezonie jeśli się okaże że rozwiązanie jednak nieekonomiczne to całkowicie wywalić węglowy (dużo kombinowania takie rozwiązanie piec co i gazowy razem - )
teres Opublikowano 25 Lipca 2019 #12 Opublikowano 25 Lipca 2019 W dniu 19.07.2019 o 10:39, zuch80 napisał: dzięki za odp; a jakiej firmy polecacie wymienniki do kotła węglowego 22kw (wymiennik 30kw ?) Secespol W dniu 19.07.2019 o 10:39, zuch80 napisał: ze sterowaniem myślałem tak: obecnie mam pompkę na węglowym sterowana temp zostawię ja do obiegu piec -wymiennik - dołożyć pompkę do obiegu wymiennik - instalacja sterowna przez ten sam sterownik co 1 pompka instalacja piec gazowy pompka z pieca uciągnie instalacje? Na 99% tak W dniu 19.07.2019 o 10:39, zuch80 napisał: dobrze jakby jeszcze sterownik podawał temp jak węglowy zacznie palić do gazowego żeby się wyłączył - chyba żę gazowy jak dostanie temp na powrocie to sam się wygasi? Sam się wyłączy W dniu 19.07.2019 o 10:39, zuch80 napisał: jedyne co mnie martwi to że po ustaniu zasilania (a dość często to u mnie ) piec co zostaje tylko obieg piec - wymiennik co gwarantuje zagrzanie wody i przez naczynie przelewowe wywali No tak się niestety stanie. Nie myślałeś o kupnie UPSa do tego celu? W dniu 19.07.2019 o 10:39, zuch80 napisał: zastanawiam się czy nie zmienić koncepcji na mniej ekonomiczna i piec gazowy przez wymiennik resztę zostawić zobaczyć jak koszty i po sezonie jeśli się okaże że rozwiązanie jednak nieekonomiczne to całkowicie wywalić węglowy (dużo kombinowania takie rozwiązanie piec co i gazowy razem - ) Zła koncepcja, węglowy przez wymiennik w układzie otwartym, gazowy w zamkniętym.
zuch80 Opublikowano 27 Lipca 2019 Autor #13 Opublikowano 27 Lipca 2019 W dniu 25.07.2019 o 21:09, teres napisał: No tak się niestety stanie. Nie myślałeś o kupnie UPSa do tego celu? Zła koncepcja, węglowy przez wymiennik w układzie otwartym, gazowy w zamkniętym. Jaki to by musiał UPS być ile by pociągnał bez zasilania? to wiem że to najlepsze rozwiązanie - ale wiąże sie z: - płukaniem całej instalacji po 40 latach używania kopciucha (koszt dodtakowy 2 tyś zł, - dużą przeróbkę instalacji (następny koszt), puszczenie gazowego przez wymiennik odbędzie się praktycznie bez kosztownych zmian w instalacji - i chyba tak spróbuje i zobaczę jak to śmiga przez sezon - później zadecyduje co dalej - wiem pomieszane to wzssytko; wiem sam sobie utrudniam zostawiając stary piec ale różnie w życiu bywa
sambor Opublikowano 27 Lipca 2019 #14 Opublikowano 27 Lipca 2019 22 minuty temu, zuch80 napisał: Jaki to by musiał UPS być ile by pociągnał bez zasilania? Tutaj są dwie sprawy - moc UPS-a równa mocy pobieranej przez kocioł/ sterownik/ pompy dla takiego kotła co masz to UPS 300VA wystarczy, ale on ma krótki - do 30min czas podtrzymania. Potrzebna jest przetwornica z podtrzymaniem awaryjnym zewnętrzną baterią - wtedy to i nawet 5-8h pociągnie, zależnie od pojemności aku.
zuch80 Opublikowano 27 Lipca 2019 Autor #15 Opublikowano 27 Lipca 2019 UPS to dodatkowy koszt - rozmawiałem z instalatorem i najprościej będzie gazówkę przez wymiennik w mojej instalacji (dołożenie wymiennika tylko) (świadomy nie najlepszego rozwiązania) i zobaczyć jak instalacja będzie się sprawowała (koszty itp itd) instalacja tak jak na ostatnim schemacie z tym że po stronie pieca gazowego?
zuch80 Opublikowano 19 Listopada 2019 Autor #16 Opublikowano 19 Listopada 2019 ok instalacja podpięta moje pytanie czy wymiennik prawidłowo podpięty? kocioł termet gold plus 20 kw wymiennik SECESPOL LB31- 30 wymiennik podpięty pod kocioł gazowy czekam na obudowę izolacyjną
Rekomendowane odpowiedzi
Zarchiwizowany
Ten temat przebywa obecnie w archiwum. Dodawanie nowych odpowiedzi zostało zablokowane.