adi593 Opublikowano 7 Grudnia 2018 Autor #51 Opublikowano 7 Grudnia 2018 Chodzi mi o stabilizowaną włóknem szklanym. Czyli daje na oba rozdzielacze tą 32. Ogólnie to nie będzie docelowy piec, jednak aż takim problemem będzie utrzymać w nim temperaturę w miarę odpowiednią? Jeśli chodzi o piec gazowy to będzie on prawdopodobnie dopiero na następny sezon ale mimo wszystko i tak nie chciałbym rezygnować z tego pieca, ogólnie instalacja już była w tym domu tylko że z grzejnikami, i co prawda problemu nie było. Tylko że instalacja była mniej rozbudowana.
odpowietrznik Opublikowano 7 Grudnia 2018 #52 Opublikowano 7 Grudnia 2018 A doczytałem że ty nie masz jeszcze gazu to zmienia postać rzeczy.Im instalacja bardziej rozbudowana tym lepiej dla twojej klitki)Jak będziesz miał gaz to daję sobie rękę uciąć że nawet nie spojrzysz na śmieciucha)
adi593 Opublikowano 7 Grudnia 2018 Autor #53 Opublikowano 7 Grudnia 2018 No jeszcze nie mam ogólnie Ale docelowo chce mieć, jednak narazie nie mamy takiej możliwości. A że ten piec był to chce to wykorzystać na pewien okres Ale jednak nie chce z niego później rezygnować dlatego chciałbym żeby to jak najlepiej działało. Za co z góry dziękuję za dorady i pomoc Panowie/Panie
adi593 Opublikowano 12 Grudnia 2018 Autor #54 Opublikowano 12 Grudnia 2018 Panowie jeszcze mam takie pytanie odnośnie grup pompowych przy podłogówce. Mianowicie znalazłem że występują dwa rodzaje: jeden z zaworem termostatycznym trójdrożnym a drugi z zaworem termostatycznym z kapilarą (ale zawór jest jedynie na zasilaniu tylko). Czy to ma znaczenie który? Poniżej załączam zdjęcie jeśli chodzi o zawór termostayczny z kapilarą.
odpowietrznik Opublikowano 12 Grudnia 2018 #55 Opublikowano 12 Grudnia 2018 To rozwiązanie z kapilarą sobie odpuść
adi593 Opublikowano 12 Grudnia 2018 Autor #56 Opublikowano 12 Grudnia 2018 Okej, czyli nie było pytania :) Powiedz mi jeszcze jeśli możesz na jakie pompy zwracać uwagę (chodzi mi też o modele) oprócz alpha 1 i alpha2 i pomp firmy LFP? Na podłogówkę oraz na część pierwotną chciałem zastosować Alpha1, a na grzejniki i całą część wtórną Alpha2. Ale czy są powiedzmy jakieś zamienniki tych pomp które są powiedzmy o mniejszym budżecie ale też nie są złe? Czy po prostu nie kombinować bo to będzie bez awaryjne? Czy może ogólnie jeszcze inne zastosować pompy bo aż takie nie muszą być? A co powiedzie na Pompę LFP EPCO jak bym zastosował na podłogówke i na cześć od pieca??
adi593 Opublikowano 13 Grudnia 2018 Autor #57 Opublikowano 13 Grudnia 2018 Panowie mam jeszcze jedno pytanie, z pieca wychodzi mi rura 2 calowa, jednak na flanszy która jest dostępna jedynie z gwintem 1 i 1/2 cala. i za tym stosować odrazu rurę miedzianą 28mm? Czy może zrobić stronę pierwotną na rurze stalowej półtora calowej?
odpowietrznik Opublikowano 13 Grudnia 2018 #58 Opublikowano 13 Grudnia 2018 Na zasilaniu i powrocie daj po dwa trójniki albo 2"x1" albo 6/4x1" do jednego z wyjść Cu 28 do wymiennika płytowego a z drugiego Cu 22 na bojler od góry red.np.2x1" czy 6/4x1"(zależy jakie będą trójniki) i rura do naczynia Cu 28 lub stal 1" kształtki czarne.nie ocynk.Do twojej instalacji powinny wystarczyć rury PP 25
adi593 Opublikowano 13 Grudnia 2018 Autor #59 Opublikowano 13 Grudnia 2018 Okej, a jeśli chciałbym zastosować jedną pompkę i zawór termostatyczny na boiler to wystarczy jeden trójnik 6/4x1" a za pompką dać znów trójnik i na boiler dać cu 22 a na na wymiennik 28, tak może być? Chodzi mi bardziej o zastosowanie jednej pompki z powodów kosztowych ponieważ po zamontowaniu gazu część pierwotna będzie używana dość sporadyczne (bardziej weekendowo jak będziemy w domu). Dlatego też dopytuje o popki ponieważ w części pierwotnej chciałbym zastosować dobrą pompkę ale nie musi być one mega energooszczędna bo tak jak mówiłem będzie ona używana jedynie rok czasu maksymalnie a później już sporadycznie. Chciałbym tylko żeby była bezawaryjana. Odnośnie pompek w częsci wtórnej w mojej hurtowni polecają mi Wilo yonos Pico 25/1-4. Jednak cały czas myślę co zakupić i sam już nie wiem...
odpowietrznik Opublikowano 13 Grudnia 2018 #60 Opublikowano 13 Grudnia 2018 A ileż kosztuje ten trójnik+nypel,pewnie na jednym też będzie .Wilo OK ale podejrzewam że cenowo porównywalne z Grudfosem ale jak lubisz zielony kolor)
adi593 Opublikowano 13 Grudnia 2018 Autor #61 Opublikowano 13 Grudnia 2018 Nie chodzi mi o koszty trójnik i nypla tylko, że podpoowiedałeś zastosowanie dwuch pompke w układzie pierowtnym a ja chciałbym zamienić to na jedną pompkę. Coś takiego jak na rysunku niżej, tylko pytanie czy to będzie miało sens? A doradzisz jaką pompkę zastosować w układzie pierwotnym? Też się pchać w tego grundfosa albo Wilo czy może jest coś zamiennego (a co za tym idzie alternatywnie tańszego). Co do rur to do rozdzielacza podłogówki dałem już PP Stabi Glass 32 i za wymiennikiem chciałem wyjść właśnie PP32 i dalej na trujniku dać na grzejniki PP 25 a na podłogówkę 32. ogólnie odcinki bedą wszystkich rur mega krótkie ponieważ moja kotłownia ma 2x1,3m :)
Gość Digitrax Opublikowano 13 Grudnia 2018 #62 Opublikowano 13 Grudnia 2018 1. za pompa w obiegu pierwotnym nie potrzeba zaworu zwrotnego. 2. pompa w obiegu pierwotnym to wystarczy Grundfosl Alpha 2 L 3. na zasilaniu wężownicy zbiornika CWU musi być zawór termostatyczny z kapilarą do max 55 stopni. 4. w obiegu wtórnym zamiast rur PP25 dałbym wszędzie PP32.
adi593 Opublikowano 13 Grudnia 2018 Autor #63 Opublikowano 13 Grudnia 2018 pk.2 - Odnośnie własnie tej pompy, jaki mogę zastosować zamiennik tak jak pisałem? Nie musi być koniecznie mega energooszczędny, chodzi mi o coś tańszego, czy odradzacie kombinowanie w ten sposób? pk3. Własnie taki zawór chce zastosować o zwiększonym przepływie na 3/4 cala pk4. Ogólnie narazie jestem przez zakupem pompek wiec jeszcze mogę zmienić na większy przekrój.
Gość Digitrax Opublikowano 13 Grudnia 2018 #64 Opublikowano 13 Grudnia 2018 pkt. 2 - tanie mięso psy jedzą, chcesz mieć spokój na lata kup grundfosa pkt. 3 - wystarczy zawór 1/2 cala - mam taki u siebie i ogrzewa bez problemu zbiornik 400 litrów przez dwie wężownice połączone szeregowo pkt. 4 - większy przekrój nie zaszkodzi a nawet często ratuje sytuacje, w druga stronę to już tak łatwo nie jest
adi593 Opublikowano 13 Grudnia 2018 Autor #65 Opublikowano 13 Grudnia 2018 Panowie a czy za zaworem termostatycznym przy bojlerze mogę już zastosować rurę PP Stabi glass? Tylko czy przekrój 25 czy może 32? (załączam zdjęcie co mam na myśli)
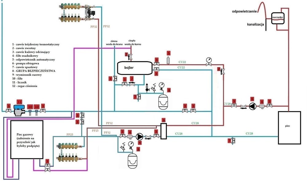
adi593 Opublikowano 5 Stycznia 2019 Autor #66 Opublikowano 5 Stycznia 2019 Panowie mam takie pytanko jeszcze odnośnie części wtórnej. Bo odwiedził mnie kolega taty i zaproponował mi zamontowanie takiego jak by rozdzielacza (rura z kwasowki 50c o średnicy 100mm z 4 krućcami) na wyjściu z wymiennika i do jednego kroćca wpiąć sie zasilaniem rozdzielacza, drugiegi dać zasilanie podlogówki, trzeciegi pompę od grzejników A czwarty zostawić później żeby podpiąć się piecem gazowym. Mówił coś na temat żeby to zastosować żeby pompy miały odpowiednią ilość przepływów i żeby się nie klóciły tak jak by między sobą. I tak zastanawiam się czy brać w to rozwiązanie bo musiałbym wykonać ten rozdzielacz (mini bufor ciepła) czy zostać przy pierwotnym pomyśle jako zastosowaniu pompy żeby wtłaczała do wymiennika a na wyjściu z zasilania dać trójnik i jeden na grzejniki A drugi na podlogowke. I teraz zastanawiam się czy tak robić bo rozumiem że później po zastosowaniu pieca gazowego musiałbym używać 3 pomp a chciałem później zredukować to do dwóch: jedna w piecu i druga podlogowka. A wymiennik i pompę odciąć zawodami żeby piec gazowy tego nie ogrzewal i nie pchał wody tam.
adi593 Opublikowano 7 Stycznia 2019 Autor #67 Opublikowano 7 Stycznia 2019 Zamieszczam zdjęciep(pominąłem grupę bezpieczeństwa oraz zbiornik przeponowy na powrocie, ale chodziło mi głownie o ten rozdzielacz zasilania) co miałem na myśli opisując powyższy post:
Rekomendowane odpowiedzi
Zarchiwizowany
Ten temat przebywa obecnie w archiwum. Dodawanie nowych odpowiedzi zostało zablokowane.