adi593 Opublikowano 4 Grudnia 2018 Autor #26 Opublikowano 4 Grudnia 2018 ogólnie rórki bedą mi wychodziły z sufitu w piwnicy i najprościej miałbym powiesić odwrotnie ale jak mam mieś problem to zamontuje dwa kolanka
Gość Digitrax Opublikowano 4 Grudnia 2018 #27 Opublikowano 4 Grudnia 2018 Nie Nie Nie. Rozdzielacz ma być na tej kondygnacji gdzie ma być ogrzewana podłoga. Jeżeli rurki będą schodzić bezpośrednio do piwnicy to będzie występował problem z zapowietrzaniem obiegu. Jeżeli tak bardzo chcesz mieć rozdzielacz w piwnicy to na powrocie każdej pętli OP musisz zainstalować trójnik z odpowietrznikiem na poziomie wyższym niż ogrzewana podłoga.
adi593 Opublikowano 5 Grudnia 2018 Autor #28 Opublikowano 5 Grudnia 2018 Kurcze łudziłem się że jednak będzie mogło być wszystko w piwnicy jednak jak ma być z tym problem to zamontuje go w jednym z pomieszczeń i tyle. Panowie doradzicie mi jakich pomp użyć do tego centralnego? Myślałem nad Grundfos Alfa 2 L do podłogówki ale nie wiem jakiej użyć w obwodzie pierwotnym oraz jakiej do grzejników.
odpowietrznik Opublikowano 5 Grudnia 2018 #29 Opublikowano 5 Grudnia 2018 Nie ma już pomp Alpha 2L zastąpił je model Alpha 1L.Do grzejników jak z zaworami termostatycznymi to Grundfos Alpha 2 (bez literki L) czyli z funkcją Autoadapt.Musisz jeszcze zamontować naczynie przeponowe +ZB po stronie wtórnej wymiennika płytowego
adi593 Opublikowano 5 Grudnia 2018 Autor #30 Opublikowano 5 Grudnia 2018 A po stronie wtórnej może być zwykła bez autoadaptacji czy lepiej żeby tez była? A co do naczynia przeponowego to rozumiem że to może być zamontowane w każdym miejscu w obiegu, nie ma to większego znaczenia?
adi593 Opublikowano 5 Grudnia 2018 Autor #31 Opublikowano 5 Grudnia 2018 A co powiecie na pompy LFP? Warto zawracać sobie nimi głowę czy lepiej nie kombinować?
odpowietrznik Opublikowano 5 Grudnia 2018 #32 Opublikowano 5 Grudnia 2018 Pompy LFP są OK,warto sobie nimi głowę zawracać) Naczynie przeponowe przed pompą która tłoczy na wymiennik płytowy na powrocie
adi593 Opublikowano 6 Grudnia 2018 Autor #33 Opublikowano 6 Grudnia 2018 Panowie a średnica rury w części pierwotnej CU 28mm wystarczy?? Zaś w części wtórnej jak bym zastosował już PP STABI? Tylko jaką średnicę? 25 czy może lepiej 32?? Chodzi mi od wymiennika do rozdzielaczy
odpowietrznik Opublikowano 6 Grudnia 2018 #34 Opublikowano 6 Grudnia 2018 W pierwotnym Cu 28 wystarczy.Średnica rur do rozdzielacza danego obiegu zależy od mocy jaką musi "przenieść" ta rura i różnicy temp.pomiędzy zasilaniem a powrotem
adi593 Opublikowano 6 Grudnia 2018 Autor #35 Opublikowano 6 Grudnia 2018 A jak jestem w stanie to policzyć? Na całym domu mam rozprowadzone podłogowe, co tworzy mi łącznie 6 obwodów, do tego będzie jeden grzejnik w łazience oraz 2 grzejniki w piwnycy, dodatkowo rozprowadziłem instalacje pod grzejniki do każdego pomieszczenia tak na wszelki wypadek bo też są zalane już w posadzce. I jak mam teraz policzyć tą moc jaką bedą musiały przenieść te obwody albo cały rozdzielacz?
odpowietrznik Opublikowano 6 Grudnia 2018 #36 Opublikowano 6 Grudnia 2018 Powinny iść osobne rury do rozdzielacza OP i osobne do rozdzielacza grzejników.Do samego OP PP32 .Nie wiem jaka jest sumaryczna moc tych grzejników tym samym nie jestem w stanie dobrać rur do rozdzielacza grzejnikowego
adi593 Opublikowano 6 Grudnia 2018 Autor #37 Opublikowano 6 Grudnia 2018 Ogólnie jak napisałeś że rozdzielacz musi być na kondygnacji tam gdzie jest podłogówka więc z wymiennika puszczę rurą PP32 do rozdzielacza OP a następnie na trójniku dałbym powiedzmy do grzejników, tylko czy 25 czy też 32? Ogólnie grzejników nie mamy w planach zakładać, one mają być awaryjnie jeśli podłogówka nie zadziała albo nie ogarnie wszystkiego, grzejniki będą jedynie od samego początku w piwnicy i w łazience (łazienka ma około 4m2 a piwnica około 12m2)
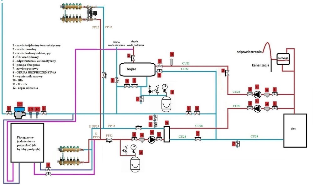
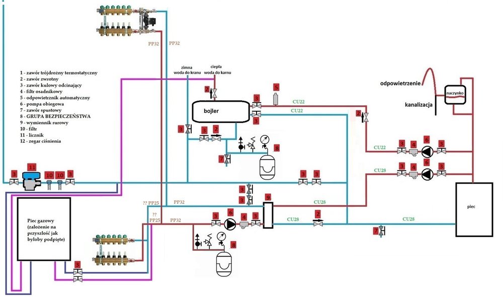
odpowietrznik Opublikowano 6 Grudnia 2018 #38 Opublikowano 6 Grudnia 2018 Filtry mają być przed pompami,za pompami równie dobrze może ich nie być.Brak zaworów zwrotnych po stronie wtórnej wymiennika a po stronie pierwotnej daj ZZ zaraz za pompami.Jak już chcesz koniecznie dać odpowietrznik w tej grupie bezp.po stronie wtórnej to ręczny nie automat.I zamień kolory rur po stronie wtórnej zasilanie/powrót,górna z wymiennika na czerwono,dolna na niebiesko
adi593 Opublikowano 6 Grudnia 2018 Autor #39 Opublikowano 6 Grudnia 2018 Zmieniłem miejsce filtrów oraz dołożyłem zawory zwrotne. A odnośnie odpowietrzników to rozumiem że w rozdzielaczu podłogówki tez muszą być odpowietrzniki ale manualne nie automatyczne?
odpowietrznik Opublikowano 6 Grudnia 2018 #40 Opublikowano 6 Grudnia 2018 Jak jest taka możliwość to rury do grzejników podłącz bliżej wymiennika płytowego aby wyeliminować odcinek wspólny rur do OP i grzejników.I brakuje termometrów.Naczynie musi być wyżej od bojlera o co najmniej 0,3m
adi593 Opublikowano 6 Grudnia 2018 Autor #41 Opublikowano 6 Grudnia 2018 Miejsce na pewno się znajdzie ponieważ dopiero najwcześniej po niedzieli będę się za to brał. Naniosłem kolejne poprawki, mam jeszcze pytanie, w obwodzie wtórnym rozumiem że tylko jeden zawór zwrotny za pompą zaraz czy dać jeszcze na powrocie z grzejników jeden? A Gdzie dołożyć termometry? Może być zamiast automatycznego odpowietrznika po stronie wtórnej w belce bezpieczeństwa?? A po stronie pierwotnej mam na pewno w piecu ale mogę dołożyć jeszcze jeden. Ogólnie naczynie będzie znajdowało się na klatce schodowej do piwnicy więc będzie na pewno więcej jak 0,3m od bojlera :)
odpowietrznik Opublikowano 6 Grudnia 2018 #42 Opublikowano 6 Grudnia 2018 Tylko ZZ za pompą.A ten ZZ na powrocie z podłogówki zamontowany jest w złym kierunku (ze strzałką do góry) nie pozwoli się wrócić wodzie do wymiennika płyt.Zlikwidowałem go na swoim schemacie to go znowu wpitoliłeś)
adi593 Opublikowano 6 Grudnia 2018 Autor #43 Opublikowano 6 Grudnia 2018 Poprawiłem :) usunąłem ZZ na powrocie podłogówki i na powrocie z wymiennika po stronie pierwotnej
odpowietrznik Opublikowano 6 Grudnia 2018 #44 Opublikowano 6 Grudnia 2018 A już pytałem ale nie otrzymałem odp.Jak będzie wyglądać "urządzenie"do obniżenia temp.na podłogę?
adi593 Opublikowano 6 Grudnia 2018 Autor #45 Opublikowano 6 Grudnia 2018 Mogłem nie zauważyć bo staram się na bieżąco odpowiadać. Ogólnie chce zastosować rozdzielacz wraz z grupo pompową z zaworem trójdrożnym termostatycznym Afriso ATM 20-43stopnie. A oddzielnie w późniejszym czasie chce zamontować na każde pomieszczenie termostaty pokojowe i żeby każdy sterował poszczególnym pomieszczeniem, a narazie będę starał się to uregulować na zwykłych termostatach. Zastanawiam się jeszcze nad zastosowaniem jednej pompy po stronie pierwotnej i do tego zastosowanie zaworu termostatycznego z kapilarą do bojlera. Czy wiele będę musiał przerabiać czy wystarczy usunięcie pompy jednej i podpięcie trójnika na wyjściu z pompy oraz za ZZ na bojler zastosowanie tego termostatu - czy dobrze kombinuje czy jednak nie da rady tak?
MikiQ Opublikowano 6 Grudnia 2018 #46 Opublikowano 6 Grudnia 2018 Do ogrzewania podlogowego lepiej zastosować zawór 3d z siłownie sterowanym pogodowo. Woda powinna cały czas krążyć w petlach tylko niech się zmienia jej temperatura. Wysłane z mojego HTC U12+ przy użyciu Tapatalka
adi593 Opublikowano 7 Grudnia 2018 Autor #47 Opublikowano 7 Grudnia 2018 Panowie wczoraj nasunęła mi się taka myśl odnośnie przekroju rury PP do podłogówki, czy te PP32 nie będzie później zbyt duże jeśli będzie już piec gazowy? To jest pytanie czysto teoretyczne - bo gdzieś czytałem kiedyś o piecach gazowych że one powinny mieć dość małe przekroje rurek. Ogólnie rozdzielacz podłogowy będzie znajdował się w odległości max. 2m (po długości rurek) od wymiennika.
odpowietrznik Opublikowano 7 Grudnia 2018 #48 Opublikowano 7 Grudnia 2018 Właściwie dla tak małej podłogi 45m2 wyszło mi moc grzewcza ok.2,5kW co daje przepływ 0,43m3/h przy różnicy temp.powrót/zasilanie 5K powinna wystarczyć rura PP zbrojona włóknem szklanym np.Faser Hakana o ściance 3,5mm.Tylko dla samej podłogówki bez grzejników.Przy obliczaniu średnicy rur nie bierze się pod uwagę źródła ciepła tylko parametry odbiorów czyli moc i temp.zasil.i powrotu tak że zapomnij o tym co czytałeś o kotłach gazowych i małych średnicach rur
adi593 Opublikowano 7 Grudnia 2018 Autor #49 Opublikowano 7 Grudnia 2018 Dzięki za odpowiedź i nakierowanie. Nie wiem czy dobrze patrzę ale pokazuje mi rurki o ściance 3,4mm to rura PP20, troszkę nie za mała średnica? Może zastosuje PP25 STABI do obu rozdzielaczy czy jednak pozostać przy pierwszym wyborze PP 32?
odpowietrznik Opublikowano 7 Grudnia 2018 #50 Opublikowano 7 Grudnia 2018 Jest kilka typów rur PP. Zwykłe mają grubszą ściankę czyli np.25 x4,2 albo stabilizowane włóknem szklanym 25x3,5 czy w końcu w z wkładką w środku tzw.np.V-Centro(tu musiałbym sprawdzić grubość ścianki) Dla doboru średnicy rur ważna jest jej średnica wewn. Jak zastosujesz rurę PP 32 to nic się nie stanie tylko większy koszt.Rura PP25 Stabi zależy czym stabi) lizowana Obawiam się że przy 45m2 do ogrzania każdy kocioł na paliwo stałe będzie przewymiarowany,mogą czekać cie problemy)chyba ze wybijesz wszystkie szyby w oknach;)albo wstawisz buforek)Na twoim miejscu od razu bym montował odpowiedni=z niską mocą minimalną kocioł gazowy
Rekomendowane odpowiedzi
Zarchiwizowany
Ten temat przebywa obecnie w archiwum. Dodawanie nowych odpowiedzi zostało zablokowane.