gregoriusr Opublikowano 12 Lipca 2018 #1 Opublikowano 12 Lipca 2018 Witam Mam instalację jak na załączonym schemacie. Wiem, że jest zrobiona niepoprawnie (miałem robić wymianę tych zaworów herz na trójdrożne z siłownikiem sterowane pogodowo) ale jakoś przepracowała dwa sezony. Teraz wreszcie przyszedł czas na poprawę. Będzie montowana powietrzna pompa ciepła Mitsubishi (dotacja z gminy). Jak to sensownie połączyć i przerobić aby działało prawidłowo. Monter, który przyjechał oglądać (co ma montować pompę) stwiedził, że na głównych wyjściach z kotła podepnie do sprzęgła czy jakoś tak. Ogólnie nie sprawił dobrego wrażenia. Z jego słów wywnioskowałem, że moje pompy mają zostać i napędzać całą instalację. Nie wiem czy go dobrze zrozumiałem, dlatego chciałbym wiedzieć jak to powinno wyglądać aby działało prawidłowo. Chciałbym aby istniejący kocioł pozostał jeszcze ze dwa sezony aż przekonam się do pompy ciepła czy wydoli na ogrzewanie. A zapomniał bym mają też montować bojler 300l.Pozdrawiam, Grzesiek.
Ksieciunio Opublikowano 13 Lipca 2018 #2 Opublikowano 13 Lipca 2018 Cytat Będzie montowana powietrzna pompa ciepła Mitsubishi (dotacja z gminy) Cytat Chciałbym aby istniejący kocioł pozostał jeszcze ze dwa sezony aż przekonam się do pompy ciepła czy wydoli na ogrzewanie Przy dotacji to raczej odpada by stary kocioł pozostał, chyba ze na czas montażu z dotacji zrobisz na samej pompie a później po podpisaniu dokumentów i odbiorze ktoś inny poprzez wymiennik podepnie Ci kocioł - ale to takie ryzykowne.
gregoriusr Opublikowano 13 Lipca 2018 Autor #3 Opublikowano 13 Lipca 2018 Witam Też tak myślałem bo przeczytałem gdzieś na forum, że nawet komin trzeba zamurować, ale nic takiego nie ma, może pozostać stary kocioł, jest tylko dopłata do wpięcia go do instalacji.
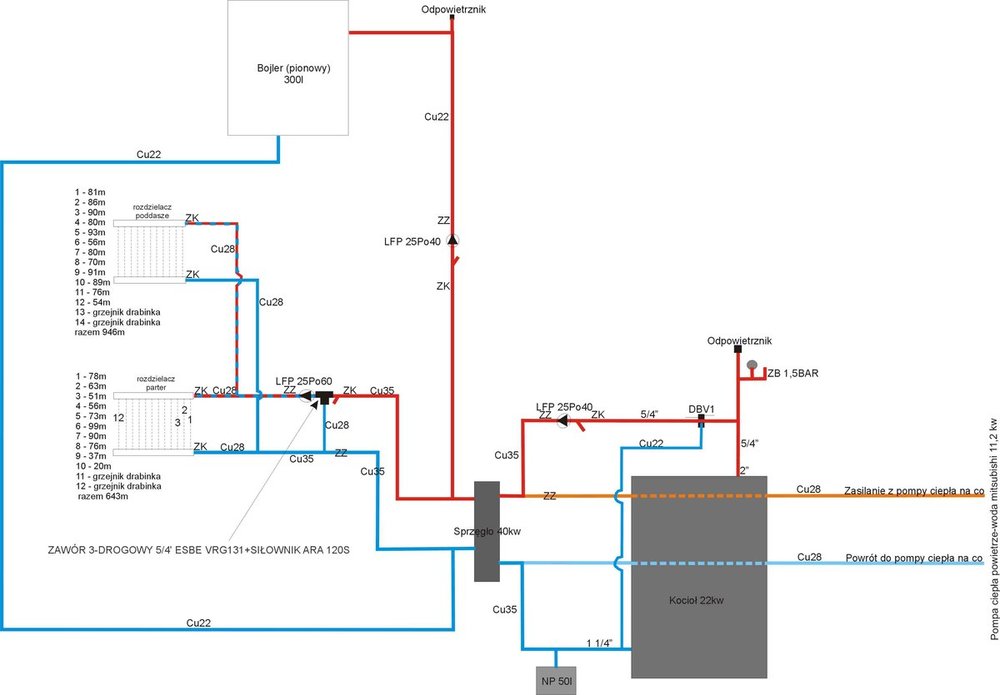
gregoriusr Opublikowano 23 Lipca 2018 Autor #4 Opublikowano 23 Lipca 2018 Witam Czy tak jak na załączonym schemacie będzie działało. Całą instalacją wtedy sterował by mój sterownik z czujnikiem pogodowym i czujnik do załączania pomp musiał bym umieścić w sprzęgle teraz jest na rurze zasilającej tuż przy wyjściu z kotła. Nie wiem też czy usytuowanie zaworów zwrotnych (zz) i kulowych (zk) odcinających dany obieg jest poprawne.
gregoriusr Opublikowano 23 Lipca 2018 Autor #5 Opublikowano 23 Lipca 2018 i jeszcze gdzie naczynie przeponowe najlepiej zamontować?
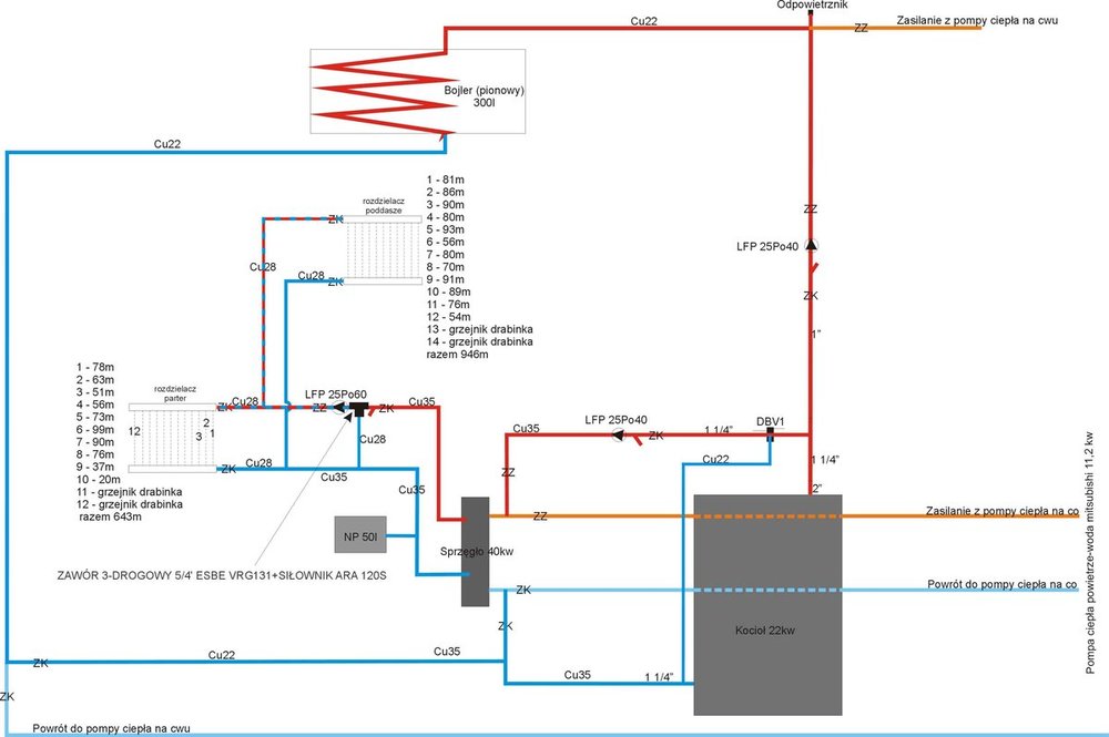
gregoriusr Opublikowano 24 Lipca 2018 Autor #6 Opublikowano 24 Lipca 2018 Troche źle mi się narysowało, zasilanie mam na górze belki a powrót na dole. Ponadto myślę, że większość czasu będzie instalacja pracować na pompie ciepła dlatego wykorzystałbym jej sterownik pogodowy a mój tylko do załączania pompy. Poprostu w sterowniku wyłączyłbym sterowanie siłownikiem bądź zdjąłbym go i otworzył maksymalnie zawór trójdrożny aby odnoga była zamknięta, żeby przepływala przez niego woda bez mieszania. Proszę o jakieś sugestie czy tak to będzie działać. Pozdrawiam.
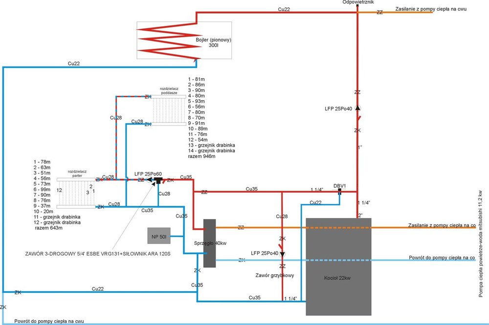
gregoriusr Opublikowano 30 Lipca 2018 Autor #8 Opublikowano 30 Lipca 2018 Teraz będzie chyba lepiej wpięcie kotła z pominięciem sprzęgła. Sprzęgło tylko do pompy ciepła.
Gość Digitrax Opublikowano 30 Lipca 2018 #9 Opublikowano 30 Lipca 2018 Na każdym schemacie jest ten sam błąd. Brak pompy na obiegu kocioł - sprzęgło. Obieg grzejników drabinkowych winien być osobno zasilany poprzez pompę bez zaworu 3D. W przypadku wykorzystania sprzęgła pompa kotłowa nie jest potrzebna. Oba źródła ciepła muszą zasilać sprzęgło. Wtedy też grzanie CWU musi być za sprzęgłem. Wszelkie przepływy muszą być za pomocą sprzęgła zrównoważone.
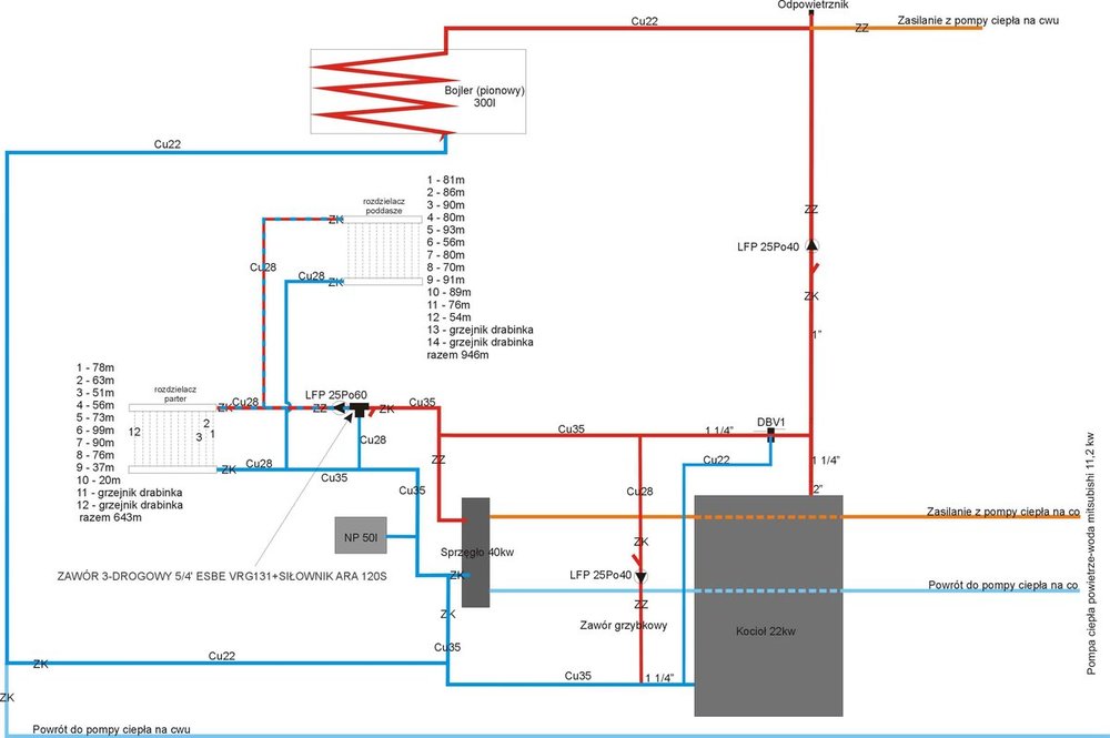
gregoriusr Opublikowano 30 Lipca 2018 Autor #10 Opublikowano 30 Lipca 2018 Dlatego też na ostatnim schemacie wpiąłem się za sprzęgłem z pominięciem go. Chodzi mi o to aby w obiegu kotłowym nie używać sprzęgła. A w obiegu pompy ciepła sprzęgło zasilane jest z pompy znajdującej się w pompie ciepła a cwu zrobiłem poza sprzęgłem bo nie chodzi to razem, najpierw pompa ciepła grzeje cwu a gdy zagrzeje przełącza się na co i zasila sprzęgło. Generalnie sprzęgło dałem tylko po to aby oddzielić pompy od siebie (w pc i w instalacji) A może lepiej PC wpiąć się gdzieś za zaworem 3d i obieg kotłowy odcinać zaworami kulowymi.
gregoriusr Opublikowano 30 Lipca 2018 Autor #11 Opublikowano 30 Lipca 2018 albo tak jak by miało być sprzęgło wykorzystane. Nie chcę wpinać obiegu cwu za sprzęgło bo wtedy wszystkim musiałby sterować mój obecny sterownik a pompa ciepła musiała by chodzić cały czas na wysokich temperaturach. Ten sterownik co mam nie komunikuje się z PC. Czy źle rozumuję.
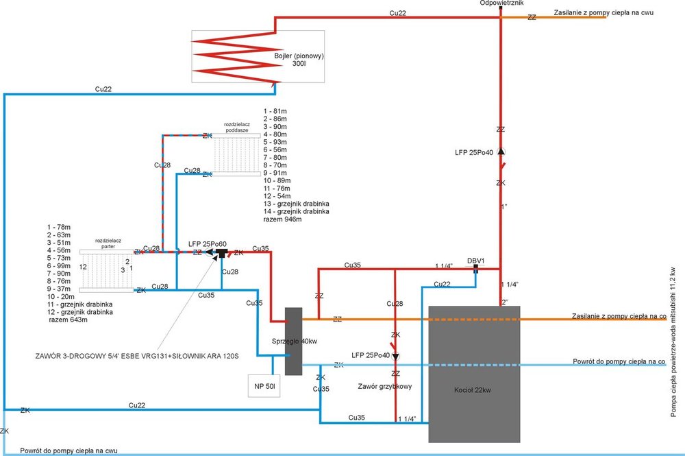
gregoriusr Opublikowano 30 Lipca 2018 Autor #12 Opublikowano 30 Lipca 2018 A może lepiej było by tak. Obieg kotłowy całkowicie odcięty i wszystko z pompy ciepła. Tylko nie wiem czy pompka w PC wydoli na oba rozdzielacze.
sambor Opublikowano 30 Lipca 2018 #13 Opublikowano 30 Lipca 2018 Dla mnie te schematy to fikcja lub SF - brak przede wszystkim inf o potrzebach instalacji i możliwościach pompy ciepła, brak zab kotła przed wzrostem ciśnienia Raz jest sprzęgło raz go nie ma, jest ochrona powrotu , drugi raz nie ma ochrony powrotu. Uporządkuj to , daj dane potrzebne to będzie dyskusja. Dziwisz się że nikt ci nie odpowiedział na pierwszy post - z takim rys to długo byś czekał- jak chcesz porządną odpowiedź potraktuj forum poważnie - to nie śmietnik aby tam byle co wrzucać na zasadzie - wrzucę g...o dostanę odpowiedź . Forum cię tak potraktowało jak ty potraktowałeś forum Jak dałeś porządny rys to już jakaś dyskusja powstała, postaraj się trochę to forum też się postara
gregoriusr Opublikowano 30 Lipca 2018 Autor #14 Opublikowano 30 Lipca 2018 Zapotrzebowanie budynku według cieplowlasciwe to 8kw na CO + 4kw na CWU. Projektowana pompa ciepła to mitsubishi 11,2kw model PUHZSHW112YAA. Obecnie jest kocioł węglowy 22kw. Naszkicowałem instalację bez pompy ciepła tylko pod sam kocioł. Kotła nie chciałbym już używać ale narazie chcę go zostawić wrazie czego. W całym domu jest sama podłogówka. Na parterze jeden rozdzielacz 10 sekcji plus dwie na drabinkę w łazienkach (tak używałem i nie potrzebuję wysokiej temperatury na nich, chcę tylko do suszenia ręczników, ewentualnie podepnę grzałkę). Na poddaszu jeden rozdzielacz 12 sekcji plus dwie na drabinki w łazience i pralni (też nie potrzebuję wysokich temperatur na nich dlatego podpięte pod rozdzielacz podłogówki). Czy tak jak na załączonym schemacie będzie to działać i gdzie najlepiej wpiąć się pompą ciepła. Pozdrawiam, Grzesiek.
sambor Opublikowano 30 Lipca 2018 #15 Opublikowano 30 Lipca 2018 Jak pompa jest projektowana to podaj jej dane - temp zasilania , temp powrotu i wydajność wody w l/h lub w m3/h , wtedy jest dyskusja, Wg ciebie dom na podłogówkę potrzebuje ok 1,5m3/h ( ok 8kW,temp zasilania 35C, delta 5C)- to tylko moje domysły, robiłeś podłogówkę, trzeba było ją policzyć a nie układać rur na palę., ile do pomieszczenia wejdzie. Nie ma parametrów tej pompy - sprawdź w umowie, pytaj instalatora itd...
gregoriusr Opublikowano 30 Lipca 2018 Autor #16 Opublikowano 30 Lipca 2018 Instalatorowi który robił podłogówkę powiedziałem, że źródłem ciepła będzie pompa ciepła i tyle mu wystarczyło. Zaufałem mu zupełnie bo nic się na tym nie znałem, on nie widział w niczym problemu i robił.Teraz wiem, że powinien być projekt. Gdy zabrakło kasy na pompę zrobiłem tymczasowo kocioł na paliwo stałe. Instalator twierdził, że musi być min 25kw (z kilku firm miałem wyceny na pompę ciepła i wysyłałem im projekt budynku, dobrali pompę o mocy 14kw), ja kupiłem kocioł 22kw. Powiedział, że może pociągnie. Zrobił wstępnie kotłownie w jeden dzień, niedokończył miał podjechać w innym terminie i skończyć. Nie mieszkałem więc mi się nie spieszyło. Ale kilka razy go prosiłem aby przyjechał dokończyć i przez ponad rok się nie zjawił. Wypiołem się na niego i po lekturze tego forum dokończyłem sam, odpowietrzyłem i uruchomiłem.Oczywiście podczas uruchamiania wyszły inne kwiatki jak odwrotnie podpięte zasilanie z powrotem w rozdzielaczu na poddaszu, rotametry nie chodziły, po zamianie belek zaczeły działać, brak uszczelek w śrubunkach, kilka przecieków na lutach. Po uruchomieniu jakoś to działało, zaniepokoiły mnie tylko małe przepływy ale pisałem o tym na forum i kol. sambor podpowiedział, że instalator źle zrobił zmieszanie do podłogówki. Zrobił na zaworach rozdzielających herz cialis o za małej średnicy. Instalacja działa do tej pory jednak aby uzyskać komfort cieplny musiałem podłogówkę puszczać na wyższej temperaturze ok 38 stopni. Teraz zrobili dotację w gminie i chcialem to poprawić i zrobić prawidłowo tak jak powinno być. Człowiekowi, który chodzil i spisywał chętnych na pompę powiedziałem wstępnie, że moc 14kw bo takie miałem wyceny z firm. Okazało się że przyszły 11,2 i taka będzie. Monter, który przyszedł sprawdzić instalację powiedzial, że puści przez sprzęgło coś tam zaślepi i że będzie pan zadowolony. Jak usłyszałem to ostatnie postanowiłem napisać tu i dowiedzieć jak taka instalacja powinna wyglądać aby wcześniej ją przygotować a oni żeby tylko wpieli PC. Moje obawy wobec tej firmy po części się potwierdzają, bo tylko na mojej ulicy dwie pompy przez nich montowane przestały już działać. Odnośnie modelu to mam tylko te dane. Pompka w tej pompie jest podobno pięciobiegowa. Jak znajdę instrukcję to zamieszczę. Pozdrawiam.
sambor Opublikowano 30 Lipca 2018 #17 Opublikowano 30 Lipca 2018 Jak nic nie wiesz to trzeba inst zrobić na sprzęgle między odbiorami a PC.. Do tego podpiąć kocioł, tak aby było jak najmniej dodatkowych elementów i to wszystko.
gregoriusr Opublikowano 30 Lipca 2018 Autor #18 Opublikowano 30 Lipca 2018 Czyli obieg CO i CWU wpiąć za sprzęgłem. Sprzęgło w obiegu kotłowym będzie pełnić rolę ochrony powrotu. W PC wyłączyć będzie trzeba obieg CWU a zasilanie na CO z PC trzeba ustawić na wyższą temperaturę aby mogła zasilać też CWU. Dobrze myślę?
sambor Opublikowano 30 Lipca 2018 #19 Opublikowano 30 Lipca 2018 Źle myślisz, rys też zły, Prześpij sie z tematem. PS Zrób rysunek zasilania inst wprost z PC Bez kotła, Grzanie CW też z PC z odpowiedniego obiegu PC.
gregoriusr Opublikowano 30 Lipca 2018 Autor #20 Opublikowano 30 Lipca 2018 z samej pompy ciepła to bym to zrobił chyba tak, no może to podmieszanie bym zlikwidował bo bym miał odpowiednią temperaturę z pc bez konieczności dodatkowego podmieszania. Muszę znaleźć prawidłowy schemat wyjść do tej pompy. Ten instalator twierdził, że ma wbudowany zawór 3D do przełączania między co a cwu, a na różnych schematach w internecie widzę że jest on na zewnątrz. A dodatkowo na wszystkich schematach jakie znalazłem ze strony mitsubishi wszędzie jest jeszcze bufor zamontowany. Także już mętlik mi się zrobił. Pozdrawiam.
sambor Opublikowano 31 Lipca 2018 #21 Opublikowano 31 Lipca 2018 Dla zakładanego przepływu 1,5m# rury CU28 z pompy do sprzęgła są za małe.. będą straty ciśnienia i głośna praca, ale to kotłownia to pewnie wytrzymasz. Jaka temp wody będzie wychodzić z PC? Jak taka w sam raz na podłogę to zaw 3-D nie potrzebny. Ponadto co będzie sterowało tym 3-D podczas pracy PC? Jak masz miejsce to możesz wstawić bufor zamiast sprzęgła, pojemność bufora powinna być podana w materiałach projektowych tej PC. Teraz dodatkowo zrób rys jakbyś widział podłączenie samego kotła do tej instalacji. PS Czy znasz magiczne słowa "wymiennik płytowy"?
gregoriusr Opublikowano 31 Lipca 2018 Autor #22 Opublikowano 31 Lipca 2018 Wydaje mi się, że najlepiej aby z PC wychodziła temperatura już odpowiednia na podłogówkę wtedy by najwydajniej pracowała, ale biorąc pod uwagę, ze będzie jeszcze kocioł to musi być podmieszanie. Ewentualnie jak się da mogę ściągać siłownik i otwierać na max 3d a jego odnoga żeby była zamnknięta. Jeżeli nie da się tak zrobić to podczas pracy PC zaworem 3D będzie sterował sterownik dodatkowy euroster ale nie ma on komunikacji z PC czyli będzie niezależny. Jego czujnik do załączania pomp musiałbym umieścić np na sprzęgle. Nie wiem też gdzie wpiąć kocioł przed sprzęgłem czy za. Pozdrawiam.
sambor Opublikowano 31 Lipca 2018 #23 Opublikowano 31 Lipca 2018 Przede wszystkim kocioł w układzie otwartym z naczyniem w kotłowni. Pompa musi pchać wodę na wymiennik a nie ciągnąć z niego - czyli pompa na stronie pierwotnej na zasilaniu a na stronie wtórnej na powrocie. Wpięcie kotła do sprzęgła jest OK. Bojler CW ma 2 czy 1 wężownicę? I pytanie dodatkowe kto (co) tym wszystkim posteruje?
gregoriusr Opublikowano 31 Lipca 2018 Autor #24 Opublikowano 31 Lipca 2018 Obecnie jest bojler dwupłaszczowy 140l ale razem z pompą ciepła ma być montowany 300l z jedną wężownicą. Mam sterownik euroster uni2. Ma on możliwość sterowania dwoma obiegami grzewczymi na co z zaworami mieszającymi i z pogodówką oraz obiegiem cwu.
sambor Opublikowano 31 Lipca 2018 #25 Opublikowano 31 Lipca 2018 Jak jeszcze nie masz bojlera to stań na głowie aby były 2 wężownice - to bardzo uprości schemat i ułatwi wykonanie inst.
Rekomendowane odpowiedzi
Zarchiwizowany
Ten temat przebywa obecnie w archiwum. Dodawanie nowych odpowiedzi zostało zablokowane.