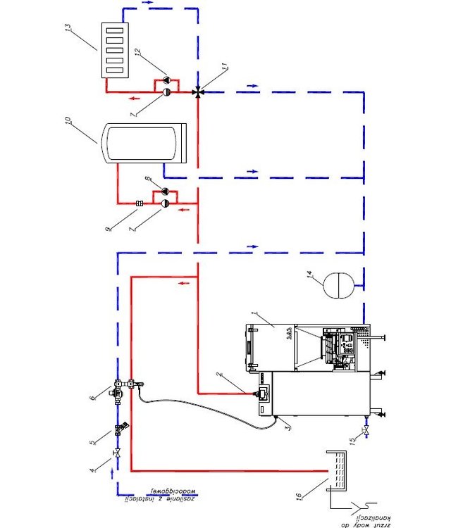
kochzg28 Opublikowano 20 Maja 2018 #1 Opublikowano 20 Maja 2018 Witam Proszę o ocenę projektu ogrzewania podłogowego oraz instalacji c.w.u. Ogrzewanie podłogowe składa się z czterech gałęzi na każde piętro. Powierzchnia do ogrzewania wynosi 80m2. W łazience dodatkowo jeden grzejnik. Mam dwa dylematy: 1) Czy jedna pompa wystarczy do zasilania ogrzewania podłogowego dwóch pięter? 2) Czy jest konieczna jeszcze jedna pompa do zasilania grzejnika w łazience? Dziękuję z wszelkie uwagi Pozdrawiam Zbig
odpowietrznik Opublikowano 20 Maja 2018 #2 Opublikowano 20 Maja 2018 Wystarczy 1pompa a czy 40ka czy 60ka to już zależy od długości pętli.Tak podłączony grzejnik drabinkowy nie będzie działał.Kocioł ma pracować w układzie otwartym?zamkniętym?Woda użytkowa jest z hydroforu?Ochrona kotła przed korozją niskotemp. ewentualnie poprzez CWU na stałe(wtedy potrzebny zawór antypoparzeniowy)Tak na marginesie lepiej to zrobić na pompie kotłowej i zaworze 3D(zał.#2)
kochzg28 Opublikowano 23 Maja 2018 Autor #3 Opublikowano 23 Maja 2018 Dzięki za odpowiedz. Woda będzie dostarczana ze zbiornika hydroforowego, do którego woda będzie dostarczana za pomocą pompy głębinowej. Na twoich poprawionych rysunkach zauważyłem że skreśliłeś linie dochodzące do grzejnika drabinkowego. W takim wypadku, w którym miejscu mam je wpiąć? Co do układu ogrzewania zamkniętego czy otwartego, to nie ma pojęcia co wybrać. Ważny aspektem jest to, że domek stoi w takim miejscu, w którym występują czasowe wyłączenia prądu, a nie będę na stałe w nim mieszkał. Chodzi mi o to, że podczas mojej nieobecności głównie powinno pracować ogrzewanie podłogowe. Pozdrawiam Zbig
odpowietrznik Opublikowano 23 Maja 2018 #4 Opublikowano 23 Maja 2018 Jeżeli jest hydrofor to układ zamknięty odpada.Musisz umieścić naczynie wyrównawcze w najwyższym punkcie.Do naczynia rura CU 28 lub stal 1" na tej rurze nie można montować żadnych zaworów.Należy też zadbać o to aby naczynie przypadkowo nie zamarzło.Z tym grzejnikiem drabinkowym to trochu porażka bo nie opłaca się do jednego grzejnika specjalnie dawać jeszcze jednej pompy,może warto w tej sytuacji zamontować grzałkę do drobinki.
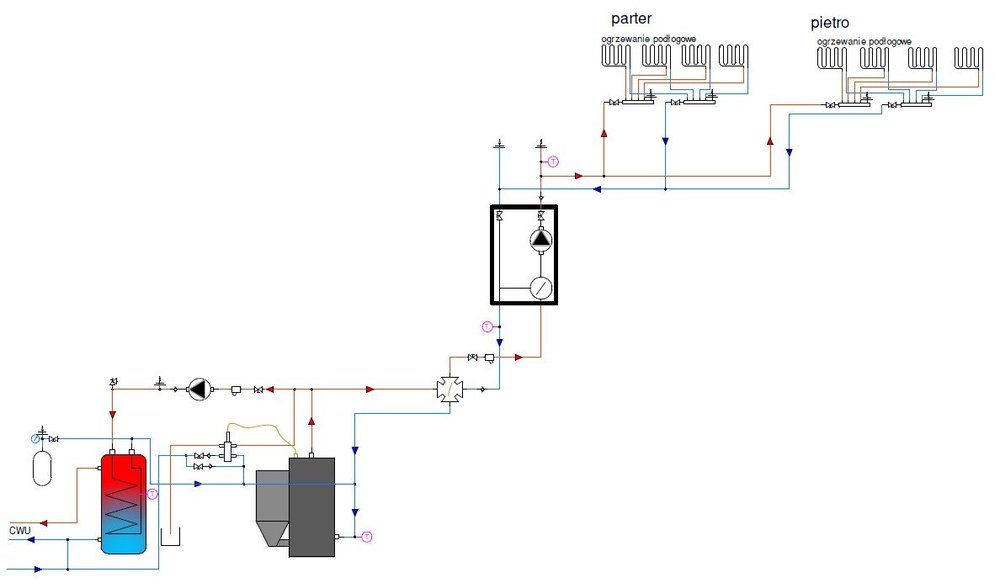
kochzg28 Opublikowano 28 Listopada 2019 Autor #6 Opublikowano 28 Listopada 2019 Hydraulik zrealizował mi instalację CO i CWU z kotłem na pellet SAS Compact Bio. Istotną zmianą jest to, że instalacja CO pracuje w układzie zamkniętym. Nie chciało mi się kuć stropów a piec pozwalana na taki układ pracy. Jednak czy instalacja jest w pełni funkcjonalna. Trochę mam mieszane uczucia. Może ktoś rzucić na to fachowym okiem
Kazio321 Opublikowano 28 Listopada 2019 #7 Opublikowano 28 Listopada 2019 Instalacja jest dobra moim zdaniem. Jest założony zawór schładajacy typu SYR. Tylko chyba pompy kotlowej brak.
kochzg28 Opublikowano 28 Listopada 2019 Autor #8 Opublikowano 28 Listopada 2019 Masz na myśli, że nie ma pompy krótkiego obiegu, która powinna być zainstalowana przy piecu, przed zaworem 4-D.?
Kazio321 Opublikowano 28 Listopada 2019 #9 Opublikowano 28 Listopada 2019 Podam schemat od Sambora. Jest bardzo dobry. Chodzi mi o tą pompę co jest na powrocie z 4d
kochzg28 Opublikowano 28 Listopada 2019 Autor #10 Opublikowano 28 Listopada 2019 No właśnie tak myślałem, że mi tej pompy brakuje. Grawitacyjny obieg trochę słabo działa. Obecnie strasznie wolno nagrzewa mi się podłogówka. Czasami nawet 12 godzin potrzebuję na osiągnięcia temp. 40 stopni na wejściu do podłogówki.
Kazio321 Opublikowano 28 Listopada 2019 #11 Opublikowano 28 Listopada 2019 Jak założysz to od razu poczujesz różnice. Wiem z własnego doświadczenia. A kocioł mam taki sam jak ty. Jak masz 4d z słownikiem to włącz ochronę powrotu na 30stopni. Piec biedzie szybciej się dogrzewal. I szybciej osiągniesz temp na podłogowe.
pastor Opublikowano 28 Listopada 2019 #12 Opublikowano 28 Listopada 2019 Hydraulik zrealizował mi instalację CO i CWU z kotłem na pellet SAS Compact Bio. Istotną zmianą jest to, że instalacja CO pracuje w układzie zamkniętym. Nie chciało mi się kuć stropów a piec pozwalana na taki układ pracy. Jednak czy instalacja jest w pełni funkcjonalna. Trochę mam mieszane uczucia. Może ktoś rzucić na to fachowym okiem Poważnie masz spięte razem NW od co i cwu?Wysłane z iPhone za pomocą Tapatalk
Kazio321 Opublikowano 28 Listopada 2019 #13 Opublikowano 28 Listopada 2019 W sumie to pastor ma rację. Nie przyjrzałem się temu.
kochzg28 Opublikowano 28 Listopada 2019 Autor #14 Opublikowano 28 Listopada 2019 NW tzn bo nie znam tego skrotu. A już wiem, naczynie wyrównawcze. Sprawdzę na zdjęciach.
Kazio321 Opublikowano 29 Listopada 2019 #15 Opublikowano 29 Listopada 2019 Naczynie wzbiorcze. Czyli te ciśnieniowe
kochzg28 Opublikowano 29 Listopada 2019 Autor #16 Opublikowano 29 Listopada 2019 Przejrzałem instrukcję obsługi pieca i widać, że zbiornik jest dobrze podłączony. Z drugiej strony to jak miałbym podłączyć ten zbiornik jeżeli zarówno powrót z CWU i CO zawsze spotykają się w jeden punkt? Do Kazio321: Na każdym zaworze mam zamontowany siłownik, ale ustawienie 30oC na powrocie to nie jest zbyt za mało? Wpadłem na pomysł aby pompę CWU wykorzystać jako pompę krótkiego obiegu. Dodatkowo woda w zbiorniku CWU można potraktować jako bufor ciepła. Zobaczymy co się zmieni.
pastor Opublikowano 29 Listopada 2019 #17 Opublikowano 29 Listopada 2019 NW dla cwu ma służyć kompensacji wzrostu ciśnienia podczas podgrzewania wody cwu. To nie jako powiększenie bojlera majace. I gdzie indziej sie je montuje. Teraz to masz po prostu dwa NW w obiegu co. Wysłane z iPhone za pomocą Tapatalk
gersik Opublikowano 29 Listopada 2019 #18 Opublikowano 29 Listopada 2019 A gdzie ty widzisz drugie naczynie. Jest tylko jedno na CO a na CWU nie ma wcale.
pastor Opublikowano 29 Listopada 2019 #19 Opublikowano 29 Listopada 2019 Post #6Wysłane z iPhone za pomocą Tapatalk
kochzg28 Opublikowano 29 Listopada 2019 Autor #21 Opublikowano 29 Listopada 2019 Chodzi mi o to że woda w zbiorniku CWU jest podgrzana do jakieś temp. Jeżeli pompa CWU będzie pracować a temperatura na powrocie będzie mniejsza niż w zbiorniku CWU więc ciepło będzie odbierane od wody z zbiornika CWU. W końcu ten zbiornik NW jest dobrze podłączony?
Kazio321 Opublikowano 29 Listopada 2019 #22 Opublikowano 29 Listopada 2019 Godzinę temu, kochzg28 napisał: Do Kazio321: Na każdym zaworze mam zamontowany siłownik, ale ustawienie 30oC na powrocie to nie jest zbyt za mało? Wpadłem na pomysł aby pompę CWU wykorzystać jako pompę krótkiego obiegu. Dodatkowo woda w zbiorniku CWU można potraktować jako bufor ciepła. Zobaczymy co się zmieni. Nie jest za mało. Chodzi o to że jak włączy ci się op to do pieca wraca zimna woda. I jak walczysz ochronę powrotu to zawór bedzie tak sterować żeby woda wracająca do kotła nie miała mniejszej temp niż 30stopni. Następnie jak załączy się pompa CWU. Do grzeje powrót. A naczynia powinny być 2, osobno na CWU i CO
Gość berthold61 Opublikowano 29 Listopada 2019 #23 Opublikowano 29 Listopada 2019 A ja mam 1 pompę na powrocie ale chodzi nonstop i zasila bojler przepływowy a w szafce ogrzewania podłogowego mam drugą pompę z zaworem 4 drogowym i temp zasilana to 29 stopni ,kocioł ustawiony na 65 stopni i na powrocie mam stałą temp od 59-61 stopni ,bojler robi za swoisty bufor dlatego kociołek chodzi bez skoków bardzo płynnie i mogłem sobie pozwolić aby ograniczyć moc kotła w zakresie min 30% czyli 3kw i max 50 % czyli 5kw nie ma spieków ani niedopałów bo wszystko spokojnie idzie jak baranek więc po co mi komplikować ?
Kazio321 Opublikowano 29 Listopada 2019 #24 Opublikowano 29 Listopada 2019 Zgodzę się z Tobą ale jak piec masz ustawiony na PID nadzór badz masz własne ustawienia żeby palił cały czas. A nie wiem jak kolega ma ustawione, jak ma włączony tylko pid to po osiągnięciu CWU kocioł się wygasi. A rozpalić się wtedy kiedy temp na CWU spadnie poniżej histerezy.
kochzg28 Opublikowano 29 Listopada 2019 Autor #25 Opublikowano 29 Listopada 2019 39 minut temu, Kazio321 napisał: Nie jest za mało. Chodzi o to że jak włączy ci się op to do pieca wraca zimna woda. I jak walczysz ochronę powrotu to zawór bedzie tak sterować żeby woda wracająca do kotła nie miała mniejszej temp niż 30stopni. Następnie jak załączy się pompa CWU. Do grzeje powrót. A naczynia powinny być 2, osobno na CWU i CO Jak można osobno podłączyć dwa zbiorniki NW jeżeli obieg powrotu CWU i CO są na wspólnej linii?. Nawet producent (schemat powyżej) wstawił tylko jeden zbiornik NW.
Rekomendowane odpowiedzi
Zarchiwizowany
Ten temat przebywa obecnie w archiwum. Dodawanie nowych odpowiedzi zostało zablokowane.