cdsmarcin Opublikowano 26 Października 2017 #1 Opublikowano 26 Października 2017 Mam problem odnośnie ustabilizowania pracy kotła w trybie PID, zadana 63 stopnie, a kocioł oscyluje 57-70 wchodząc w nadzór. W innym wątku okazało się, że prawdopodobnie powrót na kocioł ma za niską temperaturę, jednak nijak nie mogę jej podnieść zaworem 4D (jest albo zbyt gorąco w domu, albo powrót zbyt niski). Wcześniej nie miałem czujnika powrotu (instalator pieca go nie zamontował), znalazłem w pudełku i założyłem, jednak moim oczom ukazała się dziwna instalacja. Powrót CO idzie za razem bezpośrednio na kocioł i w mniejszej średnicy rury na zawór 4D, ze wszystkich schematów wynika, że powrót CO powinien być wyłącznie na zawór 4D. Mam założony również zawór kulowy (jakby odcięcie powrotu CO bezpośrednio do kotła), jednak czy mogę go zakręcić, by wymusić obieg przez 4D? Średnica rury idącej do 4D jest mniejsza niż średnica całego powrotu. Może nie do końca dobrze to opisałem, ale zdjęcie zobrazuje zjawisko lepiej :) Wcześniej była to instalacja na śmieciuchu i została przerobiona. Dodatkowo obok stoi nieużywany piec olejowy wpięty do instalacji (pompka najbardziej z lewej), z tego pieca wykorzystuje jedynie bojler (jest podpięty do DEFRO), dlatego też tłumaczę od razu, aby nie było zdziwienia :) Kolejne pytanie to w jaki sposób przy takiej instalacji sterować regulatorem pokojowym, by temperatura w pomieszczeniu była stała - czy wystarczy do tego dokupić siłownik na zawór 4D? Próbowałem regulator pokojowy ustawić na sterowanie CO, jednak gdy wyłączał pompę CO po osiągnięciu zadanej temperatury w pokoju kocioł również wchodził w nadzór i temperatura rosła aż do awaryjnego załączenia pomp, później gwałtownie spadała.
konopka Opublikowano 26 Października 2017 #2 Opublikowano 26 Października 2017 Dołóż pompę kotłową na powrocie za 4d.Sam siłownik do mieszcza sprawy nie rozwiąże,potrzebny jeszcze sterownik
cdsmarcin Opublikowano 26 Października 2017 Autor #3 Opublikowano 26 Października 2017 A bez pompy kotłowej nie da rady? Zanim ją założę chciałbym sprawdzić czy to w ogóle rozwiąże problem, dlatego też pytanie czy nic się nie stanie jak zamknę zawór kulowy. A ten siłownik nie będzie współpracował ze sterownikiem pieca? Mam K1PRv4
sambor Opublikowano 26 Października 2017 #4 Opublikowano 26 Października 2017 Weź to rozrysuj, może trzeba coś więcej niż pompę kotłową
konopka Opublikowano 26 Października 2017 #5 Opublikowano 26 Października 2017 Doczytałem teraz o powrocie,więc jest żle podłączony.Całość wody powrotnej z instalacji ma iść na 4d ,oprócz cwu.Sterownik ma możliwość sterowania mieszaczem więc nie ma problemu.A co do pompy kotłowej,mam i jestem zadowolony.Na obecną chwilę na stałe pracuje jedna podłogówka i temp. powrotu jest praktycznie taka jak zasilanie.Obwód grzejnikowy sterowany przez regulator pokojowy
odpowietrznik Opublikowano 26 Października 2017 #6 Opublikowano 26 Października 2017 Źle podłączony powrót z instalacji.Kocioł w układzie zamkniętym?
konopka Opublikowano 26 Października 2017 #7 Opublikowano 26 Października 2017 No i ten zamknięty zawór kulowy nad róznicówką.
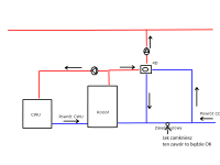
cdsmarcin Opublikowano 26 Października 2017 Autor #8 Opublikowano 26 Października 2017 @odpowietrznik wydaje mi się, że takie rozwiązanie zrealizuje zamknięciem zaworu kulowego na powrocie CO. W prostym rysunku wygląda to tak: Zawór nad różnicówką ma być otwarty? Gość, który montował piec mówił żeby go otworzyć w przypadku awaryjnego palenia np. w trakcie zaniku zasilania. Nie jestem pewien, ale raczej w instalacja w układzie zamkniętym, nie mam naczynia wzbiorczego (dom kupiony kilka lat temu, dlatego nie jestem pewien).
odpowietrznik Opublikowano 26 Października 2017 #9 Opublikowano 26 Października 2017 Jak odetniesz tym zaworem(na rysunku)) na powrocie będzie OK Mam nadzieję że jezeli chodzi o ten zawór do odcięcia nie masz na myśli tego co jest na drugim zdjęciu bo to nic nie da.Brak zabezpieczeń dla układu zamkniętego,instalacja niebezpieczna!
cdsmarcin Opublikowano 26 Października 2017 Autor #10 Opublikowano 26 Października 2017 Nie będzie problemu, że średnica rury zmienia się w tym miejscu? To odejście, które jest przed zaworem ma mniejszą średnicę niż cały powrót. Rozumiem, że woda nie będzie miała problemu, by "wspiąć się" kawałek w górę do 4D? No i pytanie - może ktoś się orientuje w jakim celu zastosowano takie połączenie powrotu?
konopka Opublikowano 26 Października 2017 #11 Opublikowano 26 Października 2017 A jeżeli w trakcie zaniku zasilania nie będzie nikogo kto mógłby otworzyć ten zawór nad różnicówką? Jeżli zawór na powrocie jest w tym miejscu,w którym narysowałeś ,to ok,możesz zamknąć.
cdsmarcin Opublikowano 26 Października 2017 Autor #12 Opublikowano 26 Października 2017 No widzisz, o tym już mi nic "majster" nie powiedział... A jak w przypadku braku zasilania będzie realizowany powrót przy zamkniętym zaworze na powrocie? Może w zamyśle instalatora to było przyczyną takiego połączenia bezpośredniego powrotu... P.S. Napisałem do Ciebie pw odnośnie tego siłownika na zawór 4D. Bo tak jak mam aktualnie to ile bym nie nastawił na temperaturę zaworu to i tak nic to nie zmieni, bo reguluję to mieszaniem w zaworze 4D, dobrze rozumiem?
odpowietrznik Opublikowano 26 Października 2017 #13 Opublikowano 26 Października 2017 Nie będzie problemu, że średnica rury zmienia się w tym miejscu? To odejście, które jest przed zaworem ma mniejszą średnicę niż cały powrót. Rozumiem, że woda nie będzie miała problemu, by "wspiąć się" kawałek w górę do 4D? No i pytanie - może ktoś się orientuje w jakim celu zastosowano takie połączenie powrotu?Woda nie powinna mieć problemu ze "wspięciem się" w górę)bo ten obieg napędza pompa za zaw.4D.Tylko jest inny problem o czym poprzednicy mówili.Nie masz zabezpieczenia kotła przed korozją niskotemp.ponieważ są zbyt cienkie rury w obiegu kotłowym i pewnie za mały zaw.4D co sprawia iż nie zadziała grawitacja w obiegu kotłowym.Wyjście jak już było wspomniane-dołożyć dodatkową pompę na powrocie z 4D do kotła Ps.ten zawór kulowy za zaw.różnicowym jest zbyteczny,już sam zawór różnicowy przy narmalnej pracy odcina przepływ w głównej rurze i idzie przez pompę,dopiero w sytuacji gdy pompa nie pracuje różnicowy przepuszcza wodę na instalację
cdsmarcin Opublikowano 26 Października 2017 Autor #14 Opublikowano 26 Października 2017 Rozumiem, że obieg kotłowy to droga wyjście z kotła -> 4D -> powrót na kocioł? W takiej konfiguracji rury są grube. Zmiana średnicy rury jest na drodze powrót CO -> 4D (to odejście przed zaworem kulowym). Zdjęcie z zaworem i rurami jakie wchodzą/wychodzą jest w pierwszym poście.
odpowietrznik Opublikowano 26 Października 2017 #15 Opublikowano 26 Października 2017 Mogłem pomylić rury,która powrót od 4D do kotła bo są dwie a tego nie widac na zdjęciu.Dobrze interpretujesz obieg kotłowy z tym że na powrocie przed samym kotłem powinien być zamontowany termometr aby było wiadomo jaka jest temp.powrotu a powinna być min 50st=działa grawitacja lub nie.Sam zaw.4D jest za mały,widzę ze średnica na zaw. 4D jest zredukowana to i zawór mniejszy a powinien być jak średnice króćców kotła
cdsmarcin Opublikowano 26 Października 2017 Autor #16 Opublikowano 26 Października 2017 Na schemacie pogrubiłem. W cieńszą przechodzi powrót CO przed zaworem kulowym, który zamierzam zamknąć.
odpowietrznik Opublikowano 26 Października 2017 #17 Opublikowano 26 Października 2017 Po przeanalizowaniu jeszcze raz układu rur jednak jest dobrze podłączone.Wystarczy zamknąć ten zawór na powrocie.Tylko "narąbałem" zbytecznych postów)ale po odrzuceniu "śmieci" są też przydatne informacje)
cdsmarcin Opublikowano 26 Października 2017 Autor #18 Opublikowano 26 Października 2017 Czyli grubość rur w obiegu kotłowym też jest ok? Na tym zdjęciu lepiej będzie widać. Podłączone są dobrze tak jak rozrysowane na schemacie, może moja opisówka nie oddawała wyglądu tej instalacji. Rozumiem, że wszystko jest ok, tylko mam zamknąć zawór na powrocie i otworzyć zawór za różnicówką?
cdsmarcin Opublikowano 26 Października 2017 Autor #19 Opublikowano 26 Października 2017 Zakręciłem zawór, który jest na powrocie. W pierwszym momencie byłem szczęśliwy, temperatura powrotu momentalnie osiągnęła niemal 60 stopni. Lecz po chwili zaczęła spadać i w tej chwili ma około 38 stopni. Wyjście powrotu CO na zaworze 4D jest gorące, przy piecu już temperatura jest o wiele niższa. Co może być przyczyną? Na zdjęciu zaznaczyłem miejsce, gdzie odczuwa się różnicę w temperaturze.
konopka Opublikowano 26 Października 2017 #20 Opublikowano 26 Października 2017 Zabieg z zaworem nie poprawi temp.powrotu,jedynie poprawi pracę zaworu /mieszanie/.Masz z buku wolną pompę,przełóż na powrót,wystarczy na min.obroty i będzie ok.
cdsmarcin Opublikowano 26 Października 2017 Autor #21 Opublikowano 26 Października 2017 Właśnie dzięki zamknięciu zaworu wszystko z obiegu idzie na 4D nie częściowo na 4D i częściowo na powrót do kotła. Aktualnie się poprawiło mam 56 na powrocie przy kotle. Ale teraz pracuje ponad temperaturę zadana, miał 75, spadał w dół do 65 i znowu w górę. Zmniejszylem moc kotła w trybie PID w związku z tym podawanie i nadmuch też powinno być mniejsze. Zobaczymy co będzie. W którym miejscu ja założyć aby było dobrze?
sambor Opublikowano 26 Października 2017 #22 Opublikowano 26 Października 2017 Za mały przepływ przez zaw 4-D, pompa kotłowa się kłania.
konopka Opublikowano 26 Października 2017 #23 Opublikowano 26 Października 2017 Z tyłu kotła,na pionie
cdsmarcin Opublikowano 26 Października 2017 Autor #24 Opublikowano 26 Października 2017 Czyli w miejscu powrotu między 4D a złączem w kotle?
konopka Opublikowano 26 Października 2017 #25 Opublikowano 26 Października 2017 Tam gdzie zaznaczyłeś gorąca-chłodniejsza /parę postów w tył/.Daj też zawory z dwóch stron pompy
Rekomendowane odpowiedzi
Zarchiwizowany
Ten temat przebywa obecnie w archiwum. Dodawanie nowych odpowiedzi zostało zablokowane.