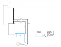
adaam01 Opublikowano 25 Stycznia 2017 #1 Opublikowano 25 Stycznia 2017 Witam. Mam oto taki problem zakupilem mieszkanie w ktorym , jest wykonana instalacja wg ponizszege schematu, Docelowo mial byc zainstalowany inny piec i umiejscowiony w piwnicy, ze wzgledu na niemozliwosc takiego rozwiazania musiala zostac zakupiona piecokuchnia i umieszczczona w mieszkaniu. Pierwszym problemem jest ze CWU umieszczona jest w piwnicy i rozprowadzona z tamtad po mieszkaniu, okolo 1m-1,5 ponizej pieca , czy jezeli zostanie zamontowana dodatkowa (na rysunku pompa nr 2) pompa obieg wody uda sie utrzymac i prawidlowo bedzie to funkcjonowac. Natomiast obieg numer 1 -zasilalby rozdzielacz do grzejnikow (od rozdzielacza do poszczegolnych grzejnikow rurki pex 16 puszczone w podlodze, grzejniki purmo cv22 podlaczenie dolne ), - rozdzielacz ogrzewania podlogowego z zaworem 3drogowym termostatycznym afriso wraz z grupa pompowa. ( 6obwodow pex 16) Na wszystkich belkach umiescilem automatyczne odpowietrzniki, Przed kazda pompa zawor nastepnie filtr osadnikowy, pompa zawor Od pieca rura 1" do zbiornika wyrownawczego z niej nad piecem trojniki do podlaczenia pomp. Zasilania do rozdzielaczy 3/4" rowniez puszczone w podlodze oddalone jakies 4m od pieca Z Wiadomosci ktore mi sie udalo uzyskac grawitacyjnie instalacja nie ma prawa zadzialac, pomieszczenie okolo 3m Prosze o wskazowki, bo bardzo ciezko znalezc w okolicy instalatora ktory to wykona
sambor Opublikowano 25 Stycznia 2017 #2 Opublikowano 25 Stycznia 2017 Jak ma być podłogówka to daj do pierwszego rozdzielacza rury 1", a pompę od grzejników daj w samym rozdzielaczu. Tak jak do podłogówki. Po prostu nie powinny pracować 2 pompy w 1 obiegu. Lokalizacja bojlera nie jest problemem.
adaam01 Opublikowano 25 Stycznia 2017 Autor #3 Opublikowano 25 Stycznia 2017 Niestety nie mam mozliwosci zmian rozmiaru rur sa w podlodze juz zalane. Patrzac od pieca 1-szy rozdzielacz jest od grzejnikow zwykle 2 belki mosiezne takie jak w 2 rozdizelaczu lecz bez pompy, przed nimi trojnik i odejscie na 2gi rozdzielacz podlogowki http://static1.redcart.pl/templates/images/thumb/1101/600/9999/pl/0/templates/images/products/1101/fbffd8ff70c69ad365907c83684c25c6.jpg A pompa numer 1przy piecu nie da rady zasilic tych grzejnikow ?
sambor Opublikowano 25 Stycznia 2017 #4 Opublikowano 25 Stycznia 2017 Da radę, ale będzie się kłócić z pompą podłogówki
Maciek92 Opublikowano 26 Stycznia 2017 #5 Opublikowano 26 Stycznia 2017 Wrzuc jakies zdjecia. Moze uda sie to jakos poskladac do kupy. Podejscia do rozdzielaczy sa kompletnie zalane w posadzce? Btw. Tak za pamieci - na powrocie rozdzielacza podlogowki wrzuc zawor zwrotny sprezynowy, co by pompa mieszajaca rzeczywiscie mieszala to co w podlogowce i nie podciagala wody z powrotu.
adaam01 Opublikowano 26 Stycznia 2017 Autor #6 Opublikowano 26 Stycznia 2017 Dzieki za podpowiedzi wrzucam zdjecia jakimi obecnie dysponuje, taka zastalem instalacje. Podejscia do rozdzielaczy zalane.
Maciek92 Opublikowano 26 Stycznia 2017 #7 Opublikowano 26 Stycznia 2017 Zasilanie w kierunku rozdzielaczy podciągnij tyle ile się da cu 28 albo stalą 1''. Zawór zwrotny na rozdzielaczu podłogówki strzałką w dół (jak na 'rysunku')
adaam01 Opublikowano 26 Stycznia 2017 Autor #8 Opublikowano 26 Stycznia 2017 Zawór zwrotny jak najbardziej założę, ale wymiany rur nie ma możliwości , sa schowane w styropianie a nad nimi ulozone ogrzewanie podlogowe i zalane nowa posadzka .... . Poprzedni wlasciciel mial takie schematy od instalatora jakiegos i dlatego tak to wszystko pociagnal... musze to jakos ogarnac
sambor Opublikowano 26 Stycznia 2017 #9 Opublikowano 26 Stycznia 2017 To przynajmniej daj tą pompę od grzejników jak kolega narysował, A od kotła tylko rury, będzie dużo lepiej.
adaam01 Opublikowano 27 Stycznia 2017 Autor #10 Opublikowano 27 Stycznia 2017 A da rade piec przepchnąć gorąca wodę do 1szego rozdzielacza z kaloryferami , oraz do tego z podłogówki ( rury w podlodze wszystkie)
sambor Opublikowano 27 Stycznia 2017 #11 Opublikowano 27 Stycznia 2017 Piec nie pcha to pompa ciągnie, jedna i druga,
Maciek92 Opublikowano 27 Stycznia 2017 #12 Opublikowano 27 Stycznia 2017 Zamontuj to tak jak Ci narysowałem i będzie okej. W sumie nie wiem czemu szukasz jakichś pośrednich rozwiązań skoro innych już na obecną chwilę nie ma. Z drugiej strony - jeśli to pomieszczenie gospodarcze - to na Twoim miejscu olałbym to co jest w podłodze i puścił po prostu nowe nitki do obu rozdzielaczy tak jak powinno być. Przekroje przekrojami, ale jeśli pex w podłodze jest takiej jakości jak robota to przy ogrzewaniu piecokuchnią obawiałbym się o jego wytrzymałość. Trzeba być mocno oszczędnym gościem, żeby kocioł stałopalny bez żadnego podmieszania podpinać plastikową rurką z raptem milimetrową wkładką z aluminium.
Gość mak Opublikowano 28 Stycznia 2017 #13 Opublikowano 28 Stycznia 2017 Kolejny odlot - "piecokuchnia" do podłogówki. Przewiduję krótki żywot tej instalacji
adaam01 Opublikowano 28 Stycznia 2017 Autor #14 Opublikowano 28 Stycznia 2017 Zamontuj to tak jak Ci narysowałem i będzie okej. W sumie nie wiem czemu szukasz jakichś pośrednich rozwiązań skoro innych już na obecną chwilę nie ma. Z drugiej strony - jeśli to pomieszczenie gospodarcze - to na Twoim miejscu olałbym to co jest w podłodze i puścił po prostu nowe nitki do obu rozdzielaczy tak jak powinno być. Przekroje przekrojami, ale jeśli pex w podłodze jest takiej jakości jak robota to przy ogrzewaniu piecokuchnią obawiałbym się o jego wytrzymałość. Trzeba być mocno oszczędnym gościem, żeby kocioł stałopalny bez żadnego podmieszania podpinać plastikową rurką z raptem milimetrową wkładką z aluminium. Niestety jest to mieszkanie okolo 74m2, docelowo miala byc instalacja gazowa i kociol gazowy, ale niestety nie podciagneli gazu. Wobec tego tylko i wylacznie na chwile obecna moze byc piec typu kuchnia (1 wspolny komin dla calego pionu , zeby zainstalowac inny musialbym kazdemu sponsrowac wklad do komina, a ze to parter to nie oplacalne). Wszystkie rury w posadzce sa Wavina brak jakich kolwiek łączeń pod nową wylewka. Z puszczeniem nowych nitek nie zabardzo piec stoi na poczatku mieszkania, rozdzielacz do kaloryferow schowany jest w pokoju ktory odziela przedpokoj. Wiec rury nowe by musialy isc przez otwor drzwiowy.... Jedynym rozwiazaniem jest jeszcze kociol elektryczny no ale przy starej kamienicy jest to chyba nie oplacalne - wysokie rachunki i niewiadomo jak wyglada przylacze
henryk1953 Opublikowano 28 Stycznia 2017 #15 Opublikowano 28 Stycznia 2017 Kolego - kazdy trzon kuchenny musi mieć odrębny przewód kominowy..Do jednego przewodu mogą być podpięte piece szczelne na przykład kaflaki. Jeżeli do tego komina pod który podłączysz tą piecokuchnię będa podłączone inne piece ,to kominiarz tego nie podpisze.Natomiast jezeli piecokuchnia będzie montowana w kuchni w której poprzednio był zamontowany trzon kuchenny ,to ten trzon musiał mieć odrębny przewód kominowy. Jaki był powód odmowy zainstalowania kotła w piwnicy? i jak inni lokatorzy ogrzewają swoje mieszkania? ponadto - czy jesteś wlascicielem tego mieszkania ? czy tylko lokatorem? Poczytaj ten wątek - tam znajdziesz odpowiedzi na zagadnienia prawne , i być moze na to czy możesz zamiast piecokuchni zamontować kocioł do 10KW https://forum.info-ogrzewanie.pl/topic/21391-setlans-9kw-czy-p2ar-kds-pw-7-9-kw/
Rekomendowane odpowiedzi
Zarchiwizowany
Ten temat przebywa obecnie w archiwum. Dodawanie nowych odpowiedzi zostało zablokowane.