tomd5 Opublikowano 16 Stycznia 2017 #1 Opublikowano 16 Stycznia 2017 A więc tak po konsultacjach z 3 hydraulikami. Rozwiązanie jest następujące. Chciałbym uniknąć błędów przy tej poprawce i najważniejsze uniknąć 3 raz kosztów. Proszę o pomoc Co się okazało w obecnej konfiguracji nie podobała mi się koncepcja podłączenia grzejników razem z szafkami do Op. Zawory termostatyczne okazały się też za małe w szafkach bo na dole mam zawór esbe do 50m2 jest 80m2 przez to prawdopodobnie nie mogę ustawić przepływów instalacja odpowietrzona. Na górze jest do 100m2 a jest 135m2 co wiadomo ogranicza przepływ w instalacji. Koncepcja która przedstawił mi jeden z hydraulików jest taka że przenieść wszystkie pompy do kotłowni. Od kotła nowe rury Cu 35 potem osobne zasilania na dół do szafy i do góry Cu 28. Do grzejników zostaje cu22. Teraz pytanie ❓ Zostawić ten zawór 4d czy dać 3 zawory 3d? Zasilanie elektryczne do pomp podłogowych pójdzie z pieca. Później przyjdą na to automaty do zaworów. Jak to zrobić żeby było dobrze? Czym rysujecie te instalacje co żebym mógł pokazać hydraulikowi? t_d :)
orzech1976 Opublikowano 16 Stycznia 2017 #2 Opublikowano 16 Stycznia 2017 A jakie teraz masz przepływy na przepływomierzach
tomd5 Opublikowano 16 Stycznia 2017 Autor #3 Opublikowano 16 Stycznia 2017 Na górze niby jest ok około 2 a na dole nie da się sterować wcale t_d :)
orzech1976 Opublikowano 16 Stycznia 2017 #4 Opublikowano 16 Stycznia 2017 Co to znaczy nie da się sterować
sambor Opublikowano 16 Stycznia 2017 #5 Opublikowano 16 Stycznia 2017 Nie wiem jak wy, ale pod 7 lub xp nie widzę rysunków (fot),
gersik Opublikowano 16 Stycznia 2017 #6 Opublikowano 16 Stycznia 2017 Koncepcja z przeniesieniem pomp do kotłowni jest bardzo dobra.Ilość zaworów 3d jest uzależniona od tego czy chcesz grzać różnymi temperaturami na piętrze i na parterze.( jak będą osobne pompy to muszą być osobne zawory}. Z zaworu 4d bym zrezygnował i jeden grzejnik podłączył bez termostatu i to pełniło by funkcją podgrzania powrotu. Pewnie jest jeszcze bojler, który też do tego dobrze się nadaje.
tomd5 Opublikowano 16 Stycznia 2017 Autor #7 Opublikowano 16 Stycznia 2017 Co to znaczy nie da się sterowaćNa rotametrach nic się dzieje i jak na moje góra nagrzewa jakoś się 4 5 godzin szybciej od dołu t_d :)
tomd5 Opublikowano 16 Stycznia 2017 Autor #8 Opublikowano 16 Stycznia 2017 Koncepcja z przeniesieniem pomp do kotłowni jest bardzo dobra.Ilość zaworów 3d jest uzależniona od tego czy chcesz grzać różnymi temperaturami na piętrze i na parterze.( jak będą osobne pompy to muszą być osobne zawory}. Z zaworu 4d bym zrezygnował i jeden grzejnik podłączył bez termostatu i to pełniło by funkcją podgrzania powrotu. Pewnie jest jeszcze bojler, który też do tego dobrze się nadaje.Osobno dół i góra. Bojler jest z lewej strony pompa ciepła Galmet spectra t_d :)
orzech1976 Opublikowano 16 Stycznia 2017 #9 Opublikowano 16 Stycznia 2017 A te dwa grzejniki to wogóle grzeja
tomd5 Opublikowano 16 Stycznia 2017 Autor #10 Opublikowano 16 Stycznia 2017 Przy obecnej konfiguracji nie t_d :)
orzech1976 Opublikowano 16 Stycznia 2017 #11 Opublikowano 16 Stycznia 2017 Moje zdanie jest takie, że wiadomo opcja przeniesienia pompy do kotłowni że skrzynek zastosowanie zaworu 3d i pompa kotłowa, sterowanie pogodowe byłoby najlepszym rozwiązaniem, ale ze zainwestowałeś w ten stan co jest dużo pieniędzy i co najmniej drugie tyle trzeba y dołożyć jak nie więcej ja bym dołożył tylko pompę za zaworem 4d i włączył pompę do cwu na stałe jako kotłową i będzie działac
tomd5 Opublikowano 16 Stycznia 2017 Autor #12 Opublikowano 16 Stycznia 2017 Chce mieć zrobione tak jak pisze dwa lub trzy niezależne układy a kwestia pieniędzy hmmm częściowy może nakład będzie ale nie wszystko. Gdybym trafił na to forum szybciej to wybrał bym piec Biawara na pellet i inaczej to wszystko rozegrał ale może się uda sprzedać ten piec za dobre pieniądze komuś innemu t_d :)
odpowietrznik Opublikowano 16 Stycznia 2017 #13 Opublikowano 16 Stycznia 2017 U ciebie problemem sa wspólne rury do grzejników i OP. odpowiedniej wielkości zaw.3d na OP +odpowiednie średnice rur do tego pompa na powrocie z 4D bo obieg kotłowy jest w tej chwili na małym przekroju rur i będzie OK
tomd5 Opublikowano 16 Stycznia 2017 Autor #14 Opublikowano 16 Stycznia 2017 Rura z pieca i zasilanie do podłogówki mają być nowe tylko kwestia czy dwa zasilania podłogówek czy jedno jedna pompa czy dwie t_d :)
odpowietrznik Opublikowano 16 Stycznia 2017 #15 Opublikowano 16 Stycznia 2017 Zależy ile tej podłogówki jest i jak ma być sterowana.Jeżeli chciałbyś pozostać przy zaworach 3D takich jak masz teraz czyli typu VTA(sterowanie stałotemperaturowe) to na jednym zaworze przy tej ilości podłogówki 18pętli? nie pójdzie nawet przy największym czyli VTA 572.Musiałyby być dwa takie zawory i oczywiście wtedy 2pompy. Chcąc zrobić całą podłogówkę na jednej pompie musiałbyś zastosować zawór 3D z siłownikiem typu VRG wtedy sterownik Twojego kotła musiałby mieć możliwość sterowania siłownikiem tego typu zaworu,przy tej opcji można też sterować obiegiem OP pogodowo(o ile sterownik kotła ma taką funkcję)
tomd5 Opublikowano 16 Stycznia 2017 Autor #16 Opublikowano 16 Stycznia 2017 Z szaf układy pompujące idą precz tam idzie tylko zasilanie. Na zaworze 3 drogowym chciałbym afriso plus siłownik jest 18 pętli przyjmując że każda ma do 80 m i myślę czy nie wywalić tego zaworu 4d i zrobić wszystko na 3d t_d :)
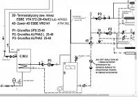
tomd5 Opublikowano 23 Stycznia 2017 Autor #17 Opublikowano 23 Stycznia 2017 Zależy ile tej podłogówki jest i jak ma być sterowana.Jeżeli chciałbyś pozostać przy zaworach 3D takich jak masz teraz czyli typu VTA(sterowanie stałotemperaturowe) to na jednym zaworze przy tej ilości podłogówki 18pętli? nie pójdzie nawet przy największym czyli VTA 572.Musiałyby być dwa takie zawory i oczywiście wtedy 2pompy. Chcąc zrobić całą podłogówkę na jednej pompie musiałbyś zastosować zawór 3D z siłownikiem typu VRG wtedy sterownik Twojego kotła musiałby mieć możliwość sterowania siłownikiem tego typu zaworu,przy tej opcji można też sterować obiegiem OP pogodowo(o ile sterownik kotła ma taką funkcję) Odpowietrznik myślisz że jedna pompa Grundfos Alpha2L 25 60 da radę na te 18 pętli? Zasilanie pójdzie Cu 28 obieg kotłowym Cu 35 zawór 3 d 1" kvs 12 czy nie ryzykować i dwa osobne obiegi? t_d :)
Gość Digitrax Opublikowano 23 Stycznia 2017 #18 Opublikowano 23 Stycznia 2017 U mnie jedn pompa Grundfos 25/60 zasila 13 pętli na 2 kondygnacjach o sumarycznej długości rur z podłodze 800 m. Na parterze jest 10 obwodów zasilanych rura Cu 28 a na piętrze 3 obwody zasilane rurą Cu 22. Za pompą jest podział na Cu 28 i Cu 22. Zawór 3D 1" wraz z pompą znajduje się na parterze. Pompa pracuje na 1 biegu a przepływy na rotametrach pokazują po 1,5 litra. ps: nie baw się z 4d bo będziesz żałować.
tomd5 Opublikowano 23 Stycznia 2017 Autor #19 Opublikowano 23 Stycznia 2017 Wiem wiem właśnie modyfikuje kotłownie i wrzucam 4d bo ten pan co robił spartolił robotę i robię tak jak ja chcę to głównie dzięki temu forum dowiedziałem się wielu rzeczy. Łączna wartość rur jaka mam na ogrzewanie podłogowe to 1100 mb t_d :)
odpowietrznik Opublikowano 23 Stycznia 2017 #20 Opublikowano 23 Stycznia 2017 Odpowietrznik myślisz że jedna pompa Grundfos Alpha2L 25 60 da radę na te 18 pętli? Zasilanie pójdzie Cu 28 obieg kotłowym Cu 35 zawór 3 d 1" kvs 12 czy nie ryzykować i dwa osobne obiegi? t_d :) 1)Jak któraś z pętli podłogówki nie jest zbyt długa powiedzmy do 100m to ta pompa da radę. 2)Zasilanie i powrót do pierwszego rozdzielacza od zaw.3D CU fi.35 a do kolejnych rozdzielaczy w zalezności od ilości pętli w każdym z nich 3)Zawór 3D typu VRG o Kvs=12 jest dwa razy za duży.Kvs=6,3 aż świat chociaż pewnie wystarczyłby 4Kvs
Rekomendowane odpowiedzi
Zarchiwizowany
Ten temat przebywa obecnie w archiwum. Dodawanie nowych odpowiedzi zostało zablokowane.