wojteqf Opublikowano 4 Grudnia 2016 #1 Opublikowano 4 Grudnia 2016 Witam,- Dom - 110m2 - Grzejnik 40m2 pow - aktualnie nie zamontowane- Podłogówka - 70m2 - 5 obwodów najdłuższy jakieś 80m.- Kocioł jak w temacie.w zeszłym tygodniu zamontowano mi kociołek i kazano czekać bo musi nagrzać. Nagrzało się, ale są problemy.W pokoju gdzie jest rozdzielnia mam 20oC.W najbardziej oddalonym pokoju już tylko 15oCNa sterowniku mam ustawioną temp. podłogówki 24oC i wtedy jakos to działa. Jak na próbę podniosłem na sterowniku do 30oCto po 24h sterownik pokazywał 26oC i temp. kotła 36oC (ustawione 60oC) - czyli nie dal rady nagrzać?Pompy od lewej - 1).woda w zasobniku 2). rozdzielnia od grzejników w piwnicy 3). podłogówka na górze. - taśmą na rurze powrotnej jest przylepiony czujnik temperatury od sterownika w kotle.Wcześniej był zamontowany na wejściu ciepłej wody tuż przy pompie. Monter co robił strasznie zalatany i nie wiadomo kiedy będzie miał czas rzucić na to okiem.Może ktoś stąd coś doradzi :)
Andrzej_M_ Opublikowano 4 Grudnia 2016 #2 Opublikowano 4 Grudnia 2016 ,,,, Monter co robił strasznie zalatany i nie wiadomo kiedy będzie miał czas rzucić na to okiem. Może ktoś stąd coś doradzi :) Pozwolisz, że tylko rozważę zamieszczone przez Ciebie zdjęcia z perspektywy elektrycznej. Jest tych błędów sporo i nie jestem pewien czy wszystkie udało mi się wypatrzyć. 1 - rury nie służą do mocowania instalacji elektrycznej 2 - kostki zaciskowe powinny być zainstalowane w puszkach o odpowiednim IP 3 - przyłącze elektryczne pomp powinno być od dołu pompy 4 - przewody elementów pomiarowych nie powinny być prowadzone razem z przewodami zasilania elektrycznego 5 - gniazda elektryczne powinny być usytuowane w odpowiedniej odległości (strefa) 6 - gniazda elektryczne powinny posiadać odpowiedni stopień ochrony IP, zabezpieczających przez szkodliwymi skutkami wnikania wody 7 - wylot zaworu bezpieczeństwa nie może być usytuowany nad urządzeniami elektrycznymi 8 - nie powinno być instalowanych żadnych zaworów odcinających na drodze do zaworu bezpieczeństwa i naczynia wzbiorczego
wojteqf Opublikowano 4 Grudnia 2016 Autor #3 Opublikowano 4 Grudnia 2016 Dzięki za zwrócenie uwagi. z kabelkami się uporam i gniazdko przeniosę.
balbulus Opublikowano 4 Grudnia 2016 #4 Opublikowano 4 Grudnia 2016 Na pewno warto ocieplić rurki w piwnicy. Czujnik przyklejony do powrotu działa jako czujnik temperatury kotła? Jeżeli tak,kocioł nigdy nie osiągnie zadanej-zimna woda powracająca z podłogówki skutecznie chłodzi układ.
wojteqf Opublikowano 4 Grudnia 2016 Autor #5 Opublikowano 4 Grudnia 2016 to gdzie ma byc umiejscowiony ten czujnik?to jest czujnik podłogówki, dla którego wpisuję temperaturę podłogówkina sterowniku jaką chce osiągnąć.wcześniej hydraulik przyczepił go na zasilanie rozdzielni podłogówki. ale jak tylko ciepla woda z kotła dopłyneła do czujnika to od razu pompa się wyłączała. Przerzuciłem go na powrót, ale potrafi odebrać temperature max 25stopni i wtedy działa okej. jak ustawię temperature na sterowniku podłogówki 30 stopni, to cały czas pokazuje 25stopni i kocioł zasuwa pełną mocą nie mogąc sie nagrzać
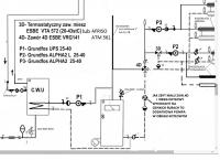
odpowietrznik Opublikowano 4 Grudnia 2016 #6 Opublikowano 4 Grudnia 2016 Powinno być wykonane jak w załączniku.Czujnik powinien być za pompą na grzejniki(P3).Przy zaworze 3D stałotemperaturowym na podłogę czujnik nic nie daje.Dopiero przy zaw.3D z siłownikiem sterownik kotła może nim sterowac wtedy czujnik za pompą na podłogę.
wojteqf Opublikowano 4 Grudnia 2016 Autor #7 Opublikowano 4 Grudnia 2016 Powinno być wykonane jak w załączniku.W ogóle coś obniża temperaturę na podłogówkę?bo na zdjęciach nie widzę zaw.3D dzięki za schemacik. Wygląda wszystko, że jest tak pospinane jak na schemacie. Widocznie wszystko tkwi w sterowniku bądź jeszcze jakis czujnik temp. jest nie na tej rurce :/
odpowietrznik Opublikowano 4 Grudnia 2016 #8 Opublikowano 4 Grudnia 2016 a kocioł jest w układzie otwartym?
wojteqf Opublikowano 4 Grudnia 2016 Autor #9 Opublikowano 4 Grudnia 2016 tak CWU -jest okej rozdzielacz na grzejniki okej. tylko jak zwiększę temperaturę podłogówki to wychładza mi piec. czytam i czytam i problem może być w zaworze 4D.
odpowietrznik Opublikowano 4 Grudnia 2016 #10 Opublikowano 4 Grudnia 2016 i niby ta rura jak w załączniku idzie do naczynia?a sor w poscie #2 już kolega zwrócił uwagę na ten błąd instalacji.Nie polecam zaworu 4D same kłopoty z nim.
wojteqf Opublikowano 4 Grudnia 2016 Autor #11 Opublikowano 4 Grudnia 2016 patrzę i nie rozumiem co jest inaczej
odpowietrznik Opublikowano 4 Grudnia 2016 #12 Opublikowano 4 Grudnia 2016 Wygląda na to ze instalacja jest poprawnie wg.schematu.Oczywiscie nie jest bezpieczna bo na drodze do naczynia i zaworu bezpieczeństwa nie powinno być zadnej armatury a sama rura do naczynia stal 1" lub Cu28(jak dobrze widzę ze zdjęć to Cu 28 jest przeredukowana na Cu 22) A jaka temp idzie na instalację?(brak jest termometrów na zasilaniu za pompą na grzejniki ,na powrocie do kotła i trzeci na zasilaniu podłogówki)
Rekomendowane odpowiedzi
Zarchiwizowany
Ten temat przebywa obecnie w archiwum. Dodawanie nowych odpowiedzi zostało zablokowane.