Skocz do zawartości
IGNOROWANY

Jak Wpiąć Rozdzielacz Podłogówki Z Pompą I Termostatycznym Zaworem Mieszającym


Maciek92

Rekomendowane odpowiedzi

Opublikowano

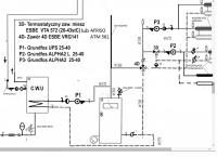
Mam zagwozdkę... Lepimy instalację po instalatorze, który zostawił robotę w połowie i zniknął. Grzejniki na rozdzielaczach zwykłych (parter - 6 sekcji, piętro - 6 sekcji), ogrzewanie podłogowe tylko na parterze (7 sekcji, łącznie około 150 m2), zasilane z rozdzielacza Kan-Therm 71A z grupą pompową (pompa Wilo 25/40) z termostatycznym zaworem mieszającym ESBE VTA322 (zawór do CWU, ale to stan zastany i lepiej, żeby został; zresztą, zasada działania jest dość podobna do VTA 5xx). Kocioł ze sterowaniem HT-Tronic 800. Krótki obieg grawitacyjny, zawór 4D 5/4'', zbiornik CWU wpięty przed 4D. Sprawa jest taka - podłogówka zostanie wpięta za 4D, ale dylemat mam czy wpinać ją za pompą na grzejniki czy przed. Patrzyłem po schematach w necie, ale nigdzie nie ma nic pewnego a sami w 99% przypadków robimy to na grupach pompowo-mieszających zlokalizowanych przy kotle i jak widzę grupę podpiętą do samego rozdzielacza to jednak trochę głupieję.

 

Plan początkowy to wpinka przed pompą grzejnikową, żeby móc niezależnie grzać podłogówką i grzejnikami, ale zacząłem się zastanawiać czy to na pewno dobre rozwiązanie i czy pompa z rozdzielacza w ogóle zaciągnie sobie wodę w podłogówkę.

 

Instalator instalatorem, ale czasami lepiej 3 razy zapytać niż trzasnąć babola i potem robić poprawki :-).

Opublikowano

Tak tez zostalo to wykonane po konsultacji z doradca technicznym Esbe. Ale tak czy siak, podziekowal za schemat. Wrzucilem sobie do bazy materialow, w razie gdybym jeszcze kiedys zlapal zonka spinajac taki mieszacz z reszta instalacji.

 

Ot zycie, czasami takie proste rzeczy wydaja sie takie skomplikowane :-)

Opublikowano

Dzięki za odpowiedź, mam jeszcze jedno pytanie, a gdybym w przyszłości chciał w taki układ że schematu wpiąć drugie źródło ciepła np. Kocioł gazowy kondensacyjny to jak powinien wyglądać prawidłowy schemat?

Opublikowano

Całkowicie inaczej, ponieważ kotły gazowe w 95% wymagają instalacji zamkniętej a węglowe otwartej.

Opublikowano

Ten pierwszy układ właśnie myślałem zrobić, na ten czas instalacja będzie tylko na kotle na paliwo stałe, ale może kiedyś właściciel będzie chciał zamontować kocioł kondensacyjny więc ważne jest żeby to że sobą dobrze współpracowało i nie było późniejszych przeróbek i komplikacji. Robiłem już kilka instalacji na zaw 4d ale jeszcze nie tak rozbudowane. Dzięki za pomoc.

A tak na marginesie jaką elektronikę polecacie do wysterowania tego układu zakładając że kocioł węglowy nie ma żadnego sterowania(tylko obsługa dmuchawy i jednej pompy, bez pid)?

Opublikowano

 

Może co do poprawności schematu(ów) niech wypowiedzą się jeszcze koledzy z większym doświadczeniem.Pozostaje jeszcze motyw sterowania tym wszystkim czyli głównie chodzi o to aby kocioł gazowy uruchamiał się automatycznie gdy wygasa w kotle węglowym.

Tylko jak instalacja nie jest robiona od razu z kotłem gazowym to niestety właściciel póki co będzie musiał pójść w koszty(zasobnik z dwiema wężownicami) a z tego co piszesz wcale nie jest pewne czy w ogóle w przyszłości instalacja kotła gazowego dojdzie do skutku

Opublikowano

Oczywiście wpinajac kocioł gazowy zastosuje sprzęgło hydrauliczne, a zasobnik z dwiema wezownicami nie jest tak o wiele droższy a można spiąć je razem i będzie wtedy większa powierzchnia grzewcza na potrzeby cwu.

Opublikowano

Może zacznę od początku. Instalacja wygląda następująco na piętrze całość w podłogówce ok 11 sekcji (rozdzielacz z mieszaczem z siłownikiem i swoją pompą 60)  i dodatkowo małe grzejniki (na górze)w ilości 8 sztuk(tak chce inwestor) na dole same grzejniki część z domu(na dole) z rozdzielacza rury pod podłogą 4 sztuki (modernizacja części domu) część puszczona tradycyjnie po ścianach 4 sztuki całość instalacji grzejnikowej z jednej pompy autoadaptacyjnej 60.

Ze względu na to że stary kocioł węglowy zostaje i palą nim starsi ludzie to chciałbym zostawić układ otwarty, zawór 4 drogowy przez zaworem wpięcie na podgrzewacz cwu, po zaworze 4d wpięcie podłogówki. Ale docelowo w tym domu bedą mieszkali młodzi ludzie którzy będą kiedyś chcieli założyć kocioł gazowy i dlatego chciałbym to tak zrobić żeby uniknąć dużych przeróbek i montowania wymiennika ciepła na pomiędzy instalacją co i kotłem.

Proszę o poradę znawców tematu :)

Opublikowano

Instalacja została zmontowana wg schematu z postu 2. Dzięki wielkie za pomoc a użytkownikowi Sambor podwójne dzięki za wkład we wcześniejsze posty na forum w tym temacie które otworzyły mi oczy na prawidłowe wykonywanie instalacji co cwu

Zarchiwizowany

Ten temat przebywa obecnie w archiwum. Dodawanie nowych odpowiedzi zostało zablokowane.

  • Ostatnio przeglądający   0 użytkowników

    • Brak zarejestrowanych użytkowników przeglądających tę stronę.
×
×
  • Dodaj nową pozycję...

Powiadomienie o plikach cookie

Używając tej strony zgadzasz się na Polityka prywatności.