Skocz do zawartości
IGNOROWANY

Schemat Co Proszę O Sprawdzenie


piop

Rekomendowane odpowiedzi

Opublikowano

Witam,

 

Bardzo bym prosił o sprawdzenie i komentarze do instalacji.

 

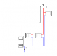
Przy wymianie kotła chcę dodać zasobnik 140L z podwójną wężownicą i 1 grzejnik w dobudowanej łazience na poddaszu, wymiennik na poddaszu bo akurat pod skosami nie będzie zawadzał, a kotłownia jest ciasna. Wymiennik z odcięciem od CO żeby można było podłączyć solar własnej budowy.

 

Chcę zachować układ grawitacyjny więc koncepcję mam taką żeby zamiast pomp dać elektrozawory kulowe, tu pytanie, czy zawór 1 cal, na powrocie CO 1,5cala to będzie te punktowe zwężenie przepływu i będzie ok? Powyżej 1 cala ciężko znaleść, a jak już to ceny powalają. O ile one się w ogóle nadają.

 

Naczynie wzbiorcze jest na końcu instalacji rurą 1/2, zastanawiałem się czy przełożyć naczynie żeby było nad kotłem ale przecież są skosy, i powietrze wędruje tam gdzie jest obecnie.

 

Układ grawitacyjny, kocioł DS.

 

Stan istniejący:

post-53599-0-41683100-1436095085_thumb.png

Projektowany:

post-53599-0-89187000-1436094784_thumb.jpg

 

istniejący:

post-53599-0-97526200-1436094836_thumb.jpg

projektowany:

post-53599-0-15731900-1436094813_thumb.jpg

Opublikowano

"Projektowany" układ nie będzie działał.

Do grzania wody będzie działał zasobnik dwupłaszczowy umieszczony blisko kotła np w kotłowni,

ponadto elektrozawór na obwodzie CO może przeszkadzać w prawidłowej pracy grawitacyjnej CO, nie wspomnę już o grzaniu wody.

Opublikowano

Oj, no to się trochę zawiodłem :|

 

Jeśli zasobnik będzie w liniach prostych od wyjścia kotła 3m w górę i 1,5 metra w bok, to będzie ok?

 

Nieśmiało chciał bym spytać dlaczego dwupłaszczowy tak a wężownica nie, kocioł będzie 12KW a wymienniki dwupłaszczowe mają dużo większą moc.

 

Elektrozawory kulowe mają tylko umożliwić grzanie CUW na wyższą temperaturę niż CO, może jest inny sposób? Pomijając pompy oczywiście.

Opublikowano

Zasobnik płaszczowy ma dużo mniejsze opory przepływu niż zasobnik z wężownicą.

Z tą lokalizacją to musisz próbować, może przy rurach min 1,5" i zasobniku płaszczowym pójdzie takie grzanie, ale tylko może.

Jeżeli dasz elektrozawory o małych oporach hydraulicznych , nie zwężających średnicy przepływu i będą one otwierane na max to może się grawitacja uda.

Zawór 1" na rurze 1,5" cala to jest ponad 4x większy opór hydrauliczny

Natomiast przy jakiś membranowych to wątpię aby grawitacja działała.

 

Polecam poczytać  http://www.instsani.pl/projc14.htm

 

PS 

Jak chcesz podnosić temp wody grzewczej do grzania CWU i po co to ma być?

takie rozwiązanie jest dobre dla kotła z podajnikiem lub gazowego a nie dla DS-a.

Opublikowano

Ok dzięki będę walczył.

 

Temp wody chciałem podnosić miarkownikiem MCI, w sterowniku jest opcja priorytet CWU. A po co? Żeby wody nie zabrakło, chociaż nie wiem w sumie jak to w praktyce wygląda, teraz mam przepływowy elektryczny i oglednie mówiąc nie jestem zadowolony z tego rozwiązania, ale kiedyś miałem boiler i zawsze brakowało.

Opublikowano

Witam ponownie,

mam pewien problem, w nowym kotle powrót jest dużo wyżej niż w starym, jest wyżej nawet niż rura wychodząca ze sciany (po drugiej stronie jest w podłodze, kotłownia jest niżej od reszty domu), chodzi mi o zachowanie grawitacji, czy można zrobić kawałek powrotu pionowo do góry? Rura od ściany do kotła ma około 80cm długości, i tak się wznosi w stronę kotła, ale bardzo łagodnie, niestety w tym miejscu trzeba przechodzić, nawet w stanie obecnym jest bardzo niewygodnie.

 

Na rysunku na czarno jest stan istniejący, na czerwono i zielono jak wymyśliłem żeby zrobić.

 

Bardzo bym prosił o pomysły i komentarze.

post-53599-0-30328000-1436232143_thumb.jpg

Opublikowano

Możesz tak zrobić i krzywdy dla grawitacji nie będzie. Wstawiłbym tylko w najniższym punkcie zawór spustowy, tak by była możliwość całkowitego opróżnienia układu.

  • 2 tygodnie później...
Opublikowano

Witam ponownie,

 

Już mam większość części i biorę sie za montaż, prosiłbym o komentaż czy to wygląda ok, trochę sie obawiam że powroty z cwu i co będą sie przepychać w rurach zamiast iść do kotła (to układ grawitacyjny).

 

post-53599-0-24525900-1437146290_thumb.jpg

Zarchiwizowany

Ten temat przebywa obecnie w archiwum. Dodawanie nowych odpowiedzi zostało zablokowane.

  • Ostatnio przeglądający   0 użytkowników

    • Brak zarejestrowanych użytkowników przeglądających tę stronę.
×
×
  • Dodaj nową pozycję...

Powiadomienie o plikach cookie

Używając tej strony zgadzasz się na Polityka prywatności.