Skocz do zawartości
IGNOROWANY

Nietypowe Naczynie Wzbiorcze?


sercezwegla

Rekomendowane odpowiedzi

Opublikowano

Witam,

 

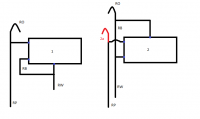
w ramach modernizacji istniejącej instalacji zakupiłem nowe naczynie wzbiorcze w formie walca. Przed zakupem wyglądało OK, ale po dostarczeniu zaniepokoiło mnie rozstawienie przyłączy i ich ilość (trzy; jedno od spodu, dwa z boku).

 

Bardzo proszę o sugestię w oparciu o dołączony rysunek.

 

Poprawna jest wersja 1, 2 czy 2a?

 

Z góry dziękuję za wszelkie rady.

Pozdrawiam.

 

post-59437-0-97323400-1410475568_thumb.png

Opublikowano

Witaj!!!

Wersja 2a poprawna  RO na RB zbędne otwory(wszystkie) do zbiornika powinny mieć 1cal

 cytat z normy:

 

Rura odpowietrzająca. Wewnętrzna średnica rury odpowietrzającej powinna wynosić nie mniej jak 15 mm

oraz nie powinna być mniejsza niż średnica rury odpowietrzającej instalację, doprowadzonej do naczynia

wzbiorczego. Rura odpowietrzająca może być podłączona bezpośrednio do naczynia wzbiorczego lub rury

przelewowej (rys.1 wersja I i II).

2.9 Zabezpieczenie przepustowości rur. Na rurach bezpieczeństwa, wzbiorczej, przelewowej, odpowietrzającej

nie można umieszczać armatury umożliwiającej całkowite lub częściowe zamknięcie przepływu, ani urządzeń i

armatury zmniejszającej pole przekroju wewnętrznego.

 pozdrawiam.henryk1953

  • 2 lata później...
Opublikowano

Panowie przepraszam że odgrzewam starego kotleta ale nie chce dublować wątku. U mnie podobnie jak u kolegi są 2 kroćce z boku i 1 z góry. Podłączyłem wg schematu 2a. Naczynie 80l połączone bezpośrednio od kotła rurą RB/RW CU 28. W instalacji bufor 1000l. Śrubunki 1'', całość rury miedziane CU 28, zamiast kolanek łuki. Możecie zweryfikować poniższe zdjęcia czy jest ok? Oczywiście do trójników dojdą rurki CU 28. Tam gdzie fajka to RP, a ta druga to RB/RW.

post-71179-0-89920700-1497813358_thumb.jpg

post-71179-0-41926400-1497813392_thumb.jpg

Opublikowano

wzorcowo

Opublikowano

Fajkę pociągnij wyżej ponad RB.

Opublikowano

A rura przelewowa gdzie.????

Ma być tak - rura RB od góry  tak jak masz ,,Od RB do do najniższego otworu  RW  od wyższego otworu RP  ,fajkę zamontuj na kolanku rury RB,

ps  teraz zauważyłem ze masz odpływ . jest OK

Opublikowano

fajkę zamontuj na kolanku rury RB,

Nie bo przy gotowaniu wyrzuci przez fajkę.

Opublikowano

Dzięki za odpowiedzi! :)

 

Fajkę pociągnij wyżej ponad RB.

 

Czy to coś da więcej? Domyślam się że z przelewu nie będzie aż tak woda bulgotać do fajki ale zastanawiam się czy para nie będzie wtedy miała dłuższej drogi do pokonania, bo rozumiem że do tego jest ta fajka - do odparowania :)?

 

Pozdrawiam

Opublikowano

Ty większy problem będziesz miał z zabezpieczeniem zbiornika przed zamarznięciem , to co dotychczas zrobileś jest nie wystarczające ,zgodnie z przepisami to sie robi inaczej , Poszukaj normy tam jest to opisane jak to ma wyglądać i ile otworów ma mieć zbiornik wyrównawczy.

Opublikowano

Zapoznałem się z normą, ale.... po zakupie naczynia. Myślałem że wszystkie mają standardowe ale to ma 3 kroćce. I to mój błąd. Rurki będę jeszcze owijał wełną. Zbiornik będzie na stryszku ocieplonym wełną. Myślę, że minusa tam raczej nie będzie.. Rozumiem, że w razie problemów będzie trzeba zrobić rurę cyrkulacyjną.

Opublikowano

Rura bezpieczeństwa ma być połączona z pustą przestrzenią w naczyniu zbiorczym, a nie z żadnymi fajkami. Koniec, kropka.

Opublikowano

Zapoznałem się z normą, ale.... po zakupie naczynia. Myślałem że wszystkie mają standardowe ale to ma 3 kroćce. I to mój błąd. Rurki będę jeszcze owijał wełną. Zbiornik będzie na stryszku ocieplonym wełną. Myślę, że minusa tam raczej nie będzie.. Rozumiem, że w razie problemów będzie trzeba zrobić rurę cyrkulacyjną.

Kabelek grzewczy plus odpowiedni termostat -owinąć  rurę RB,od dołu ,bo tam w pierwszej kolejnosci ci zamarznie .Wystarczy kabelek góra 100wat.Ustawisz na 0 stopni i wtedy tylko bedzie grzała grzalka.Myśle ze warto nad tym się zastanowić.

Zarchiwizowany

Ten temat przebywa obecnie w archiwum. Dodawanie nowych odpowiedzi zostało zablokowane.

  • Ostatnio przeglądający   0 użytkowników

    • Brak zarejestrowanych użytkowników przeglądających tę stronę.
×
×
  • Dodaj nową pozycję...

Powiadomienie o plikach cookie

Używając tej strony zgadzasz się na Polityka prywatności.