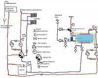
Włóczikij Opublikowano 7 Września 2014 #1 Opublikowano 7 Września 2014 Witam chciałem dołączyć do kotła CO na węgiel instalacje CWU. Część CO jest wykonana i pracuje poprawnie, układ otwarty, zawór czterodrożny i rury 1,5", sterownik kotła obsługuję prace dwoma pompami. Naszkicowałem taki schemat.
sambor Opublikowano 7 Września 2014 #2 Opublikowano 7 Września 2014 Schemat grzania CWU jest prawidłowy - w czym problem? Pozdr.
Włóczikij Opublikowano 7 Września 2014 Autor #3 Opublikowano 7 Września 2014 Ogólnie chciałem upewnić się czy wszystko zostało poprawnie umieszczone na swoim miejscu. Ale mam jeszcze kilka pytań. Czy warto montować zawór 3D na wyjściu wody użytkowej? Jaką pompę warto zamontować do obiegu CWU, czy zwykła kotłową? Sterownik przystosowany do pracy z dwoma pompami w trybie równoległym. Jaki zawór bezpieczeństwa powinien być przy naczyniu przeponowym? Czujnik CWU mam o długości 3m. a będę potrzebował ok. 5 m. czy brakujące metry mogę dolutować z jakiegoś innego kabla czy muszę kupić nowy czujnik z odpowiednią długością w całości?
sambor Opublikowano 7 Września 2014 #4 Opublikowano 7 Września 2014 Po kolei - tak warto , ale termostatyczny z nastawą np 50C, a wodę wtedy możesz grzać do 60C lub więcej - pompa jakaś prosta , kotłowa 25/40 wystacza - zawór bezpieczeństwa 6bar - tak możesz, tylko dobrze zaizoluj połączenie Pozdr.
Włóczikij Opublikowano 7 Września 2014 Autor #5 Opublikowano 7 Września 2014 Domalowałem zawór termostatyczny 3D.
sambor Opublikowano 7 Września 2014 #6 Opublikowano 7 Września 2014 Tak , jest OK, ale aby było całkiem w porządku to daj jeszcze zawór zwrotny na rurze napełniania obwodu CO - aby się nie cofała brudna woda z instalacji Co do instalacji wody pitnej. Pozdr
Włóczikij Opublikowano 7 Września 2014 Autor #7 Opublikowano 7 Września 2014 OK, w sumie nigdy mi się jeszcze nie zdało aby w ten sposób woda się cofnęła. Podczas dolewania w sieci mam ciśnienie 2,5-3,5 bara. A jakie mam w obwodzie kotła CO tego nie wiem ale podejrzewam ze chyba o wiele niższe niż w sieci wodociągowej. To jest układ CO otwarty. Od kotła do naczynia wzbiorczego mam ok.8,5m wysokości. Podejrzewam ze ciśnienie hydrostatyczne (słupa cieczy) nie przekracza 0,8 bara
majschi Opublikowano 7 Września 2014 #8 Opublikowano 7 Września 2014 OK, w sumie nigdy mi się jeszcze nie zdało aby w ten sposób woda się cofnęła. Podczas dolewania w sieci mam ciśnienie 2,5-3,5 bara. A jakie mam w obwodzie kotła CO tego nie wiem ale podejrzewam ze chyba o wiele niższe niż w sieci wodociągowej. To jest układ CO otwarty. W przypadmu awarii sieci wodociągowej ciśnienie może spaść poniżej ciśnieniu w Twojej instalacji i wtedy jest ryzyko cofnięcia się wody. Zawór zwrotny zapobiegmie takiej sytuacji.
Włóczikij Opublikowano 7 Września 2014 Autor #9 Opublikowano 7 Września 2014 Ale do obiegu CO jeśli jest taka potrzeba wodę dolewam ręcznie za pomocą zaworu kulowego który na co dzień jest cały czas zakręcony. Musiałbym być niesamowicie rozkojarzony i mieć niezłego pecha żeby uzupełniać układ wodą wtedy kiedy jej nie ma w wodociągu.
majschi Opublikowano 7 Września 2014 #10 Opublikowano 7 Września 2014 . Musiałbym być niesamowicie rozkojarzony i mieć niezłego pecha żeby uzupełniać układ wodą wtedy kiedy jej nie ma w wodociągu. Przezorny zawsze ubezpieczony
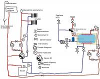
Włóczikij Opublikowano 7 Września 2014 Autor #11 Opublikowano 7 Września 2014 Co mi się jeszcze rzuciło w oczy w przypadku braku wody w wodociągu to aby przesunąć zawór zwrotny jeszcze przed zaworem 3D na zasilaniu H2O. Czy tak morze być? Czy możecie jeszcze spojrzeć w miejsca pomp CWU i CO pod kontem zaworów zwrotnych. Pompy będą pracować równolegle a nie naprzemiennie.
majschi Opublikowano 7 Września 2014 #12 Opublikowano 7 Września 2014 Co mi się jeszcze rzuciło w oczy w przypadku braku wody w wodociągu to aby przesunąć zawór zwrotny jeszcze przed zaworem 3D na zasilaniu H2O. Czy tak morze być? Nie może tak być ponieważ aby wymienić jakąkolwiek barerie ( lub usunąć jakąkolwiek awarie) po zakręceniu zaworu głuwnego będziesz musiał spuścić również wodę z bojlera Zawór zwrotny montujesię na zasilaniu bojlera w zimną wodę pomiędzy zaworem odcinającym a zasobnikiem . Pompy będą pracować równolegle a nie naprzemiennie. Latem zapewne będzie pracować tylko pompa CWU Zawory zwrotne przy pompach obiegowych masz prawidłowo umiejscowione
Włóczikij Opublikowano 8 Września 2014 Autor #13 Opublikowano 8 Września 2014 Nie może tak być ponieważ aby wymienić jakąkolwiek barerie ( lub usunąć jakąkolwiek awarie) po zakręceniu zaworu głuwnego będziesz musiał spuścić również wodę z bojlera Zawór zwrotny montujesię na zasilaniu bojlera w zimną wodę pomiędzy zaworem odcinającym a zasobnikiem Troszkę się już pogubiłem. Czyli poprzedni schemat był poprawny? Tylko ze w poprzednim schemacie w przypadku zaniku ciśnienia w wodociągu wydawało mi się ze woda z bojlera wypłynie przez zawór mieszający. Co i w którym miejscu mam dołożyć lub przesunąć?
Włóczikij Opublikowano 8 Września 2014 Autor #14 Opublikowano 8 Września 2014 Nie może tak być ponieważ aby wymienić jakąkolwiek barerie ( lub usunąć jakąkolwiek awarie) po zakręceniu zaworu głuwnego będziesz musiał spuścić również wodę z bojlera Zawór zwrotny montujesię na zasilaniu bojlera w zimną wodę pomiędzy zaworem odcinającym a zasobnikiem Dalej nie kapuje o co koledze chodziło. W ostatnim zamieszczonym schemacie za zaworem 3D i zaworem zwrotnym na zasilaniu H2O są zawory kulowe odcinające. Zakręcając je w mieszkaniu śmiało będzie można wymieniać baterie itp. Czy chodziło o to aby jeszcze dołożyć po zaworze odcinającym jako pierwszy element zaraz na wyjściu wody użytkowej? W taki sposób aby można było bez spuszczania wody z bojlera zdejmować naczynie przeponowe i zawór 3D? Jak w poniżej zamieszczonym, schemacie.
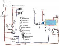
majschi Opublikowano 9 Września 2014 #15 Opublikowano 9 Września 2014 Zademonstruje to obrazkowo W taki sposób aby można było bez spuszczania wody z bojlera zdejmować naczynie przeponowe i zawór 3D? Naczynie przeponowe możesz zamontować za pomocą dedykowanego złądza z zaworem zwrotnym
Włóczikij Opublikowano 9 Września 2014 Autor #16 Opublikowano 9 Września 2014 Zademonstruje to obrazkowo OK jak poniżej schemacik. Od razu nasuwa mi się pytanie czy podczas awarii wodociągów kiedy spada ciśnienie w sieci to w tym przypadku woda z bojlera czasami nie ucieknie mi przez zawór mieszający 3D wprost do sieci?
Włóczikij Opublikowano 11 Września 2014 Autor #17 Opublikowano 11 Września 2014 Uwzględniając powyższe przemyślenia troszkę zmodyfikowałem schemat. Trochę tak głupio sam z sobą dyskutować ale co tam :)
sambor Opublikowano 11 Września 2014 #18 Opublikowano 11 Września 2014 I tak też może być zrobione, na zachodzie np w Niemczech zawór zwrotny przed doprowadzeniem zimnej wody do zaw 3-D jest obowiązkowy , u nas stosuje się przeważnie tylko jeden, ten na zimnej wodzie.
Włóczikij Opublikowano 12 Września 2014 Autor #19 Opublikowano 12 Września 2014 Mam pytanie jak się sprawują zawory 3D termostatyczne mieszające na wyjściu bojlera. Czy zawór 3/4 nie sprawi znaczne przydławienie przepływu ciepłej wody użytkowej? Czy odkręcając kran ciepłej wody od razu miesza na zadaną temp.? Chciałem uniknąć sytuacji w której i tak będzie trzeba wylać ileś tam litrów aby zawór się zdążył ustawić na zadana temp. Poniżej kilka informacji z manuala. VTA320_520_PL_D_LR.pdf VTA300_98140118_utgG_lr.pdf
sambor Opublikowano 12 Września 2014 #20 Opublikowano 12 Września 2014 Zawór termostatyczny miesza praktycznie bez zwłoki, lecz ciepła woda jak stoi w rurach to stygnie, w związku z tym jak odbiory są ponad 6m od bojlera to przydatna jest cyrkulacja. Ja bym dał jednak zawór 1" , jak będą pracowały na raz dwa odbiory np prysznic lub wanna i umywalka to będzie brakować ciepłej wody w kranach. ważny jest sposób montażu - powinno się stosować do zaleceń instrukcji montażu - rys C przypadki 1 i 2 Inaczej może się zaworem mieszającym wlewać do bojlera zimna woda , można zamiast tego syfonu dać po prostu jeszcze jeden zawór zwrotny.
Włóczikij Opublikowano 16 Września 2014 Autor #21 Opublikowano 16 Września 2014 Wracam ponownie na forum z swoją instalacją CWU, mianowicie rezygnuje z zaworu trójdrożnego termostatycznego jakoś nie do końca jestem przekonany iż będzie mi potrzebny w razie czego w późniejszym czasie go dołączę gdyby jednak okazał się konieczny. Chciałem skonsultować pewne zmiany jakie chce wprowadzić hydraulik. Na zasilaniu usunąć zawór różnicowy i zastąpić go zwykłym zaworem odcinającym oraz przełożyć zawór zwrotny za pompę w taki sposób aby grawitacyjnie nie przechodziło przez zawór zwrotny i tu zaczynam mieć wątpliwość. Hydraulik twierdzi ze na grawitacji klapowy i tak nie spełni swojej roli bo mosiężna klapka jest za ciążka aby ruszyć prawidłowo. Ale jeśli tam nic nie będzie tak jak na poniższym schemacie w tym przypadku po wygaszeniu kocioł będzie mi chłodzić bojler. :( Nie wiem może ten klapowy przesunąć na powrót albo jakieś inne rozwiązanie?
automatyk Opublikowano 16 Września 2014 #22 Opublikowano 16 Września 2014 to że wywaliłes zawor 3d to super bo to archaiczne rozwiazanie jak automatyki kiedys nie było teraz temp ma pilnowac automatyka i tyle w temacie ,nie wiem tylko po co te obejścia na zasobnik zamontuj tylko pompę zawór zwrotny możesz bez sprężyny i bedzie ok
Włóczikij Opublikowano 16 Września 2014 Autor #23 Opublikowano 16 Września 2014 Obejście jest na lato aby w grawitacji działało.
automatyk Opublikowano 16 Września 2014 #24 Opublikowano 16 Września 2014 Obejście jest na lato aby w grawitacji działało. bez obejscia prze zpompę tez działa na spokojnie no ale to zrób jak chcesz
Rekomendowane odpowiedzi
Zarchiwizowany
Ten temat przebywa obecnie w archiwum. Dodawanie nowych odpowiedzi zostało zablokowane.