walus87 Opublikowano 22 Czerwca 2014 #1 Opublikowano 22 Czerwca 2014 Witam czy moj pomysl zda egzamin? Czy mozna tak polaczyc zawor mieszajacy z podlogowka przepraszam za jakosc ale na szybko rysowane piec defro eko duo rozdzielaczhttp://www.dobo.pl/product-pol-1763-CAPRICORN-ROZDZIELACZ-NIERDZEWNY-DO-PODLOGOWKI-6OBWODOW.html same zawory termistatyczne na rozdzielaczu nie wystarcza do obnizenia temp w podlogiwce?
sambor Opublikowano 22 Czerwca 2014 #2 Opublikowano 22 Czerwca 2014 Nie to zły pomysł, brak pompy za mieszaczem. jak masz dwa nieduże obwody to daj podłogówkę na zaworach RTL. na rozdzielaczu nie ma zaworów termostatycznych, chyba że z kapilarami i kontrolą z zasilanych pomieszczeń . Mogą być siłowniki sterowane termostatami.
walus87 Opublikowano 22 Czerwca 2014 Autor #3 Opublikowano 22 Czerwca 2014 I te zawory gdzie montowac na zasilaniu czy powrocie obiegu? I tylko te zawory wystarcza? obiegi podlogowki malutkie jeden okolo 3 m2 drugi okolo 7 m2
sambor Opublikowano 22 Czerwca 2014 #4 Opublikowano 22 Czerwca 2014 Zawory RTL montuje się na powrocie przed samym rozdzielaczem - tu więcej http://instalhurt.sklep.pl/p/8/361/zawor-rtl-do-ogrzewania-podlogowego-honeywell--zawory-i-odpowietrzniki.html Powierzchnia podlogi to max 10m2 czyli tobie będzie OK. Oczywiście do każdej pętli osobny zawór.
walus87 Opublikowano 22 Czerwca 2014 Autor #5 Opublikowano 22 Czerwca 2014 Dziekuje bardzo za pomoc bo juz wariowalem od tych wszystkich schematow w internecie.
walus87 Opublikowano 23 Czerwca 2014 Autor #6 Opublikowano 23 Czerwca 2014 Jeszcze pytanie odnosnie naczynia przelewowego otwartego. Czy ten schemat podlaczenia jest dobry? jakimi rurkami go polaczyc? Spustowa 1 cal starczy? A podlaczenie w obieg moze isc z obwodu grzejnika czy bezposrednio z pieca?
sambor Opublikowano 23 Czerwca 2014 #7 Opublikowano 23 Czerwca 2014 Wystarczy 1" ale musi być bezpośrednio z kotła.
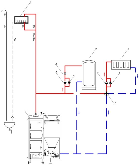
walus87 Opublikowano 28 Czerwca 2014 Autor #8 Opublikowano 28 Czerwca 2014 Prosze o zerkniecie czy jest ok. przepraszam za rysunek na kolanie ale.chwilowo lepiej nie mam jak
sambor Opublikowano 28 Czerwca 2014 #10 Opublikowano 28 Czerwca 2014 Dwa posty wyżej dałeś dobry rysunek, to czego go psujesz?
walus87 Opublikowano 28 Czerwca 2014 Autor #11 Opublikowano 28 Czerwca 2014 Tamten nie byl moj i chodzilo mi w nim o otwarte naczynie wzbiorcze. A w tym moim co jest nie tak ?
walus87 Opublikowano 28 Czerwca 2014 Autor #12 Opublikowano 28 Czerwca 2014 Po korekcie Teraz dobrze ?
majschi Opublikowano 28 Czerwca 2014 #13 Opublikowano 28 Czerwca 2014 Niestety nie jest Pompę co należy wstawić na powrocie pomiędzy kocioł a zawór 3d aby dbał o odpowiednią temperaturę powrotu Podobnie pompa cwu również powinna być na powrocie http://zapodaj.net/270258a4949c4.jpg.html
walus87 Opublikowano 28 Czerwca 2014 Autor #14 Opublikowano 28 Czerwca 2014 Ale pompy dodatkowe czy poprostu zamiast na zasilaniu to na powrocie? Zawor trojdrozny ma mieszczac wode z zasilania z ta z powrotu ? Pompe obiegowa co razemz bypassem przeniesc i na zasilaniu zostaic tylko prosto rurke zasilajaca?
sambor Opublikowano 28 Czerwca 2014 #15 Opublikowano 28 Czerwca 2014 Bez bypassów, zrób tak jak kolega post wyżej ci narysował. Tu nie będzie pracy grawitacyjnej to po co ten zawór różnicowy ?
majschi Opublikowano 28 Czerwca 2014 #16 Opublikowano 28 Czerwca 2014 Pompy należy przenieść z zaśilania na powrót Zawor trojdrozny ma mieszczac wode z zasilania z ta z powrotu ? Tak Najlepiej taki ustawiony na 55sC http://allegro.pl/term-zawor-mieszajacy-esbe-vta-322-35-60-c-1-gz-i4370398884.html Z bajpasa zrezygnuj bo jest zbędny
sambor Opublikowano 28 Czerwca 2014 #17 Opublikowano 28 Czerwca 2014 Lepszy jest stałotemperaturowy VTC 3xx np 55C przy VTA powinien być zawór dławiący na dopływie gorącej wody w celu regulacji przepływu, zawory VTC mają tą regulację w konstrukcji.
walus87 Opublikowano 28 Czerwca 2014 Autor #18 Opublikowano 28 Czerwca 2014 Zapomnialem ze na powrocie z 2 obiegow podloglowki sa zawory rtl , cos to zmienia? Rurki 1 cal rozdzielacz pex 16 Taki zawor.moze byc ? http://www.dobo.pl/product-pol-1663-TERMOSTATYCZNY-ZAWOR-MIESZAJACY-1CAL-35-60-AFRISO.html
majschi Opublikowano 28 Czerwca 2014 #19 Opublikowano 28 Czerwca 2014 Zapomnialem ze na powrocie z 2 obiegow podloglowki sa zawory rtl , cos to zmienia? nic to nie zmienia schemat poprawny można wziąć się za realizację
walus87 Opublikowano 28 Czerwca 2014 Autor #20 Opublikowano 28 Czerwca 2014 Ufff dziekuje bardzo za pomoc. Juz mi glowa pekala. to pierwsza instalacja w zyciu.
sambor Opublikowano 28 Czerwca 2014 #21 Opublikowano 28 Czerwca 2014 Ten zawór 3- D może być , ale lepszy jest ten http://allegro.pl/esbe-afriso-zawor-vtc511-mieszacz-fi-25-50-stopni-i4350594420.html Co do realizacji to uzupełnij ten schemat o - zawory zwrotne za pompami , filtry przed pompami, zawór bezpieczeństwa 6bar na zimnej wodzie przed bojlerem, zawór bezp 1,5 bat na kotle. Dodatkowo naczynie przeponowe od ciepłej wody musisz wpiąć do rury zimnej wody, przed samym bojlerem, do bojlera nie wpinaj, takie naczynie przeważnie wytrzymuje do 40C.
walus87 Opublikowano 29 Czerwca 2014 Autor #22 Opublikowano 29 Czerwca 2014 Zawory za pompami takie? http://www.dobo.pl/product-pol-197-ZAWOR-ZWROTNY-1-CAL-MOSIEZNY-SPREZYNOWY-DO-WODY.html Nie.bardzo wiem w ktorym miejscu na piecu dac zawor 1.5 bar na.rurze.zasilajacej z pieca na obiegi ?
walus87 Opublikowano 29 Czerwca 2014 Autor #23 Opublikowano 29 Czerwca 2014 Na piecu mam wyjscie.tylko na zasilanie i powrot plus rurka spustowa? Czy na tej rurce spustowej dawac ten zawor? Skoro w instalacji jest naczynie otwarte to pp co jeszcze ten zawor? Przed pompa ciepla do cwu zawor ma wyrzucac wode jesli ta przekroczy 6 bar tak? Czyli zawor.wpinam w zasilanie wody zimnej do pompy a z zaworu rurka spustowa do np kanalizacji?
kiminero Opublikowano 29 Czerwca 2014 #24 Opublikowano 29 Czerwca 2014 Zawory zwrotne lepiej z mosiężnym grzybkiem. ZB może być na zasilaniu jeśli kocioł nie ma dodatkowych wyjść. Montaż tego zaworu to koszt 20-30 zł, a jest on wręcz niezbędny gdy naczynie otwarte jest umieszczone w nieogrzewanym pomieszczeniu, np. poddaszu. Pojawia się wtedy ryzyko zamarznięcia naczynia lub jego rur i nagle robi ci się układ zamknięty niezabezpieczony. Zawór bezp 6 bar to do CWU dla zabezpieczenia boilera. Boiler zasilasz wodą zimną z wodociągu i na tej rurze ma być przed wejściem do boilera ten 6 barowy zawór. Przed zasobnikiem mają być kolejno: zawór odcinający, zawór zwrotny, naczynie wzbiorcze (opcja), zawór bezpieczeństwa 6 bar, zawór spustowy, śrubunek, boiler. Gadżeciaże czasami dorzucają manometr i regulator ciśnienia. P.S. Do ochrony powrotu zdecydowanie zawór termostatyczny, który zaproponował wyżej sambor. Ten "twój" się do tego nie nadaje. UWAGA! Ten zawór dba o kocioł. Nie reguluje temp w kierunku grzejników i tyle ile na kotle, tyle pójdzie w układ. Niezbędne stają się termostaty na grzejnikach.
walus87 Opublikowano 29 Czerwca 2014 Autor #25 Opublikowano 29 Czerwca 2014 Czemu sie.nie.nadaje przeciez.tez jest termostatyczny z regulacja do 60 stopni czym sie rozni ?
Rekomendowane odpowiedzi
Zarchiwizowany
Ten temat przebywa obecnie w archiwum. Dodawanie nowych odpowiedzi zostało zablokowane.