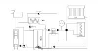
meping Opublikowano 21 Kwietnia 2014 #1 Opublikowano 21 Kwietnia 2014 Witam, Jako że ciągle główkuję nad planem instalacji CO którą mam zamiar popełnić, zdecydowałem się w końcu na narysowanie jej schematu celem przedyskutowania w szerszym gronie pasjonatów ;) . Z jednego rysunku zrodziły się trzy ;) . Wydaje mi się, że są dość czytelne, ale w kwestii uzupełnienia: Bojler ma być w założeniu dwupłaszczowy 140l. Bufor niestety raczej prostopałościenny, co znacznie utrudnia wirowanie zładu bez poważnych turbulencji, więc wydaje się, że korzystne może być ograniczenie ruchu wody do minimum (rys. 2 i 3). Ponadto ma się znajdować w innym pomieszczeniu niż kocioł, do którego dostęp z przyszłej kotłowni jest co najmniej podły (za ścianą kotłowni jest podest schodów o wys. ca 55cm - chyba do robót w tym przodku wyślę wzorem XIXw górników 9-cio latka. Jest mniejszy ode mnie :D ). Dodatkowo bufor ma być przygotowany do podłączenia solarów od razu, bądź w następnym sezonie. Pierwszy rysunek raczej nie zbudza większych kontrowersji. Pozostałe, na których na czerwono zakreśliłem zmiany w stosunku do rysunku poprzedniego są coraz bardziej kontrowersyjne, tym niemniej coraz bardziej skłaniam się do rozwiązania 3. Bufor stałby się faktycznie BUFOREM, do odbioru NADWYŻKI ciepła. Dodatkowo ruch wody w nim zostałby naprawdę ograniczony do minimum. Wadą tego rozwiązania jest mieszanie się powrotów z bojlera oraz wymiennika CO o nieco różnych temperaturach, ale 1. Różnica zazwyczaj nie powinna przekraczać 10-15 st.C 2. CWU podgrzewane jest rzadko (wydajność wymiennika dwupłaszczowego to ponad 520l/h). Dodatkowo oszczędza mi to prowadzenia CZTERECH dodatkowych rur do bufora i tym samym możliwość zamknięcia całej instalacji w pomieszczeniu kotłowni / hydroforni. Oczywiście w rozwiązaniach 2 i 3 przepływ w rurach prowadzących do bufora odbywałby się dwukierunkowo w zależności od potrzeb. Właściwy, dominujący kierunek wymuszany byłby zestopniowaniem wydajności pomp lub okresowym wyłączaniem poszczególnych przez automatykę. Pompy sterowane byłyby w większości różnicą temperatur poszczególnych elementów. Tyle tytułem wstępu / opisu. Pora na rysunki: P.S. Rysunki nie zawierają tak oczywistych oczywistości jak zawory przed i za pompami oraz filtry... ;)
sambor Opublikowano 21 Kwietnia 2014 #2 Opublikowano 21 Kwietnia 2014 Zastanów się jak będą współpracować dwie pompy w szeregu? A z resztą żaden schemat nie jest dobry.
majschi Opublikowano 21 Kwietnia 2014 #3 Opublikowano 21 Kwietnia 2014 Niestety choć koncepcja może i dobra ale żaden z tych układów nie będzie działał prawidłowo Osobiście zrezygnowałbym z grzania bufora solarami ponieważ o okresie grzewczym nie uzyskasz zadowalających rezultatów szczególnie przy grzejnikach które potrzebują co najmniej 45sC aby zaczęły grzać Jeżeli już mają być to tylko do grzania CWU latem
meping Opublikowano 21 Kwietnia 2014 Autor #4 Opublikowano 21 Kwietnia 2014 Akurat co do solarów, to temat przemyślałem i wydaje mi się, iż zdając sobie sprawę z ograniczeń o których piszesz, podjąłem odpowiednią decyzję. Mają wstępnie grzać zład wody zasilający CWU, dogrzewany co kilka dni z kotła. Jakie są zastrzeżenia co do reszty? Sambor, nie wiem o które pompy Ci chodzi. Rura na wyjściu z kotła będzie znacznie większy przekrój niż na odejściach do bojlera i wymiennika CO. Raczej ciężko to nazwać układem szeregowym. Rozwiń jeśli możesz swoją myśl.
Gość mak Opublikowano 22 Kwietnia 2014 #5 Opublikowano 22 Kwietnia 2014 A po co ten zawór 4D na ogrzewaniu grzejnikowym? To sztuka dla sztuki, tym bardziej że ochrona powrotu do wymiennika jest całkowicie zbędna, a pompa powinna być za 4 D na zasilaniu. 4D jest całkowicie zbędny. Nie kupuje też koncepcji grzania bufora przez solar. Instalacja solarna do grzania cwu jak najvbardziej się sprawdzi ale do czego pomiędzy podgrzewaczem cwu a solarem potrzebny jest bufor? To wyłącznie niczemu nie służący i całkowicie zbędny "pośrednik", Zdecydowanie polecam podgrzewacz dwuwężownicowy do instalacji solarnej. Poza tym to czy napewno potrzebny jest Ci bufor do tej instalacji, czy napewno będziesz miał jakieś nadwyżki ciepła które można zmagazynować w buforze (jaki kocioł czym opalanyjaka moc kotła, jakie zapotrzebowanie budynku na ciepło, jaka pojemność bufora)?
meping Opublikowano 22 Kwietnia 2014 Autor #6 Opublikowano 22 Kwietnia 2014 Witaj. Co do umiejscowienia pompy to masz 100% racji. Już wczoraj zauważyłem pomyłkę i mój schemat przerobiłem, tyle że nie chciałem już mieszać na forum. Zawór 4D ma służyć obniżeniu temperatury czynnika na obwodzie grzejnikowym. Faktycznie można zastosować 3D. Może nawet będzie lepiej, bo mniej wody będzie wracało do bufora. Dlaczego solary zasilają bufor? Zrobiłem to zgodnie z sugestią z forum muratora z wątku: http://forum.muratordom.pl/showthread.php?74235-Jak-quot-to-quot-si%C4%99-robi-czyli-bufor-ciep%C5%82a Ta koncepcja do mnie przemawia. Lej kawitacyjny powinien sprawić, że ciepła woda i tak będzie szła na górę bufora. Będę miał wtedy ciepło zarówno w bojlerze jak i buforze (górnej części), który można co kilka dni dogrzać kotłem w porze wiosenno - jesiennej. Ponadto będzie gdzie oddać ciepło jeśli nas przez kilka dni nie będzie. Nadwyżki ciepła są zawsze za wyjątkiem najzimniejszych dni. Kocioł będzie miał ca 12KW , palony wunglem i jest to mniej więcej zapotrzebowanie na ciepło budynku w największe mrozy (jak przez kilka tygodni przywali -18 to będę wspomagać kominkiem). Przez większość roku zapotrzebowanie będzie wynosić nie więcej jak 6-8KW albo i mniej, bo w tym roku dojdzie dodatkowe ocieplenie (pierwotnie kocioł własnej konstrukcji miał mieć właśnie 8KW, ale okazało się, że przy dużej komorze zasypowej i dużym wymienniku okazało się, że mniej niż 12KW się nie da). Kocioł będzie miał bardzo dużą (wysoką) komorę zasypową, co powinno zapewnić bardzo dużą stałopalność. Tym niemniej bufor ma zapewnić możliwość rozpalania raz dziennie i powrót do ciepłego domu po pracy, dotrzymanie stabilnej temperatury w domu w czasie kiedy kocioł się będzie wygaszał przed kolejnym rozpaleniem (kocioł GS palony od góry), zaś od wiosny do jesieni przepalanie co kilka dni na potrzeby CWU. Bufor ma mieć ca 735 litrów. Większy nie wejdzie :( .
vernal Opublikowano 22 Kwietnia 2014 #7 Opublikowano 22 Kwietnia 2014 Witam, Koncepcja adama jest bardzo dobra. Głównie z tych przyczyn, że wykorzystuje wprost pewne zjawiska fizyczne. Zawsze zgodnie z zasadą, że proste jest dobre. Tutaj trochę przekraczasz tę granicę dając miejsce zjawiskom niekorzystnym i to permanentnie niekorzystnym w działaniu układu ogrzewania. Pierwsza rzecz to cwu - zapewne się domyślasz, że adam nie bez przyczyny zrobił to na rurce bezpośrednio zanurzone w buforze. Uniknął w ten sposób niekorzystnego zjawiska poślizgu temperaturowego, które zaistnieje w przedstawionej przez Ciebie koncepcji. Grzanie osobnego zbiornika cwu przez dodatkową wężownicę wymaga o dobrych kilka stopni wyższej temperatury niż tak jak proponuje adam. To zjawisko jest szczególnie niekorzystne w przypadku tak słabego źródła jak solary - w "srednie" dni uzyskanie ciepłej wody w zbiorniku docelowym będzie opóźnione o pół dnia a sam zysk energetyczny niższy ze względu na straty przesyłowe i przechowywania w buforze. Tak pi razy drzwi (dla przykładu) to solar będzie działał efektywnie przez 100 dni zamiast przez 150 dni w roku w przypadku tylko 1 wężownicy bezpośrednio w zbiorniku cwu. Więcej napiszę potem wzorem andrzeja, którego serdecznie pozdrawiam ;)
sambor Opublikowano 22 Kwietnia 2014 #8 Opublikowano 22 Kwietnia 2014 Tu jeszcze ważne ile tego solara będzie? 2-3 płyty to za mało , raczej 4-5szt .
meping Opublikowano 22 Kwietnia 2014 Autor #9 Opublikowano 22 Kwietnia 2014 Chętnie przeczytam merytoryczne uwagi inne niż negowanie potrzeby bufora ;) . Jeśli chodzi o CWU, to nie upieram się przy tym rozwiązaniu, aczkolwiek moje rozumowanie było takie, iż nie mając miejsca na większy bufor (chciałbym taki 1000 - 1500l) część ciepła chcę zmagazynować w bojlerze z wymiennikiem dwupłaszczowym. Pierwotnie miał być nawet 300l, ale ceny takich są bardzo wysokie. 140l to moim zdaniem optymalny kompromis pomiędzy ceną a objętością i mocą wymiennika a ceną. Dom dobrze docieplony, ale ok. 130m2. Tak więc buforek 735l to tak kuso ;-). A tak przy okazji, to jak zapatrywałbyś się na dwa bufory połączone szeregowo, z czego jeden na parterze, a drugi na piętrze (kotłownia / hydrofornia na parterze). Miałoby to szansę działać??? Kolektor to 22 - 25 rur Heat Pipe.
Gość mak Opublikowano 22 Kwietnia 2014 #10 Opublikowano 22 Kwietnia 2014 Kocioł górnego spalania 12kW na 130m2 i bufor??? To żadnego naddmiaru ciepła do magazynowania w buforze nie widzę. Ale są tu mądrzejsi odemnie od palenia w kotłach GS i może się wypowiedzą, Stosownie zaworu 4D czy 3D na ogrzewanie grzejnikowe jest całkowicie zbędne
meping Opublikowano 22 Kwietnia 2014 Autor #11 Opublikowano 22 Kwietnia 2014 A ja widzę nadmiar ciepła. Od 10-ciu lat ogrzewam ten dom kominkiem 14KW który poza mrozami jest rozpalany tylko popołudniami, prawie nigdy nie chodzi z pełną mocą. Teraz jeszcze dodatkowo zostanie docieplona góra przy okazji robienia elewacji. 12KW na mrozy to faktycznie na styk może być, ale pozostaje kominek. Do tego cała jesień i wiosna. Mówisz, że zawory mieszające na instalacji grzejnikowej są zbędne? Czy mam rozumieć, że mam wpuścić w grzejniki wodę o temperaturze 85, lub 90 stopni i modlić się, aby dziecko lub kot się nie dotknęły (albo ja na bani co gorsza ;) )? :o
vernal Opublikowano 22 Kwietnia 2014 #12 Opublikowano 22 Kwietnia 2014 Odnośnie cwu i solarów to skoro już i tak ma być bojler, to jednak proponuję z 2 wężownicami. Nawet 200l będzie fajnie dla tych solarów. W obecnej konfiguracji to pożytek z solarów będzie mocno uszczuplony, musiałbyś zainwestować jeszcze w 10 rur na bidę i ciągle jednak liczyć małe straty. Dlatego bym dołożył do bojlera. Druga wężownica to bardzo fajna rzecz, oprócz grzania zimą to latem może ona odbierać nadmiar (wyjazdy) i wpuszczać to właśnie do bufora. Druga rzecz to ten wymiennik płytowy, który znowu komplikuje wymianę ciepła na podobnej zasadzie. Nie da się po prostu umieścić naczynia przelewowego odpowiednio wysoko? Sprzedasz wymiennik i masz na bojler.
meping Opublikowano 22 Kwietnia 2014 Autor #13 Opublikowano 22 Kwietnia 2014 Dzięki za rzeczową odpowiedź. Co do bojlera, to przemyślę temat. Odnośnie wymiennika: owszem, mam miejsce wysoko na zbiornik przelewowy. Tyle że oddzielny obieg grzejnikowy ma na celu ochronę grzejników przed korozją. A może nie warto? Mógłbyś się jeszcze odnieść do zaworu mieszającego na wyjściu do obwodu grzejnikowego?
vernal Opublikowano 22 Kwietnia 2014 #14 Opublikowano 22 Kwietnia 2014 Tak jak ja to widzę, to bez wymiennika i zawór 3D mieszający oczywiście.
sambor Opublikowano 22 Kwietnia 2014 #15 Opublikowano 22 Kwietnia 2014 Jak masz wymiennik to temp na obwodzie wtórnym można regulować prędkościami pomp przed i za wymiennikiem.
vernal Opublikowano 22 Kwietnia 2014 #16 Opublikowano 22 Kwietnia 2014 Tyle że oddzielny obieg grzejnikowy ma na celu ochronę grzejników przed korozją. A może nie warto? W tej sytuacji to bym się tym nie przejmował, nie znam nikogo kto potrafi podać jaki rzeczywisty wpływ na korozję grzejników ma stosowanie układu otwartego, myślę, że jest on pomijalny w dobrze zrobionej instalacji. Za to zrezygnowanie z obwodu zamkniętego to wymierne korzyści: oszczędność na dzieńdobry (pompa, sterowanie, wymiennik, zbiornik, grupa bezpieczeństwa), to wszystko może się zepsuć, co daje największy zysk - prostota układu. Są też zyski energetyczne jak straty wymiennika oraz lepsze wykorzystanie bufora. O, to już masz tyle kasy, że na lepszy bojler możesz sobie pozwolić (lepszy bo stojący a nie poziomy!) i może parę rurek solarnych.
vernal Opublikowano 22 Kwietnia 2014 #17 Opublikowano 22 Kwietnia 2014 Chętnie przeczytam merytoryczne uwagi inne niż negowanie potrzeby bufora ;) . Jeśli chodzi o CWU, to nie upieram się przy tym rozwiązaniu, aczkolwiek moje rozumowanie było takie, iż nie mając miejsca na większy bufor (chciałbym taki 1000 - 1500l) część ciepła chcę zmagazynować w bojlerze z wymiennikiem dwupłaszczowym. Pierwotnie miał być nawet 300l, ale ceny takich są bardzo wysokie. 140l to moim zdaniem optymalny kompromis pomiędzy ceną a objętością i mocą wymiennika a ceną. Dom dobrze docieplony, ale ok. 130m2. Tak więc buforek 735l to tak kuso ;-). Przy takim kotle, to myślę, że ten bufor jest mniej więcej na styk. Mieści on do 45 kWh energii i większych nadwyżek tu nie dostrzegam.
sambor Opublikowano 22 Kwietnia 2014 #18 Opublikowano 22 Kwietnia 2014 Ja podobny bufor ( 800l) ładuję+ jednoczesne grzanie domu z DS do temp 80C, czas ładowania to 4-5h, średnia moc kotla osiągana to 12-16 kW , max to 24-28kW. Rozładowanie to ok 6 -12h w zależności od temp zewn., dom 2x większy niż twój, ale większość to podłogówka. Koniec rozładowania przy ok 35C,tak mam ustawioną automatykę. Ten twój kocioł może być trochę za mały do grzania bufora i jednocześnie domu.
meping Opublikowano 23 Kwietnia 2014 Autor #19 Opublikowano 23 Kwietnia 2014 W obecnej konfiguracji to pożytek z solarów będzie mocno uszczuplony, musiałbyś zainwestować jeszcze w 10 rur na bidę i ciągle jednak liczyć małe straty. to czego mi nie brakuje, to dachu z ekspozycją na południe ;-) Najwyżej się rok później dołoży drugi zestaw solarów :D. W tej sytuacji to bym się tym nie przejmował, nie znam nikogo kto potrafi podać jaki rzeczywisty wpływ na korozję grzejników ma stosowanie układu otwartego, myślę, że jest on pomijalny w dobrze zrobionej instalacji. Za to zrezygnowanie z obwodu zamkniętego to wymierne korzyści: oszczędność na dzieńdobry (pompa, sterowanie, wymiennik, zbiornik, grupa bezpieczeństwa), to wszystko może się zepsuć, co daje największy zysk - prostota układu. Są też zyski energetyczne jak straty wymiennika oraz lepsze wykorzystanie bufora. O, to już masz tyle kasy, że na lepszy bojler możesz sobie pozwolić (lepszy bo stojący a nie poziomy!) i może parę rurek solarnych. Niestety odnośnie korozji to czytałem odwrotnie.... Ale poczytam jeszcze i przemyślę. Częściowo sprawę rozwiązują inhibitory, ale to w dużej mierze leczenie syfa pudrem Co do bojlera stojącego, to jakbym miał na niego miejsce, to miałbym większy albo drugi bufor :P Ja podobny bufor ( 800l) ładuję+ jednoczesne grzanie domu z DS do temp 80C, czas ładowania to 4-5h, średnia moc kotla osiągana to 12-16 kW , max to 24-28kW. Rozładowanie to ok 6 -12h w zależności od temp zewn., dom 2x większy niż twój, ale większość to podłogówka. Koniec rozładowania przy ok 35C,tak mam ustawioną automatykę. Ten twój kocioł może być trochę za mały do grzania bufora i jednocześnie domu. Sambor, częściowo masz rację. Ale po lekturze czysteogrzewanie.pl wiele dni obserwowaliśmy z lepszą połową jaka jest chwilowa wydajność kominka i jak długo palimy. Wyszło nam, że bez bufora zakładając dogrzewanie kominkiem w najzimniejszym okresie to nawet 8KW powinno starczyć. A jak wyszło, iż niemożliwością jest zrobić kocioł z sensownym zasypem i wymiennikiem na mniej niż ca 12 KW (powierzchnia grzewcza 1,2m^2) to zacząłem intensywnie myśleć o buforze. Tak więc przez większość sezonu powinna być nadwyżka, zwłaszcza że i tak lubimy kominek ;).
vernal Opublikowano 23 Kwietnia 2014 #20 Opublikowano 23 Kwietnia 2014 Niestety odnośnie korozji to czytałem odwrotnie.... Ale poczytam jeszcze i przemyślę. Częściowo sprawę rozwiązują inhibitory, ale to w dużej mierze leczenie syfa pudrem Tu jest ważne jeszcze jakie masz te grzejniki i rury w instalacji, o czym my nic nie wiemy.
Gość mak Opublikowano 23 Kwietnia 2014 #21 Opublikowano 23 Kwietnia 2014 A ja widzę nadmiar ciepła. Od 10-ciu lat ogrzewam ten dom kominkiem 14KW który poza mrozami jest rozpalany tylko popołudniami, prawie nigdy nie chodzi z pełną mocą. Teraz jeszcze dodatkowo zostanie docieplona góra przy okazji robienia elewacji. 12KW na mrozy to faktycznie na styk może być, ale pozostaje kominek. Do tego cała jesień i wiosna. Mówisz, że zawory mieszające na instalacji grzejnikowej są zbędne? Czy mam rozumieć, że mam wpuścić w grzejniki wodę o temperaturze 85, lub 90 stopni i modlić się, aby dziecko lub kot się nie dotknęły (albo ja na bani co gorsza ;) )? :o Kocioł górnego spalania jest dość specyficzny jeżeli chodzi o proces spalania i niestety upływa sporo czasu zanim osiagnie maksymalną moc i po jej osiągnięciu dość szybko spada ( jak napisałem są na forum lepsi specjaliści od palenia w górniakach). Te 90C w buforze to będzie raczej twoje ... "pobożne życzenie" a nie fakt. Dziś też jeszcze dobiera się grzejniki na temperaturę zasilania 90C szczególnie te żeliwne, zresztą osiągnięcie jej na grzejniku przy wymienniku jest bliskie zera bo w buforze musiał byś mieć temperature powyzej 100 C.. Zresztą przez cały komunizm taka była max temp zasilania instalacji CO i jakoś nie było słychać o masowych poparzeniach grzejnikami.A jak już boisz się poparzyć to zawór z głowicą termostatyczą na grzejniku bardzo skutecznie temu zapobiegnie co Ci polecam zamiast zaworu mieszającego który przy wymienniku nie ma żadnego uzasadnienia. Na temat mody na bufory już się kiedyś wypowiadałem i zdania nie zmieniam. Bufor ma sens przy kotłach opalanych biomasą, drewnem. zgazowujacych lub gdy jest naprawdę duzy naddatek mocy w stosunku do zapotrzebowana, przy kotłach, dobrze dobranych do zapotrzebowania, opalanych węglem nie widzę wiekszego sensu ich stosowania, ale jest na forach pewne lobby które usilnie promuje takie rozwiazania i jest sporo osób dających się przekonać. Ale decyzja i pieniadze są inwestora.
meping Opublikowano 23 Kwietnia 2014 Autor #22 Opublikowano 23 Kwietnia 2014 Tu jest ważne jeszcze jakie masz te grzejniki i rury w instalacji, o czym my nic nie wiemy. Grzejniki będą najpewniej aluminiowe, rury albo PP stabilizowany, albo pex/Al/pex. W kotłowni stal lub miedź, ale gdyby instalacja miała być otwarta, to już definitywnie stal.
vernal Opublikowano 23 Kwietnia 2014 #23 Opublikowano 23 Kwietnia 2014 No i dobrze. To nie widzę tu możliwości nadmiernej korozji. Pokaż, gdzie ktoś pisze o takich problemach w podobnej instalacji. Raczej sądzę, że te grzejniki nas wszystkich przeżyją.
meping Opublikowano 23 Kwietnia 2014 Autor #24 Opublikowano 23 Kwietnia 2014 http://czysteogrzewanie.pl/zakupy/instalacja-grawitacyjna-czy-warto-wymieniac-na-pompowa/ Mniej więcej w połowie strony. W innych miejscach też to czytałem. Producenci niektórych grzejników Alu dopuszczają montaż w instalacji otwartej pod warunkiem zastosowania odpowiednich inhibitorów korozji.
vernal Opublikowano 24 Kwietnia 2014 #25 Opublikowano 24 Kwietnia 2014 Masz rację - trzeba to dokładniej wyjaśnić. Zastanawia mnie co ulegnie szybkiemu zużyciu z tego tytułu: grzejniki aluminiowe, plastikowe rurki czy może ten kawałek stalowy od kotła do bufora, kocioł, bufor?
Rekomendowane odpowiedzi
Zarchiwizowany
Ten temat przebywa obecnie w archiwum. Dodawanie nowych odpowiedzi zostało zablokowane.