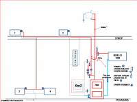
młody123 Opublikowano 4 Stycznia 2014 #1 Opublikowano 4 Stycznia 2014 Witam wszystkich :) Prosze o pomoc przy zamieszczonym schemacie co + cwu. Cała instalacja będzie wykonywana od zera, montowana dopiero na wiosnę, ale z waszym udziałem chciałbym to wszystko sprawdzić i dopiero zabrać się za zakupy, a następnie za całą resztę. Instalacja dwu-poziomowa, mieszkanie 75m2, wykonanie z miedzi, grzejniki stalowe panelowe, w łazience drabinka (i jak się uda to pętla podłogówki 6m2). Na grzejnikach zamontowane głowice termostatyczne, zasobnik cwu 100l z podwójną węrzownicą. Myslę, że na razie to tyle, a to nurtujące mnie pytania: 1. Zasilanie zasobnika oraz podejście, aż do trójnika do grzejnika nr2 miedzia 22, dalej reszta miedż 18, czy coś zmienić? 2. Zawór różnicowy potrzebny (szansa na grawitację?), czy wywalić? 3. W łazience (gdzie drabinka) chciałbym położyć 6m2 podłogówki z RTL-em na powrocie, ale gdzie podpiać zasilanie, czy jedna pompa wszystko pociagnie? 4. Czy potrzebny będzie gdzies odpowietrznik automatyczny (oprócz grzejników). Schemat rysowalem sam, więc proszę o cierpliwośc i wyrozuiałość. Każda rada się przyda. Dziękuję z góry za pomoc, pozdrawiam :)
sybiga Opublikowano 4 Stycznia 2014 #2 Opublikowano 4 Stycznia 2014 Schemat wygląda na dobry. Zawór różnicowy bym zostawił . Przydała by się jeszcze jedna pompa do cwu. Odpowietrznik na zasilaniu cwu.
młody123 Opublikowano 5 Stycznia 2014 Autor #3 Opublikowano 5 Stycznia 2014 Dzięki za odpowiedź :) Rozumiem, że dodatkowa pompa do cwu miała by pilnować zadanej temperatury oddzielnie od ukladu co (odpowiedni sterownik)? Własnie nie wiem, czy rozdzielac układy, czy pozwolić, aby co wyciagało wodę z cwu, bo to stanowi dodatkowy akumulator przy takiej małej instalacji. Może ktoś jeszcze coś podpowie? Co z tą podłogówką?
gersik Opublikowano 5 Stycznia 2014 #4 Opublikowano 5 Stycznia 2014 Jeżeli bojler zostanie tak podpięty to odpowietrznik na nim jest zbędny, bojler odpowietrzy się do pionu. Pomyśl o ochronie powrotu bo może być potrzebny do gwarancji kotła. Zasilanie podłogówki wepnij na trojaku przed grzejnikiem łazienkowym ale wstaw tam zawór powrotni od grzejnika a powrót z podłogi do powrotu z grzejnika poprzez RTL. Za trojakiem do grzejnika nr 1 16 miedź. Do grzejników założyłbym jeszcze zawory termostatyczne aby nie bawić się w mieszanie wody grzewczej które na pewno będzie potrzebne w okresie przejściowym.
młody123 Opublikowano 5 Stycznia 2014 Autor #5 Opublikowano 5 Stycznia 2014 Zawory termostatyczne będą zamontowane na każdym z grzejników. Zasilanie podłogi prościej było by mi podpiąć zaraz na pionie za pompą(sąsiednia ściana z łazienką, bez kucia + zawór kulowy na zasilaniu), a powrót na RTL wpięty za grzejnikiem łazienkowym - może tak być? Za trójnikiem do grzejnika 1 zmienię na miedź 15 zgodnie z uwagą.
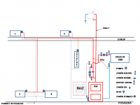
młody123 Opublikowano 5 Stycznia 2014 Autor #7 Opublikowano 5 Stycznia 2014 Poprawiłem schemat zgodnie z uwagami. Nie jestem pewien zasilania podłogi, czy jedna pompa to popchnie łącznie z grzejnikami, nie zapowietrzy się itp. Nie wiem jak zabrać się o wspomnianą ochronę powrotu, jak wykonać to w najprostszy sposób?
marekd Opublikowano 5 Stycznia 2014 #8 Opublikowano 5 Stycznia 2014 Podlogowka na osobnej pompie - rotametry ,ochrona powrotu mala pompa caly cza chodzi na malych obrotach.
gersik Opublikowano 6 Stycznia 2014 #9 Opublikowano 6 Stycznia 2014 Sześć metrów podłogówki na osobnej pompie? Nie doszedłeś do siebie jeszcze po sylwestrze? Jedna pompa wystarczy. Najprościej to załóż za pompą trojak i zepnij go z powrotem kotła po przez zawór ter. z kapilarą np. taki http://insbud.org/pl/produkt-7699969302580401152/IB-M-2---Glowica-termostatyczna-z%C2%A0kapilara-do-wkladek-(zaworow)-termostatycznych.html Wstaw jeszcze termometr na powrocie.
kiminero Opublikowano 6 Stycznia 2014 #10 Opublikowano 6 Stycznia 2014 Poprawiłem schemat zgodnie z uwagami. Nie jestem pewien zasilania podłogi, czy jedna pompa to popchnie łącznie z grzejnikami, nie zapowietrzy się itp. Nie wiem jak zabrać się o wspomnianą ochronę powrotu, jak wykonać to w najprostszy sposób? Dla pojedyńczej pętli wystarczy RTL, zwłaszcza że to prawdopodobnie łazienka. Zwróć uwagę aby rozłożyć wąż w "ślimaku", by podłoga grzała równo i nie przesadzaj z zagęszczeniem. Ważne jest sensowne umiejscowienie RTL. Idealnie by było użyć zestawu RTL box i zabudować go w łazience podtynkowo. Można też użyć samego RTL, ale pamiętaj, że "czyta" on temperaturę wody i nie może być montowany bezpośrednio na "gorącej" rurze, bo będzie przekłamywał. Otoczenie tuż przy kotle też może być za gorące. Lepiej zrobić to w pewnym oddaleniu. Termostat drabinki nie może być założony nad nią, ponieważ będzie go owiewało gorące powietrze. Albo zejdź z zasileniem na dół, albo zwykły zawór wystarczy (lub zdjąć głowicę). Boiler 100l z własną pompą to raczej zły pomysł. Po pierwsze pytanie czy twój sterownik może nią sterować. Po drugie masz mały układ i jedna pompa spokojnie to obsłuży. Po trzecie jak ustawisz sobie docelowo 50 sC CWU, to pierwsza kąpiel i woda w boilerze będzie lodowata, ponieważ jest jej zwyczajnie za mało. Jeśli już pompa ma być to sugeruję jej włączenie na stałe, by dawała też gorący powrót kotła. Podobny efekt będzie też przy jednej pompie, ponieważ zład układu jest mały. Zacząłbym od jednej pompy oraz zamontowania termometru poglądowego na wejściu powrotu do kotła. Jak będzie za zimno, to pompę można domontować. I tutaj uwaga praktyczna. Zawory odcinające boilera montuj tak, by była możliwość przerobienia układu boilera, czyli najlepiej tuż przy wejściu/wyjściu rurarzu boilera z układu głównego. Jesli zamontujesz je zaraz na boilerze, to wszelka przeróbka czy wymiana zasobnika, będzie oznaczać konieczność zatrzymania i opróżnienia całego układu. Zawór powrotu ma być grzybkowy, ponieważ posłuży on do regulacji przepływu.
gersik Opublikowano 6 Stycznia 2014 #11 Opublikowano 6 Stycznia 2014 W łazience możesz sobie odpuścić zawór termostatyczny.
młody123 Opublikowano 6 Stycznia 2014 Autor #12 Opublikowano 6 Stycznia 2014 Dzięki koledzy za rzeczowe podejście do sprawy :) Super, zacząłem już się bać, że będzie potrzeba tyle pomp ile odbiorników ;) Pozmieniałem jak doradziliście, z tą różnicą, że zasilanie boilera będzie jednak na takim wywijasie przy scianie i prawdopodobnie wystąpi możliwość gromadzenia się powietrza. Zastosuję tam trójnik, kawałek rurki i odpowietrznik automatyczny, pozostałe elementy w tej nitce tak jak doradziliście. Przynajmniej tak mi się wydaje, więc proszę rzućcie okiem, czy wszystko gra. Zawór grzybkowy na powrocie z boilera dam 1"(wydaje mi się lepszy przepływ), a na rurze zbiorczej powrotów termometr dla kontroli. Podłogówka będzie w łazience i zastosuję jedno z rozwiazań z RTL-em, jak kasy starczy to podtynkowy w łazience, jeżeli nie to zwykły zgodnie z uwagami kolegi Kiminero. Nurtuje mnie tylko, czy na pętli nie potrzeba odpowietrznika oraz w jakiej odległości puścić od siebie zwoje pex-a? Mam nadzieję, że z podłogą nic się nie wydaży, bo aby nie wędzić w piecu to planuję ok.60-65*C. Poprawiony schemat poniżej
kiminero Opublikowano 6 Stycznia 2014 #13 Opublikowano 6 Stycznia 2014 Dla RTL nie powinno się przekraczać 50 mb pętli, a z odstępami nie schodziłbym poniżej 15 cm. Odpowietrzanie w zależności od ewentualnych zasyfonowań. Box rozwiązuje ten problem, bo ma swój odpowietrznik. Musisz przemyśleć jak będzie biegł pex i przewidzieć, czy gdzieś powietrze nie utknie. Sama powierzchnia "płaska" podłogi nigdy się nie zapowietrzy i pompa poradzi sobie z odprowadzeniem "bąbli" do układu.
młody123 Opublikowano 6 Stycznia 2014 Autor #14 Opublikowano 6 Stycznia 2014 Jeszcze jedno pytanko, dotyczące naczynia wzbiorczego. Dokładnie chodzi o montaż na naczyniu odpowietrznika automatycznego w miejscu "fajki" do odpowietrzania. Znalazłem na jednym z wątków tego forum taką publikację z jakiegoś poradnika, gdzie jest fotografia (str.3) właśnie z odpowietrznikiem. Z kolei w treści czytam: Na rurach bezpieczeństwa, wzbiorczej, przelewowej i odpowietrzającej, nie można umieszczać armatury umozliwiającej całkowite lub częściowe zamknięcie przepływu, ani urządzeń i armatury zmniejszającej pole ich przekroju wewnętrznego. Jak to w końcu powinno wygladać? Zabezpieczenie NW otwarte.pdf
kiminero Opublikowano 6 Stycznia 2014 #15 Opublikowano 6 Stycznia 2014 Żadnych automatów na naczyniu. Zdjęcie chyba z rodzaju "jak nie robić", o czym świadczy zawór odcinający na wejściu naczynia oraz wątpliwe średnice i materiały. Jeśli zastosujesz rury 1" lub 28, to przez fajkę nic ci nie poleci. Właśnie dlatego przelew ma być odpowiednikiem rury bezpieczeństwa, by nadążył odbierać nadmiar. Jak ktoś zaniża średnicę przelewu, to przez odpowietrzenie woda może polecieć. Pytanie tylko jak ten "problem" ma rozwiązywać automat? Możliwości odprowadzania powietrza i wprowadzania go z powrotem do naczynia są w stosunku do potrzeb naczynia bardzo mizerne.
młody123 Opublikowano 6 Stycznia 2014 Autor #16 Opublikowano 6 Stycznia 2014 Czyli wszystko jasne, krótko i na temat.
młody123 Opublikowano 11 Stycznia 2014 Autor #17 Opublikowano 11 Stycznia 2014 Może zamiast RTL zastosować taki zawór: http://www.esbe.eu/pl/pl-pl/produkty/termostatyczne-zawory-mieszajace/vta370-vta570
sambor Opublikowano 11 Stycznia 2014 #18 Opublikowano 11 Stycznia 2014 Zawór mieszający wymaga oddzielnej pompy a na 6 m2 to inwestycja nieopłacalna i kłopotliwa - trudno wyregulować przepływ przy tak małej ( ok 60m) pojedynczej pętli grzewczej Jak masz kasę to zastosuj to http://sklep.info-ogrzewanie.pl/pl/p/Maly-mieszacz-do-podlogowki-z-rotametrami-2-obwody/28?utm_source=foruminfoogrzewanie&utm_medium=panel_boczny&utm_campaign=sklep_promo Pozdr.
młody123 Opublikowano 11 Stycznia 2014 Autor #19 Opublikowano 11 Stycznia 2014 A takie cudo jak by się sprawowało przy takim układzie. Może jeszcze będzie druga pętla ok.10m2 dlatego drążę temat. Wolę trzy razy zapytać niż potem dwa razy kleić płytki na podłodze. http://allegro.pl/rozdzielacz-2-mieszajacy-podlogowki-eco-afriso-i3842633082.html
sambor Opublikowano 11 Stycznia 2014 #20 Opublikowano 11 Stycznia 2014 To najgorsze rozwiązanie z możliwych - tylko zawór mieszający + pompa z większym lub mniejszym wydatkiem a do pojedynczych RTL. Ten mały zestaw to do max 15m2 powierzchni grzewczej - podaję to dla prawie identycznego układu prod Uponor.
kiminero Opublikowano 12 Stycznia 2014 #21 Opublikowano 12 Stycznia 2014 Dlaczego najgorsze z możliwych?
sambor Opublikowano 12 Stycznia 2014 #22 Opublikowano 12 Stycznia 2014 Zestaw z pompą mieszającą i głowicą termostatyczną to przeżytek i jeden z częstych tematów forum - montaż, regulacja, nie mówiąc już o prądożerności całego układu., to już dużo lepszy jest zawór 3-D z pompą, oczywiście w kotłowni
darko9 Opublikowano 12 Stycznia 2014 #23 Opublikowano 12 Stycznia 2014 Witam Trochę się zakręciłem z tym wszystkim, @sambor proszę wytłumacz mi łopatologicznie dlaczego ten mieszacz, który zaproponowałem jest najgorszym rozwiązaniem, co będzie się działo nieprawidłowo. To ten link: http://allegro.pl/ro...3842633082.html Tutaj drugi mieszacz do porównania, ten zaproponowany przez Ciebie @sambor (niestety drogi): http://sklep.info-og...ign=sklep_promo Jak dla mnie laika w temacie, który edukuje się tu na forum, to teoretycznie oba spełniają te same funkcje - obniżają temp.zasilania podłogi. Główna różnica to rodzaj pompy, gdzie przy elektronicznej bardzo łatwo ustawić wydatek. Niestety jest drogi i raczej na razie z niego zrezygnuję. Myślę jednak nad wspomnianą drugą pętlą grzewczą podłogi ok.10m2 i na pewno rurki położę, ale nie będę podpinał do instalacji prędzej jak nie przetestuję działania na RTL tej mniejszej pętli w łazience 6m2. W razie przegrzewania podłogi wyjścia nie będzie i zrobi się to jak trzeba. Przepraszam, ale zalogowalem się przypadkowo z konta mojego brata, gdzie jest ustawione auto w przeglądarce.
sambor Opublikowano 12 Stycznia 2014 #25 Opublikowano 12 Stycznia 2014 Może i ok ale po co ta rura bypassowa, i zbyt mocna pompa , ponadto dziwny dobór zaworów mieszających - dobieranych do typu kotła - gazowy/ paliwa stałe a co za tym inna temperatura pracy - dla gazu zakres regulacji 20-43C i dla paliw stałych 35-60C - pytanie dlaczego nie można do kotła na paliwo stałe dać 3-D 20-43C.? Przecież podłogówka nie powinna pracować powyżej 50C a zalecane jest 30-36C Podobny mieszacz można zrobić w kotłowni - tylko pompa i zaw 3-D, ponadto montaż pompy w skrzynce powodować może nie potrzebny hałas , ja preferuję też ręczne odpowietrzniki - automaty potrafią powietrze zaciągać.
Rekomendowane odpowiedzi
Zarchiwizowany
Ten temat przebywa obecnie w archiwum. Dodawanie nowych odpowiedzi zostało zablokowane.