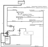
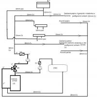
stefansky5 Opublikowano 7 Lipca 2013 #1 Opublikowano 7 Lipca 2013 Witajcie Proszę o ocenę. Mam domek kupiony od poprzednich właścicieli. Kotłownia CO z kotłem śmieciuchem górnego spalania 17 kW z dmuchawą, palę węglem orzech i drewnem. Domek 90m2 dobrze ocieplony, okna plastiki. Z tego co zauważylem to kocioł jest zbyt duży czyli przewimiarowany, na kotłe 60 C i sauna w domu. Mam zamiar zmodyfikować instalacje CO wstawiając zawór 3D żeby obniżyć temperature na grzejniki, na grzejnikach są zamontowane głowice termostatyczne, oprócz drabinek w łazience i WC. Schemat 1 w chwili obecnej, wiem że jest zupełnie źle zrobiony jak na moje oko, nie wiele sie znam na instalacjach CO ale poczytałem to i owo na tym forum. Myśle ze błedy są następujace: - zb. wyrównawczy wpięty w system CO za pompą zamiast bezpośrednio przy kotle na zasilaniu, do tego średnica rur za mała !!! - brak zaworów zwrotnych za pompami ( CO i podłogówki ) - zawór mieszający podłogówki uszkodzony, zasilanie na podłogówke o temp. takiej samej jak system CO, Może są jeszcze jakieś błedy według Was. Układ 2 to tak jak chciałbym przerobić instalacje. Wstawić zawór 3D na zasilaniu z kotła żeby obniżyć temp. na system CO. W miejsce boilera CWU wpiąć chcę podłogówkę tak jak na schemacie. Podłogówka zasila tylko 2 krótkie obiegi: łazienka na piętrze oraz kuchnia na parterze domu. Nie wiem tyko czy średnica rurek 15mm bedzie wystarczająca na zasilenie tej podłogówki. Temperatura powrotu do kotła powinna się wyklarować przez CWU wpiętym przed zaworem 3D rurami 22mm CU, włączanie pompki od czasu do czasu ręcznie. Brak miejsca w kotłowni na wstawienie bufora żeby odebrać nadmiar ciepła z kotła. Czy Schemat 2 moja przeróbka może pomóc mi zmniejszyć temperature w domu? Czy mogę tak zostawić wpięty zbiornik wyrównawczy w system CO, bo wpięcie go bezpośrednio w zasilanie od kotła jest problemowe ponieważ jest on umiejscowiony na strychu i musiałbym robić demolke w łazience. Dzięki za wszelkie porady i wytknięcie błedów w moich instalacjach CO.
sambor Opublikowano 7 Lipca 2013 #2 Opublikowano 7 Lipca 2013 Oba schematy są niewłaściwe, ale ten pierwszy był lepszy pod względem podłączenia naczynia wzbiorczego, drugi jest zły ze względu na zamontowany po drodze zawór 3-D Teoretycznie powinna do NW być rura Cu28 ale Cu22 też może być. Pozdr.
stefansky5 Opublikowano 7 Lipca 2013 Autor #3 Opublikowano 7 Lipca 2013 Panie Sambor dziekuje za podjęcie mojego tematu, Czy mógłby mi Pan poprawić Schemat 2 jak prawidłowo powinien być włączony zawór 3d w moją instalację? Sugerowałem się przykładowym schematem załączonym poniżej jak należy wpiąć zawór 3d. Gdzie popełniłem błąd w mojej instalacji i czy musze założyć zawór 3d 5/4" czy wystarczy 1"? Pozdr.
sambor Opublikowano 7 Lipca 2013 #4 Opublikowano 7 Lipca 2013 No tylko nie pan - bo może panienka jestem :P , Na forum jesteśmy na ty. Ten schemat który prezentujesz jako wzór jest dobry - naczynie wzbiorcze ma podpięte bezpośrednio do kotła, bez żadnej armatury odcinającej U ciebie na drugim schemacie - tym po przeróbkach na drodze do naczynia wzbiorczego masz zawór 3-D i zawór różnicowy co dyskwalifikuje takie rozwiązanie W pierwszym schemacie na drodze do naczynia wzbiorczego jest tylko zawór różnicowy, co dawniej było dopuszczalne. Gdybyś poprowadził rurę bezpośrednio z kotła do NW to oba schematy byłyby dobre. To musisz rozwiązać najpierw. jeżeli już rozwiążesz to zrób bez zaworów różnicowych natomiast obowiązkowo zawory zwrotne za pompami , a filtry przed pompami. Zawór 3-D wystarczy 1", bo grawitacji raczej tu nie będzie Pozdr.
stefansky5 Opublikowano 7 Lipca 2013 Autor #5 Opublikowano 7 Lipca 2013 Dzięki za porady, czy mogę przerobić moj sytem CO na układ zamknięty podłączajać NW przeponowe w kotłowni chcąc mieć schemat 2 z zaworem 3d?
sambor Opublikowano 7 Lipca 2013 #6 Opublikowano 7 Lipca 2013 Jeżeli twój kocioł jest dopuszczony do pracy w układzie zamkniętym to tak. Ale raczej nie jest - sprawdź na stronie producenta lub w dokumentacji kotła. Podaj jaki to kocioł?
Gość Digitrax Opublikowano 7 Lipca 2013 #7 Opublikowano 7 Lipca 2013 A gdy nie jest dopuszczony to zainstaluj wymiennik i kocioł będzie w układzie otwartym a obieg CO w zamkniętym. Wilk syty i owca cała :)
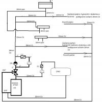
stefansky5 Opublikowano 7 Lipca 2013 Autor #8 Opublikowano 7 Lipca 2013 Jest to Kocioł Żubr Hajnówki 17 Kw, dokumentacja tego kotła nie zaleca stosowania układu zamkniętego. Wiec jakoś musze poprowadzic te rurę 1" do NW jeżeli chcę przerobić sobie instalacje wedłud schematu 2 z zaworem 3D. Zakładając hipotetycznie jeżeli bym przerobil instalacje w ten sposób jak na schemacie poniżej czym to może grozic?
SanitSystem Opublikowano 7 Lipca 2013 #9 Opublikowano 7 Lipca 2013 nic szczególnego - wybuch kotła - w najlepszej sytuacji rozwali ci kawał chałupy lub przeniesiesz się na "tamten świat" albo jakieś trwałe kalectwo. Ogólnie bomba z opóźnionym zapłonem.
sambor Opublikowano 7 Lipca 2013 #10 Opublikowano 7 Lipca 2013 To nie można stosować układu zamkniętego ani też proponowanego przez ciebie rozwiązania - pisałem ci o tym w postach #2 i 4 a ty z uporem swoje. I snujesz jakieś teorie co by było gdyby..... Albo zmieniasz cały układ jak przepisy nakazują albo zastosuj układ z wymiennikiem , wtedy nie potrzeba zaw 3-D ani NW na strychu. A tak z innej beczki po co ci ten zawór 3-D na zasilaniu całego ogrzewania ? Na grzejniki powinna iść wyższa temp niż na podłogówkę. Na pewno należy dać go przed samym rozdzielaczem podłogówki w celu obniżenia temp wody na podłogówce - czyli to co miałeś. Jeżeli na kotle masz ok 60-65C to jeżeli masz zawory termostatyczne na grzejnikach to one wystarczają. Jeżeli chcesz coś zmienić to w pierwszym schemacie dołóż pompę na grzaniu CWU, nie będziesz miał problemu w lecie
stefansky5 Opublikowano 7 Lipca 2013 Autor #11 Opublikowano 7 Lipca 2013 nic szczególnego - wybuch kotła - w najlepszej sytuacji rozwali ci kawał chałupy lub przeniesiesz się na "tamten świat" albo jakieś trwałe kalectwo. Ogólnie bomba z opóźnionym zapłonem. To było tylko hipotetyczne pytanie, w takim razie przerobie instalacje CO wedle tego schematu załączonego poniżej. Czy już teraz bedzie to hulało prawidłowo? Czy istnieją jakieś termostaty sterujące pompą CWU aby nią sterowały bezobsługowo? Czy tylko sterownik kotła ma taką możliwość?
vernal Opublikowano 7 Lipca 2013 #12 Opublikowano 7 Lipca 2013 Nie będzie hulało prawidłowo. Najważniejszy jest zbiornik przelewowy i to do niego trzeba rurkę puścić prosto do góry. W bok to sobie można pompki podpinać i inne sprzęty. Pozdrawiam.
stefansky5 Opublikowano 7 Lipca 2013 Autor #13 Opublikowano 7 Lipca 2013 Poprawiony schemat, czy teraz jest prawidłowo? Czy napewno nie trzeba instalować zaworu różnicowego równolegle do pompy obiegu CO?
sambor Opublikowano 8 Lipca 2013 #14 Opublikowano 8 Lipca 2013 Ok to zaczyna przypominać instalację. Teraz się zastanów jak będą grzały twoje grzejniki jak podasz na nie wodę o temp poniżej 50C, lub jaki będzie komfort i żywotność podłogówki jak podasz na nią temp 60C Należałoby przenieść zawór 3-D na obwód podłogówki, lub dodać następny 3-D regulujący temp podłogówki. Jeżeli możesz to zrobić w obrębie kotłowni to ok. Co do termostatu do sterowania temp CWU- załączanie i wył pompy to taki montowany w zbiorniku CWU kosztuje ok 50-100zł.
jareckijaro Opublikowano 8 Lipca 2013 #15 Opublikowano 8 Lipca 2013 Ok to zaczyna przypominać instalację. Teraz się zastanów jak będą grzały twoje grzejniki jak podasz na nie wodę o temp poniżej 50C, lub jaki będzie komfort i żywotność podłogówki jak podasz na nią temp 60C Należałoby przenieść zawór 3-D na obwód podłogówki, lub dodać następny 3-D regulujący temp podłogówki. Jeżeli możesz to zrobić w obrębie kotłowni to ok. A się tak podepnę i zapytam, jaki zawór, znaczy z jakim przedziałem temp. nalezy dać 3D na zasilanie podłogówki np esbe ma dwa 20-43 i 35-60, to który?
sambor Opublikowano 8 Lipca 2013 #16 Opublikowano 8 Lipca 2013 Z Esbe to ten niższy 20-43C, z resztą 40 C to max co powinno iść na podłogówkę.
jareckijaro Opublikowano 8 Lipca 2013 #17 Opublikowano 8 Lipca 2013 No i dzięki wielkie, ci sprzedawcy to mają bajerę żeby sprzedać to co mają na półce, jak to się nasłuchałem że 30-60 do do podłogówki idealny Co do "stefansky5" to wydaję mi się że najlepiej jakbyś rozdzielił układy podłogówki i grzejników, i na każdy układ dał 3D, a przynajmniej na podłogówkę - jeżeli to możliwe.
sambor Opublikowano 8 Lipca 2013 #18 Opublikowano 8 Lipca 2013 Dla prawidłowo policzonej lub wykonanej podłogówki temp wody nie przekracza 30 C dla -15C - wiem bo sam tak mam, a w domu mam wtedy 20-21C U mnie zakres regulacji temp wody do podłogówki - wyznaczany przez regulator podłogowy po krzywej grzania 0,6 wynosi 25-34C. Czyli zawór termostatyczny musi obsługiwać zakres 25-40C, może więcej, ale wtedy podłoga będzie za mocno grzać co jest niezdrowe. Pozdr.
stefansky5 Opublikowano 9 Lipca 2013 Autor #19 Opublikowano 9 Lipca 2013 Witajcie Całkowicie się z Tobą zgadzam, ale u mnie w domu instalacja podłogowa jest żle wykonana. Podłogówka którą wykonał tutaj jakiś ,,fachowiec" to jakieś nieporozumienie. Odstępy pomiędzy wężownicami są za duże, i efekt działania grzania podłogowego jest odczuwalny dopiero po około 4 godzinach intensywnego palenia w kotle. Więc wstawinie zaworu 3d jest wyrzuceniem pieniedzy w błoto. Ogrzewnie podłogowe w łazience i kuchni tak kontroluje otwarceim zaworów zasilających ręcznie poprzez ich przydławienie jak już jest efekt grzania. Załączam zdjęcia instalacji podłogowej w kuchni i łazience, sami zobaczycie. Mam zamiar zasilać grzejniki max. temp. 55-60 C bo domek jest mały i dobrze ocieplony dlatego zmodyfikowanie mojej instalacji jest sensowne.Przecież obniżenie temp. na kotle poniżej 60C nie jest zalecane.
sambor Opublikowano 9 Lipca 2013 #20 Opublikowano 9 Lipca 2013 Te instalacje można potraktować z przymrużeniem oka, ew jako dogrzewanie tak ale nie jako ogrzewanie podstawowe, mam nadzieję że masz jeszcze oprócz tego grzejniki. Nagrzewanie 4h to nie długi okres , ja mam podłoowkę raczej dobrze wykonaną i też potrzeba min 4-6h na zagrzanie - to wielka masa betonu powoduje taką bezwładność, ręczę ci że z zaworem 3-D ustawionym na 35C będzie też działać prawidłowo. Podanie 55-60C na podłogówkę to jawny "gwałt" na wylewce i jednocześnie niezdrowo dla mieszkańców.
stefansky5 Opublikowano 9 Lipca 2013 Autor #21 Opublikowano 9 Lipca 2013 Jest to główne ogrzewanie tych pomieszczeń i w tym jest problem. nie mam miejsca w kuchni zeby zamontowac dodatkowy grzejnik. Ale jest to kuchnia otwarta także jest tez ogrzewana pośrednio z salonu. A w łazience jest rownież mała drabinka jednak jej wydajność grzewcza jest słaba. Rozważę twoją sugestie odnośnie tego zaworu 3d na podłogówkę. Możę zamontuje w instalacji też by-pass (zawór) tego 3d żeby na początku szybko rozgrzać podłogę. Poprawiony schemat, czy teraz jest prawidłowo? Czy napewno nie trzeba instalować zaworu różnicowego równolegle do pompy obiegu CO? Zrobię instalację według tego schematu, mam nadzieję że jedna pompa CO będzie wystarczająca na cały system. Teraz przed modyfikacja puszczam pomopkę na pierwszym biegu i wszystko ładnie działa. Mam jeszcze jedno pytanie, ile maksymalnie może być kolanek na rurze bezpieczeństwa do NW? Bo nie mam takiej możliwości zrobić tego bez kolanek.
vernal Opublikowano 9 Lipca 2013 #22 Opublikowano 9 Lipca 2013 Pierwsze kolanko zrób jak najwyżej od kotła, reszta już nie ma dużego znaczenia, ale lepiej narysować najpierw.
stefansky5 Opublikowano 11 Lipca 2013 Autor #23 Opublikowano 11 Lipca 2013 Te instalacje można potraktować z przymrużeniem oka, ew jako dogrzewanie tak ale nie jako ogrzewanie podstawowe, mam nadzieję że masz jeszcze oprócz tego grzejniki. Nagrzewanie 4h to nie długi okres , ja mam podłoowkę raczej dobrze wykonaną i też potrzeba min 4-6h na zagrzanie - to wielka masa betonu powoduje taką bezwładność, ręczę ci że z zaworem 3-D ustawionym na 35C będzie też działać prawidłowo. Podanie 55-60C na podłogówkę to jawny "gwałt" na wylewce i jednocześnie niezdrowo dla mieszkańców. Witam! Czy takie zainstalowanie zaworu mieszajacego 3d w system podłogówki bedzie działać prawidłowo? Bedzie on zasilany tylko z pompki CO, wiec tu są moje obawy.
sambor Opublikowano 11 Lipca 2013 #24 Opublikowano 11 Lipca 2013 Zamiast tych zaworów i pewnie też pompy zastosuj takie coś http://sklep.info-ogrzewanie.pl/pl/p/Maly-mieszacz-do-podlogowki-z-rotametrami-2-obwody/28?utm_source=foruminfoogrzewanie&utm_medium=panel_boczny&utm_campaign=sklep_promo Tam jest wszystko co trzeba do działania podłogówki 2 obwodowej. Pozdr.
szwedii Opublikowano 15 Lipca 2013 #25 Opublikowano 15 Lipca 2013 Witam i pozdrawiam. Prosił bym o pomoc w doborze schematu CWU. Załączam dwa schematy i sam nie wiem który wykonać, jeżeli chodzi o schemat drógi sprawa dla mnie w sumie w miare jasna jeżeli chodzi o pracę takiego układu, chcę natomias zapytać o co biega dokładniej w tym pierwszym z kilkoma zaworami zwrotnymi. Umieli byści mi wyjaśnic jaka jest funkcja poszczególnych zaworów na poszczególnych nitkach instalacji. Pytam bo za nim cos zrobię lubie wiedzieć jak to działa. Ktróry schemat jest poprawny lub co by trzeba było pozmieniać.Aha jakie te zawory zwrotne, klapkowe czy te ze sprężyną, które w tym rozwiązaniu trzeba by zastosować. Dzięki wielkie za ewentualną pomoc.
Rekomendowane odpowiedzi
Zarchiwizowany
Ten temat przebywa obecnie w archiwum. Dodawanie nowych odpowiedzi zostało zablokowane.