jareckijaro Opublikowano 6 Maja 2013 #1 Opublikowano 6 Maja 2013 Witajcie Proszę o ocenę i może podpowiedz Co będzie lepsze, instalacja z zaworem 4D ( układ 1) czy z 3D ( układ 2) Układ 2 z zaworem termostatycznym 3D pozwala mi zabezpieczyć instalację z pex (od rozdzielaczy do grzejników) jest to dla mnie bardzo ważne Temperatura powrotu powinna się wyklarować przez CWU Układ 1 z zaworem 4D nie daje mi tej gwarancji i nie wiem w jaki sposób mogę zabezpieczyć pexy ( jakiś zawór termostatyczny?) Które rozwiązanie byście polecili Czy w ogóle jest sens zakładać zawory różnicowe, czy jest szansa na grawitację?, od rozdzielaczy pex po podłodze, grzejniki płytowe zasilane od dołu. (rozdzielacze do parteru są w piwnicy pod sufitem) Jak skutecznie zabezpieczyć pexy przed ewentualną temperaturą, jest to dla mnie priorytet, gdyż pozostała instalacja w piwnicy jest z bezproblemowym dostępem. Dzięki za wszelkie sugestie.
sambor Opublikowano 6 Maja 2013 #2 Opublikowano 6 Maja 2013 Tam na pewno nie będzie grawitacji, czyli zawory róznicowe nie są potrzebne, ew grawitacja może wystąpić na CWU. Pex wytrzymuje bez problemu 95C, oczywiście nie ten produkcji chińskiej za 1 zł/m, ale markowe wytrzymają. Widzę że chcesz instalację przy kotle wykonać w PP - to może być większy problem niż PEX. pozdr.
majschi Opublikowano 6 Maja 2013 #3 Opublikowano 6 Maja 2013 witam dobrego plexu przed niczym nie musisz zabezpieczac, masz na nim napisane że wytrzymuje 95* i ciśnienie 10 bar ( przynajmniej ja tak mam na tym którego używam) a z doświadczenia wiem ze wytrzymuje 120* instalacja otwarta ale niestaty nie potrafie powiedziać jak zachowa się rura PP w kontakcie z temperaturą jeśli boisz sie o rurki i swoja instalacje możesz zastosować wymiennik ciepła i wrazie awarii tylko w obiegu kotlowym wystampowała by wysoka temperatura ale tego nie polecam lub zainwestować w dobry PLEX lub CU do podłączenia rozdzielaczy ( cenowo wychodzi bardzo podobnie) i mieć świety spokój a jesli posiadasz grzejniki w swojej instalacji to warto na ich zasilaniu zainstalować zawór 3D aby obniżyć temperature czynnika w okresach przejsciowych pozdrawiam
jareckijaro Opublikowano 7 Maja 2013 Autor #4 Opublikowano 7 Maja 2013 Rzeczywiście nie dopisałem Instalacja powyżej piwnicy jest zrobiona, wszystko jest wyciągnięte do kotłowni. Pex wavin od rozdzielaczy do grzejników w podłodze, grzejniki płytowe zasilane od dołu, do rozdzielaczy pp stabi też wavin (bor) Do PP mam dostęp, w razie czego bez problemu mogę wymienić - poza tym naprawdę jest tych rur niewiele
kiminero Opublikowano 7 Maja 2013 #5 Opublikowano 7 Maja 2013 Pex wytrzymuje bez problemu 95C majschi przetestował swojego PEXa na 120 sC, więc może nadaje się nawet na ogrzewanie parowe... Osobiście mam ograniczone zaufanie do stosowania PEXa z kotłem węglowym na zasadzie prostej alternatywy dla stali czy miedzi. Każdy producent ma nadruki o tej samej treści, którą wszyscy znamy, jednak trzeba mieć ograniczoną wyobraźnię ufając w jednakowe właściwości dostępnych na rynku produktów. Niestety rzadko mamy dostęp do rzetelnych wyników badań nad wpływem zmian warunków pracy rury oraz jak to wygląda w osi czasu. Takie parametry udostępnił min. Uponor (to tylko przykład, nie reklama!) i jasno wynika z nich przewidywany maksymalny czas pracy dla rury PE-RT. Dla układu grzejnikowego określono próg 35 lat przy pracy z czynnikiem 60 sC. To naprawdę dużo, ponieważ jest to czas roboczy, do którego należy dodać (tak to rozumiem) czasy przerw w użytkowaniu, np. okresy letnie. Jednocześnie są wyraźne ostrzeżenia przed użytkowaniem rury w temperaturach awaryjnych powyżej 100 sC. Według nich max czas pracy w takich warunkach to 100 godzin liczonych sumarycznie dla 50 lat eksploatacji przy czym nie dłużej niż 3 godziny pracy ciągłej. O ile użytkownik zapewni właściwe warunki pracy dla tej technologii, to będzie miał spokój na lata. Typowe zabezpieczenie to termostat awaryjny (bimetal) włączony w szereg z zasilaniem pompy CO z ustawionym progiem maksymalnym, np. 80 sC (dla grzejników). Dzięki niemu pompa CO zostaje wyłączona gdy temperatura ta zostanie przekroczona i dopiero po spadku o wartość histerezy ponownie jest uruchamiana (zazwyczaj histereza 5 sC, czyli 75 sC). Ewentualnie mądry sterownik. Jeszcze słowo do schematów. Dlaczego pompa podłogi żeruje na pompie CO? Boiler tylko na grawitacji może się udać ale nie musi. Lepiej jest wpiąć go od strony zasilania bezpośrednio w rurę bezpieczeństwa, co go skutecznie odpowietrzy i poprawi szanse grawitacyjnego działania. Średnica musi być oczywiście duża. Z rurami PP to twoje ryzyko. Powinna być stal przynajmniej w obiegu kotłowym i naczynia. Różnicówka może być raczej źródłem problemów niż zabezpieczeniem. Przy zastosowaniu PP i PEX lepiej aby w chwili braku zasilania przepływ na układ nie miał miejsca, ponieważ bezwładność kotła podniesie temperaturę , a tego właśnie nie chcesz dla PEX-a. Albo układ podtrzymania napięcia, albo niech się nawet gotuje, byleby w kierunku naczynia.
Gość mak Opublikowano 7 Maja 2013 #6 Opublikowano 7 Maja 2013 Autorowi pewnie moja opinia do gustu nie przypadnie, ale ma całkiem dobrą instalację pod kocioł ..... gazowy. A jak już na siłę chce na paliwo stałe to bez węzownicy schładzającej zamontowanej w kotle, trwałość instalacji może się skończyć po pierwszym przekroczeniu 100 C na kotle. Sytuacja newralgiczna to oczywiście zanik napięcia. Zawór różnicowy na schemacie to jak kwiatek do kożucha i nie ma co się nad nim pastwić, podobnie jak grawitacja na zasobnik ( przy 4D może by się sprawdziła), no i ochrona powrotu której przy schemacie 2 jest brak. O gólnie to raczej schemat 1 ale też po poprawkach (patrz układ pomp).
jareckijaro Opublikowano 7 Maja 2013 Autor #7 Opublikowano 7 Maja 2013 O ile użytkownik zapewni właściwe warunki pracy dla tej technologii, to będzie miał spokój na lata. Typowe zabezpieczenie to termostat awaryjny (bimetal) włączony w szereg z zasilaniem pompy CO z ustawionym progiem maksymalnym, np. 80 sC (dla grzejników). Dzięki niemu pompa CO zostaje wyłączona gdy temperatura ta zostanie przekroczona i dopiero po spadku o wartość histerezy ponownie jest uruchamiana (zazwyczaj histereza 5 sC, czyli 75 sC). Ewentualnie mądry sterownik. Jeszcze słowo do schematów. Dlaczego pompa podłogi żeruje na pompie CO? Przy zastosowaniu PP i PEX lepiej aby w chwili braku zasilania przepływ na układ nie miał miejsca, ponieważ bezwładność kotła podniesie temperaturę , a tego właśnie nie chcesz dla PEX-a. Albo układ podtrzymania napięcia, albo niech się nawet gotuje, byleby w kierunku naczynia. Właśnie dlatego pytam o możliwe zabezpieczenie układu co Jak się ma zagotować to niech coś odetnie gorącą wodę na co, a gotować się może w naczynko. Dlatego narysowałem schemat z 3D na grzejniki, na nim mógłbym ustawić max temperaturę. Proszę jak możesz prześlij linka do takiego termostatu awaryjnego, nie mogę znaleźć. Czyli lepszym „ dobrym” rozwiązaniem mógłby być schemat z 4D z takim bimetalowym termostatem? Przy układzie z 3D nie mam kontroli nad temperaturą powrotu – to jest jego wada?
Gość Digitrax Opublikowano 7 Maja 2013 #8 Opublikowano 7 Maja 2013 Najlepsze rozwiązanie moim zdaniem to: - obieg CO podłączony za zaworem 3D bezpośrednio do wyjścia z kotła - obieg podłogówki podłączony za zaworem 3D bezpośrednio do wyjścia kotła - obieg grzania CWU z osobną pompą na zasilaniu podłączony bezpośrednio do wyjścia kotła - pompa obiegu kotłowego łącząca wyjście kotła z jego powrotem sterowana poprzez termostat przylgowy umieszczony na powrocie kotła - naczynie otwarte podłączone bezpośrednio z wyjścia kotła bez jakichkolwiek zaworów i filtrów - przed każdą pompą filtr a na powrocie z obiegu zawór zwrotny Zalety: - pełna niezależna regulacja ogrzewania grzejników - pełna niezależna regulacja ogrzewania podłogowego - pełna niezależna regulacja ciepłej wody użytkowej - zabezpieczenie powrotu kotła - instalacja zgodna z obowiązującym prawem i co ważne ze zdrowym rozsądkiem (bezpieczna) - zapewniona gwarancja na kocioł (ciepły powrót)
jareckijaro Opublikowano 8 Maja 2013 Autor #9 Opublikowano 8 Maja 2013 Najlepsze rozwiązanie moim zdaniem to: - obieg CO podłączony za zaworem 3D bezpośrednio do wyjścia z kotła - obieg podłogówki podłączony za zaworem 3D bezpośrednio do wyjścia kotła - obieg grzania CWU z osobną pompą na zasilaniu podłączony bezpośrednio do wyjścia kotła - pompa obiegu kotłowego łącząca wyjście kotła z jego powrotem sterowana poprzez termostat przylgowy umieszczony na powrocie kotła - naczynie otwarte podłączone bezpośrednio z wyjścia kotła bez jakichkolwiek zaworów i filtrów - przed każdą pompą filtr a na powrocie z obiegu zawór zwrotny No to już mi się robi niezły pożeracz watów - 4 pompki Pompka obiegu kotłowego włączana termostatem przylgowym będzie pracowała do osiągnięcia np 55 stopni, więc będzie pracowała na okrągło nawet jak w piecu zgaśnie ( chyba tak to będzie działało z tym termostatem) A gdybym zrobił układ z 4D i 3D Za 4D na zasilaniu co byłby 3D połączony z powrotem co - ma to w ogóle rację bytu? - bo chyba dziwnie to wygląda.
Gość Digitrax Opublikowano 8 Maja 2013 #10 Opublikowano 8 Maja 2013 Obecne pompy elektroniczne nie są prądożerne... Nie można zjeść ciastko i mieć ciastko.
jareckijaro Opublikowano 10 Maja 2013 Autor #11 Opublikowano 10 Maja 2013 hmm taka racja Jednak 4 pompy elektroniczne to ok 2500 zł W tym zmieszczę się zaworem $d siłownikiem i sterownikiem do niego. Tak czy siak zostaje sprawa jak zabezpieczyć układ CO przed wysoką temperaturą. jeżeli zastosuję termostat przylgowy to gdy on mi wyłączy pompę przy odpowiedniej temperaturze to przez pompę gorąca woda nie pójdzie??
Gość Digitrax Opublikowano 10 Maja 2013 #12 Opublikowano 10 Maja 2013 4D nawet przewymiarowany nie ma takiej skuteczności jak pompa kotłowa ...
kiminero Opublikowano 11 Maja 2013 #13 Opublikowano 11 Maja 2013 Tak czy siak zostaje sprawa jak zabezpieczyć układ CO przed wysoką temperaturą. jeżeli zastosuję termostat przylgowy to gdy on mi wyłączy pompę przy odpowiedniej temperaturze to przez pompę gorąca woda nie pójdzie?? Warunek #1 - ma być chroniony kocioł przed niską temperaturą wody powrotnej Warunek #2 - ma być chroniony PEX przed wysoką temperaturą Warunek #3 - ma być termostat pokojowy Dla tych trzech warunków to ja widzę układ jak niżej: 1. Ochroną powrotu kotła zajmuje się termostatyczny zawór 3D w połączeniu z pompą kotłową, która pracuje zawsze. Zawór 3D ma stałą nastawę fabryczną, którą należy dobrać do zakładanych parametrów zasilania. Gdy wybierzesz zawór o nastawie 45 sC, to dopiero gdy kocioł rozgrzaje się do 45, zacznie się on otwierać na układ (pełne otwarcie zazwyczaj 10 stopni później, czyli przy 55). 2. Skuteczna ochrona PEX-a może być realizowana przez: -termostat przylgowy wyłączający pompę po przekroczeniu temp awaryjnej http://allegro.pl/listing/listing.php?string=termostat+przylgowy -zamontowanie dla układu grzejnikowego zaworu mieszającego termostatycznego o regulowanej nastawie (np. 45-60 sC) http://allegro.pl/afriso-atm-363-termostatyczny-zawor-mieszajacy-1-i3215046348.html - zamontowanie dla układu grzejnikowego zaworu mieszającego 3D z siłownikiem i sterowaniem do niego 3. Przy termostacie pokojowym sterującym pracą pomp, zawsze dochodzi do silnych zaburzeń nie tylko temperatur wody ale i przepływów. Do wyeliminowania tych zaburzeń najlepiej nadaje się sprzęgło hydrauliczne separujące źródło ciapła od układu. Dzięki niemu dla kotła nie ma znaczenia ile aktualnie pomp pracuje po stronie odbioru, bo ważna dla niego jest wyłącznie pompa kotłowa. Przepływ przez kocioł jest stały pod względem wartości przepływu i temperatury powrotu (w granicach nastaw, czyli minimum 45, maksimum zadana na sterowniku). Można ewentualnie przenieść obieg CWU na stronę kotła, tak aby latem pracowała tylko pompa boilera (wpięcia zasilania i powrotu bezpośrednio w kocioł). Każde inne rozwiązanie niesie ze sobą jakieś ograniczenia. Tylko rozwiązanie jak wyżej trzyma wszystko pod stałą kontrolą wymienionych trzech warunków. Źródłem "problemów" twojego układu jest termostat pokojowy, który został po prostu domontowany do układu nieprzygotowanego na ten typ sterowania.
jareckijaro Opublikowano 11 Maja 2013 Autor #14 Opublikowano 11 Maja 2013 Właśnie pracuje nad schematami, po lekturach z forum i netu mam kilka chyba godnych uwagi rozwiązań, Dla rozwiązania kolegi kiminero wychodzi 4 pomki, więc chyba lepiej zrobić całościowo układ otwarty, bez sprzęgła, a z pomką układu kotłowego. Swoją drogą dzięki za wszelkie uwagi, informację i zainteresowanie, nieuchronnie zbliża mi się konieczość robienia instalacji, piec już stoi Pozdro
kiminero Opublikowano 11 Maja 2013 #15 Opublikowano 11 Maja 2013 Dla rozwiązania kolegi kiminero wychodzi 4 pomki, więc chyba lepiej zrobić całościowo układ otwarty, bez sprzęgła, a z pomką układu kotłowego. To JEST układ całościowo otwarty. Przed realizacją pochwal się planami.
Gość Digitrax Opublikowano 11 Maja 2013 #16 Opublikowano 11 Maja 2013 Poniżej lekko zmodyfikowany układ zachowujący powyższe wymagania oraz umożliwiający grzanie CWU latem grawitacyjnie (gdy wszystkie inne pompy są OFF)
jareckijaro Opublikowano 15 Maja 2013 Autor #17 Opublikowano 15 Maja 2013 Układ 1 Najbardziej "normalny" standardowy. pompka co podłączona za pomocą termostatu przylgowego który wyłączy ją przy zbyt wysokiej temperaturze. Pytanie czy aby napewno przez pompkę grawitacyjnie nie pójdzie gorąca woda?? Układ 2 Poszalałem, czy to w ogóle ma rację bytu, zawór 3D zapewniał by mi gwarancję ochrony pex, natomiast w dalszym ciągu układ kotłowy działał by grawitacyjnie - mam taką nadzieję Układ 3 Puściłem wodze fantazji Zawór 3D nr 1 ustawiony na 55 stopni, po osiągnięciu przez piec tej tę zaczyna puszczać przez układ, 3D nr 3 w razie czego ochrania układ co ( pexy) Jeżeli by się zamknął pompa ładuje przez cwu do tem. pieca. Oczywiście nie jestem fachowcem więc moje schematy pozostawiam do oceny. każda uwaga mile widziana.
Gość Digitrax Opublikowano 15 Maja 2013 #18 Opublikowano 15 Maja 2013 Przeczytaj jeszcze raz nasze powyższe sugestie i przeanalizuj gdzie i jak popłynie woda w Twoich schematach...
jareckijaro Opublikowano 16 Maja 2013 Autor #19 Opublikowano 16 Maja 2013 Przeczytaj jeszcze raz nasze powyższe sugestie i przeanalizuj gdzie i jak popłynie woda w Twoich schematach... Nie no spokojnie, układ 1 jest najbardziej realny, w nim przepływy wydają mi się być ok, tylko ewentualnie pompę do cwu dołożę. No i powrót z podłogówki nie w tym miejsc.Ale to poprawię. czy aby napewno przez pompkę grawitacyjnie nie pójdzie gorąca woda?? Pozostałe 2 układy to są tylko takie moje rozmyślania, a że jestem w tym temacie laikiem ( co nie ukrywam i napisałem) wrzuciłem z nadzieją na przeanalizowanie i opinie. A dokształcać się będę dalej na pewno, decyzję muszę jakąś podjąć. Dzięki
sambor Opublikowano 16 Maja 2013 #20 Opublikowano 16 Maja 2013 Wszystkie układy mają błąd - niezgodność przepływów w 1 i 2 schemacie - podłogówka jest pobierana z zaworu 4-D a powrót pomija zawór 4-D i robi się mały kłopot. Podobnie z zaworem 3-D od podłogówki na 1,2 i 3 schemacie , powinien być włączony bezpośrednio do wyjścia z kotła. Pytanie do autora co chcesz osiągnąć przez łączenie zaworów mieszających w szereg? Moim zdaniem tylko problem z regulacją. Pozdr.
jareckijaro Opublikowano 16 Maja 2013 Autor #21 Opublikowano 16 Maja 2013 Wszystkie układy mają błąd - niezgodność przepływów w 1 i 2 schemacie - podłogówka jest pobierana z zaworu 4-D a powrót pomija zawór 4-D i robi się mały kłopot. Podobnie z zaworem 3-D od podłogówki na 1,2 i 3 schemacie , powinien być włączony bezpośrednio do wyjścia z kotła. Pytanie do autora co chcesz osiągnąć przez łączenie zaworów mieszających w szereg? Moim zdaniem tylko problem z regulacją. Pozdr. W poście wyżej napisałem o błędnym powrocie od podłogówki - poprawię (jakoś przeoczyłem) Wydawało mi się że łączenie w szereg da mi mały obieg kotłowy, a więc szybko dobrą tem. powrotu. Bojler mam blisko pieca. Podłogówki mam trochę więc i ciepła zabierze. Ale chyba mi się tylko wydawało. Co z tą grawitacją przez pompkę?? Dzięki za uwagi.
jareckijaro Opublikowano 17 Maja 2013 Autor #22 Opublikowano 17 Maja 2013 Schemacik poprawiłem Mam pytanie czy obieg kotłowy nie mógłby iść przez cwu,? u mnie to 120l, i jest tuż obok pieca pod sufitem. Czy tak nie udało by się utrzymać tem. powrotu pieca? Czy układ z 4d i 3D, lub z dwoma 3D nie mogą funkcjonować prawidłowo?
sambor Opublikowano 17 Maja 2013 #23 Opublikowano 17 Maja 2013 Nie rozumiem dlaczego podłogówkę zasilasz z zaw 4-D? Jeżeli ma to być ochrona powrotu to trochę pokrętne. Ja dałbym zaw 3-D równolegle do bojlera a do tego podłączyłbym wprost grzejniki. Ochronę kotła można wykonać przez zaw 3-D na powrocie lub lepiej przez pompę kotłową sterowaną temp powrotu. Koszt takiego rozwiązania będzie podobny - odpada zaw-4-D, i moga być cieńsze rury do CWU dochodzi pompa kotłowa i jej sterownik pozdr.
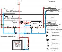
Gość Digitrax Opublikowano 18 Maja 2013 #24 Opublikowano 18 Maja 2013 Poniższy rysunek przedstawia nasze zalecenia. Czy się do nich zastosujesz to już Twoja sprawa, my "tylko" radzimy. Ty jesteś inwestorem i Ty decydujesz. Nie zapominaj tylko o fakcie, że źle wykonana instalacja jest generatorem zbędnych kosztów w sezonie zimowym np duże spalanie a efekty znikome. Wszystkie połączenia w kotłowni jedynie z wykorzystaniem stali bądź miedzi. PP możesz sobie instalować dopiero za zaworami przekreślonymi zieloną kreską.
sambor Opublikowano 18 Maja 2013 #25 Opublikowano 18 Maja 2013 Obok termometru na powrocie do kotła powinien być jeszcze termostat lub czujnik załączający pompę kotłową.
Rekomendowane odpowiedzi
Zarchiwizowany
Ten temat przebywa obecnie w archiwum. Dodawanie nowych odpowiedzi zostało zablokowane.