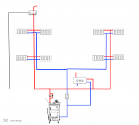
mpolk Opublikowano 12 Kwietnia 2013 #1 Opublikowano 12 Kwietnia 2013 Witam, Proszę o poradę i ewentualne komentarze. Na dniach będę wymieniał kocioł C.O., nie obejdzie się bez przeróbek, tego jestem pewien. Obecnie instalacja C.O. i C.W.U wygląda jak na Rys.1. Jest to instalcja stalowa w obiegu otwartym. Na parterze grzejniki aluminiowe na pierwszym piętrze płytowe stalowe. Przed każdym grzejnikiem zawory zasilające i odcinające. Po przeróbkach chciałbym aby w lecie można było grzać tylko obieg C.W.U. miałby on być sterowany osobną pompą. W zimie zależałoby mi na tym żeby woda w zbiorniku C.W.U nie była wychładzana przez kocioł. Schemat instalacji po przeróbkach na Rys. 2. Czy tak jak przedstawiłem na Rys. 2 będzie działało jak powinno. Z góry dzięki za pomoc.
aTomek Opublikowano 12 Kwietnia 2013 #2 Opublikowano 12 Kwietnia 2013 Zacznijmy od tego, że naczynie wzbiorcze powinno mieć oddzielną rurę. Dopuszczalne jest zamontowane go na pionie (jak u Ciebie), ale po drodze nie powinno być zaworów, a masz różnicowy. Sam mam tak, jak Ty, ale ja dodatkowo mam wężownicę schładzającą (Dakon DOR 24S) z zaworem otwierającym schładzanie powyżej 95 stopni. Jeszcze nigdy nie musialo się to uruchamiać, ale strzeżonego...
Gość mak Opublikowano 12 Kwietnia 2013 #3 Opublikowano 12 Kwietnia 2013 Jak już mają być przeróbki to przrób również podłączenie naczynia wzbiorczego (na forum znajdziesz wszystkie informacje). Kolejna sprawa to ochrona kotła przed niską temperaturą powrotu która w nowym kotle może być warunkiem gwarancji (patrz DTR kotła) i może być potrzebny zawór 3D lub 4D.
aTomek Opublikowano 12 Kwietnia 2013 #4 Opublikowano 12 Kwietnia 2013 Wg mnie, wystarczającym zabezpieczeniem powrotu, jest woda krążąca w obiegu CWU,pod warunkiem pracy pompy CWU przez cały czas palenia ale wtedy, to by nawet jedna pompa na cały układ wystarczyła.
mpolk Opublikowano 12 Kwietnia 2013 Autor #5 Opublikowano 12 Kwietnia 2013 Wiedziałem, że tak łatwo nie będzie. Czy w przypadku pieca sterowanego nadmuchem przeróbka zasilania naczynia wzbiorczego jest nie unikniona. Dodam, że do tej pory był zwykły piec zasypowy bez jakiegokolwiek sterowania i żadne niebezpieczne objawy nie występowały. Co do zabezpieczenia kotła przed niskim temperaturami powrotu to jest tak uwaga w DTR. Muszę też o tym pomyśleć.
gersik Opublikowano 12 Kwietnia 2013 #6 Opublikowano 12 Kwietnia 2013 Kup sobie urządzenie do podtrzymania prądu w razie awarii i nie będziesz miał problemu z przeróbką rury bezpieczeństwa. Pamiętaj tylko aby na kocioł dać zawór bezpieczeństwa taki jak przewiduje producent.
mpolk Opublikowano 12 Kwietnia 2013 Autor #7 Opublikowano 12 Kwietnia 2013 Co do urządzenia podtrzymującego zasilanie pompy myślałem o czyms takim. Jeśli chodzi o zawór bezpieczeństwa to mam pewniem problem. w opisie kotła znlazłem informacje, że kocioł posiada: ZABEZPIECZENIE TERMICZNE Sterownik kotła wyposażony jest w ogranicznik temperatury bezpieczeństwa chroniący przed przegrzaniem kotła (zagotowaniem wody w instalacji) w przypadku uszkodzenia sterownika. Ogranicznik temperatury bezpieczeństwa stanowi mechaniczny sposób zabezpieczenia w postaci bimetalicznego czujnika(umiejscowiony przy czujniku temperatury wody kotłowej) odcinający dopływ prądu do wentylatora nadmuchowego w przypadku przekroczenia temperatury 90°C (pompa co. pozostaje załączona). ZABEZPIECZENIE TEMPERATUROWE Sterownik posiada dodatkowe zabezpieczenie temperaturowe (elektroniczne) na wypadek uszkodzenia czujnika bimetalicznego. Po przekroczeniu temperatury 95°C następuje odcięcie dopływu prądu do wentylatora nadmuchowego. Ale jak tak teraz czytam o tych zabezpieczeniach, to w przypadku dłuższego braku prądu trzeba będzie grzac grawitacyjnie i tu jest możliwość zagotowania wody i tzreba zamór bezpieczeństwa. Czy mam rację?
kiminero Opublikowano 12 Kwietnia 2013 #8 Opublikowano 12 Kwietnia 2013 W twoim przypadku bezpiecznym rozwiązaniem jest przeniesienie pomp na powrót, tak aby droga do naczynia nie była niczym zagrodzona. Zabezpieczenie, o którym piszesz dotyczy wyłącznie odcięcia dmuchawy w sytuacji awarii czujnika elektronicznego. To tylko jedna z możliwych przyczyn zagotowania kotła. Dużo groźniejsze są te "mechaniczne", np. przeciąganie temperatury ciągiem kominowym, pozostawienie niedomkniętych drzwiczek popielnika, rozszczelnienie drzwiczek, itp. Samo gotowanie przy właściwie wpiętym naczyniu nie jest groźne. Prawdziwe niebezpieczeństwo to sytuacja gdy ci naczynie zamarznie. Wtedy ostatnią "linią obrony" jest zawór bezpieczeństwa, który nie dopuści do wzrostu ciśnienia i rozsadzenia kotła. Montuj ZB 1,5 bara. Z pompami na powrocie wiąże się większe ryzyko zaciągania powietrza przez znajdujące się na układzie automaty odpowietrzające. Jedynym wyjściem zapobieżeniu temu, byłoby umieszczenie naczynia wg PN dla układów z pompa na powrocie, czyli 0,7*h powyżej punktu najwyższego obiegu wody, gdzie h to wysokość podnoszenia pompy. Nierealne dla większości układów. Jeśli więc układ masz odporny na zapowietrzanie to spokojnie pompy na powrót. To co narysowałeś działało będzie, bezpieczne nie będzie. Taką samą sytuacje miałeś wcześniej, ponieważ ktoś przerobił bezpieczny układ grawitacyjny na układ pompowy z pompą na zasilaniu bez przerabiania naczynia.
mpolk Opublikowano 12 Kwietnia 2013 Autor #9 Opublikowano 12 Kwietnia 2013 Dzięki za porady i komentarze. Jeśli chodzi o odpowietrzenie to nie ma automatów, tylko kurki wkręcone do grzejników po przeciwnej stronie zasilania. Także przeniesienie pomp na powrót nie generowało by możliwości częstego zapowietrzenia. Co do zamarzania naczynie do tej pory nigdy to nie miało miejsca, ale różnie bywa. Jeśli przenieść pompy na powroty do pompa obiegowa C.O. na bypassie? A co z pompą C.W.U? rozumiem, że tylko przenieść ją na powrót a co z zaworem zwrotnym czy ma on sens w sytuacji pompy na powrocie?
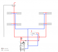
mpolk Opublikowano 17 Kwietnia 2013 Autor #10 Opublikowano 17 Kwietnia 2013 W twoim przypadku bezpiecznym rozwiązaniem jest przeniesienie pomp na powrót, tak aby droga do naczynia nie była niczym zagrodzona. Zabezpieczenie, o którym piszesz dotyczy wyłącznie odcięcia dmuchawy w sytuacji awarii czujnika elektronicznego. To tylko jedna z możliwych przyczyn zagotowania kotła. Dużo groźniejsze są te "mechaniczne", np. przeciąganie temperatury ciągiem kominowym, pozostawienie niedomkniętych drzwiczek popielnika, rozszczelnienie drzwiczek, itp. Samo gotowanie przy właściwie wpiętym naczyniu nie jest groźne. Prawdziwe niebezpieczeństwo to sytuacja gdy ci naczynie zamarznie. Wtedy ostatnią "linią obrony" jest zawór bezpieczeństwa, który nie dopuści do wzrostu ciśnienia i rozsadzenia kotła. Montuj ZB 1,5 bara. Z pompami na powrocie wiąże się większe ryzyko zaciągania powietrza przez znajdujące się na układzie automaty odpowietrzające. Jedynym wyjściem zapobieżeniu temu, byłoby umieszczenie naczynia wg PN dla układów z pompa na powrocie, czyli 0,7*h powyżej punktu najwyższego obiegu wody, gdzie h to wysokość podnoszenia pompy. Nierealne dla większości układów. Jeśli więc układ masz odporny na zapowietrzanie to spokojnie pompy na powrót. To co narysowałeś działało będzie, bezpieczne nie będzie. Taką samą sytuacje miałeś wcześniej, ponieważ ktoś przerobił bezpieczny układ grawitacyjny na układ pompowy z pompą na zasilaniu bez przerabiania naczynia. Chcaiłbym odświeżyc temat. Naniosłem poprawki na schemat z zastosowaniem się do twoich uwag. Teraz wygłada to jak poniżej. Jednakże ma jeszcze kilka pytań. 1. Czy zasilanie CWU z głównego pionu może zostać czy lepiej pociągnąć nową nitkę. 2. Jeśli nowa nitka zasilania CWU to czy pompa na zasilaniu czy powrocie. 3. W zimie zależałoby mi na tym żeby woda w zbiorniku C.W.U nie była wychładzana przez układ CO. Czy zawór zwrotny załatwi sprawę i w którym miejscu powinien być? Z góry dzięki
majschi Opublikowano 17 Kwietnia 2013 #11 Opublikowano 17 Kwietnia 2013 1 moze zostac tak jak masz obecnie 2 jesli sa dwie pompy w jednym obiegu to obie powinny byc na powrocie 3 zawory zwrotne i wylaczona pompa skutecznie "unieszkodliwia" grawitacje
mpolk Opublikowano 17 Kwietnia 2013 Autor #12 Opublikowano 17 Kwietnia 2013 Dzięki za poradę. Czy zawór zwrotny w układzie CWU w dobry miejscu umieściłem?
Gość Digitrax Opublikowano 17 Kwietnia 2013 #13 Opublikowano 17 Kwietnia 2013 Wystarczy jedna pompa. Aby zimą instalacja CO nie wystudzała zbiornika CWU należy na wejściu wężownicy zainstalować zawór zwrotny klapowy. Poniżej rysunek. Grawitacja pomiędzy kotłem z zbiornikiem CWU zadziała w przypadku wykonania połączenia z rury np Cu 28 mm bądź stal 1".
kiminero Opublikowano 17 Kwietnia 2013 #14 Opublikowano 17 Kwietnia 2013 1. Czy zasilanie CWU z głównego pionu może zostać czy lepiej pociągnąć nową nitkę. 2. Jeśli nowa nitka zasilania CWU to czy pompa na zasilaniu czy powrocie. 3. W zimie zależałoby mi na tym żeby woda w zbiorniku C.W.U nie była wychładzana przez układ CO. Czy zawór zwrotny załatwi sprawę i w którym miejscu powinien być? Zawór zwrotny nie załatwi sprawy jeżeli masz "głupawy" sterownik, który nie steruje pompą CWU różnicowo. Jak chcesz mieć dwie pompy, to sterownik musi tak sterować pompą boilera, aby ta nie załączała się gdy na kotle jest mniej niż na boilerze. To częsta sytuacja w kotłach zasypowych palonych cyklicznie. Przy tak krótkim obiegu nie ma znaczenia czy pompa będzie na zasilaniu czy na powrocie. W twoim wypadku raczej na zasilaniu, ponieważ jeśli rysunek odzwierciedla stan faktyczny, to na boilerze musi być automat. Pompa na powrocie mogłaby wtedy zaciągać przez niego powietrze.
majschi Opublikowano 17 Kwietnia 2013 #15 Opublikowano 17 Kwietnia 2013 nie mam zbyt duzego doswiadczenia z grawitacja poniewaz w obecnych instalacjach nie ma racji bytu ale uwazam ze jesli istnieje mozliwosc wykozystania jednej pompy to nalezy z tego skozystac
kiminero Opublikowano 17 Kwietnia 2013 #16 Opublikowano 17 Kwietnia 2013 Wystarczy jedna pompa. Aby zimą instalacja CO nie wystudzała zbiornika CWU należy na wejściu wężownicy zainstalować zawór zwrotny klapowy. Poniżej rysunek. Grawitacja pomiędzy kotłem z zbiornikiem CWU zadziała w przypadku wykonania połączenia z rury np Cu 28 mm bądź stal 1". Wszystko prawda, ale trzeba pamiętać o takim ustawieniu progu wyłączenia pompy, by nie wyciągnęła temp z boilera gdy w kotle już wygasa. Standardowo pompy wyłączają się gdy na kotle temp spada do 30-35 sC. Do tego momentu cały czas pracują i gdy już się zatrzymają, to woda w boilerze też wiele więcej nie ma. Należałoby próg wyłączenia podnieść do min 45 a reszta energii kotła rozejdzie się grawitacyjnie lub w przypadku sporego bezwładnościowego skoku pompa CO włączy się ponownie.
mpolk Opublikowano 18 Kwietnia 2013 Autor #17 Opublikowano 18 Kwietnia 2013 Wystarczy jedna pompa. Aby zimą instalacja CO nie wystudzała zbiornika CWU należy na wejściu wężownicy zainstalować zawór zwrotny klapowy. Poniżej rysunek. Grawitacja pomiędzy kotłem z zbiornikiem CWU zadziała w przypadku wykonania połączenia z rury np Cu 28 mm bądź stal 1". Przepraszam, że dopytuję ale jestem laikiem, czy na obejściu pompy CO zawór zwrotny klapowy tak jak na twoim rysunku czy zawór różnicowy.
mpolk Opublikowano 18 Kwietnia 2013 Autor #18 Opublikowano 18 Kwietnia 2013 Zawór zwrotny nie załatwi sprawy jeżeli masz "głupawy" sterownik, który nie steruje pompą CWU różnicowo. Jak chcesz mieć dwie pompy, to sterownik musi tak sterować pompą boilera, aby ta nie załączała się gdy na kotle jest mniej niż na boilerze. To częsta sytuacja w kotłach zasypowych palonych cyklicznie. Przy tak krótkim obiegu nie ma znaczenia czy pompa będzie na zasilaniu czy na powrocie. W twoim wypadku raczej na zasilaniu, ponieważ jeśli rysunek odzwierciedla stan faktyczny, to na boilerze musi być automat. Pompa na powrocie mogłaby wtedy zaciągać przez niego powietrze. Sterownik, który zamontowany jest na kotle to sterownik tech st 850 pid. Co do ilości pomp to skłaniam się do 2. Pompa CWU maiła by się wyłączać wcześniej niż pompa CO. Powiedzmy, że pompa CWU wyłączała by się przy 50 sC a pompa CO 35-40 sC. Co do rysunku to racja zasilanie CWU pociągnięte jest z głównefo pionu, i żeby umieści pompe na zasilaniu to myślę, że nowa nitka zasilania CWU załatwi sprawę.
darecki2308 Opublikowano 19 Kwietnia 2013 #19 Opublikowano 19 Kwietnia 2013 Sterownik, który zamontowany jest na kotle to sterownik tech st 850 pid. Co do ilości pomp to skłaniam się do 2. Pompa CWU maiła by się wyłączać wcześniej niż pompa CO. Powiedzmy, że pompa CWU wyłączała by się przy 50 sC a pompa CO 35-40 sC. Co do rysunku to racja zasilanie CWU pociągnięte jest z głównefo pionu, i żeby umieści pompe na zasilaniu to myślę, że nowa nitka zasilania CWU załatwi sprawę. Witam wszystko zależy od tego jak ustawisz sterownik czy będzie pracował na Priorytecie C.W.U , czy pompy równoległe po naładowaniu zasobnika w tym wypadku 50 st. zasobnik nie będzie już ładowany a pompa C.O. zostanie ustawiona minus histeza np. 2 st. lub w pracy sterownika w Trybie letnim gdzie zadana na kotle jest zadaną na zasobnik .poczytaj dokładnie DTR sterownika tu ją znajdziesz http://tech-controllers.com/shop,21,112 wszystko będzie jasne jak będziesz chciał aby pracowały pompy
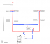
mpolk Opublikowano 17 Maja 2013 Autor #20 Opublikowano 17 Maja 2013 Witam, Jestem po dokładnym przestudiowaniu DTR kotła i sterownika. Dlatego chciałbym zamknąć temat modernizacji instalacji. Proszę zerknijcie na załączony schemat i napiszcie proszę czy jest ok. i czy jeszcze coś zmienić. Z góry dzięki.
darecki2308 Opublikowano 2 Czerwca 2013 #21 Opublikowano 2 Czerwca 2013 Witam gdzie dokładnie znajduje się ten ( zawór odcinający na lato ) :huh:
mpolk Opublikowano 7 Czerwca 2013 Autor #22 Opublikowano 7 Czerwca 2013 Zawór znajduje sie na powrocie zaraz za bypass'em.
Rekomendowane odpowiedzi
Zarchiwizowany
Ten temat przebywa obecnie w archiwum. Dodawanie nowych odpowiedzi zostało zablokowane.