zip20
Stały forumowicz-
Postów
168 -
Dołączył
-
Ostatnia wizyta
Typ zawartości
Forum
Wydarzenia
Blogi
Artykuły
Treść opublikowana przez zip20
-
Powoli będą wchodzić rozwiązania produkcji paliwa wodorowego w lecie (z pv) które będzie można wykorzystać zima. Trzeba tylko czekać.
-
Nie raz kupowałem w listopadzie i szedł bezpośrednio do kominka, pali się jak złoto, trzeba tylko mieć dobrego dostawcę. Sam też mam swoje krzaki i widzę ile trzeba sezonowaç drewno, osika wystarczy nie cały rok i pali się jak szalona wyschnie na papier. Kwestia gdzie zamówisz, wilgotnym drzewem też się da palić tylko trzeba umieć, trzeba wytworzyć w kotle bardzo wysoką temperaturę i żar nie chce mi się rozwijać tematu bo nie o tym wątek jest. U mnie w Małopolsce bez problemy kupuje sezonowanego buka bezpośrednim do kominka.
-
Musisz zdecydować czy lubisz palić w kotle i go doglądać, czy wolisz załadować i zapomnieć. Ja bym szedł z podajnikiem z możliwością montażu rusztu awaryjnego a wtedy spalisz drewno i węgiel. Masz 3 opcje do dyspozycji w jednym kotle
-
Masz dwie opcje kocioł z podajnikiem na ekogroszek z możliwością zamontowania dodatkowego rusztu (nie do końca legalne ) ale da się, można palić drewnem. Do drewna nie potrzebujesz żadnej wiaty (chyba że masz swój las) kupujesz gotowe sezonowane, wrzucasz do kotłowni i palisz. Albo zasypowy można palić drewnem węglem. Co do bufora, czym większy tym wyższa wygoda, rzadziej zaglądasz do kotłowni.
-
Dobór rur preizolowanych w instalacji grzewczej CO Zasilanie garażu, średnica rury
zip20 odpowiedział(a) na zip20 temat w Instalacje CO i CWU
Jaki wymiennik byłby dobry do tego przypadku ? -
Dobór rur preizolowanych w instalacji grzewczej CO Zasilanie garażu, średnica rury
zip20 odpowiedział(a) na zip20 temat w Instalacje CO i CWU
A czy ogrzewanie podłogowe również ? Chciałbym żeby całe ogrzewanie garażu było w glikolu. Czy rury ogrzewania podłogowego są odporne na glikol np wawin kameleon ? -
Planuje z domu zrobić zasilanie garażu rurami preizolowanymi (elastycznymi). Czy przy odległości 15m (długość rury do rozdzielacza w garażu) wystarczą rury preizolowane o średnicy 32mm ? Na garażu docelowo ma być mieszkanie, powierzchnia ogrzewanych podłóg to 55 -60m2 Czy mogę rury ogrzewania podłogowego na garażu i ta rurę preizolowaną zalać glikolem, a w kotłowni zastosować wymiennik ?
-
Panasonic Aquarea split/ monoblock/ all-in one gen. H, J, HT, T-Cap
zip20 odpowiedział(a) na esselite temat w Pompy ciepła
Zapotrzebowanie budynku 8KW Kocioł junkers do którego chce dołożyć pompę ciepła (junkers ma grzać w duże mrozy) Tabela wygenerowana na podstawie kalkulatora Panasonic dla 8KW (strefa -20) Iść w 5kw czy 7kw Panasonica (monoblok) Czy 7KW będzie znacznie taktować (czy akceptowalnie) Według kalkulatora Panasonic oszczędności większe na pompie 7kw (około 200zł rocznie) CO+CWU boje się ze mogę mieć lekkie niedoszacowanie zapotrzebowania stad na wykresie też 8,5KW (taki zapas gdyby ) Zyski bytowe nie są uwzględnione przy taktowaniu wiec będzie pewnie ono występowało o te 2-3 stopnie niżej niż zaznaczony zakres czyli przy 7KW pewnie w granicy 6-7C a dla 5KW 12-13C -
RC310 nie łączy się z piecem Buderus GB122i
zip20 odpowiedział(a) na Blendermen temat w Kotły gazowe
Czy tylko ten sterownik jest w systemie czy jak drugi na piętro ? Ciężko coś znaleźć jedyna porada, wyjąć RC 310 i ponownie włożyć. W razie potrzeby potwierdź stary komunikat o błędzie po uruchomieniu urządzenia. -
Kurcze nie mam jak teraz sprawdzić ale w ustawieniach masz ustawienia zaworu 3d lądującego zasobnik CWU i tam są opcje do wyboru. https://www.junkers-sklep.pl/files/398662328/instrukcja-montazu-cw-400-i-cr-400-i-cw800.pdf strona 14 Konf. c.w.u. na kotle Tutaj spróbuj zmienić do swojej sytuacji
-
Montaż bufora w instalacji z pompą ciepła Bufor na zasilaniu czy powrocie
zip20 odpowiedział(a) na dz1q86 temat w Pompy ciepła
Bufor, sprzęgło, wymiennik to 3 rożne rzeczy Rysunek bez tego ciężko coś powiedzieć. -
Montaż bufora w instalacji z pompą ciepła Bufor na zasilaniu czy powrocie
zip20 odpowiedział(a) na dz1q86 temat w Pompy ciepła
-
Ja mam Junkers 14kw dom 180m2 spokojnie daje radę i ładnie moduluje mocą palnika. Jeśli masz tylko ogrzewanie podłogowe, lub tylko grzejniki to może być polecany na forum tańszy Termet. Junkers głownie sprawdza się przy bardziej złożonej automatyce podłoga+grzejniki i inne obiegi, jest dość prosty w rozbudowie o kolejne obiegi. Oczywiście w samej podłogówce też będzie smigał. Gwarancja od zakupu 2 lata z możliwością rozszerzenia o kolejne 5 lat. Warunek co roczne przeglądy po drugim roku od zakupu.
-
Montaż bufora w instalacji z pompą ciepła Bufor na zasilaniu czy powrocie
zip20 odpowiedział(a) na dz1q86 temat w Pompy ciepła
Bez nerwów, panowie bo nie o to chodzi. Rozchodziło mi się o to że: Bufor ma swoje zalety przy pompie ciepła ale nie koniecznie przy kotle który ładnie moduluje mocą palnika i taki bufor to zbędne grzanie wody w instalacji, początkowa praca kotła na pełnej mocy, opóźniony start instalacji. Dlatego chciałem rozbić to na osobne obiegi dla kotła bezpośrednio do sprzęgła, a pompa z buforem w celu zwiększenia załadu wody. Tyle, nie podnoszę już ciśnienia. Dziękuję za poświęcony przez was czas, sporo użytkownicy tego forum mi pomogli. -
Montaż bufora w instalacji z pompą ciepła Bufor na zasilaniu czy powrocie
zip20 odpowiedział(a) na dz1q86 temat w Pompy ciepła
Schemat podobny tylko u mnie zamiast bufora jest sprzęgło, bufor dorzuciłem żeby zwiększyć pojemność wody w układzie. Pytanie czy ten bufor jeśli dawać to (zasilanie/powrót) czy go wywalić jeśli miałby szkodzić. Czy bez bufora równolegle zamiast sprzęgła będzie kuleć taka instalacja ? -
Wybór pompy ciepła Dobór pompy ciepła i jej elementów
zip20 odpowiedział(a) na kebes temat w Pompy ciepła
Możesz podesłać linka z wynikiem z ciepło właściwe ? -
Montaż bufora w instalacji z pompą ciepła Bufor na zasilaniu czy powrocie
zip20 odpowiedział(a) na dz1q86 temat w Pompy ciepła
Czyli wywalić ten bufor ? -
Montaż bufora w instalacji z pompą ciepła Bufor na zasilaniu czy powrocie
zip20 odpowiedział(a) na dz1q86 temat w Pompy ciepła
No właśnie tylko to kolejne koszty, pytanie czy uzasadnione i będzie z tego jakiś zysk, czy zostawić tak jak jest a bufor wywalić ? -
Montaż bufora w instalacji z pompą ciepła Bufor na zasilaniu czy powrocie
zip20 odpowiedział(a) na dz1q86 temat w Pompy ciepła
-
Modernizacja instalacji grzewczej Kocioł kondensacyjny + Pompa ciepła
zip20 odpowiedział(a) na zip20 temat w Instalacje CO i CWU
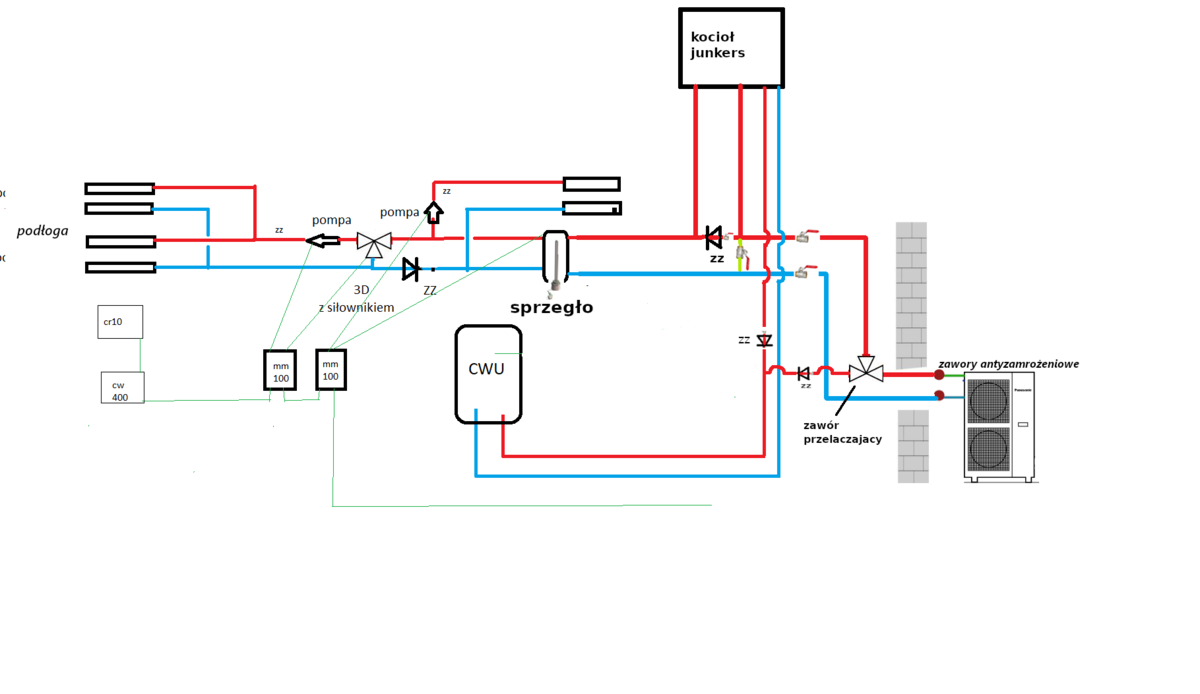
Jeszcze zastanawiam się nad takim rozwiązaniem ochrony pompy ciepła podczas braku napięcia. Elektrozawór który będzie otwierał przepływ podczas braku prądu i mała pompa obiegowa. Nie wiem czy moje rozumowanie jest poprawne ale wydaje mi się ze sama pompka bez tego obejścia sprzęgła bardzo szybko wychłodziła by sprzęgło i pompa po jakimś czasie mogła by zamarznąć ? czy jednak się mylę i wystarczy tylko pompka obiegowa za sprzęgłem pchająca wodę w pompę ciepła w momencie braku prądu (na ile taki bufor 50 litów wystarczy aż się wychłodzi )? -
Modernizacja instalacji grzewczej Kocioł kondensacyjny + Pompa ciepła
zip20 odpowiedział(a) na zip20 temat w Instalacje CO i CWU
Przemyślałem sytuację i wydaje mi się ze w przypadku kotła gazowego nie ma sensu przepuszczać ciepłej wody przez pompę ciepła bo przy braku prądu wiele to nie da. Lepiej zainwestować w UPS który utrzyma w sytuacji awaryjnej prace kotła i pompkę pompy ciepła. Proszę o sprawdzanie schematu -
Modernizacja instalacji grzewczej Kocioł kondensacyjny + Pompa ciepła
zip20 odpowiedział(a) na zip20 temat w Instalacje CO i CWU
Powoli temat pompy ciepła zbliża się wielkimi krokami i chciałbym sobie to poukładać w głowie. Pompa będzie Panasonica 5KW monoblok, będzie pracować w trybie biwaletnym, dogrzewanie w razie mrozów będzie kotłem gazowym. Dziękuje @carinus za dużo informacji. Co do sterowania, to jeszcze nie wiem jak to rozwiąże, zobaczymy jakie opcje sa integracji pompy z kotłem. Druga sprawa sprawdziłem i po rozłączaniu zworki termostatu pokojowego on/off w kotle, kocioł steruje wszystkimi obiegami i zaworem 3d tylko nie załącza palnika wiec tez to można w pewnym stopniu wykorzystać do sterowania. Poproszę o sugestie odnośnie rysunku, zamysł jest taki żeby przez pompę kiedy nie pracuje bo są mrozy przepuszczać ciepła wodę. Obecnie w instalacji jest sprzęgło wiec ono pozostaje, na zielono bypass na wypadek jakiejś awarii edit: teraz jeszcze zastanawiam co się będzie działo kiedy zawór cwu będzie w złym położeniu a załączy się kocioł, chyba ze będzie to jakiś elektro zawór który będzie w pozycji otwartej gdy pompa nie działa i będzie otwierał przepływ -
U mnie, rury do rozdzielczy leci 22 w miedzi, 5 pętli z tego dwie pętlę ponad 110 merów i daje radę, pompkę daje na najniższym bieg bo nie lubię szumów przepływy 0,5 na najniższym biegu i wszystko grzeje. Na początku kombinowałem tak jak ty przepływy po 1,5 -2 a teraz mam na najwolniejszym biegu pompki i spokojnie wszystko hula. Co innego szybkie zagrzanie wtedy te przepływy mają znaczenie jak grzejesz ciągle "krzywą"to mogą być mniejsze.
-
Tutaj pytania i odpowiedzi oraz lista kompatybilnych kotłów https://www.bosch-easycontrol.com/pl/pl/easycontrol/czesto-zadawane-pytania-(faq)/
-
Parametry pracy kotła gazowego Junkers Cerapur, Salus, ustawienia/regulacja
zip20 odpowiedział(a) na Czwali temat w Kotły gazowe
po co ten Salus w jakim celu go montowałeś- 2 odpowiedzi
