Matejko1
Stały forumowicz-
Postów
713 -
Dołączył
-
Ostatnia wizyta
-
Wygrane w rankingu
3
Typ zawartości
Forum
Wydarzenia
Blogi
Artykuły
Treść opublikowana przez Matejko1
-
Kocioł zgazowujący drewno - pomoc w wyborze
Matejko1 odpowiedział(a) na luki174 temat w Kotły zasypowe
Możliwe, że szerokość komory ma wręcz kluczowe znaczenie, gdyż może się okazać, że aby się dobrze paliło w tym piecu to trzeba będzie drewna układać właśnie w poprzek! a jak inaczej to zacznie się wieszać albo coś innego. Także to jest kolejna okoliczność za piecem o jak największej komorze. Co do temperatury spalin to w tych nowych piecach jest niska temperatura spalin np. około 150 stopni przy paleniu z mocą maksymalną (dzięki wysokiej sprawności i odzyskowi ciepła ze spalin ich temperatura jest niższa), więc nie można zejść za nisko z bieżącą mocą palenia i temperaturą spalin np. poniżej 100 stopni, bo się zaczną skraplać w kominie. W starych piecach podobno ta temperatura spalin była dużo wyższa (chyba kilkaset stopni) więc można było palić z niską mocą. Dodatkowo jak się zmniejszy za bardzo temperaturę spalin to nie tylko kondensat może zalewać komin i przesiąkać do mieszkania robiąc wykwity na ścianach, ale do togo podobno może zmniejszyć się podobno ciąg w kominie. Dlatego w nowych piecach lepiej jest palić z mocą nominalną i z buforem. I dlatego lepiej też kupić termometr do mierzenia temperatur spalin w czopuchu, aby nie zejść z temperaturą spalin za nisko. -
Kocioł zgazowujący drewno - pomoc w wyborze
Matejko1 odpowiedział(a) na luki174 temat w Kotły zasypowe
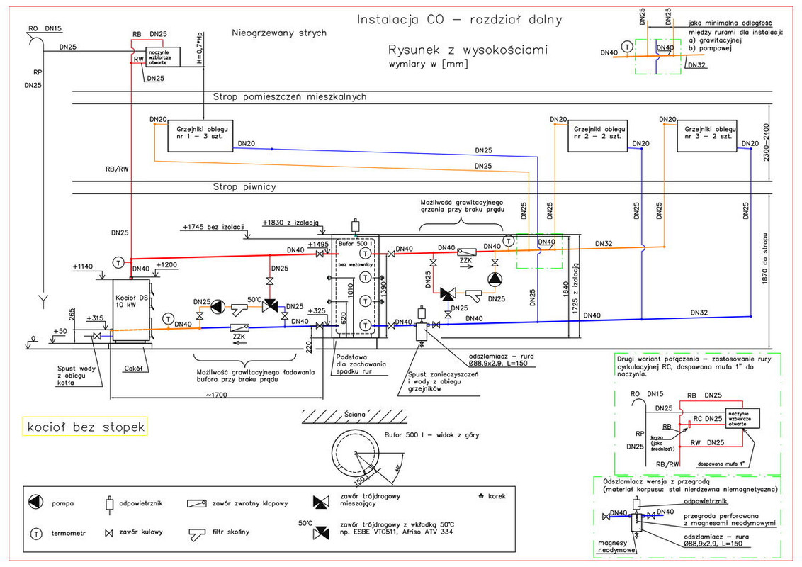
Z tego co czytałem to przy paleniu drewnem bufor jest bardzo przydatny: „Jak efektywnie spalać drewno Drewno zaliczane jest do paliw stałych - w końcu w temperaturze pokojowej jest to twardy klocek. Ale po podgrzaniu w trakcie spalania wychodzi na jaw, że 70% jego składu stanowią substancje lotne. Z tego powodu drewno spala się błyskawicznie i bardzo intensywnie, a żaru pozostaje dużo mniej niż z tej samej objętości węgla. Aby spalić drewno bez przykrych skutków ubocznych i dostać z niego maksimum ciepła, wystarczy: palić wyłącznie sezonowanym drewnem nigdy nie zamykać całkowicie dopływu powietrza do kotła – to kończy się chmurą dymu i lawiną smoły utrzymywać temperaturę wody wychodzącej z kotła powyżej ~60st.C zadbać, aby temperatura spalin na wylocie z kotła nie spadała poniżej 150st.C Tylko tyle i aż tyle. Niestety warunki te kolidują z wygodą obsługi kotła i wymaganiami budynku. Przymykanie dopływu powietrza jest przecież typowym sposobem ograniczenia intensywności grzania. Niestety w przypadku drewna prowadzi to do przykrych skutków ubocznych. Są dwa sposoby spalania drewna: ostro, ze swobodnym dopływem powietrza - co daje dużo ciepła w krótkim czasie a spalanie jest czyste, jednak trzeba stosunkowo często być w kotłowni albo stosować drewno w większych kawałkach kiszenie z niedoborem powietrza - co wydłuży nieco czas spalania, ale sumarycznie da mniej ciepła a dodatkowo pojawią się problemy: dym, smoła i kondensat - które prowadzą do powolnego niszczenia komina i kotła oraz zagrożenia pożarem domu! Dlatego najlepszym sposobem efektywnego spalania drewna bez urządzania w domu sauny jest zastosowanie bufora ciepła. Pozwoli on spalić drewno szybko i czysto a wyprodukowany nadmiar ciepła spożytkować później.” za: https://czysteogrzewanie.pl/podstawy/jak-palic-drewnem/ „Kiedy stosować bufor ciepła? Bufor ciepła przynosi korzyści prawie zawsze i niemal wszędzie. Łatwiej powiedzieć, kiedy nie warto go stosować: w wielkim, starym, nieocieplonym domu z bardzo pojemną instalacją grzewczą i grzejnikami pracującymi na bardzo wysokich temperaturach (ponad 60 st.C) – tam kocioł przeważnie już pracuje ostro, ma stały odbiór ciepła, a bufor wodny, aby mógł być użyteczny, musiałby mieścić kilka ton wody ogrzewając dom wyłącznie jednym źródłem ciepła: pompą ciepła, gazem ziemnym lub pelletem – te rodzaje ogrzewania są świetnie sterowalne i nie wymagają przechowywania energii na później W każdym innym przypadku zastosowanie bufora ciepła niesie wszechstronne korzyści. Szczególnie przy połączeniu wielu różnych źródeł ciepła. Są takie sytuacje, gdzie bufor staje się wręcz niezbędny, aby ogrzewanie nie było pasmem udręk: każdy kocioł zasypowy (bez podajnika) w ocieplonym budynku – nawet najlepsze kotły zasypowe nie nadają się do samodzielnego stosowania w nowych domach. Nie potrafią efektywnie i czysto grzać na tak niskich mocach, jakich wymagają współczesne świetnie ocieplone domy. Efektem jest smród, brud i życie zmarnowane w kotłowni. Obecnie dostępne na rynku kotły zasypowe 5. klasy i Ecodesign wręcz wymagają podłączenia do bufora ciepła, czasem pod rygorem utraty gwarancji, ale nawet jeśli tak nie jest, to i tak warto o buforze myśleć, ponieważ będzie on konieczny gdy wejdą w życie uchwały antysmogowe. Formalnie taki kocioł spełnia bowiem wymogi 5. klasy / Ecodesign tylko we współpracy z buforem. Eksploatacja takiego kotła bez bufora zakończy się mandatem. ogrzewanie podłogowe - zakres temperatur właściwy dla kotłów węglowych i dla ogrzewania podłogowego kompletnie się nie pokrywają, dlatego współpraca kotła zasypowego i podłogówki to smolisto-smrodliwy koszmar. Aby pogodzić te dwa światy, konieczny jest bufor ciepła, który umożliwi ekonomiczne spalanie w kotle na wysokich temperaturach i stabilną pracę podłogówki na odpowiednio niskiej temperaturze zasilania. kocioł zgazowujący drewno – obecnie mają tu zastosowanie te same zasady co przy każdym kotle zasypowym (bufor po prostu być musi). 20 lat temu, gdy takie kotły były nowością, nie przyjęły się na polskim rynku, bo jako jedyne wówczas wymagały bufora do poprawnej pracy. Nieliczni zasobni Polacy wstawiali takie kotły oczywiście bez bufora, po czym ćmili w nich drewno jak w starym kotle spawanym w garażu, po czym klęli na czym świat stoi gdy kocioł po dwóch latach przegnił jak durszlak. I miał rację, że przegnił, bo specyfika pracy tych kotłów powoduje, że jazda poniżej mocy nominalnej jest dla nich zabójstwem. Ile można zyskać dzięki buforowi ciepła? Kocioł współpracujący z buforem ciepła, ponieważ zawsze będzie pracował z pełną mocą, może osiągać sprawności bardzo zbliżone do katalogowych czyli rzędu 70-80% non-stop. Kotły bez bufora ciepła mogą mieć sprawność średnioroczną na poziomie 50% i (nawet sporo) mniej – wszystko zależy, jak kto źle pali. Nie mam żadnych badań na poparcie tych tez, bo mnie na badania nie stać, ale rozmawiając przez lata z wieloma ludźmi, którzy mieli rozmaite problemy z ogrzewaniem i widząc ich zużycie opału – było niemało przypadków (oczywiście skrajnych), gdzie sprawność kręciła się koło 30%. Oszczędność opału rzędu 30-50% dzięki zastosowaniu bufora ciepła jest więc całkiem realna. A to tylko jedna z korzyści przeliczalnych na złotówki. Pozostałe to np. czas oszczędzony na niebywaniu w kotłowni oraz przedłużona żywotność kotła, który w parze z buforem ciepła ma najlepsze możliwe warunki pracy i żadne niskotemperaturowe korozje mu niegroźne.” za: https://czysteogrzewanie.pl/jak-to-sie-robi/bufor-ciepla/ Z tego co widziałem w internecie to niektóre kotły sprzedają razem z buforami i nie wiem czy wtedy przy hurtowym zakupie (kocioł+bufor) nie można wytargować w sumie lepszej ceny. -
Kocioł zgazowujący drewno - pomoc w wyborze
Matejko1 odpowiedział(a) na luki174 temat w Kotły zasypowe
Nie ma sprawy. Bardzo dziękuję za sprawdzenie i informacje :). Dobrze byłoby aby po prostu w instrukcjach obsługi podawano dokładnie jak mierzy się wymiary komory załadowczej – wtedy użytkownikom byłoby łatwiej ocenić i wybrać produkt. -
Kocioł zgazowujący drewno - pomoc w wyborze
Matejko1 odpowiedział(a) na luki174 temat w Kotły zasypowe
@cezario1 Czy wysokość „od rusztu do dołu drzwiczek załadowczych” mierzyłeś w sklepie może od dna popielnika do dołu drzwiczek załadowczych? Bo w takim przypadku byłaby to wielkość mierzona razem z popielnikiem. Ja z ciekawości zadzwoniłem do firmy Ogniwo i tam powiedzieli, iż od płyty rusztu przy drzwiczkach (bo ta płyta jest skośna więc jest różnica czy przy drzwiczkach czy przy palniku) do dołu drzwiczek załadowczych jest bodaj 27 centymetry (czy coś koło tego), a od rusztu (przy drzwiczkach) do lica blachy będącej sufitem komory załadowczej jest 53,5 cm. I te wielkości nie obejmują popielnika. -
Kocioł zgazowujący drewno - pomoc w wyborze
Matejko1 odpowiedział(a) na luki174 temat w Kotły zasypowe
Wielkość komory załadowczej to fundamentalna sprawa. Niestety z tego jak mi się wydaje w jednych katalogach (tudzież instrukcjach obsługi itp.) wysokość komory załadowczej, tudzież jej objętość podaje się razem z drzwiczkami a w innych bez drzwiczek. Przykładowo w Tekla Classico przez dłuższy czas nie podawano wysokości komory ale tylko pojemność komory załadowczej i to zdaje się bez uwzględnienia wysokości drzwiczek komory załadowczej (przy czym nie pamiętam czy pojemność ta nie była dodatkowo jeszcze pomniejszona w związku z blachą skośną pomniejszającą ruszt). Co gorsza potrafią podać błędne dane np. w kotle Metalbet podali pojemność komory załadowczej 90 litrów a jak w sklepie zmierzyłem to było to tylko około 60 litrów. Również jak dzwoni się nawet do producenta to jedna osoba potrafi podać jedną wielkość a inna inną wielkość. Czy Ty osobiście w tym sklepie zmierzyłeś wielkość komory załadowczej? Czy jest gdzieś w informacjach o Ogniwo czy ta wysokość komory tudzież jej pojemność jest liczona wraz z wysokością drzwiczek czy bez? A tak przy okazji – czy jest gdzieś przy Ogniwie Bio podana wymagana wysokość komina? -
@maronka A czy przy paleniu grubym drzewem i podawaniu powietrza przez drzwiczki załadunkowe też bucha?
- 5290 odpowiedzi
-
- MPM DS
- instalacja buforowa
- (i 4 więcej)
-
Setlans Selvan 11 kW - zalety, wady, spostrzeżenia
Matejko1 odpowiedział(a) na emigrant temat w Kotły zasypowe
bo z komentarzy jakie są wyżej wynika, że to (w szczególności przy grubym drewnie) umożliwia palenie bez blachy zmniejszającej ruszt (tak to rozumiem), a wtedy możnaby więcej załadować do komory -
Setlans Selvan 11 kW - zalety, wady, spostrzeżenia
Matejko1 odpowiedział(a) na emigrant temat w Kotły zasypowe
@palacz2747 A czy próbowałeś palić zgodnie zgodnie z poniższym opisem: -
@Piecuch19 czy przy tym podawaniu powietrza przez łezkę też się dymiło na kotłownię?
- 5290 odpowiedzi
-
- MPM DS
- instalacja buforowa
- (i 4 więcej)
-
Wybór kotła zasypowego ATMOS DC40SX czy MPM DS Wood 34
Matejko1 odpowiedział(a) na slar temat w Kotły zasypowe
@Piecuch19 a jeślibyś układał drewno w pionie zamiast w poziomie (podobno w pionie pali się z mniejszą mocą ale wolniej) to dałoby radę w twoim przypadku zwiększyć długość palenia na drewnie do 8-12 godzin? -
@Piecuch19 Mnie chodzi o dorobienie w drzwiczkach zasypowych (nie żarowych) drugiej klapki która zasłaniałby bardzo niewielki otwór kilku milimetrów szczeliny, która byłaby sterowana miarkownikiem ciągu i przez nie byłoby dodawane dodatkowe powietrze pierwotne. Powietrze pierwotne byłoby podawane przez miarkownik w dwóch miejscach – w klapce od popielnika oraz w dorobionej dodatkowej szczelinie z klapką w drzwiczkach zasypowych.
- 5290 odpowiedzi
-
- MPM DS
- instalacja buforowa
- (i 4 więcej)
-
Wybór kotła zasypowego Jaki kocioł CO do instalacji grawitacyjnej polecacie.
Matejko1 odpowiedział(a) na cezario1 temat w Kotły zasypowe
@bercus ale o który dokładnie mechanizm chodzi? bo na stronie jest mnóstwo pieców i elementów hydraulicznych -
@Piecuch19 Ja również dziękuję za ciekawe informacje. A co sądzisz o wykorzystaniu dwóch klapek, które czasem mają w Setlans Selavan, gdzie maja dwie klapki do powietrza pierwotnego – w drzwiczkach od popielnika i od komory załadowczej i wykorzystaniu tych obu klapek do podawania powietrza pierwotnego i podpięcia pod miarkownik ciągu? Może nie tylko komora załadowcza byłaby czystsza ale ponadto grube drewno lepiej by się paliło? @maronka A Ty co o tym sądzisz? Na Youtube są też filmy osób które jak mi się wydają podpinają miarkownik ciągu do dwóch klapek (ale te klapki osobno obsługują powietrze pierwotne i wtórne) - co o tych rozwiązaniach sądzicie?: z filmu: oraz z filmu:
- 5290 odpowiedzi
-
- MPM DS
- instalacja buforowa
- (i 4 więcej)
-
Kocioł zgazowujący drewno - pomoc w wyborze
Matejko1 odpowiedział(a) na luki174 temat w Kotły zasypowe
Blaze chyba może działać na naturalnym ciągu i chyba ma niewielkie wymogi co do ciągu (i chyba generalnie może działać bez prądu) – ale to tak z pamięci mówię i to trzeba sprawdzić. @PredatorC Czy te kotły Stalmark, Attack, Blaze, Hargassner Smart HV inne podobne mają powietrze pierwotne podawana przez komorę zasypową? Czy w twoim starym dolniaku była możliwość podania powietrza przez komorę zasypową? A jeśli tak to czy ilość tego powietrza była regulowana miarkownikiem? -
Setlans Selvan 11 kW - zalety, wady, spostrzeżenia
Matejko1 odpowiedział(a) na emigrant temat w Kotły zasypowe
Jak sądzicie - który kocioł jest lepszy do spalania grubego drewna – MPM czy Setlans Selvan? -
Wybór kotła zasypowego Jaki kocioł CO do instalacji grawitacyjnej polecacie.
Matejko1 odpowiedział(a) na cezario1 temat w Kotły zasypowe
@bercus Czemu podałeś link do kotłów Attack? -
Kocioł zgazowujący drewno - pomoc w wyborze
Matejko1 odpowiedział(a) na luki174 temat w Kotły zasypowe
@luki174 W tej dyskusji należy zwrócić uwagę na ważną rzecz – cezario1 chce spróbować palić bez bufora i spróbować czy to się uda. Natomiast jeśli kupujesz z buforem to co do zasady możesz palić piecem na pełnej mocy, możesz mieć piec o większej mocy, co może pomóc w dobraniu pieca z większą komorą załadowczą, a jak masz większą komorę załadowczą to jest więcej wygody w paleniu bo rzadziej chodzisz do kotłowni. @cezario1 Tak z ciekawości - czy pierwszy albo drugi sprzedawca powiedział przykładowo, że czyszczenie wymiennika pieca Ogniwo może być wyraźnie trudniejsze aniżeli czyszczenia pieca z pionowym wymiennikiem jak np. MPM? -
Wybór kotła zasypowego ATMOS DC40SX czy MPM DS Wood 34
Matejko1 odpowiedział(a) na slar temat w Kotły zasypowe
@Piecuch19 A w przypadku Twojego domu – ile najdłużej dałoby się wycisnąć na drewnie sosnowym? Załóżmy, że jest palone ciągle (bo to chyba wydłuża czas palenia), że temperatura na dworze jest około O stopni oraz że palisz na swoim kotle. -
Kocioł zgazowujący drewno - pomoc w wyborze
Matejko1 odpowiedział(a) na luki174 temat w Kotły zasypowe
"- Jest on na gwarancji dziesięcioletniej, a każą nam płacić za jakieś sprężyny i dmuchawę. Jeżeli jest gwarancja, to chyba to obejmuje? – pyta pan Jadwiga." - tu problemy jakie wystąpiły być może w związku z awarią dmuchawy z linku wyżej. -
Wybór kotła zasypowego ATMOS DC40SX czy MPM DS Wood 34
Matejko1 odpowiedział(a) na slar temat w Kotły zasypowe
@Piecuch19 Na wszelki wypadek się dopytam: czy przy braku bufora da się na jednym zasypie z drzewa sosnowego (nie węgla, nie drzewa kalorycznego ale sosnowego) ogrzewać dom przez jedną dobę? Jaka jest maksymalna osiągalna długość ogrzewania na jednym zasypie drzewa sosnowego? -
Miał W Piecu Dolnego Spalania. Jak Palić?
Matejko1 odpowiedział(a) na tomasztomasz temat w Kotły zasypowe
@marcus312 Czy mógłbyś napisać szerzej o przeróbkach potrzebnych do palenia miałem? -
Kocioł zgazowujący drewno - pomoc w wyborze
Matejko1 odpowiedział(a) na luki174 temat w Kotły zasypowe
Moim zdaniem przede wszystkim dobrze mieć kocioł z jak największą komorą załadowczą – żeby jak najrzadziej chodzić i podkładać do pieca. Temat o jak największej komorze załadowczej jest tutaj: https://forum.info-ogrzewanie.pl/topic/46585-kocio%C5%82-zasypowy-dzia%C5%82aj%C4%85cy-bez-pr%C4%85du-o-najwi%C4%99kszej-komorze-za%C5%82adowczej/#comment-677396 Co do awaryjności to przy doborze pieca dobrze też sprawdzić, czy komin ma odpowiednią wielkość (w tym wysokość, rozmiar średnicy i przekroju) do tego pieca, aby mógł chodzić bez wentylatora w razie awarii wentylatora/dmuchawy lub braku prądu. W instrukcjach są zazwyczaj rozmiary kominów. Przy czym jeśli mamy mniejszy komin to dobrze dopytać użytkowników danego kotła, kominiarzy, instalatorów, ludzi o głębszej wiedzy o kotłach czy może jednak piec zadziała na mniejszym kominie. Ponadto co do awaryjności - przy bardziej skomplikowanych kotłach może powstać pytanie, czy nie ma tam jakiejś wbudowanej elektroniki sterującej i czy bez niej (w razie jej awarii lub braku prądu) może kocioł działać, albo czy ewentualnie łatwo ją zastąpić. Np. czy nie ma wbudowanego jakiegoś miarkownika ciągu i czy taki miarkownik można zastąpić kupując taki zwykły z łańcuszkiem. -
Wybór kotła zasypowego Jaki kocioł CO do instalacji grawitacyjnej polecacie.
Matejko1 odpowiedział(a) na cezario1 temat w Kotły zasypowe
Dziękuję za podpowiedź. Jakby były jakieś nowe uwagi co połączenia pieca gazowego z węglowym działającym grawitacyjnie to z ciekawością przeczytam. W międzyczasie abym nie zapomniał to wracając do wyboru pieca na paliwo stałe to ja ponowie mój pogląd, że zakup z buforem byłby dużo lepszy, aby zasyp tanim drewnem np. sosnowym starczył jeśli nie na cały dzień (do powrotu z pracy) to przynajmniej na noc. Niemniej jeżeli piec ma działać bez bufora to do jego wyboru, obsługi, przeróbek itd. to chyba dobrze przeczytać wątek na tym forum „MPM Ds 5 klasa – przeróbki – modyfikacje do palenia ciągłego bez bufora” https://forum.info-ogrzewanie.pl/topic/28788-mpm-ds-5-klasa-%E2%80%93-przer%C3%B3bki-%E2%80%93-modyfikacje-do-palenia-ci%C4%85g%C5%82ego-bez-bufora/ oraz dopytać się kolegi Piecuch19. Tak generalnie wydaje mi się, że klapka do palenia górnego jaka jest w Ogniwie (i chyba też Pereko Retro też ma taką możliwość) przypuszczalnie największe szanse, że na mocy innej niż nominalna piec zadziała. Nadmienię jeszcze, że w MPM ds 14 z załadunkiem górnym to tam chyba pionowo długie szczapy będą wchodziły i podobno przy paleniu pionowym drewna palą się one na mniejszej mocy, ale dłużej. Bardzo jestem ciekaw jak się Ogniwo sprawdzi, w tym jak się sprawdzi na węglu (zwłaszcza palony od góry to powinien pójść). -
Wybór kotła zasypowego Jaki kocioł CO do instalacji grawitacyjnej polecacie.
Matejko1 odpowiedział(a) na cezario1 temat w Kotły zasypowe
Ja właśnie nie wiem czy można tak zrobić. Ale generalnie mój piec gazowy jest sterowany przez czujnik temperatury w pokoju Salus – coś takiego (nie wiem czy to dokładnie ten): https://allegro.pl/oferta/salus-programowany-regulator-tygodniowy-091fl-v2-13098162196?utm_feed=aa34192d-eee2-4419-9a9a-de66b9dfae24&utm_term=test&utm_source=google&utm_medium=cpc&utm_campaign=_dio_ogrzewanie_pla_pmax&ev_campaign_id=17303547827&network=x&placement=&test=pmax&category=heating&gad_source=1&gclid=CjwKCAiA75itBhA6EiwAkho9e-Oe6ZY5leh7bfpaBJRpVcjzTMyzrnjn0ttUfBL9Ja0T3R0EJyoumhoCSKIQAvD_BwE ten czujnik/sterownik był osobno kupowany i podpinany do pieca gazowego. -
Wybór kotła zasypowego Jaki kocioł CO do instalacji grawitacyjnej polecacie.
Matejko1 odpowiedział(a) na cezario1 temat w Kotły zasypowe
tak sobie myślę czy zamiast zaworu trójdrogowego nie prościej byłoby dać sterownik, który po prostu wyłączy piec gazowy – podobnie jak sterownik temperatury pokojowej/pogodowej?
