celnikoli Opublikowano 7 Lutego 2020 Autor #26 Opublikowano 7 Lutego 2020 16 minut temu, Kazio321 napisał: Nic Ci nie da tak zamontowanie pompy kotlowej jak instalacja jest źle zrobiona! Pompa nie może pchać wody na zawór mieszajacy tylko musi zaciągać z niego wodę o zadanej przez ciebie temperaturze W schemacie który przedstawiłem żadna pompa nie pcha wody na zawór 4D
Kazio321 Opublikowano 7 Lutego 2020 #27 Opublikowano 7 Lutego 2020 Nie chodzi mi o zawór 4d tylko zawór mieszajacy na podłógę. O to mi chodzi :
Darekgra Opublikowano 7 Lutego 2020 #28 Opublikowano 7 Lutego 2020 @gilal nie ma problemu:) Jeśli chodzi o zawór grzybkowy jest to dobra opcja, lecz również bardzo dobrze zastępuje ją pompa z regulacją na przykład wilo yonos pico. Również zawór grzybkowy przy pompie powrotu z 4D moim zdaniem mógłby wprowadzić więcej chaosu w pracy układu CO. Zawór ten jednak należałoby zainstalować gdy ochrona powrotu jest realizowana poprzez pompę przewałową aby mieć większą kontrolę nad tym ile medium pompuje owa pompa.
Darekgra Opublikowano 7 Lutego 2020 #29 Opublikowano 7 Lutego 2020 3 minuty temu, celnikoli napisał: W schemacie który przedstawiłem żadna pompa nie pcha wody na zawór 4D Ale pompa CO pcha wodę na zawór 3D, dodatkowo brak zaworu ZZ na obiegu grzejnikowym. proszę wróć do postów gdzie w punktach wymieniłem błędy twoje instalacji zacznij od tego, bez tych poprawek instalacji tej poprawnie nie wyregulujesz, również instalacja schładzająca jest błędnie wykonana i nie spełnia swojego zadania.
celnikoli Opublikowano 7 Lutego 2020 Autor #30 Opublikowano 7 Lutego 2020 4 minuty temu, Kazio321 napisał: Nie chodzi mi o zawór 4d tylko zawór mieszajacy na podłogę O to mi chodzi : sorry może źle to zaznaczyłem na schemacie ale tam jest zawór termostatyczny RTL
Darekgra Opublikowano 7 Lutego 2020 #31 Opublikowano 7 Lutego 2020 No to jeszcze tym gorzej. I na pewno nie jest to RTL
Kazio321 Opublikowano 7 Lutego 2020 #32 Opublikowano 7 Lutego 2020 Zgadzam się z Darkiem. Może ten zawór mylisz z RTL?
celnikoli Opublikowano 7 Lutego 2020 Autor #33 Opublikowano 7 Lutego 2020 Podobny tylko z pokrętłem jak przy grzejnikach
Darekgra Opublikowano 7 Lutego 2020 #34 Opublikowano 7 Lutego 2020 Zrób zdjęcie tego czegoś i wstaw tu na forum, bomoże jest do dopisania kolejny punkt.:) Co i tak nie zmienia faktu iż woda w niego pchana być nie może.
celnikoli Opublikowano 7 Lutego 2020 Autor #36 Opublikowano 7 Lutego 2020 1 minutę temu, Darekgra napisał: Zrób zdjęcie tego czegoś i wstaw tu na forum, bo chyba jest do dopisania kolejny punkt.:)
celnikoli Opublikowano 7 Lutego 2020 Autor #37 Opublikowano 7 Lutego 2020 1 minutę temu, Kazio321 napisał: To może ten dokładnie taki sam model
Kazio321 Opublikowano 7 Lutego 2020 #38 Opublikowano 7 Lutego 2020 No to zwykły zawór mieszajacy termostatyczny. I też pompa CO nie powinna na niego pchać wodę
celnikoli Opublikowano 7 Lutego 2020 Autor #39 Opublikowano 7 Lutego 2020 Myślę że instalator tak zrobił bo pompa CO jest bezpośrednio przy piecu który jest oddalony od rozdzielacza podłogówki około 3 metry.
Kazio321 Opublikowano 7 Lutego 2020 #40 Opublikowano 7 Lutego 2020 No to źle zrobił. Zasilanie op powinno być osobne. Przed pompa CO
Darekgra Opublikowano 7 Lutego 2020 #41 Opublikowano 7 Lutego 2020 12 minut temu, celnikoli napisał: Myślę że instalator tak zrobił bo pompa CO jest bezpośrednio przy piecu który jest oddalony od rozdzielacza podłogówki około 3 metry. sam widzisz że instalator się jednak nie popisał nie ma co rozpatrywać co miał na myśli tylko trzeba poprawić to co źle zrobił i do tematu wrócić jak już wymienione wyżej błędy zostaną usunięte. Nie widzę dalszego sensu debatowania bez usunięcia podstawowych przyczyn problemu.
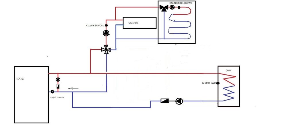
celnikoli Opublikowano 9 Lutego 2020 Autor #42 Opublikowano 9 Lutego 2020 Siadłem w sobotę i zająłem pompę z powrotu i zamontowałem ja w bajpasie między zasilaniem a powrotem. Jak ręką odjął!!!! Wszystko śmiga. Schemat poniżej
Darekgra Opublikowano 9 Lutego 2020 #43 Opublikowano 9 Lutego 2020 Ja pitole... Ty zawsze pod górę. Resztę poprawek zrobiłeś. Instalacja schładzająca poprawiona? Zbiornik przeponowy przeniesiony czy czekasz na wielkie buumm? Popatrz teraz na schemat i się zastanów czy na pewno dobrze zrobiłeś. Teoretycznie ta nowa pompa teraz może tłoczyć medium z pominięciem kotła a tylko przez zawór 4D....
celnikoli Opublikowano 9 Lutego 2020 Autor #44 Opublikowano 9 Lutego 2020 Teoretycznie i praktycznie pompa ta podaje gorącą wodę z pieca bezpośrednio na powrót z pominięciem zaworu 4D. Instrukcja kotła również przewiduje takie podłączenie w celu dogrzania powrotu. Zbiornik przeniesiony. Nie mogłem tylko zrobić drugiego obiegu dla podłogówki.
Darekgra Opublikowano 9 Lutego 2020 #45 Opublikowano 9 Lutego 2020 Możesz pokazać ten schemat? Bo coś mi się wydaje że takiego schematu jak masz to Defro w DTR napewno nie zamieściło. Dla pewności zrób mały test zamknij zawór 4D wyłącz pompę CWU i włącz pompę kotłową i sprawdź jak wtedy krąży woda w obiegu. Zawór ZZ na obiegu grzejnikowym chociaż założyłeś?
celnikoli Opublikowano 9 Lutego 2020 Autor #46 Opublikowano 9 Lutego 2020 Nie dałem zaworu bo nie wiem w które miejsce go wpiąć. Zrobię test i dam Ci znać.
Darekgra Opublikowano 9 Lutego 2020 #47 Opublikowano 9 Lutego 2020 I gdzie tu masz taką instalację jak Twoja? Podejrzewam iż sugierowałeś się rysunkiem 11, lecz na nim jest trochę inny przypadek.
celnikoli Opublikowano 9 Lutego 2020 Autor #48 Opublikowano 9 Lutego 2020 Ważne że działa. Gdzie ten zawór wpiąć i dlaczego?
Kazio321 Opublikowano 9 Lutego 2020 #49 Opublikowano 9 Lutego 2020 Darek temu Panu chyba nie wytłumaczysz. Bo i tak ma swoją rację.
Darekgra Opublikowano 9 Lutego 2020 #50 Opublikowano 9 Lutego 2020 Po pierwsze Zasilanie zaworu termostatycznego musi być pomiędzy 4D a pompą CO, drugie zawór ZZ na obiegu grzejnikowym za pompą CO, teraz nie wiem bo na nowym schemacie nie ma już zaworu zz na linii podłogowej a powinien być tam gdzie wcześniej. No i teraz przy tej twojej wymyślonej hybrydzie dla pewności powinien być jeszcze zz na powrocie z 4D do kotła. Tylko że jak zrobisz te wszystkie poprawki to ten bajpas jest zbędny bo wystarczy pompą na powrocie z 4d. Zostaje jeszcze kwestia zaworu schładzającego bo był źle zamontowany. A dlaczego należy zamontować zawory ZZ... Po co Ci pisać skoro i tak zrobisz inaczej.
Rekomendowane odpowiedzi
Zarchiwizowany
Ten temat przebywa obecnie w archiwum. Dodawanie nowych odpowiedzi zostało zablokowane.