celnikoli Opublikowano 5 Lutego 2020 #1 Opublikowano 5 Lutego 2020 Witam Mam następujący problem. Posiadam piec na pellet Delta ekopel 15KW. Schemat instalacji jak poniżej. Nastawy: Tryb pracy priorytet bojlera. Praca w PiD Moc kotła 100% Temperatura zadana pieca 65, Temperatura załączania pomp 55 temperatura zadana CWU – 42 (histereza 10) minimalna temperatura powrotu – 51 temperatura uruchomienia pompy przewałowej – 45 (temperatura wyłączania 65). Włączony regulator pokojowy SPK LUX oraz pogodówka. Problem jest taki że piec osiąga 55 stopni i dalej nic nie idzie. Nie uzyskuje temperatury zadanej. Wentylator pracuje na 100%. Czasem dobije ledwo do 58 stopni. W takiej sytuacji zawór z siłownikiem puszcza na instalację CO max 34 st. Myślałem że jest zbyt duży pobór ciepła ale piec nie potrafi dobić do zadanej temperatury zarówno przy grzaniu domu jak i samym grzaniu CWU. Jako paliwa używam czystego żółtego peletu sosnowego i nie mam żadnych spieków. W procesie spalania powstaje czysty popiół. Piec jest połączony z kominem typu Schiedel o średnicy 200 mm. Na ruże łączącej piec z kominem znajduje się regulator ciągu DARCO nastawiony na 22. Rozmawiałem z serwisem telefonicznym DEFRO i poradzili zmniejszenie mocy kotła do 90% i wyregulowanie płomienia za pomocą współczynnika górnego wentylatora oraz współczynnika podajnika wewnętrznego. Niestety nic to nie pomogło. Może macie jakieś pomysły za które z góry dziękuję:-)
Darekgra Opublikowano 5 Lutego 2020 #2 Opublikowano 5 Lutego 2020 Możesz podać ustawienia z menu serwisowego (5162) parametry mocy oraz nastawy temperatur.
Kazio321 Opublikowano 6 Lutego 2020 #3 Opublikowano 6 Lutego 2020 Nie dobije Ci temperatury ponieważ CWU szybciej się nagrzeje niż dobije 65 kocioł tak samo przy grzaniu domu. Pewnie mała histereza ustawiona więc pomieszczenie się nagrzeje a kocioł nie dobije
celnikoli Opublikowano 6 Lutego 2020 Autor #4 Opublikowano 6 Lutego 2020 .Witam. Po kilku telefonach do Defro i masie porad od serwisantów doszedłem co jest grane sam przez przypadek. Otóż przypadkiem w trakcie pracy kotła wyłączyłem pompę przewałową. I temperatura rośnie na kotle w sposób expresowy!!! Zarówno przy grzaniu CWU jak i CO. Tylko tu pojawił się inny problem cały obieg CWU pracuje poza zaworem 4D i nie korzysta z nitki powrotu między zaworem 4D a wejściem do kotła na której zamontowana jest pompa kotłowa. Więc jak wyłączę pompę przewałową obieg CWU działa sprawnie a piec dobija do temperatury zadanej. Natomiast z obieg CO "leci" i wraca po zaworze 4D i nitce na której jest pompa kotłowa. Jak wylączę pompę przewałową to temperatura rośnie bardzo szybko na kotle, zawór się otwiera ale pompa CO nie ma co podawać bo nie ma obiegu że względu na wyłączoną pompę przewałową. Jak pracują obie pompy CWU + przewał lub CO + przewał to pięć nie może osiągnąć temperatury zadanej. Macie jakieś pomysły?
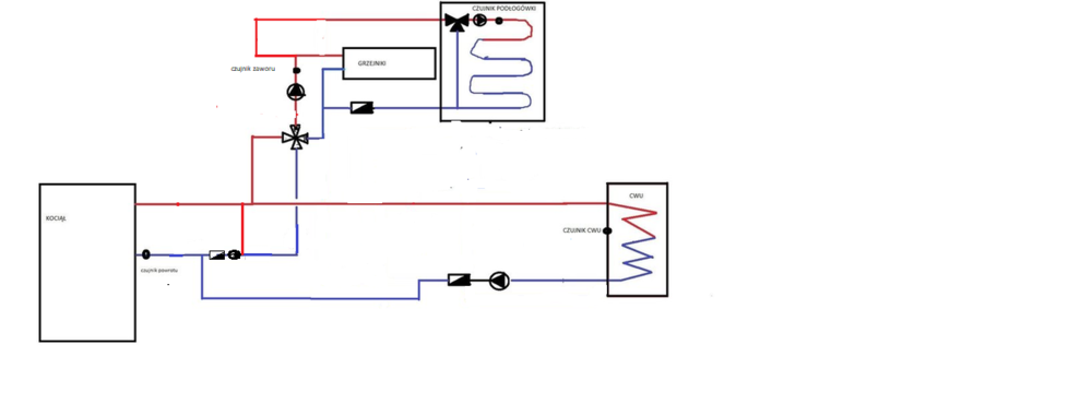
Darekgra Opublikowano 6 Lutego 2020 #5 Opublikowano 6 Lutego 2020 36 minut temu, celnikoli napisał: zawór się otwiera ale pompa CO nie ma co podawać bo nie ma obiegu że względu na wyłączoną pompę przewałową. Tu chyba o coś innego Tobie chodzi, pompa CO zawsze ma co podawać te obiegi w pewnym sensie się separują od siebie przesłoną zaworu 4Dwrzuć zdjęcia zaworu 4D i 3D oraz ich parametrów ze sterownika wykonanych w tym samym czasie. Masz trochę błędów w instalacji: 1- zasilanie obiegu podłogowego powinno być wpięte pomiędzy zaworem 4D a pompą CO 2- brak zaworu ZZ na obiegu CO 3- bardzo nieprawidłowo podpięty zawór schładzający DBV oraz naczynia przeponowego 4- brak zaworu bezpieczeństwa Podsumowując to nie pa prawa działać prawidłowo i w sumie nie działa.
celnikoli Opublikowano 6 Lutego 2020 Autor #6 Opublikowano 6 Lutego 2020 42 minuty temu, Darekgra napisał: Tu chyba o coś innego Tobie chodzi, pompa CO zawsze ma co podawać te obiegi w pewnym sensie się separują od siebie przesłoną zaworu 4Dwrzuć zdjęcia zaworu 4D i 3D oraz ich parametrów ze sterownika wykonanych w tym samym czasie. Masz trochę błędów w instalacji: 1- zasilanie obiegu podłogowego powinno być wpięte pomiędzy zaworem 4D a pompą CO 2- brak zaworu ZZ na obiegu CO 3- bardzo nieprawidłowo podpięty zawór schładzający DBV oraz naczynia przeponowego 4- brak zaworu bezpieczeństwa Podsumowując to nie pa prawa działać prawidłowo i w sumie nie działa. Tak pompa CO ma co podawać ale nie ma gdzie tego upchać. Pompa CO podaje na imastlacje, dalej z instalacji wpada do otwartego zaworu 4D i leci w kierunku pieca. Tuż przed piecem zatrzymuje się na wyłączonej pompie przewałowej. Brak obiegu!
gilal Opublikowano 6 Lutego 2020 #7 Opublikowano 6 Lutego 2020 To można uaktywnić "pompa krotkiego obiegu", a nie "pompa przewałowa". Pompa krotkiego obiegu będzie pracowała cały czas tylko ustawiasz od jakiej temp. ma startować
Darekgra Opublikowano 6 Lutego 2020 #8 Opublikowano 6 Lutego 2020 Należy pilnie wykonać poprawki wypisane wyżej. PK powinna pracować cały czas bez znaczenia czy jako przewałowa czy krótkiego obiegu... to tylko kwestia odpowiednich ustawień aby pracowało np od 40 stopni do końca lub co najmniej do 80 stopni. A jeśli PK ma nie pracować (tylko dlaczego skoro ma pracować:) ) to trzeba zdemontować ZZ który jest za nią.
celnikoli Opublikowano 6 Lutego 2020 Autor #9 Opublikowano 6 Lutego 2020 Tak tu nie ma znaczenia co ustawie,czy pompę przewałową w zakresie 30 do np 80 czy kotłową od 30 stopni do maxa. Martwi mnie że po włączeniu tej pompy (jako kotłowej lub przewałowej) np przy 30 stopniach, piec dobija do 55 i gdy włączy się dodatkowo pompa CO lub CWU, piec już nie ma siły dotrzeć do zadanej temperatury 65 tylko kisi się na 58,59 stopni. Wyłączę pompę kotłową/przewałową temperatura pieca strzela ale pompa CO mnie ma gdzie je tłoczyć i temperatura zaworu stoi mimo iż zawór jest prawie w 100% otwarty
Darekgra Opublikowano 6 Lutego 2020 #10 Opublikowano 6 Lutego 2020 Najpierw poprawki instalacji które wymieniłem, a potem i pracę kotła dopracujesz. 19 minut temu, celnikoli napisał: temperatura zaworu stoi mimo iż zawór jest prawie w 100% otwarty a to będzie dalszy temat bo pompa CO przy 100% otwarcia zaworu bez problemu powinna przepchnąć wodę przez pompę kotłową i ZZ za nią. To że na wyświetlaczu sterownika jest 100% a na skali siłownika jest 10, wcale nie oznacza że zawór jest otwarty.
Kazio321 Opublikowano 6 Lutego 2020 #11 Opublikowano 6 Lutego 2020 A tak najprościej to brak włączonej funkcji ochrony powrotu na 4d. Zawór otwiera na max i zimna woda z obiegu wraca do kotła. Więc biedaczyna nie ma siły się podnieść. Druga sprawa to Darek może mieć rację źle zamontowany 4d może partolic Ci całą instalacje
celnikoli Opublikowano 6 Lutego 2020 Autor #12 Opublikowano 6 Lutego 2020 Właśnie byłem w kotłowni i chyba mnie olśniło. Trzeba rozróżnić funkcję pompy kotłowe od pompy przewałowej!!!. Pompa przewałowa służy do "przewalenia" energii/ciepła z jednego miejsca do drugiego. Pompa kotłowa jest do wspomagania obiegu. Ja mam założoną pompę na powrocie między zaworem 4D a kotłem. I teraz załóżmy sytuację hipotetyczną: ustawiamy ochronę powrotu na 55, temperaturę żądaną na 65 a kotłową na np 30 (do maxa). Piec staruje zawór zamknięty, piec osiąga 30 startuje pompa kotłowa i wspomaga dogrzewanie powrotu. Piec osiąga temperaturę 55, powoli otwiera się zawór, pompa kotłowa pracuje nadal ale nie zaciąga już w 100% gorącej wody z pieca tylko wraz ze wzrostem temperatury i otwieraniem zaworu zaciąga też wodę chłodniejszą wracającą z instalacji. Temperatura pieca przestaje rosnąć i osiada gdzieś między 58 a 60. I tu zastosowanie miała by pompa przewałowa łącząca bezpośrednio zasilanie z powrotem do pieca (pomijając zawór 4D). Zaciągała by bezpośrednio gorącą wodę pieca i przekazywała bezpośrednio na powrót bez względu na stopień otwarcia zaworu . Co Panowie o tym myślicie?
Darekgra Opublikowano 6 Lutego 2020 #13 Opublikowano 6 Lutego 2020 Ja to myślę abyś już nie mędrkował więcej :) masz zawór 4D wiec masz pompę na powrocie z 4D i nic tu więcej nie trzeba wymyślać. Dobrze by było abyś zamiast myśleć o zakładaniu dwóch oddzielnych pomp posłuchał najpierw powyższych rad i wkleił co najmniej zdjęcia tego zaworu i aktualnych nastaw z wyświetlacza sterownika.
Kazio321 Opublikowano 7 Lutego 2020 #14 Opublikowano 7 Lutego 2020 Ktos tu podaję sprzeczne informacje 1/ W dniu 5.02.2020 o 15:36, celnikoli napisał: minimalna temperatura powrotu – 51 2/ 5 godzin temu, celnikoli napisał: ustawiamy ochronę powrotu na 55, temperaturę Jeśli ustawiasz 55 chorone powrotu to nigdy niżej nie powinno zejść. Bo ochrona powrotu to dla zaworu piorytet.
gilal Opublikowano 7 Lutego 2020 #15 Opublikowano 7 Lutego 2020 Jak najbardziej może zejść. Jak raptem pobór z kotła będzie duży, a kociolek może być jeszcze stoi bo trzyma go histereza. Itd....
Kazio321 Opublikowano 7 Lutego 2020 #16 Opublikowano 7 Lutego 2020 Może, ale to skutkuje zamknięciem zaworu aby powrót dogrzac.
gilal Opublikowano 7 Lutego 2020 #17 Opublikowano 7 Lutego 2020 Tak. Tylko jak ktoś ma np. sterowanie /uruchomienie od termostatu to na kotle może być różnie :) Takich sytuacji może być wiele i z różnych przyczyn... Pozdrawiam
Kazio321 Opublikowano 7 Lutego 2020 #18 Opublikowano 7 Lutego 2020 Ja np mam sterowanie od termostatu i co z tego. Jeśli ochrona powrotu włączona to zawor ma priorytet ochronę powrotu. Dlatego najlepiej jest obserwować instalacje i zawór tak aby ustawić jak najniżej ochronę powrotu. Żeby różnica między kotlem a powrotem nie była większa niż 10stopni. Ja mam ustawione 37 stopni ochrona powrotu i wszystko działa bez zarzutu. Powrót na odpowiednim poziomie i szybciej puszcza ciepła wodę na obieg. Pozdrawiam
celnikoli Opublikowano 7 Lutego 2020 Autor #19 Opublikowano 7 Lutego 2020 Czy to dogrzewanie powrotu nie powinno wyglądać tak jak na schemacie? Powrót jest dogrzewany bez względu czy zawór jest otwarty czy zamknięty. Dla mnie (a nie jestem instalatorem) oczywiste jest że pompa założona na samym powrocie zaciąga na początku pracy kotła gorącą wodę ale wraz z osiągnięciem minimalnej temperatury powrotu i z otwieraniem się zaworu również wodę powracającą z instalacji (chłodniejszą). Poprawcie mnie jeżeli się mylę w swoim rozumowaniu.
Kazio321 Opublikowano 7 Lutego 2020 #20 Opublikowano 7 Lutego 2020 Ogólnie to schemat zły. Pompa grzejnikowa nie powinna pchać wody do pompy op. Zasilanie op powinno być osobno podłączone. Wrzucę Ci schemat z 4d który się sprawdza. Z tym zz na pompie kotlowej (powrót z 4d do kotła) możesz sobie odpuścić.
celnikoli Opublikowano 7 Lutego 2020 Autor #21 Opublikowano 7 Lutego 2020 U mnie ten schemat się sprawdza tylko strasznie powoli grzeje bo powrót nie dogrzewa się po otwieraniu zaworu. Po osiągnięciu minimalnej temperatury powrotu otwiera się powoli zawór. Jednak gdy się otwiera coraz bardziej, pompa kotłowa zaciąga już nie tylko gorącą wodę ale też wodę powracającą z instalacji. Czujnik powrotu wykrywa zmniejszenie temperatury i zaczyna z powrotem zamykać zawór. Przez to zawór otwiera się max 40 % i puszcza na instalację max 35 st. Ja zadałem pytanie odnośnie zamontowania pompy kotłowej.
Kazio321 Opublikowano 7 Lutego 2020 #22 Opublikowano 7 Lutego 2020 Nic Ci nie da tak zamontowanie pompy kotlowej jak instalacja jest źle zrobiona! Pompa nie może pchać wody na zawór mieszajacy tylko musi zaciągać z niego wodę o zadanej przez ciebie temperaturze
Darekgra Opublikowano 7 Lutego 2020 #23 Opublikowano 7 Lutego 2020 Masakra kilka postów wyżej napisałem gdzie instalacja jest spartaczona i trzeba ją poprawić pilnie, a Ty dalej swoje. Gdyby ta instalacja się sprawdzała to raczej nie byłoby ciebie na forum. Skoro tutaj napisałeś to dostosuję się do wskazówek a na pewno będziesz zadowolony.
gilal Opublikowano 7 Lutego 2020 #24 Opublikowano 7 Lutego 2020 Przeważnie jeszcze daje się za pompą wspomagającą powrót z 4D zawór grzybkowy aby wyregulować sobie przepływ. Pozdrawiam Ps. Sorki @Darekgra jakoś tak pod Tobą napisałem :)
Kazio321 Opublikowano 7 Lutego 2020 #25 Opublikowano 7 Lutego 2020 Ja tam nie mam zaworu grzybkowego ni zz i śmiga aż miło. Ale to już @Darekgra powinien się wypowiedzieć na ten temat. Mi tylko podsunal taka myśl, zrobiłem i przekonałem się że działa wyśmienicie :D
Rekomendowane odpowiedzi
Zarchiwizowany
Ten temat przebywa obecnie w archiwum. Dodawanie nowych odpowiedzi zostało zablokowane.