Skocz do zawartości
IGNOROWANY

Eksperymentalne podpięcie zbiornika "akumulacyjnego"


swampshark

Rekomendowane odpowiedzi

Opublikowano

Dzień dobry.

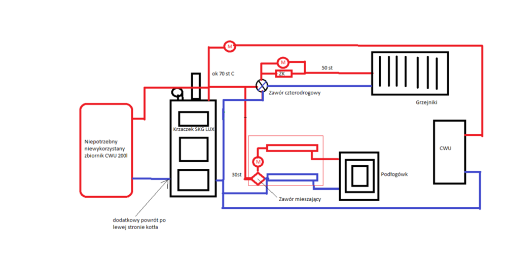
Mam wykonaną instalację CO wg schematu na rysunku. Problemem są wahania temperatury pieca. Piec to niestety Krzaczek SKG 24kW sterowany miarkownikiem. Zasila 120m podłogówki oraz 6 grzejników płytowych i 2 suszarkowe. Problemem jest bardzo szbkie osiąganie zadanej temperatury przy 1/4 pojemności komory załadunkowej zarzuconej drewnem i następne dymienie przez 20-30 minut. Po spadku temp poniżej zadanej mierkownik delikatnie otwiera się i temperatura w kilka minut wędruje 15 stopni powyżej zadanej pomimo że miarkownik się zamknął zgodnie z nastawioną temperaturą. Moim pomysłem jest zwiększenie pojemności układu przez dopięcie 200 litrowego nieużywanego bojlera równolegle do pieca, który ma ok 60 litrów pojemności w celu wyłapania ciepła z rozhulanego pieca. Odbiór ciepła przez zbiornik, a następne oddanie go do instalacji po wychłodzeniu pieca odbywałoby się grawitacyjnie. Obecne zawory mieszające pobierają jedynie niewielką ilość gorącej wody z pieca do wymieszania z zimną z powrotów więc praktycznie nie wymuszają obiegu wody w piecu. powrót ze zbiornika chcę podpiąć pod nieużywany króciec z lewej strony pieca. Chce to zrobić z trzech powodów:

1. Z lewej strony jest jedynie miejsce na zbiornik

2. Pompy nie będą ingerować w przepływ wody pomiędzy piecem a zbiornikiem i bedzie to układ piec-zbiornik

3. Nie musiałbym przerabiać całej instalacjai jak w przypadku klasycznego wpięcia tak jak bufor pomiędzy piec a zawory mieszające.

Woda kotłowa byłaby wpuszczona nie w wężownice, ale bezpośrednio w zasobnik zamiast czystej wody wodociągowej.

Czy mój pomysł ma rację bytu, czy jest kompletnie idiotyczny?

Bez tfcghvfgh_2.png

Opublikowano

A jakie tam są podejścia ZW/CW, bo jak półcalowe, to zapomnij o grawitacji.

Co do instalacji, to układ mieszający podłogówki powinien być zasilany za 4D a nie przed nim.

Zdajesz sobie oczywiście sprawę, że to wymaga powiększenia naczynia zabezpieczającego? Nawet, jeśli ma to być "eksperyment"?

Opublikowano
4 godziny temu, gmaj22 napisał:

A jakie tam są podejścia ZW/CW, bo jak półcalowe, to zapomnij o grawitacji.

Zbiornik ma chyba calowe podejścia. Piec 1 i 1/2 cala. Co do naczynia przeponowego to nie pomyślałem o tym

 

Zarchiwizowany

Ten temat przebywa obecnie w archiwum. Dodawanie nowych odpowiedzi zostało zablokowane.

  • Ostatnio przeglądający   0 użytkowników

    • Brak zarejestrowanych użytkowników przeglądających tę stronę.
×
×
  • Dodaj nową pozycję...

Powiadomienie o plikach cookie

Używając tej strony zgadzasz się na Polityka prywatności.