Skocz do zawartości
IGNOROWANY

Sposób połączenia pionów


tomsk

Rekomendowane odpowiedzi

Opublikowano

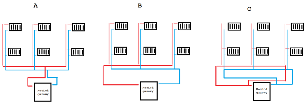
Przymierzam się do przerobienia rur CO w piwnicy i naszło mnie takie pytanie: czy piony lepiej zasilać A - równolegle, czy B - szeregowo, czy może C - z pętli? Załączam rysunek, żeby było mniej więcej wiadomo o jakie typy połączenia mi chodzi. Co do ilości przekłuć to u mnie wyjdzie podobnie w każdym wariancie. A w przypadku zużytego materiału, to opcje A i B to to samo, a w opcji C dojdą dodatkowe dwa trójniki plus trochę więcej rury, czyli koszt też podobny.

Czy wg Was któryś ze sposobów jest lepszy bądź gorszy?

Zaznaczę, że instalacja jest zamknięta, oparta o kocioł gazowy (bodajże 21 kW) z wbudowaną pompą.

sposoby_podlaczenia.png

Opublikowano

A

Opublikowano

Schemat B to instalacja w ukladzie Tichelmanna. 

Opublikowano

Nie zgodzę się. Układ Tichelmanna jest współprądowy a tu wciąż mamy przeciwprądowy. Tzn. jedynie poziome odcinki przewodów można do takiego układu zaliczyć :)

Opublikowano

Tu wystarcza układ A, tylko trzeba aby grzejniki miały możliwość regulacji wstępnej, poniżej ze strony Grunfossa

Tichelmann system

Instalacja dwururowa, gdzie całkowite długości rury zasilającej i powrotnej grzejników na tym samym piętrze są takie same (zasilanie + powrót – mierzone od pompy przez grzejniki i z powrotem do pompy) nazywana jest instalacją Tichelmanna. Instalacja ta występuje także często pod nazwą instalacji z odwróconym powrotem.

Grzejniki charakteryzujące się krótszą rurą zasilającą mierzoną od pompy charakteryzują się odpowiednio dłuższą rurą powrotną. Odwrotna sytuacja dotyczy grzejników leżących po przeciwnej stronie. Zapewnia to równomierny opór hydrauliczny, co skutkuje zbliżoną wartością przepływu we wszystkich powierzchniach grzewczych. W konsekwencji, nie jest wymagana regulacja przepływu przez każdą powierzchnię grzewczą podczas odbioru instalacji. Jednak, zazwyczaj wymaga to zastosowania dłuższego i bardziej skomplikowanego rurociągu, co przyczynia się do zwiększenia kosztów instalacji. 

Taką instalację trzeba policzyć wg długości rur, "na pałę to nic nie da"

Zarchiwizowany

Ten temat przebywa obecnie w archiwum. Dodawanie nowych odpowiedzi zostało zablokowane.

  • Ostatnio przeglądający   0 użytkowników

    • Brak zarejestrowanych użytkowników przeglądających tę stronę.
×
×
  • Dodaj nową pozycję...

Powiadomienie o plikach cookie

Używając tej strony zgadzasz się na Polityka prywatności.