Mikebambo Opublikowano 15 Września 2019 #1 Opublikowano 15 Września 2019 Witam, Nazywam się Michał i jestem instalatorem, ale mam małe doświadczenie w montażu piecy na paliwa stałe, dlatego bardzo proszę o pomoc. Na prośbę znajomego mam zamontować kocioł na ekogroszek. Mam już za sobą dwie czy trzy kotłownie na ten rodzaj paliwa, ale w tym przypadku inwestor ma tylko ogrzewanie podłogowe i oczywiście zbiornik na cwu. Piec jest używany, z zewnętrzna wezownica schladzajaca. Takie źródło zasilania ma popracować 1-2 sezony, ponieważ niedługo dom uzbrojony będzie w instalację gazowa. Szukam schematu, który pomoże mi wskazać miejsce zaworu 3 i 4 drogowego, gdyz nie mam pomysłu jak to najrozsadniej wykonać. Czy zastosować sam zawór czerodrogowy na podłogowke? Czy może zainstalować zawór czerodrogowy a za nim trojdrogowy na podmieszanie podłogi? Będę bardzo wdzięczny za wszystkie rady. Pozdrawiam
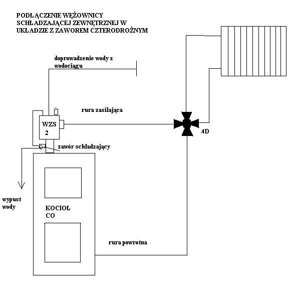
sambor Opublikowano 15 Września 2019 #2 Opublikowano 15 Września 2019 Poniżej masz wersję z zaw 4-D, to dobre rozwiązanie, ale wymaga 3 pompa - na grzanie CW, na podłogówkę i na ochronę powrotu kotła 2 wersje albo do układu otwartego albo do zamkniętego
Mikebambo Opublikowano 15 Września 2019 Autor #3 Opublikowano 15 Września 2019 Sambor, bardzo dziękuję za odpowiedź. Brałem pod uwagę takie rozwiązanie, tymbardziej, że inwestor kupił kompletna kotłownie po demontażu i ma kilka pomp :) także finansowo dla niego bez różnicy. Instalacja ta ma posłużyć rok/dwa. Pytanie mam jeszcze odnośnie grupy bezpieczeństwa. W kotłach gazowych przyzwyczajony jestem do montażu naczyń i zaworów bezpieczeństwa na powrocie, natomiast w kotlach na paliwo stałe spotkałem się z opinią, że należy integrować je z zasilaniem. Jakieś sugestie? Pozdrawiam Cię
sambor Opublikowano 15 Września 2019 #4 Opublikowano 15 Września 2019 Możesz zrobić tak i tak - bez różnicy gdzie będzie grupa bezpieczeństwa i naczynie, byle było bezpośrednio przy kotle.
Popcorn1 Opublikowano 15 Września 2019 #5 Opublikowano 15 Września 2019 Poniżej masz wersję z zaw 4-D, to dobre rozwiązanie, ale wymaga 3 pompa - na grzanie CW, na podłogówkę i na ochronę powrotu kotła 2 wersje albo do układu otwartego albo do zamkniętegoRobiłem u siebie instalacje(otwartą)według tego schematu,tylko CWU i grzejniki na zaworze 4-drogowym. Kocioł Skamp ekogroszek. Wszystko działa jak należy. Wysłane z mojego Redmi Note 4 przy użyciu Tapatalka
Mikebambo Opublikowano 15 Września 2019 Autor #6 Opublikowano 15 Września 2019 Dziękuję Panowie. Też planuje wykonać tak jak jest na schemacie. Na pewno się tutaj pochwalę. Czy polecacie jakieś konkretne sterowniki do tego typu rozwiązania? Który odpowiednio wysteruje skok zaworu, zalaczanie się pomp itp? Coś w miarę budżetowego
Gość berthold61 Opublikowano 16 Września 2019 #7 Opublikowano 16 Września 2019 Ja mam zrobione na 2 pompach czyli jedna chodzi stale i zabudowana na powrocie i ochrona powrotu jest zapewniona przez bojler , natomiast w podłogówce jest druga razem z zaworem 4 drogowym i nim reguluję temp zasilania (28-32 st) działa to bezbłędnie a na powrocie jest ok 53-57 stopni przy zadanej kotła 65 stopni .ten bojler to taka namiastka jak by bufora i piec nie ma skoków od max do min tylko płynnie pyka sobie na średniej mocy .
shogunzlasa Opublikowano 16 Września 2019 #8 Opublikowano 16 Września 2019 Pytanie podstawowe - jak wygląda instalacja - jak przykładowo mamy 1 obieg - to OK ściągamy graty, wpinamy kocioł gazowy, jak mamy 2 obiegi (góra, dół) może lepiej podpiąć to przez sprzęgło - wtedy ściągamy kocioł, puszczamy gazówkę i nie ma kolejnych przeróbek. Bojler na stałe + płynna regulacja to najlepsze rozwiązanie dla układu z ekogroszkiem - tylko pasuje mieć zawór antyoparzeniowy do CWU.
Popcorn1 Opublikowano 16 Września 2019 #9 Opublikowano 16 Września 2019 Ja mam zrobione na 2 pompach czyli jedna chodzi stale i zabudowana na powrocie i ochrona powrotu jest zapewniona przez bojler , natomiast w podłogówce jest druga razem z zaworem 4 drogowym i nim reguluję temp zasilania (28-32 st) działa to bezbłędnie a na powrocie jest ok 53-57 stopni przy zadanej kotła 65 stopni .ten bojler to taka namiastka jak by bufora i piec nie ma skoków od max do min tylko płynnie pyka sobie na średniej mocy .U mnie temperatura powrotu jest równa temperaturze wody wychodzącej z kotła.Wysłane z mojego Redmi Note 4 przy użyciu Tapatalka
Mikebambo Opublikowano 16 Września 2019 Autor #10 Opublikowano 16 Września 2019 Fachowcy moi drodzy. Wstawiam zdjęcie zaworu schladzajacego, który został z demontażu. Posiada on trzy wyjścia plus wezownice (z wlotem i wylotem). Zastanawiam się teraz jak to wykorzystać. Jako takie doświadczenie z kotłów gazowych sugeruje mi żeby górny krociec wykorzystać na zasilanie a dolny na powrót i wykorzystac ten element na zasadzie "sprzęgła" . Z niego pompy podsysalyby czynnik odpowiednio na cwu i co. Czy jednak raczej dolny krociec spożytkować na osobna nitke zasilania np do podlogowki? Z reguły spotykałem zawory schladzajacego z jednym wejściem i wyjściem. Dzięki za zainteresowanie tematem
sambor Opublikowano 16 Września 2019 #11 Opublikowano 16 Września 2019 Zobacz w necie jak się podłącza wężownicę schładzającą zewnętrzna! Można np tak
Mikebambo Opublikowano 16 Września 2019 Autor #12 Opublikowano 16 Września 2019 Znam te schematy. Moja wezownica jest inna. Ma dodatkowe wyjście. Wezownica można swój "obieg" tu z boku jak na zdjęciu. Plus trzy wyjścia z naczynia (a nie dwa, wlot i wylot, jak na schemacie wyżej).
sambor Opublikowano 16 Września 2019 #13 Opublikowano 16 Września 2019 To trzeba 1 wyjście zaślepić i będą tylko 2 - wejście i wyjście A tak z innej beczki - ten kocioł może pracować w układzie zamkniętym?
Mikebambo Opublikowano 16 Września 2019 Autor #14 Opublikowano 16 Września 2019 Godzinę temu, sambor napisał: To trzeba 1 wyjście zaślepić i będą tylko 2 - wejście i wyjście A tak z innej beczki - ten kocioł może pracować w układzie zamkniętym? Wiem, że kocioł chodził w układzie zamkniętym. Dostałem teraz zdjęcia od kolegi, które otrzymał właśnie od poprzedniego właściciela kotła. Na fotkach widac, że poprzedni instalator właśnie dolny krociec łączył z powrotem. To ta ocynkowana gruba rura :
Rekomendowane odpowiedzi
Zarchiwizowany
Ten temat przebywa obecnie w archiwum. Dodawanie nowych odpowiedzi zostało zablokowane.