Skocz do zawartości
IGNOROWANY

Kotlownia Marcina - CWU, ogrzewanie podlogowe, kociol kondensacyjny olejowy


Harlley1981

Rekomendowane odpowiedzi

Opublikowano

Witam Wszystkich.

To jest moj pierwszy post tutaj na grupie i licze na Wasza pomoc za ktora z gory dziekuje.

Przedewszystkim zaczne od tego ze plan swojej kotlowni stworzylem sam w oparciu o informacje z internetu oraz rozmowy z hydraulikami, sklepami itd.

Dom znajduje sie w Irlandii, zostal wybudowany 30 lat temu i przechodzi w tym momencie gruntowna modernizaje, bedzie ocieplony i wpelni zaizolowany.

Dodam tylko ze normalnie temperatury w Irlandii nie spadaja ponizej -3 w zimie a w ekstrymalnych warunkach bylo -12.

Ogolne zalozenia.

Dom ma dwie kondygnacje parter 140m2 oraz pietro okolo 80m2 Na parterze bedzie podlogowka zalana jastrychem betonowym okolo 80mm a na pietrze podlogowka tzw sucha cos na wzor Sander system.

000778-manifolds.jpg.d9d0717a6d27724b90ffafbb2c267b15.jpg000784.jpg.e37ae490e3a168a24355d396b5989fef.jpg

Piec kondensacyjny irlandzkiej firmy Firebird 26KW

Popular-boiler.jpg.34e53dbacf8f85f7bcfdca000d95fc52.jpg

https://www.firebird.ie/index.php/product-list-enviropax-popular.html

https://www.firebird.ie/index.php/product-list-enviropax-popular.html?id=82

Piec bedzie polaczony ze sprzeglem systemlink ktore pozwala na podlacenie dwoch zrodel ciepla i w moim przypadku za 2-3 lata chcialbym podlaczyc Pompe ciepla.000853.jpg.b72f4007b759e8e0b4586a2b876e0376.jpg000854.jpg.dead35b99593171a3a5be787fb24a189.jpg

Przyblizony schemat ktory znalazlem to taki:

000840.jpg.10e57cab5bff8913f721e1d4be4fa832.jpg

Z tym ze u mnie beda 4 strefy grzewcze.

1. CWU 2. Grzejniki drabinkowe 3. Parter ogrzewanie podlogowe 16 petli o lacznej dlugosci 1500m 4. Ogrzewanie pietro 12 petli o lacznej dlugosci 1000m

A teraz pytania i rozterki wytlumacze poprzez przedstawienie przeplywu wody poprzez wszystkie urzadzenia.

Woda bedzie dostarczona do domu wodociagiem ktorego cisnienie wacha sie miedzy 30-40psi dlatego zdecydowalem sie zastosowac hydrofor ze zbiornikiem przeponowym Hydrofor przeponowy

  1. Hydrofor przeponowy 300L ZBO pionowy Hydro-Vacuum
  2. Pompa hydroforowa MH1400 INOX z osprzętem
  3. Zawór zwrotny 1 1/4" z mosiężnym grzybkiem
  4. Filtr antypiaskowy 1 1/4"-
  5. Zabezpieczenie przed pracą na sucho-

Pytanie A. Czy cos jeszcze powinienem dodac do tego zestawu, moj dom jest ostatnim domem w tym wodociagu i dlatego zdecydowalem sie na zastosowanie filtra antypiaskowego.

Woda z hydrofora trafia do pieca olejowego gdzie zostaje ogrzana i pchnieta do sprzegla (systemlink)

Pytanie B. Jaka pompe tutaj zastosowac i gdzie wlasciwie taka pompa powinna sie znajdowac na dojsciu do pieca (przecierz jest hydrofor) czy na powrocie.

Woda trafia do sprzegla system link i jest rozprowadzona na 4 strefy.

 

Strefa 1 CWU Joule TCPMVS0300LFD Woda przechodzi przez trojnik z termometrem i do pompy i do zasobnika CWU

Pytanie C Jaka pompe zastosowac do 7. CWU GRUNDFOS ALPHA1 L 25-40 180 czy taka bedzie odpowiednia czy to nie za dobra pompa na tak maly obieg?

 

Strefa 2 Woda przechodzi przez trojnik z termometrem idzie do 8. ESBE ZAWÓR TERMOSTATYCZNY VTA572 5/4' GZ 30-70C tutaj jest robiony bypass do powrotu dalej woda do pompy i na grzejniki drabinkowe

Pytanie D Czy to jest dobry wybor odnosnie zaworu termostatycznego? Czy mozna to inaczej zrobic?

Pytanie E Jaka pompe zastosowac do grzejnikow drabinkowych ktorych w domu beda sie znajdowaly 4 sztuki 9. GRUNDFOS ALPHA1 L 25-40 180 czy taka bedzie odpowiednia czy to nie za dobra pompa na tak maly obieg?

 

Strefa 3 Woda rura miedziana 28mm przechodzi przez trojnik z termometrem idzie do ESBE ZAWÓR TERMOSTATYCZNY VTA572 5/4' GZ 20-43C tutaj jest robiony bypass do powrotu dalej woda do pompy i tu przejscie na rure alupex 32mm i do rozdzielacza.

Wybralem pompe Pompa obiegowa C.O.11.  GRUNDFOS ALPHA1 L 25-60 180 mam nadzieje ze to dobry wybor.

W strefie 3 chcialbym zastosowac dwa rozdzielacze firmy 12. prandelli po 8 portow i polaczyc je ze soba. tak jak tutaj:

000856.jpg.7ea2fa30def8a181a44c5d2382c03cc3.jpg

Pytanie F Czy to bedzie dzialac poprawnie

Strefa 4 Analogicznie jak przy strefie 3 doprowadzenie rura 32mm do rozdzielacza na 12 petli zastosowalbym ta sama pompe gdyz jest to pietro.

Pytania ogolne.

Pytanie G Jak byscie rozwiazali problem sterowania wszystkimi urzadzeniami. Patrzylem na sterowniki firmy Tech i na dzien dzisiejszy chcialbym wyprowadzic kable tak zeby mozna bylo w przyszlosci dolozyc wszystko co potrzeba. Myslalem nad czujnikami temperatury do kazdego pokoju C-7p do tego Listwa L-9 oraz panel dotykowy M9 oraz silowniki. Panel dotykowy M9 moze obsluzyc do 50 silownikow wiec pomyslalem ze przeciagne przewody z pietra na parter i wten sposob z pozycji panelu M-9 bede sterowal temperatura we wszystkich pokojach czy moj tok myslenia jest dobry? a co z faktem ze sa dwie pompy obiegowe?

Pytanie H Sterowanie w kotlowni jak to zrobic zeby bylo ekonomicznie w tym momencie nie ma zadnego sterownika trzeba by bylo spiac piec kondensacyjny pompy obiegowe cwu itd.

Pytanie I Czy duzo strace lub zyskam instalujac zawor termostatyczny zamiast zaworu mieszajacego?

Przepraszam za tak dluga wypowiedz ale chcialem ujac jak najwiecej informacji.

 

 

 

Opublikowano

Witam, spodobał mi się twój temat więc się wypowiem. 

1) mając ciśnienie w sieci rzędu 2,3 - 2,7 bar nie bawiłbym się w hydrofor ale jak chcesz to zakładaj. Filtr jak najbardziej daj czy bedzie hydrofor czy nie. Myślę że jak masz wode z wodociagow to rzeczy typu aspirator, odżelaziacz/odmanganiacz, zmiękczacz nie musisz dawać. Nie wiem jak w Irlandii ale ja mieszkalem w UK i tam woda z wodociagu byla bardzo dobrej jakosci, piłem kranówkę :)

pyt. B - mylisz instalacje. Woda z hydroforu trafia do bojlera i tam jest podgrzewana i wysyłana do kranów. Woda w obiegu instalacji c.o. jest tylko napełniana z sieci do wymaganego ciśnienia podczas uruchomienia instalacji i tam już zostaje. To jest osobny obieg i nie ma nic wspólnego z wodą wplywającą na bieżąco do instalacji c.w.u

pyt. C - pompa do c.w.u wystarczy 25-40. Z tym ze grzanie cwu za sprzeglem niesie pewne komplikacje. Ja bym raczej dal przed sprzeglem dwuwężownicowy. Stefa 2 na grzejniki drabinkowe jest troche zbędna ja bym je zrobil na grzalkach elektrycznych i nie wpinał w obieg c.o. Ale jak juz chcesz to pompa 25-40 wystarczy, zawór vta zbędny

pyt. F - termostat sobie daruj zrób z siłownikiem, ale gdybys nie dawał drabinek to mieszanie zbędne. Co do śednicy rur to trzeba by policzyć ale powinno wystarczyć 32. Mam tylko uwagę co do długości pętli. Chyba nie masz projektu na podłogówke bo 2,5 km rury na 220 m2 przy temp obliczeniowej -12 stopni to cos tu jest nie tak.

Sterowanie, hmm nie wiem jaka bedzie pompa ciepła. W pomieszczeniach możesz zrobic tak jak piszesz na listwach i siłownikach. Dalej na kotłownie mógłbyś dać https://www.euroster.pl/produkty/sterowniki/euroster-uni3/347   pod warunkiem że olejak ma wyjście bezpotencjaowe. Lub taki  bardziej wypasiony http://www.plum.pl/project/ecomax920i/    podpinasz do tego listwy z podłogówki i kocioł/pompę ciepła i masz pełne sterowanie całym domem i źródłami ciepła

Co do pompy ciepła i sensu stosowania buforu to temat zalezny od rodzaju PC. Ogólnie ja widze tą instalacje dużo prostrzą niż to sobie wymysliles

Opublikowano

Przyjrzałem się specyfikacji tego kotła i widzę że temp. minimalną jaką możesz ustawić to 60 stopni więc faktycznie musisz zastosować mieszacz przy podłogówce nawet gdybyś nie dawał drabinek.

Opublikowano

Dzieki kuba za wypowiedz.

Cytat

1) mając ciśnienie w sieci rzędu 2,3 - 2,7 bar nie bawiłbym się w hydrofor ale jak chcesz to zakładaj. Filtr jak najbardziej daj czy bedzie hydrofor czy nie. Myślę że jak masz wode z wodociagow to rzeczy typu aspirator, odżelaziacz/odmanganiacz, zmiękczacz nie musisz dawać. Nie wiem jak w Irlandii ale ja mieszkalem w UK i tam woda z wodociagu byla bardzo dobrej jakosci, piłem kranówkę :)

Wiem tez sie nad tym zastanawialem jednak jezeli nie zastosuje hydroforu to bede musial zastosowac taki oto Multiboostermultiboost_utility_main.jpg.23efdddf0d44757f10007353e6f20170.jpg

http://www.multiboost.ie/multiboost_utility.html

Jest to pompa zanurzeniowa i ona sie wlacza za kazdym razem jak ktos odkreci kran wydaje mi sie ze hydrofor jest lepszym rozwiazaniem a koszty sa takie same.

4 godziny temu, KubaSko napisał:

pyt. B - mylisz instalacje. Woda z hydroforu trafia do bojlera i tam jest podgrzewana i wysyłana do kranów. Woda w obiegu instalacji c.o. jest tylko napełniana z sieci do wymaganego ciśnienia podczas uruchomienia instalacji i tam już zostaje. To jest osobny obieg i nie ma nic wspólnego z wodą wplywającą na bieżąco do instalacji c.w.u

Woda z Hydrofora trafia do CWU i tam jest ogrzewana i pozniej na krany. Rozumiem ze poprzez bojler masz na mysli zasobnik CWU.

Czyli woda do instalacji CO jest napelniana tylko raz a pozniej tylko dopuszczana w razie potrzeby a co reguluje to dopuszczanie wody? piec?

4 godziny temu, KubaSko napisał:

pyt. C - pompa do c.w.u wystarczy 25-40. Z tym ze grzanie cwu za sprzeglem niesie pewne komplikacje. Ja bym raczej dal przed sprzeglem dwuwężownicowy. Stefa 2 na grzejniki drabinkowe jest troche zbędna ja bym je zrobil na grzalkach elektrycznych i nie wpinał w obieg c.o. Ale jak juz chcesz to pompa 25-40 wystarczy, zawór vta zbędny

Jakie komplikacje niesie za soba grzanie za sprzeglem? I co masz na mysli dwuwezownicowy?

Nie chce grzejnikow na grzalkach elektrycznych i jezeli nie dam zaworu VTA to jak mam wyregulowac temperature wody?

 

4 godziny temu, KubaSko napisał:

pyt. F - termostat sobie daruj zrób z siłownikiem, ale gdybys nie dawał drabinek to mieszanie zbędne. Co do śednicy rur to trzeba by policzyć ale powinno wystarczyć 32. Mam tylko uwagę co do długości pętli. Chyba nie masz projektu na podłogówke bo 2,5 km rury na 220 m2 przy temp obliczeniowej -12 stopni to cos tu jest nie tak.

Mam projekt podlogowki i na parter wychodzi 1590mb rury alupex 16 na gore tez mam projekt zrobiony i przy rozlozeniu co 15cm wychodzi 600m

4 godziny temu, KubaSko napisał:

Co do pompy ciepła i sensu stosowania buforu to temat zalezny od rodzaju PC. Ogólnie ja widze tą instalacje dużo prostrzą niż to sobie wymysliles

Czyli co masz na mysli jak bys to rozwiazal?

Opublikowano

A dlaczego bedziesz musial zastosowac Multibooster ? Te 2,3 bar to i tak za mało? 

Dopuszczanie wody do układu c.o. reguluje instalator lub użytkownik czyli ty :) raz napuszczona przy braku wycieków pozostanie na lata. Prawidłowość ile tej wody jest i czy musisz uzupełnić jej ewentualne braki wskaże ci manometr który jest wmontowany w kotle olejowym, choc możesz tez dać go gdziekolwiek w instalacji, najepiej w kotłowni. A jeśli nie chcesz pilnować raz do roku ciśnienia to to cię wyręczy https://afriso.pl/pl/katalog-online/afriso/zawor-do-automatycznego-napelniania-instalacji/produkt/42406

Grzanie zbiornika cwu za sprzęgłem powoduje pewne straty przesyłowe. Plus taki że masz możliwość równoległego grzania domu i bojlera. Dwuwężownicowy tzn. są dwie wężownice. W jedną wpinasz kocioł olejowy w drugą pompę ciepła i wtedy te dwa źródła ciepła grzeją niezależnie cwu. Trudno będzie ci wysterować obieg cwu jeśli dasz dwa źródła i bojler za sprzęgłem, trzeba by zobaczyć w instrukcji uni3 lub plum (sterowników które ci wysłałem) czy są w stanie sterować dwoma źródłami ciepła dla cwu. Moim zdaniem prościej bedzie i łatwiej jak dasz dwuwezownicowy

Dla rozstawu rur 10 cm na 220 m2 mi wychodzi 2200mb rury, dla rozstawu 15 cm na 220m2 już mamy 1474 mb rury pex 16 więc dziwne jest dla mnie 2500 mb

Co do pompy ciepła są tu mądrzejsze głowy, ja powiem tylko że jak weźmiesz pompę która moduluje moc to bufor jest zbędny. Nie piszesz tez jaka to PC woda powietrze czy gruntowa.

Jak bede miał chwile to narysuje schemat jak to widze a koledzy poprawia ewentualne przeoczenia. Może jeszcze ktos sie wypowie w temacie. Pozdrawiam

Opublikowano
49 minut temu, KubaSko napisał:

A dlaczego bedziesz musial zastosowac Multibooster ? Te 2,3 bar to i tak za mało?

W Irlandii musisz miec zbiornik do rozprowadzania wody nie wolno Ci bezposrednio podpiac zadnych urzadzen sanitarnych do instalacji poza kranem w kuchnii. Jak byles w UK to pewnie spotkales te zbiorniki na strychu teraz juz sie ich nie montuje tylko daje sie multibooster a ja dam hydrofor.

Fajny pomysl z tym zaworem do napelniania automatycznego instalacji.

52 minuty temu, KubaSko napisał:

Grzanie zbiornika cwu za sprzęgłem powoduje pewne straty przesyłowe. Plus taki że masz możliwość równoległego grzania domu i bojlera. Dwuwężownicowy tzn. są dwie wężownice. W jedną wpinasz kocioł olejowy w drugą pompę ciepła i wtedy te dwa źródła ciepła grzeją niezależnie cwu. Trudno będzie ci wysterować obieg cwu jeśli dasz dwa źródła i bojler za sprzęgłem, trzeba by zobaczyć w instrukcji uni3 lub plum (sterowników które ci wysłałem) czy są w stanie sterować dwoma źródłami ciepła dla cwu. Moim zdaniem prościej bedzie i łatwiej jak dasz dwuwezownicowy

Nie rozumiem ciagle gdzie bedzie problem przy dwoch zrodlach ciepla. Po pierwsze to i tak jest malo prawdopodobne ze dwa zrodla ciepla beda dzialaly w tym samym czasie a pozatym obydwa przechodza przez systemlink/sprzeglo i z tamtad woda trafia do CWU.

 

54 minuty temu, KubaSko napisał:

Co do pompy ciepła są tu mądrzejsze głowy, ja powiem tylko że jak weźmiesz pompę która moduluje moc to bufor jest zbędny. Nie piszesz tez jaka to PC woda powietrze czy gruntowa.

Temat pompy ciepla narazie chcialbym wogole pominac bo bedzie ona instalowana (o ile wogole) za dwa 3 lata. Systemlink pozostawia mi taka mozliwosc i dlatego chcialbym skozystac z tego urzadzenia.

https://www.systemlink.ie/systemzone.html

 

56 minut temu, KubaSko napisał:

Dla rozstawu rur 10 cm na 220 m2 mi wychodzi 2200mb rury, dla rozstawu 15 cm na 220m2 już mamy 1474 mb rury pex 16 więc dziwne jest dla mnie 2500 mb

W ktorym miejscu napisalem ze jest tam 2500mb rur. Na dole jest 1590mb rur petle plus doplywy do petli z tym ze najdluzsza ma 100m a na gorze 600mb

000859.jpg.717872f16223e023991242336abfec57.jpg000858.jpg.e0155b99d206b3532a62f02f736cf8bf.jpg000857.jpg.7bf24e28a581963c340e9e932ce1f75f.jpg

57 minut temu, KubaSko napisał:

Jak bede miał chwile to narysuje schemat jak to widze a koledzy poprawia ewentualne przeoczenia. Może jeszcze ktos sie wypowie w temacie. Pozdrawiam

Bylbym bardzo wdzieczny

Opublikowano
17 godzin temu, Harlley1981 napisał:

. CWU 2. Grzejniki drabinkowe 3. Parter ogrzewanie podlogowe 16 petli o lacznej dlugosci 1500m 4. Ogrzewanie pietro 12 petli o lacznej dlugosci 1000m

Tu napisales 2500 m rury ☺

Faktycznie  w uk mieli na strychu zbiorniki na wode ☺ i krany z dwoma kurkami ☺

To pompe ciepla na razie pomijamy.

Cwu wlasnie przez sprzeglo troche traci ale okej pomińmy to. Chodzi o sterowanie. Zobacz czy ten olejak ma styk do wysterowania go. U ciebie powinno byc tak. Styk sterujacy olejaka wpinasz w wejscie kotla w Uni3 lub plum. Listwy podlogowe wpinasz w obiegi grzewcze uni3 lub plum. Do kazdej listwy siłownik i czujnik pokojowy. Drabinki mozesz wpiac w uni3 i czujnik do łazienki lub lepiej niech grzeją jak pracuje podłoga. Czujnik bojlera w uni3 lub plum. I to uni3 lub plum decyduje czy kocioł sie załączy czy nie. Nadal uwazam ze lepiej bedzie cwu przed sprzeglem. Mnie uczyli ze za sprzeglem to sie daje jak masz kaskady i duze moce kotłów np w hotelach itp. A jak wysterujesz grzanie cwu z pompy ciepla ? Kiefy ona musi wiedziec czy grzeje cwu czy dom a ze styku uni3 czy plum sie tego nie dowie ? Bedzie ci pracowac na niskim parametrze bo bedzie myslala ze grzeje dom i nigdy za sprzeglem nie nagrzeje sie bojler

Mi sie nie podoba w tym kotle ta min temp jaka mozesz ustawic czyli 60. W twoim przypadku czynnik grzewczy dla instalacji rzadko kiedy przekroczy 30 stopni. Jest to nieekonomiczne grzac do 60 a poznij obnizac to mieszaczami do 30 stopni

Opublikowano
3 minuty temu, KubaSko napisał:

Tu napisales 2500 m rury ☺

Przepraszam pomylka.

6 minut temu, KubaSko napisał:

Zobacz czy ten olejak ma styk do wysterowania go. U ciebie powinno byc tak. Styk sterujacy olejaka wpinasz w wejscie kotla w Uni3 lub plum. Listwy podlogowe wpinasz w obiegi grzewcze uni3 lub plum. Do kazdej listwy siłownik i czujnik pokojowy.

Sprawdze jakie styki posiada olejak i jak mozna nim sterowac.

7 minut temu, KubaSko napisał:

Drabinki mozesz wpiac w uni3 i czujnik do łazienki lub lepiej niech grzeją jak pracuje podłoga. Czujnik bojlera w uni3 lub plum. I to uni3 lub plum decyduje czy kocioł sie załączy czy nie.

Teraz to juz wogole sie zastanawiam czy jest sens wpinac drabinki w sprzeglo a moze lepiej zastosowac drabinki z ogrzewaniem elektrycznym. Koszty pompy, mieszcza i calego sterowania tym sa dosc spore zamiast tego moglbym rozdzielacz na dole rozdzielic i podpiac na dwie osobne pompy.

 

9 minut temu, KubaSko napisał:

Mi sie nie podoba w tym kotle ta min temp jaka mozesz ustawic czyli 60. W twoim przypadku czynnik grzewczy dla instalacji rzadko kiedy przekroczy 30 stopni. Jest to nieekonomiczne grzac do 60 a poznij obnizac to mieszaczami do 30 stopni

Prawda jest taka ze ja kupilem dom to ten piec juz tam byl i on jest prawie nie uzywany zostal wyprodukowany w 2014 roku i byl uzywany tylko przez 1 rok a ze nie za bardzo mam w tym momencie kase na pompe ciepla to chcialbym z niego skozystac a pozniej uzywac go jako ogrzewanie awaryjne.

 

11 minut temu, KubaSko napisał:

A jak wysterujesz grzanie cwu z pompy ciepla ? Kiefy ona musi wiedziec czy grzeje cwu czy dom a ze styku uni3 czy plum sie tego nie dowie ? Bedzie ci pracowac na niskim parametrze bo bedzie myslala ze grzeje dom i nigdy za sprzeglem nie nagrzeje sie bojler

Tego nie wiem ale czy to nie jest tak ze wysteruje grzanie CWU poprzez zawor mieszajacy?

Opublikowano

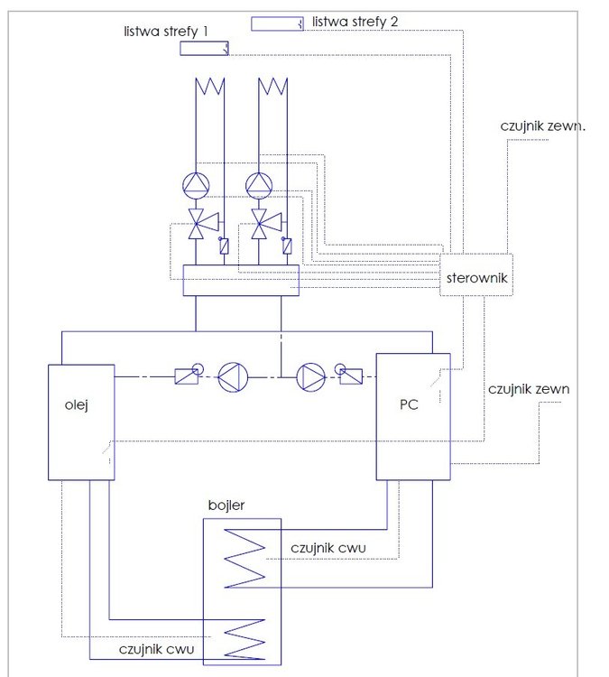
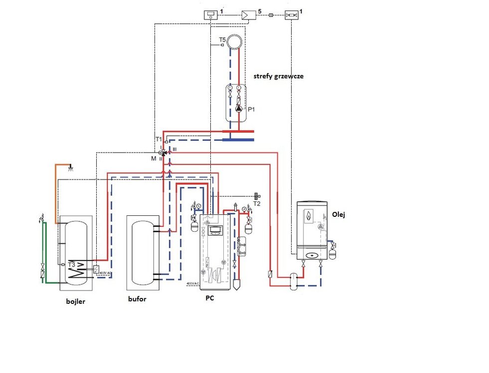
Te schematy są najprostszym rozwiązaniem dla ciebie. Jeden przedstawia wpięcie PC bez bufora, drugi w przypadku zastosowania bufora. Ja bym podzielił to na dwie strefy - parter, piętro. Drabinki bym sobie darował, ale jeśli je chcesz to dajesz jeszcze jeden obieg, bez mieszacza i pompę drabinek wpinasz razem z pompą którejś podłogówki i wtedy drabinki pracują wtedy kiedy grzeje podłoga, a jak wiadomo najlepiej jest jak podłoga grzeje non stop. Cwu jest oparte na bojlerze dwuwężownicowym. Na schemacie z buforem jest jednowężownicowy ale przyjmijmy że z olejaka idą dwie rury do drugiej wężownicy w bojlerze. Dwie wężownice mogą być na samym dole jak tu https://kospel.pl/pl/produkty/wymienniki-i-zasobniki-cwu/sww-i-swwz-termo-max.html

 Można to jeszcze inaczej rozwiązać - w związku z tym że olejak ma min temp 60 stopni, wpiąć go razem z PC w bufor. Tu poczytaj o stosowaniu buforów przy PC https://blog.karbon.com.pl/pc-powietrzna/nieszczesny-bufor-do-pompy-ciepla/

Tego typu instalacje najlepiej jeśli są oparte o sterowanie dedykowane producenta, w tym przypadku PC ale jesli nie montujesz jej na razie trzeba znaleźć coś zastępczego.

bufor.jpg

pc olej.jpg

  • 1 miesiąc temu...
Opublikowano

Kuba dziekuje za schemat jest on bardzo pomocny.

Jako sterowanie cala moja kotlownia chcialem uzyc tego sterownika gdyz reszta moich urzadzen tez bedzie techa.

https://www.techsterowniki.pl/p/i-3

Co myslicie na temat tego sterownika

CWU wepne bez sprzegla i zastanawiam sie wogole czy nie zrezygnowac calkowicie ze sprzegla i zrobic poprostu 3 grupy pompowe wpianane do rozdzielacza pierwsza na CWU druga na podlogowke dol a trzecia na podlogowke gora.

Cos takiego jak na zdjeciu ponizej.

 

 

gr.pom.png

Opublikowano

Sterownik okej. Oczywiście możesz zrobić tak jak piszesz bez sprzęgła. W przypadku samego olejaka sprzęgło zbyteczne i lepiej jak zrobisz tak jak piszesz. Jeśli dołożysz pompę ciepła to albo sprzęgło albo bufor który sam w sobie jest sprzęgłem.

  • 2 tygodnie później...
Opublikowano

Decyzja zapadla kupie 3 grupy pompowe oraz sterownik techa I2 lub I3. Teraz mam pytanie odnosnie zaworu mieszajacego, badz termostatycznego, oraz silownika esbe. Co tak naprawde powinienem uzyc w tym miejscu i od czego to zalezy.

3 grupy pompowe, CWU, parter i pietro.

Opublikowano

grupy pompowe kup z zaworami 3d z siłownikami. Potrzebne jest to do tego abyś sterował podłogówką pogodowo. Jak kupisz grupy pompowe z zaw. termostatycznymi to będziesz musiał latać do kotłowni co godzinę i kręcić zaworami. Zresztą po to kupujesz sterownik I2 lub I3 żeby instalacją sterować pogodowo. Na c.w.u. kupujesz grupę bo ten twój kocioł nie ma wbudowanego zaworu 3d na bojler ?? 

Opublikowano

Kuba niestety ten model mojego kotla nie ma wbudowanego zaworu 3d.

W takim razie czy ta grupa pompowa na CWU musi byc rowniez z zaworem 3d czy moze byc z zaworem termostatycznym?

Czy to wogole musi byc grupa pompowa czy wystarczy jak kupie pompe obiegowa?

Opublikowano

W kotłach są zawory 3d ale nie takie jak w grupach pompowych. W kotle taki zawor przełącza obiegi - kocioł-bojler lub kocioł instalacja c.o. Jesli nie masz w kotle zaworu 3d przełączajacego obiegi to dajesz zwykłą pompę na bojler. No chyba ze chcesz zeby było ładnie, to to mozesz sobie taką grupę zafundować, bez zaworów po prostu pompa i powrót zabudowane w takiej ładnej skrzynecze ktora wisi za tymi dwoma dżentelmenami :)

Zarchiwizowany

Ten temat przebywa obecnie w archiwum. Dodawanie nowych odpowiedzi zostało zablokowane.

  • Ostatnio przeglądający   0 użytkowników

    • Brak zarejestrowanych użytkowników przeglądających tę stronę.
×
×
  • Dodaj nową pozycję...

Powiadomienie o plikach cookie

Używając tej strony zgadzasz się na Polityka prywatności.