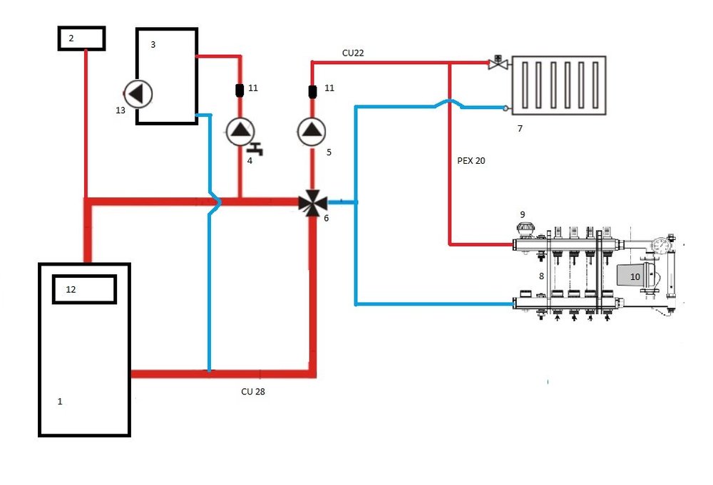
yzfan Opublikowano 11 Lutego 2019 #1 Opublikowano 11 Lutego 2019 Witam, chciałbym poprawić instalację hydrauliczną w kotłowni, główne założenie to sterowanie pogodowe podłogówki. Aktualnie temperaturę ogrzewania podłogowego można "teoretycznie" zmienić przy pomocy głowicy termostatycznej na rozdzielaczu, lecz nie działa to prawidłowo, próbowałem różnych nastaw wstępnych na wkładce termostatycznej ale nie przynosi to oczekiwanych efektów. Pytanie jak najlepiej zmodernizować moją instalację aby regulacja temperatury odbywała się automatycznie oraz zadbać o temperaturę powrotu? Do sterownika podłączony jest czujnik temperatury zewnętrznej oraz wewnętrznej jedynie muszę zmienić ich lokalizację. Opis do schematu: 1. Kocioł Cichewicz Futura Econo Mini 21KW 2. Naczynie wyrównawcze 3. CWU Galmet 140l. 4. Pompa Wilo Star-RS25/4 5. Pompa Wilo Yonos PICO-S 25/1-4-(INT) 6. Zawór czterodrogowy Afriso 1 cal - sterowanie ręczne 7. Kaloryfery w pokojach na piętrze z termostatami. 8. Rozdzielacz podłogówki, 5 sekcyjny z mieszaczem pompowym, około 80m2 9. Głowica termostatyczna do ustawiania temperatury ogrzewania podłogowego. 10. Pompa Tece HUPA 15-5.0 U130 11. Zawory zwrotne 12. Sterownik kotła Timel SKZP-02 13. Pompa cyrkulacji Star-Z NOVA A Aktualnie nastawione temperatury: Temperatura kotła: 70-75 Temperatura za zaworem 4D: 50 Temperatura ogrzewania podłogowego: 30 Temperatura powrotu: 48 Temperatura w domu: 22,5
zaworek Opublikowano 11 Lutego 2019 #2 Opublikowano 11 Lutego 2019 1)Dołożyć pompę kotłową na powrocie z zaworu 4D dzięki czemu osiągniemy odpowiednią temp.powrotu 2)Wypatroszyć rozdzielacz podłogówki zostawiając tylko same belki 3)Zakupić zawór 3D z siłownikiem np.ESBE VRG131 +siłownik ARA 600 4)Pompę ze skrzynki OP wykorzystać przy zaworze VRG 5)Dołożyć siłownik do zaworu 4D PEX 20 jest za mały dla 5pętli,przy tym układzie co masz teraz może działać ale po zmianie mogą być problemy z przepływami na tej średnicy rury PEX do rozdzielacza Nie wiem jakie ma możliwości sterownik twojego kotła,czy obsługuje zawór 3D z siłownikiem oraz siłownik zaw.4D,pompę kotłową itd Wykonanie jak w załączniku.A to naczynie na zdjęciu to od czego?na schemacie i w opisie kocioł w układzie otwartym
yzfan Opublikowano 11 Lutego 2019 Autor #3 Opublikowano 11 Lutego 2019 Dziękuje za szybką odpowiedź. Sterownik ma możliwość sterowania tylko jednym zaworem mieszającym... Jeśli zastosuje: -pompę kotłową - jaką polecacie? -na rozdzielaczu zamiast głowicy termostatycznej ustawię "stałą nastawę" -siłownik zaworu 4D -czujnik temperatury zaworu 4D zamontuje na rozdzielaczu podłogówki. Czy taki układ ma szansę dobrze regulować temperaturę ogrzewania podłogowego? Jeśli nie będę musiał zainwestować w inny sterownik lub dodatkowy tylko do sterowania ogrzewaniem podłogowym. Jaką rurę zastosować do zasilenia podłogówki? CU22 będzie wystarczające? Obecnie nie ma problemu z ustawieniem przepływów. Na zdjęciu to naczynie ciśnieniowe, ukł. zamknięty źle opisałem to na schemacie.
mironw Opublikowano 11 Lutego 2019 #4 Opublikowano 11 Lutego 2019 9 minut temu, yzfan napisał: Obecnie nie ma problemu z ustawieniem przepływów. bo teraz pompa jest na rozdzielaczu
mironw Opublikowano 11 Lutego 2019 #5 Opublikowano 11 Lutego 2019 10 minut temu, yzfan napisał: CU22 będzie wystarczające ajak daleko od kotła do rozdzielacza
zaworek Opublikowano 11 Lutego 2019 #6 Opublikowano 11 Lutego 2019 Kocioł w układzie zamkniętym-brak urządzenia do odprowadzenia nadmiaru ciepła,naczynie przeponowe powinno być na powrocie kotła a nie na zasilaniu Bez zastosowania zaworu 3D z siłownikiem nie ma mowy o jakimkolwiek automatycznym sterowaniu podłogówką
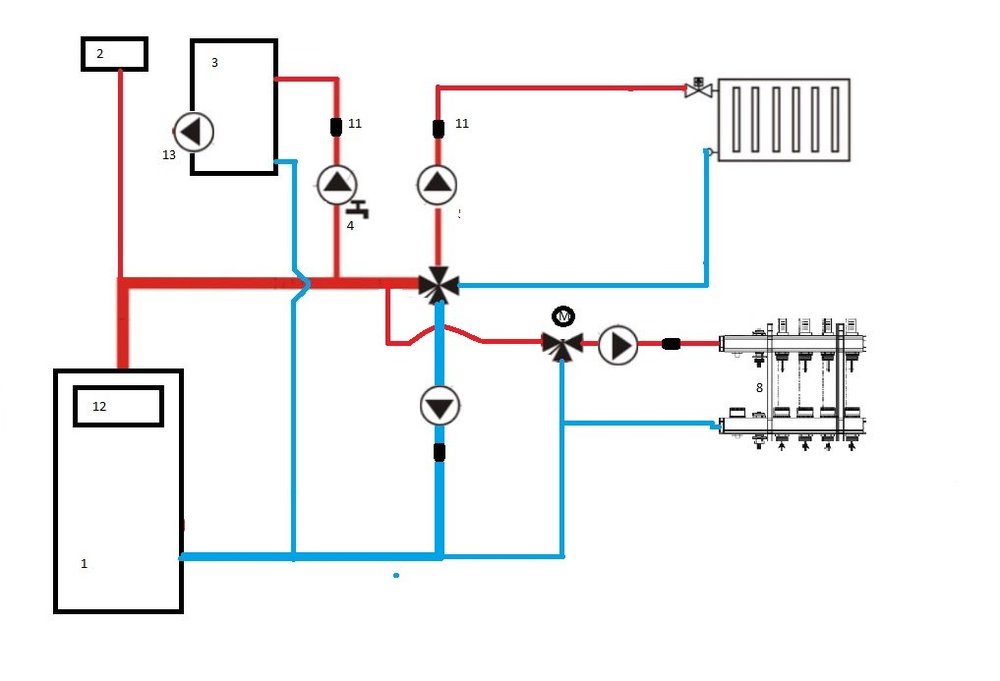
gmaj22 Opublikowano 12 Lutego 2019 #7 Opublikowano 12 Lutego 2019 Przede wszystkim to ten zbiornik membranowy jest za mały (12 litrów ?) i niewłaściwie podłączony, bo za 4D. Jak wspomniał @zaworek najlepiej przenieść go na powrót i dodać pozostałe wymagane zabezpieczenia. Nie dokładałbym kolejnego mieszacza z siłownikiem, tylko wykorzystał 4D, który już jest w instalacji. SKZP2 steruje jednym siłownikiem i ma funkcję obniżenia temperatury po osiagnięciu zadanej pomieszczenia jak i sterowanie pogodowe. Widzę to tak: Jak widać pompa kotłowa jest przy kotle i najlepiej byłoby dać tam Wilo Yonos, którą autor już posiada. Do sterownika można podłączyć cztery pompy, zatem jedna musiałaby być podłączona z innego żródła. Proponuję, aby była to pompa cyrkulacyjna, podłączona np. przez czujnik ruchu albo zwykły programator czasowy. Sprawdzić tylko, czy Wilo Star Z Nova jest odporna na cykliczne załączanie. Można oczywiście zrezygnować z dodatkowej pompy, zapewniając ochronę powrotu np. ciągłą pracą pompy CWU. Albo ochrona powrotu pompą przewałową, zaś obieg CO oraz CWU zasilać jedną pompą, a przy bojlerze dać zawór termostatyczny z czujnikiem w bojlerze. Kaazda z opcji ma swoje plusy dodatnie i plusy ujemne ;) PS: I pamiętać o filtrach przed pompami.
yzfan Opublikowano 12 Lutego 2019 Autor #8 Opublikowano 12 Lutego 2019 Cytat Można oczywiście zrezygnować z dodatkowej pompy, zapewniając ochronę powrotu np. ciągłą pracą pompy CWU. Kiedyś testowałem uruchomienie pompy CWU na stałe, znacznie wzrastało spalanie dobowe ekogroszku. Cytat Do sterownika można podłączyć cztery pompy, zatem jedna musiałaby być podłączona z innego żródła. Proponuję, aby była to pompa cyrkulacyjna, podłączona np. przez czujnik ruchu albo zwykły programator czasowy. Sprawdzić tylko, czy Wilo Star Z Nova jest odporna na cykliczne załączanie. Pompa cyrkulacyjna podłączona jest osobno, uruchamiana z poziomu smartfona Cytat Jak widać pompa kotłowa jest przy kotle i najlepiej byłoby dać tam Wilo Yonos, którą autor już posiada. W rozwiązaniu, które na schemacie zaproponował forumowicz gmaj22, jaką średnice powinny mieć rury obiegu kotłowego? Zastanawia mnie również pełna temperatura wody z kotła tłoczona na grzejniki, nie wiąże się to z większymi stratami? Zrobiłem jeszcze jeden schemat, dokładając pompę kotłową i zostawiając manualny zawór 4d, powinno pozwolić na ustawienie zasilania grzejników na poziomie 45 stopni oraz podbicie temperatury powrotu? Do ogrzewania podłogowego mógłbym dołożyć zawór 3d z siłownikiem. Co sądzicie o takim rozwiązaniu?
TOMA1 Opublikowano 12 Lutego 2019 #9 Opublikowano 12 Lutego 2019 Zasilanie OP w złym miejscu ma być zaraz za zaworem 4d tak jak narysował zaworek
gmaj22 Opublikowano 13 Lutego 2019 #10 Opublikowano 13 Lutego 2019 Napisałeś przecież, że na grzejnikach są głowice termostatyczne, więc po co obniżać mieszaczem w tym obiegu temperaturę? 4D dlatego wykorzystałem do podłogówki, ponieważ tam potrzebna jest niższa temperatura zasilania. Powoduje to mniejsze otwarcie mieszacza, a zatem cieplejszą wodę kierowaną do powrotu kotła. Pompa kotłowa równie dobrze może być na powrocie z 4D.
sambor Opublikowano 13 Lutego 2019 #11 Opublikowano 13 Lutego 2019 6 godzin temu, gmaj22 napisał: Pompa kotłowa równie dobrze może być na powrocie z 4D. To całkiem co innego
gmaj22 Opublikowano 13 Lutego 2019 #12 Opublikowano 13 Lutego 2019 Fakt, ale tu miałem na myśli użycie mieszacza 4|D tylko do podłogówki. Przy typowej pompie przewałowej pomiędzy zasilaniem a powrotem kotła, ochrona powrotu jest moim zdaniem skuteczniejsza i bardziej "niezależna".
yzfan Opublikowano 13 Lutego 2019 Autor #13 Opublikowano 13 Lutego 2019 13 godzin temu, gmaj22 napisał: Napisałeś przecież, że na grzejnikach są głowice termostatyczne, więc po co obniżać mieszaczem w tym obiegu temperaturę? Nigdy nie miałem przypadku aby kocioł się kiedyś zagotował, ale w takim przypadku woda o bardzo wysokiej temperaturze popłynie na kaloryfery, a na miedzi zrobiona jest tylko okolica kotła reszta instalacji to PEX. Pompa podłogówki sama wyłączy się po przekroczeniu pewnej temperatury. Podsumowując pompa kotłowa na powrocie 4d, podłogówka na wyjściu 4d, jest sens jakoś dodatkowo zabezpieczyć instalację doprowadzającą wodę do grzejników?
gmaj22 Opublikowano 13 Lutego 2019 #14 Opublikowano 13 Lutego 2019 Masz przecież w sterowniku "instrumenty" do tego, np. "włącz podajnik na x minut po przekroczeniu temp. kotła y C."
zaworek Opublikowano 13 Lutego 2019 #15 Opublikowano 13 Lutego 2019 Jak się obawiasz zbyt wysokich temperatur na instalację to zrób na sprzęgle +2x3D za sprzęgłem
gmaj22 Opublikowano 13 Lutego 2019 #16 Opublikowano 13 Lutego 2019 Przy sprzęgle chyba nawet obejdzie się beż VTC na powrocie, tylko odpowiednio dobrać przepływ pompy po stronie kotłowej.
Rekomendowane odpowiedzi
Zarchiwizowany
Ten temat przebywa obecnie w archiwum. Dodawanie nowych odpowiedzi zostało zablokowane.