Skocz do zawartości
IGNOROWANY

Ocena Schematu Instalacji Co


siwy90

Rekomendowane odpowiedzi

Opublikowano

Witam.

 

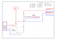
W niedalekiej przyszłości planuje modernizację kotłowni,  zakup kotła na pellet oraz rozprowadzenie ogrzewania podłogowego. Kotłownia znajduje się w piwnicy, na parterze ogrzewanie podlogowe + grzejnik w łazience, na poddaszu 3 grzejniki, zbiornik wyrównawczy znajduje się na strychu. Powierzchnia  użytkowa ok 100 m2. 

 

1) Jeszcze nie zdecydowałem się na konkretny kocioł. Z obliczeń wyszło, że potrzebuje ok. 12 kW . Zastanawiam się nad tym modelem : https://www.defro.pl/p,160,sigma-ekopell.html?idk=36

 

2) Podłogówka na rozdzielaczu z siłownikami, do tego regulatory pokojowe  http://www.auraton.pl/produkty/auraton-3003/

 

3) Na grzejnikach zwykłe głowice termostatyczne

 

4) Na powrocie chce zamontować taki zawór temperaturowy https://www.afriso.pl/pl/katalog-online/afriso/zawor-temperaturowy-atv/produkt/1633500 a za nim pompa . 

 

5) dodatkowo planuję dokupić czujnik pogodowy.

 

Mam wrażenie, że schemat jest trochę zagmatwany (szczególnie powroty), chodzi o to, że sterowanie podłogówki w momencie osiągnięcia zadanej temperatury wyłączy pompę, tak samo w przypadku CWU. Pompa od grzejników będzie chodziła cały czas.  

 

 

Może zamiast zaworu temperaturowego zastosować coś innego ?  Będę wdzięczny za każdą pomoc. 

 

Pozdrawiam.

 

 

post-78401-0-90708300-1520536135_thumb.jpg

Opublikowano

Znalazłem jeszcze projekt wykorzystujący zawór 4d na powrocie. Instalacja wydaje się dość logicznie ułożona. 

 

No właśnie szukam odpowieddniego kotła, dlaczego akurat Biawar ? 

post-78401-0-36208700-1520543326_thumb.png

Zarchiwizowany

Ten temat przebywa obecnie w archiwum. Dodawanie nowych odpowiedzi zostało zablokowane.

  • Ostatnio przeglądający   0 użytkowników

    • Brak zarejestrowanych użytkowników przeglądających tę stronę.
×
×
  • Dodaj nową pozycję...

Powiadomienie o plikach cookie

Używając tej strony zgadzasz się na Polityka prywatności.