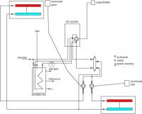
qumaczek Opublikowano 1 Listopada 2017 #1 Opublikowano 1 Listopada 2017 Dużo tu speców od ogrzewania więc bardzo was proszę o rzucenie okiem na schemat jaki mam zamiar wcielić w życię przy montażu kotła Kocioł Immergas victrix 12, pompy grundfoss 25-40. Za jakiś czas mam zamiar górę sterować bezprzewodowo przy pomocy sterownika tech z termostatem w każdym pokoju oraz siłownikami. Proszę także o poradę czy nie ma problemu z ułożeniem urządzeń dokładnie jak na schemacie, czyli pompy pompujące w dół. Teraz ma to działać tak, że piec będzie sobie pompował czynnik dobierając temperaturę z pogodówki pomiędzy palnikiem a sprzęgłem. Jeśli któryś z termostatów załączy pompę obiegi podłogówki będą odbierać ciepło. Na dole mam dodatkowe źródło ciepła którym jest kominek grawitacyjny. Dom ok 120m2 dwa poziomy, wentylacja mechaniczna, izolowany wg obecnych standardów. 100% podłogówka. Z góry dziękuję za wszelkie uwagi oraz rady.
qumaczek Opublikowano 1 Listopada 2017 Autor #2 Opublikowano 1 Listopada 2017 nie załączył się schemat :D
Gość mak Opublikowano 2 Listopada 2017 #3 Opublikowano 2 Listopada 2017 Patrz strona producenta zakładka rozdzielacze strefowe, instrukcja montażu rozdzielacza. Jest schemat, i jakie urządzenia zastosować
sambor Opublikowano 2 Listopada 2017 #5 Opublikowano 2 Listopada 2017 No - kotła, ale to co masz ci wystarczy
teres Opublikowano 2 Listopada 2017 #6 Opublikowano 2 Listopada 2017 Dużo tu speców od ogrzewania więc bardzo was proszę o rzucenie okiem na schemat jaki mam zamiar wcielić w życię przy montażu kotła Kocioł Immergas victrix 12, pompy grundfoss 25-40. Za jakiś czas mam zamiar górę sterować bezprzewodowo przy pomocy sterownika tech z termostatem w każdym pokoju oraz siłownikami. Proszę także o poradę czy nie ma problemu z ułożeniem urządzeń dokładnie jak na schemacie, czyli pompy pompujące w dół. Teraz ma to działać tak, że piec będzie sobie pompował czynnik dobierając temperaturę z pogodówki pomiędzy palnikiem a sprzęgłem. Jeśli któryś z termostatów załączy pompę obiegi podłogówki będą odbierać ciepło. Na dole mam dodatkowe źródło ciepła którym jest kominek grawitacyjny. Dom ok 120m2 dwa poziomy, wentylacja mechaniczna, izolowany wg obecnych standardów. 100% podłogówka. Z góry dziękuję za wszelkie uwagi oraz rady. Przy tym kotle, to nie wiem czy bym się nie pokusił o puszczenie tego tylko na pompie z kotła. Jest w miarę mocna. Pytanie jakie masz zapotrzebowanie na budynek. Licząc na szybko: 8kW - zapotrzebowanie budynku 7K - dt zasilanie - powrót V = 10*860/7 = 982 L/h = 0,98m3 / h Później tylko dokładasz zawory strefowe na parter i piętro i tyle.
sambor Opublikowano 2 Listopada 2017 #7 Opublikowano 2 Listopada 2017 Też tak można, ale 2 pompy to masz osobne sterowanie poziomami.
teres Opublikowano 2 Listopada 2017 #8 Opublikowano 2 Listopada 2017 Dlatego proponuję dać 2 zawory na strefę parter i piętro. Poza tym w takiej wersji jak to było przedstawione brakuje czujnika sprzęgła, bo podmieszanie jest niekontrolowane.
sambor Opublikowano 2 Listopada 2017 #9 Opublikowano 2 Listopada 2017 Nie każdy kocioł ma możliwość kontroli temp sprzęgła, ten nie ma takiej możliwości
teres Opublikowano 2 Listopada 2017 #10 Opublikowano 2 Listopada 2017 No właśnie, dlatego wolałbym nie dawać sprzęgła i mieć kontrolę nad tym jaka idzie temperatura w podłogę (według krzywej grzewczej). Albo zmienić kocioł na taki, który łatwo obsłuży sprzęgło. Tylko po co w tej instalacji sprzęgło? Skoro można się obejść bez niego.
sambor Opublikowano 2 Listopada 2017 #11 Opublikowano 2 Listopada 2017 Sprzęgło daje się gdy kocioł nie ma wymaganego przepływu, a temp się reguluje przepływem nastawiając odpowiednio pompę kotłową. Odchyłki temp powrotu rzędu 3-5C nie są problemem, gdyż niektóre kotły mają nastawianą różnicę między temp zasilania a powrotu i w ten sposób regulują prędkość pompy kotłowej.
qumaczek Opublikowano 2 Listopada 2017 Autor #12 Opublikowano 2 Listopada 2017 Przy tym kotle, to nie wiem czy bym się nie pokusił o puszczenie tego tylko na pompie z kotła. Jest w miarę mocna. Pytanie jakie masz zapotrzebowanie na budynek. Licząc na szybko: 8kW - zapotrzebowanie budynku 7K - dt zasilanie - powrót V = 10*860/7 = 982 L/h = 0,98m3 / h pompa victrix.JPG Później tylko dokładasz zawory strefowe na parter i piętro i tyle. Zastanawiałem się nad takim najprostszym rozwiązaniem, konsultowałem z trzema hydraulikami od CO, każdy powiedział co innego. pierwszy że bez problemu najprostsza instalacja - pompa z kotła i dwa rozdzielacze, drugi chciał wrzucać dodatkową pompę i sprzęgło - bo nie wiadomo czy pompa kotła obsłuży instalację, trzeci dwie pompy, sprzęgło, termostaty w każdym pomieszczeniu i elektrozawory na belkach. Mam po 6 obiegów na poziom, w sumie łączna długość rur ok 800 czy 900m pex 16 najdłuższe pętle są dwie na górze poniżej 90m.
sambor Opublikowano 2 Listopada 2017 #13 Opublikowano 2 Listopada 2017 Taka instalacja to na samym kotle powinna śmigać. Po co ci te bajery?
teres Opublikowano 2 Listopada 2017 #14 Opublikowano 2 Listopada 2017 Puszczaj to z kotła i nie kombinuj. Na tym kotle to musi hulać.
Rekomendowane odpowiedzi
Zarchiwizowany
Ten temat przebywa obecnie w archiwum. Dodawanie nowych odpowiedzi zostało zablokowane.