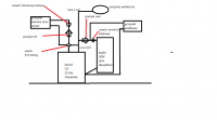
rob500 Opublikowano 11 Marca 2017 #1 Opublikowano 11 Marca 2017 Witam. Bardzo proszę o ocenę schematu. Nie jestem hydraulikiem. Dla niektórych może się wydawać dość "szalony" ale poprostu żaden z uniwersalnych nie pasuje do mojej instalacji. Chodzi o to że ogrzewanie samej góry ma być niezależne ponieważ nie mogę tam dogrzać sypialni. Reszta (tzn. piwnice i parter) może sobie iść i być płynnie regulowana przez 4D. Wymyśliłem również takie a nie inne umiejscowienie bojlera (trochę powyżej pieca) ponieważ chcę aby od początku po rozpaleniu odbierał nadwyżkę ciepła bo piec jest przewymiarowany. Pompa cwu miała by się włączać awaryjnie przy 75 stopniach gdyby temperatura zbyt gwałtownie wyskoczyła co przy nadmuchu jest częste. Zanim włączyłaby się pompa cwu to już ciepła w dużej mierze odbierałby bojler. Wiem że na grawitacji będzie ładowany ponieważ kuzyn ma taki sam i tak się dzieje ale ma zawór zwrotny klapowy za pompą. Grzejniki poddasza sobie wpiąłem tak a nie inaczej bo góry elegancko idą na grawitacji także tu na mój rozum fajnie by to było wykorzystane a zawór klapowy nie powodowałby wychłodzenia bojlera przez grzejniki poddasza. Z kolei za zaworem 4 D pompa która włączy sie juz przy 45 st. a różnicowy dlatego że zadziała podobnie jak zwrotny. (podobno za zaworem 4d nie robi sie bypassów). Moi drodzy nie traktujcie tych wypowiedzi jak one miałyby być jakieś fachowo. Poprostu przelałem myslenie na tekst. Ja wiem że tu może być sporo błędów dlatego czekam na poprawki i ewentualne porady. Pozdrawiam
Maciek92 Opublikowano 11 Marca 2017 #2 Opublikowano 11 Marca 2017 Temat załatwi schemat z pompą kotłową do ochrony powrotu, który wielokrotnie pojawiał się na forum. Dwa osobne obiegi grzejnikowe sterowane przez dwa osobne zawory 3d i 2 pompy, pompę kotłową może zastąpić włączona na stałe pompa cwu. Wilk będzie syty, owca cała a instalacja będzie działała. Nie chce mi się przekopywać przez forum, żeby to znaleźć teraz, ale pewnie zaraz wpadnie któryś z kolegów i wklei :-).
rob500 Opublikowano 11 Marca 2017 Autor #3 Opublikowano 11 Marca 2017 Wszystko fajnie i pieknie, rozumiem to tylko najwiekszym wyznacznikiem bedzie niestety kasa. Chcialem to zrobic z tego materialu z ktorego teraz zrobiona jest kotlownia. Poprostu nie dam rady inaczej...
henryk1953 Opublikowano 12 Marca 2017 #4 Opublikowano 12 Marca 2017 Kolego - to moze najpierw namaluj jak to jest teraz zrobione ,Będzie łatwiej coś doradzić ,Bo rozwiązań twojego problemu jest kilka . Zależec to może również od tego jaką masz teraz instalację ,jaką moc grzejników , i ile wody w instalacji ,Moze się okazać że w twoim przypadku moze wystarczyć jedna pompa i odpowiednia temperatura na kotle oraz odpowiednie kryzowanie instalacji..
henryk1953 Opublikowano 12 Marca 2017 #5 Opublikowano 12 Marca 2017 A - i jescze jedno - jakie zawory masz przy grzejnikach?
rob500 Opublikowano 12 Marca 2017 Autor #6 Opublikowano 12 Marca 2017 Zrobione to jest jak wyzej z tym ze poddasze za zaworem 4d razem z piwnicami i parterem. Bojler oddalony 4m od pieca i mniej wiecej na jego poziomie. Pompa co i cwu ma za soba zawor zwrotny sprezynowy. Obieg co ma by-pass za zaworem 4 d. Wyjscie z pieca 5/4 do 4d a reszta zredukowana do 1 cal. Dodatkowo kotlownia w rurach PP takze kiepskawo. Nieduzy zasob wody uzytkowej pomimo 200 l zbiornika. Tak jak wspomnialem na dom szlo ok 42 stopnie przez 4d a zadana pieca byla 62 takze tyle szlo na bojler. Pozdrawiam
rob500 Opublikowano 12 Marca 2017 Autor #7 Opublikowano 12 Marca 2017 Przy grzejnikach zawory termostatyczne ale z takich najtanszych.
henryk1953 Opublikowano 12 Marca 2017 #8 Opublikowano 12 Marca 2017 Jak masz termostaty przy grzejnikach ,to puść na grzejniki taką temperaturę aby dogrzała ten niedogrzany pokój.Otwórz na max zawor 4D-zobaczysz czy to wystarczy. Jezeli masz pompkę z autoadapt to w porządku ,jezeli nie, to jeden kaloryfer (łazienka) musi być bez termostatu.
rob500 Opublikowano 12 Marca 2017 Autor #9 Opublikowano 12 Marca 2017 Tak zalatwia sprawe bo probowalem ale w tym momencie trace ochrone powrotu..
henryk1953 Opublikowano 12 Marca 2017 #10 Opublikowano 12 Marca 2017 Podnieś tem,na kotle - na grzejniki ustaw zaworem 4D taką jak potrzebujesz.A swoją drogą jak ci pompka CWU pracuje to masz dogrzany powrót.
rob500 Opublikowano 12 Marca 2017 Autor #11 Opublikowano 12 Marca 2017 No dobra ale ja tez chce zastosowac bojler do odbioru chwilowej nadwyzki ciepla bo pomimo ze zadana 62 to nim sie wentylator przy tym wylaczy to na piecu czesto alarm sie wlaczy bo temperature gwaltownie wywali. A najgorzej jest latem gdy 4 d mam zamkniety a bojler oddalony 4 m bez pompy nie pojdzie a zdarzaja sie przerwy w dostawie pradu ti co jak pompa cwu nie pojdzie. Mankamentem jest przewymiarowany piec. Szukam rozwiazania najdogodniejszego do roznych scenariuszy. Co w tym moim schemacie jest nie tak jesli jeszcze raz moge spytac?
henryk1953 Opublikowano 12 Marca 2017 #12 Opublikowano 12 Marca 2017 Jak podłaczysz rurę przelewową ze zbiornika wyrownawczego do kanału lub zlewu, to możesz zastosować zawór schładzający - on będzie pilnował aby woda w kotle się nie zagotowała. Tu masz takie rozwiązanie. http://www.instalacjebudowlane.pl/6095-23-40-sposob-podlaczenia-kotla-typu-sas-do-instalacji-w-ukladzie-z-wymiennikiem-plytowym.html
rob500 Opublikowano 14 Marca 2017 Autor #13 Opublikowano 14 Marca 2017 Zastosowanie zaworu schładzającego będzie "lekiem" na zagrozenie częstego gotowania się wody ale myslę że to nie rozwiąże innych problemów. czy jest mi Pan w stanie okreslić czy mój schemat w pierwszym poście jest w miarę poprawny? Pozdrawiam
henryk1953 Opublikowano 14 Marca 2017 #14 Opublikowano 14 Marca 2017 Kolego - twoim problemem jest to że grzejniki na poddaszu słabo grzeją.Powodem tego moze być i na pewno jest złe kryzowanie instalacji.To co proponujesz jest protezą, .Zanim cokolwiek zrobisz przeczytaj o kryzowaniu , co to jest i jak to zrobić .Jak to się robi przy zaworach termostatycznych. -masz tu https://www.google.pl/?gfe_rd=cr&ei=Cl36Vt3PGe2v8weAyI7ABA#q=kryzowanie+zaworu+termostatycznego&*
rob500 Opublikowano 14 Marca 2017 Autor #15 Opublikowano 14 Marca 2017 Próbowałem już tego ale co mi to da skoro zawór 4d mi nie puści na poddasze wiecej niz trzeba? Widzę ze się nie rozumiemy. Kryzowanie faktycznie pomagało ale zeby korzystac z tej opcji to zawór 4D muszę miec całkowicie otwarty i w tym momencie nie mam ochrony kotła. Jak ją uzyskać?
sambor Opublikowano 14 Marca 2017 #16 Opublikowano 14 Marca 2017 Ze schematu z postu 1 wynika, że poddasze masz grzane po za zaworem 4-D, Więc albo popraw schemat albo się zdecyduj jak masz naprawdę.
rob500 Opublikowano 14 Marca 2017 Autor #17 Opublikowano 14 Marca 2017 Proszę Pana to jest schemat wg którego chciałbym przerobić instalację i teraz pytanie czy on jest dobry? Czy ta przeróbka będzie miała sens? A to jak to wygląda instalacja obecnie jest opisane parę postów niżej.
sambor Opublikowano 14 Marca 2017 #18 Opublikowano 14 Marca 2017 Jeżeli w poście 1 jest planowana przeróbka to w poście wcześniejszym należało dać stan obecny wraz ze średnicami rur. Aby dostać odpowiedź trzeba prawidłowo przedstawić problem, a od tyłu zaczynać. A to co pokazałeś w poście 1 to zła koncepcja
Rekomendowane odpowiedzi
Zarchiwizowany
Ten temat przebywa obecnie w archiwum. Dodawanie nowych odpowiedzi zostało zablokowane.